Информационная система
«Ёшкин Кот»

Скачать базу одним архивом
Скачать обновления
История создания базы
Карта сайта

Скачать Типовой проект 902-9-6 Альбом III. Строительные изделия

Дата актуализации: 10.08.2017

Типовой проект 902-9-6

Альбом III. Строительные изделия

Обозначение: Типовой проект 902-9-6
Обозначение англ: 902-9-6
Статус:действует
Название рус.:Альбом III. Строительные изделия
Дата добавления в базу:01.09.2013
Дата актуализации:05.05.2017
Оглавление:ТП 902-9-6-КЖИ-ВЧ Ведомость чертежей
ТП 902-9-6-КЖИ-ТТ Технические требования
ТП 902-9-6-КЖИ-К1 Колонна КК-366-11-2уа
ТП 902-9-6-КЖИ-К3,К13 Колонны КР-366-11-1а,КР-333-14а
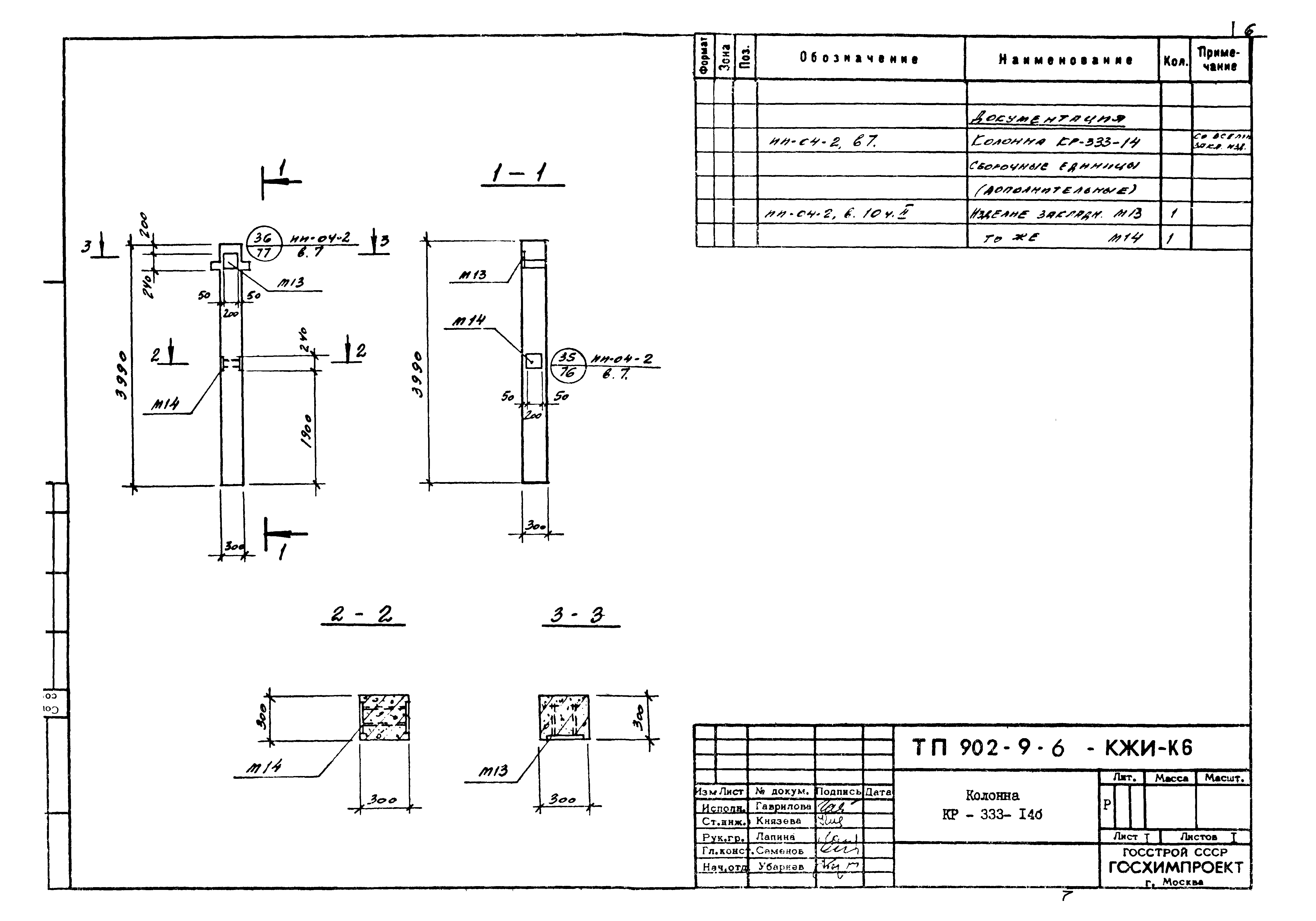
ТП 902-9-6-КЖИ-К6 Колонна КР-333-14б
ТП 902-9-6-КЖИ-К7 Колонна КP-366-11a
ТП 902-9-6-КЖИ-К8 Колонна КP-366-11б
ТП 902-9-6-КЖИ-К9 Колонна КР-366-11в
ТП 902-9-6-КЖИ-К11 Колонна КК-366-11-2a
ТП 902-9-6-КЖИ-К12 Колонна КР-366-11-1в
ТП 902-9-6-КЖИ-К14 Колонна КК-366-11-2уб
ТП 902-9-6-КЖИ-К15 Колонна КР-366-11-1б
ТП 902-9-6-КЖИ-Р1 Ригель Р-40-57а
ТП 902-9-6-КЖИ-Р5 Ригель Р-40-57б
ТП 902-9-6-КЖИ-СЖ1 Диафрагма жесткости Д-28-33а
ТП 902-9-6-КЖИ-СЖ2 Диафрагма жесткости Д2-28-33Па
ТП 902-9-6-КЖИ-СЖ3 Диафрагма жесткости Д2-28-33а
ТП 902-9-6-КЖИ-ПС13 Стеновая панель Н-60-9а
ТП 902-9-6-КЖИ-МЛ1 Лестничный марш ЛМ 58-14-17а
ТП 902-9-6-КЖИ Стальные изделия
ТП 902-9-6-КЖИ-ВА ТП 902-9-6-КЖИ-ВЧ Воздуховоды асбестоцементные (начало)
ТП 902-9-6-КЖИ-ВА Воздуховоды асбестоцементные (продолжение)
ТП 902-9-6-КЖИ-ВА Воздуховоды асбестоцементные (окончание)
ТП 902-9-6-КЖИ-РМ1 Рамка РМ 1
ТП 902-9-6-КЖИ-РМ2 Рамка РМ 2
ТП 902-9-6-КЖИ-РМ3 Рамка РМ 3
ТП 902-9-6-КЖИ-МК1 Монтажный крюк МК1
ТП 902-9-6-КЖИ-МК2 Монтажный крюк МК2
ТП 902-9-6-КЖИ-МК3 Монтажный крюк МК3
ТП 902-9-6-КЖИ-П1 Подвеска П1
ТП 902-9-6-КЖИ-П2 Подвеска П2
ТП 902-9-6-КЖИ-П3,4 Подвески П3,П4
ТП 902-9-6-КЖИ-П15 Подвеска П5
ТП 902-9-6-КЖИ-МЩ1 Щит МЩ1
ТП 902-9-6-КЖИ-М3 Закладная деталь М3
ТП 902-9-6-КЖИ-МС1 Соединительная деталь МС1
ТП 902-9-6-КЖИ-МС2 Соединительная деталь МС2
ТП 902-9-6-КЖИ-МС3 Соединительная деталь МС3
ТП 902-9-6-КЖИ-МС4 Соединительная деталь МС4
Разработан: Союзводоканалпроект
Госхимпроект
Утверждён:25.06.1979 Союзводоканалпроект (Soyuzvodokanalproject 31)
Издан: ЦИТП Госстроя СССР (CITP, Gosstroy (USSR) 1979 г. )
Расположен в:Техническая документация Строительство Справочные документы Типовые строительные конструкции, изделия и узлы Общероссийский строительный каталог Промышленные предприятия, здания и сооружения Здания и сооружения санитарно-технические Канализация Сооружения биологической (биохимической) очистки Станции биологической очистки сточных вод
Типовой проект 902-9-6Типовой проект 902-9-6Типовой проект 902-9-6Типовой проект 902-9-6Типовой проект 902-9-6Типовой проект 902-9-6Типовой проект 902-9-6Типовой проект 902-9-6Типовой проект 902-9-6Типовой проект 902-9-6Типовой проект 902-9-6Типовой проект 902-9-6Типовой проект 902-9-6Типовой проект 902-9-6Типовой проект 902-9-6Типовой проект 902-9-6Типовой проект 902-9-6Типовой проект 902-9-6Типовой проект 902-9-6Типовой проект 902-9-6Типовой проект 902-9-6Типовой проект 902-9-6Типовой проект 902-9-6Типовой проект 902-9-6Типовой проект 902-9-6Типовой проект 902-9-6Типовой проект 902-9-6Типовой проект 902-9-6Типовой проект 902-9-6Типовой проект 902-9-6Типовой проект 902-9-6Типовой проект 902-9-6

© 2013 Ёшкин Кот :-) Карта сайта