Скачать Типовой проект 904-1-66.86 Альбом 6. Строительные решения для 4 компрессоровДата актуализации: 10.08.2017 Типовой проект 904-1-66.86
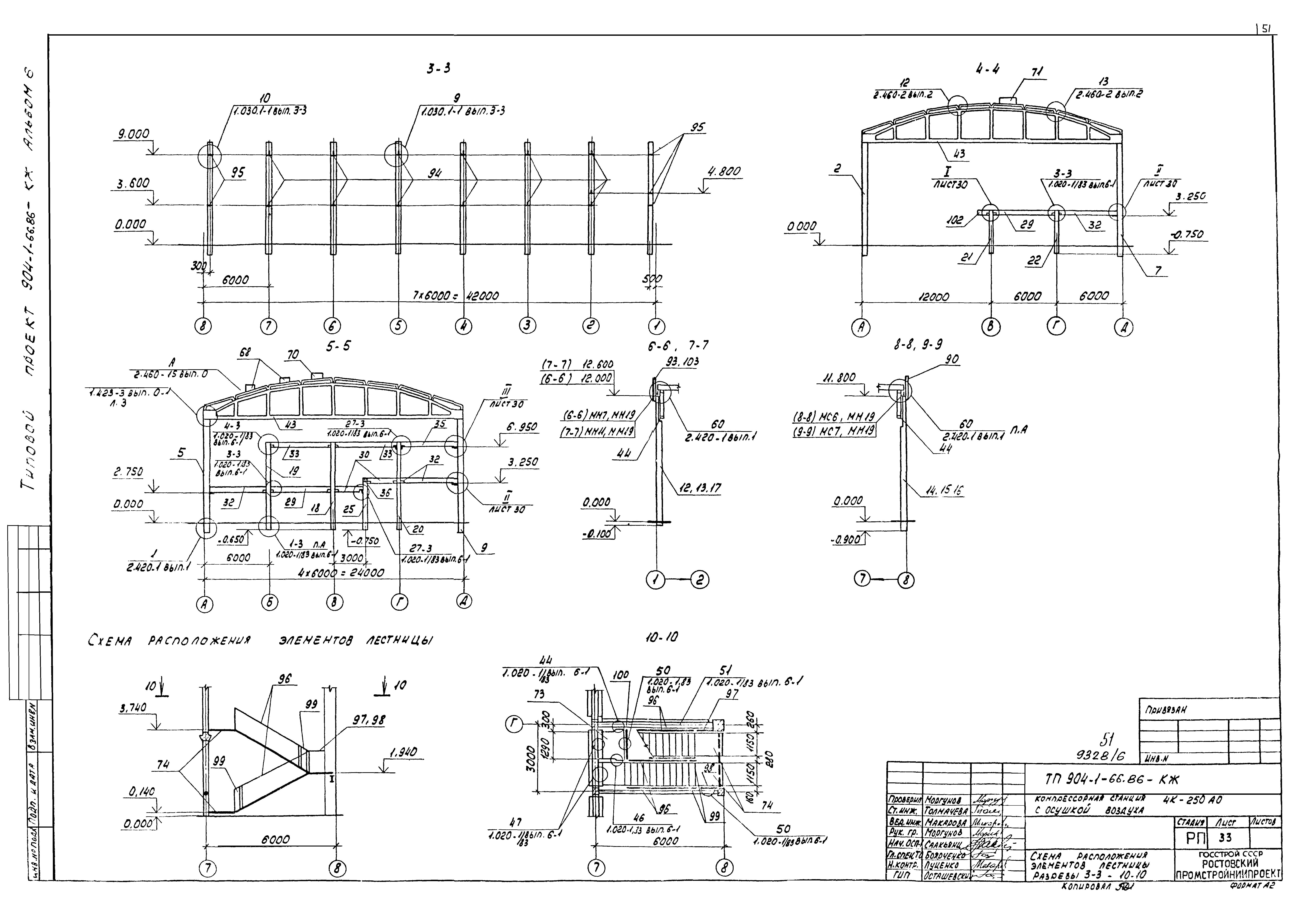
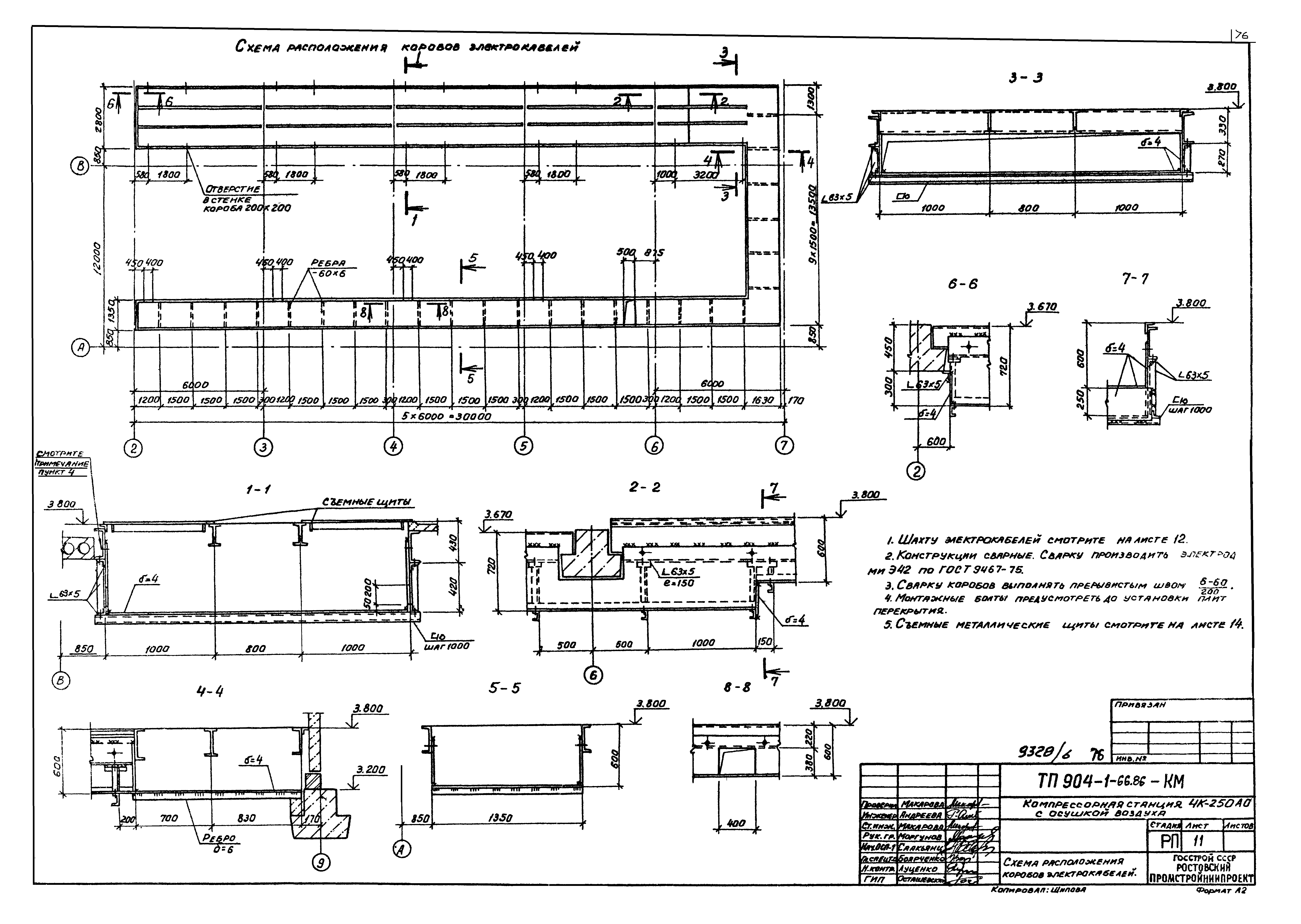
Альбом 6. Строительные решения для 4 компрессоровОбозначение: | Типовой проект 904-1-66.86 | Обозначение англ: | 904-1-66.86 | Статус: | действует | Название рус.: | Альбом 6. Строительные решения для 4 компрессоров | Дата добавления в базу: | 01.09.2013 | Дата актуализации: | 05.05.2017 | Дата введения: | 30.08.1986 | Оглавление: | ТП 904-1-66.86-АР Содержание альбома ТП 904-1-66.86-ПЗ Пояснительная записка ТП 904-1-66.86-АР Архитектурные решения ТП 904-1-66.86-АР-1 Общие данные (начало) ТП 904-1-66.86-АР-2 Общие данные (окончание) ТП 904-1-66.86-АР-3 Схемы расположения подземных конструкций и опор под внутренние перегородки (начало) ТП 904-1-66.86-АР-4 Схемы расположения подземных конструкций и опор под внутренние перегородки (окончание) ТП 904-1-66.86-АР-5 Планы на отм. 0.000 и 3.800 ТП 904-1-66.86-АР-6 Фрагменты плана 1-3. Схема расположения накладных проступей ТП 904-1-66.86-АР-7 Фрагменты плана 4 ТП 904-1-66.86-АР-8 Разрезы 1-1÷5-5 ТП 904-1-66.86-АР-9 Фасады ТП 904-1-66.86-АР-10 Схемы расположения опор двойного пола и деревянных щитов ТП 904-1-66.86-АР-11 Сечения 1-1÷2-2 ТП 904-1-66.86-АР-12 Ведомость отделки помещений. Экспликация полов. План кровли ТП 904-1-66.86-АР-13 Узлы 1-11. Схема установки закладных элементов в проеме ворот ТП 904-1-66.86-КЖ Конструкции железобетонные ТП 904-1-66.86-КЖ-1 Общие данные (начало) ТП 904-1-66.86-КЖ-2 Общие данные (продолжение) ТП 904-1-66.86-КЖ-3 Общие данные (окончание) ТП 904-1-66.86-КЖ-4 Схема расположения элементов фундаментов. Узел 1 ТП 904-1-66.86-КЖ-5 Узлы 2-7 ТП 904-1-66.86-КЖ-6 Узлы 8-13 ТП 904-1-66.86-КЖ-7 Фундаменты ФМ1-ФМ3 ТП 904-1-66.86-КЖ-8 Фундаменты ФМ5-ФМ7,ФМ18 ТП 904-1-66.86-КЖ-9 Фундаменты ФМ8-ФМ10 ТП 904-1-66.86-КЖ-10 Фундаменты ФМ4,ФМ11,ФМ12,ФМ16 ТП 904-1-66.86-КЖ-11 Фундаменты ФМ13-ФМ15,ФМ17 ТП 904-1-66.86-КЖ-12 Схемы расположения элементов колодцев К1,К2,К3 плит перекрытия и элементов канала КН1 (начало) ТП 904-1-66.86-КЖ-13 Схемы расположения элементов колодцев К1,К2,К3 плит перекрытия и элементов канала КН1 (продолжение) ТП 904-1-66.86-КЖ-14 Схемы расположения элементов колодцев К1,К2,К3 плит перекрытия и элементов канала КН1 (окончание) ТП 904-1-66.86-КЖ-15 Спецификация к участкам монолитным УМ1-УМ5,УМ9 ТП 904-1-66.86-КЖ-16 Спецификация к участкам монолитным УМ6-УМ8. Ведомость расхода стали ТП 904-1-66.86-КЖ-17 Участок монолитный УМ1 ТП 904-1-66.86-КЖ-18 Участки монолитные УМ2-УМ5 ТП 904-1-66.86-КЖ-19 Участки монолитные УМ6-УМ8 ТП 904-1-66.86-КЖ-20 Участок монолитный УМ9. Ведомость деталей ТП 904-1-66.86-КЖ-21 Схема расположения элементов фундаментов ФОМ1 ТП 904-1-66.86-КЖ-22 Плита ПФМ1 ТП 904-1-66.86-КЖ-23 Плита ПФМ2. Спецификация ТП 904-1-66.86-КЖ-24 Плита ПФМ2. Общий вид (начало) ТП 904-1-66.86-КЖ-25 Плита ПФМ2. Общий вид (продолжение) ТП 904-1-66.86-КЖ-26 Плита ПФМ2. Общий вид (окончание) ТП 904-1-66.86-КЖ-27 Плита ПФМ2. Схема армирования (начало) ТП 904-1-66.86-КЖ-28 Плита ПФМ2. Схема армирования (окончание) ТП 904-1-66.86-КЖ-29 Спецификация к схемам расположения элементов каркаса, ферм, плит покрытия и перекрытия, элементов лестницы ТП 904-1-66.86-КЖ-30 Узлы 1-5 ТП 904-1-66.86-КЖ-31 Схемы расположения элементов каркаса на отм. 3.800 и ферм ТП 904-1-66.86-КЖ-32 Схемы расположения плит перекрытия, покрытия и элементов каркаса на отм. 7.420 ТП 904-1-66.86-КЖ-33 Схемы расположения элементов лестницы. Разрезы 3-3-10-10 ТП 904-1-66.86-КЖ-34 Схемы расположения стеновых панелей (начало) ТП 904-1-66.86-КЖ-35 Схемы расположения стеновых панелей (продолжение) ТП 904-1-66.86-КЖ-36 Схемы расположения стеновых панелей (продолжение) ТП 904-1-66.86-КЖ-37 Схемы расположения стеновых панелей (продолжение) ТП 904-1-66.86-КЖ-38 Схемы расположения стеновых панелей (окончание) ТП 904-1-66.86-КЖ-39 Схемы расположения перегородок в осях 1-2,8-10 (начало) ТП 904-1-66.86-КЖ-40 Схемы расположения перегородок в осях 1-2,8-10 (окончание) ТП 904-1-66.86-КЖ-41 Плиты ПМ1-ПМ13. Спецификация (начало) ТП 904-1-66.86-КЖ-42 Плиты ПМ1-ПМ13. Спецификация (окончание) ТП 904-1-66.86-КЖ-43 Питы ПМ1,ПМ2 ТП 904-1-66.86-КЖ-44 Питы ПМ3-ПМ7 ТП 904-1-66.86-КЖ-45 Питы ПМ8-ПМ13 ТП 904-1-66.86-КЖ-46 Фундаменты под оборудование ФОМ1-ФОМ14 (начало) ТП 904-1-66.86-КЖ-47 Фундаменты под оборудование ФОМ1-ФОМ14 (окончание) ТП 904-1-66.86-КМ Конструкции металлические ТП 904-1-66.86-КМ-1 Общие данные ТП 904-1-66.86-КМ-2 Техническая спецификация металла на объект (начало) ТП 904-1-66.86-КМ-3 Техническая спецификация металла на объект (окончание) ТП 904-1-66.86-КМ-4 Техническая спецификация металла на лестницы ТП 904-1-66.86-КМ-5 Ведомость металлоконструкций по видам профилей ТП 904-1-66.86-КМ-6 Схема расположения подвесных путей ТП 904-1-66.86-КМ-7 Схема расположения балок перекрытия на отметке 3.800. Разрез 1-1 ТП 904-1-66.86-КМ-8 Схема расположения щитов перекрытия на отметке 3.800 ТП 904-1-66.86-КМ-9 Разрезы 2-2-14-14. Узлы 1-5 ТП 904-1-66.86-КМ-10 Схема расположения балок на отметках 3.200,7.400,4.600,5.600 ТП 904-1-66.86-КМ-11 Схема расположения коробов электрокабелей ТП 904-1-66.86-КМ-12 Шахта для электрокабелей. Схема расположения стоек трубопроводов ТП 904-1-66.86-КМ-13 Схема расположения щитов и балок на отметках 3.800, 0.000 ТП 904-1-66.86-КМ-14 Схема расположения щитов перекрытия канала КН1 в осях 1-2,3,4,5,6,7. Щиты Щ1-Щ16 ТП 904-1-66.86-КМ-15 Схема расположения жалюзийных решеток, кронштейнов ТП 904-1-66.86-КМ-16 Схема расположения балок и решеток на отм. 0.750, 2.250. Решетки Р1-Р3 ТП 904-1-66.86-КМ-17 Схема расположения лестницы и ограждений, площадки на отметке 3.770 ТП 904-1-66.86-КМ-18 Схема расположения наружной лестницы ТП 904-1-66.86-ВК Внутренние водопровод и канализация ТП 904-1-66.86-ВК-1 Общие данные ТП 904-1-66.86-ВК-2 Планы ТП 904-1-66.86-ВК-3 План кровли. Схемы ТП 904-1-66.86-ОВ Отопление и вентиляция ТП 904-1-66.86-ОВ-1 Общие данные (начало) ТП 904-1-66.86-ОВ-2 Общие данные (окончание) ТП 904-1-66.86-ОВ-3 План на отм. 0.000 ТП 904-1-66.86-ОВ-4 План на отм. 3.800 ТП 904-1-66.86-ОВ-5 Схема системы отопления. Узел управления ТП 904-1-66.86-ОВ-6 Схемы системы теплоснабжения установок А1 ТП 904-1-66.86-ОВ-7 Разрезы 1-1;2-2;3-3. Схемы систем В2,ВЕ,ВЕ2,ВЕ3,ВЕ4 | Разработан: | Ростовский Промстройниипроект Госстроя СССР
| Утверждён: | 28.03.1986 Минстройдормаш (Minstroydormash 13/86)
| Издан: | ЦИТП Госстроя СССР (CITP, Gosstroy (USSR) 1987 г. )
| Расположен в: |
|
                                                                                             
|