Информационная система
«Ёшкин Кот»

Скачать базу одним архивом
Скачать обновления
История создания базы
Карта сайта

Скачать Типовой проект 904-1-66.86 Альбом 3. Автоматизация и КИП. Чертежи

Дата актуализации: 10.08.2017

Типовой проект 904-1-66.86

Альбом 3. Автоматизация и КИП. Чертежи

Обозначение: Типовой проект 904-1-66.86
Обозначение англ: 904-1-66.86
Статус:действует
Название рус.:Альбом 3. Автоматизация и КИП. Чертежи
Дата добавления в базу:01.09.2013
Дата актуализации:05.05.2017
Дата введения:30.08.1986
Оглавление:ТП 904-1-66.86 Титульный лист
ТП 904-1-66.86-АТХ-2 Общие данные (начало)
ТП 904-1-66.86-АТХ-3 Общие данные (продолжение)
ТП 904-1-66.86-АТХ-4 Общие данные (продолжение)
ТП 904-1-66.86-АТХ-5 Общие данные (продолжение)
ТП 904-1-66.86-АТХ-6 Общие данные (продолжение)
ТП 904-1-66.86-АТХ-7 Общие данные (продолжение)
ТП 904-1-66.86-АТХ-8 Общие данные (продолжение)
ТП 904-1-66.86-АТХ-9 Общие данные (окончание)
ТП 904-1-66.86-АТХ-10 Воздушный тракт. Функциональная схема автоматизации
ТП 904-1-66.86-АТХ-11 Система водопроводов. Функциональная схема автоматизации
ТП 904-1-66.86-АТХ-12 Система маслопроводов. Функциональная схема автоматизации
ТП 904-1-66.86-АТХ-13 Общестанционные проводки. Функциональная схема автоматизации
ТП 904-1-66.86-АТХ-14 Общестанционные проводки. Функциональная схема автоматизации
ТП 904-1-66.86-АТХ-15 Установка осушки №1. Функциональная схема автоматизации
ТП 904-1-66.86-АТХ-16 Компрессорная станция. Принципиальная электрическая схема питания
ТП 904-1-66.86-АТХ-17 Компрессорная станция. Принципиальная электрическая схема питания
ТП 904-1-66.86-АТХ-18 Элемент принципиальной электрической схемы управления двигателем компрессора
ТП 904-1-66.86-АТХ-19 Принципиальная электрическая схема управления вентилями аварийного слива масла
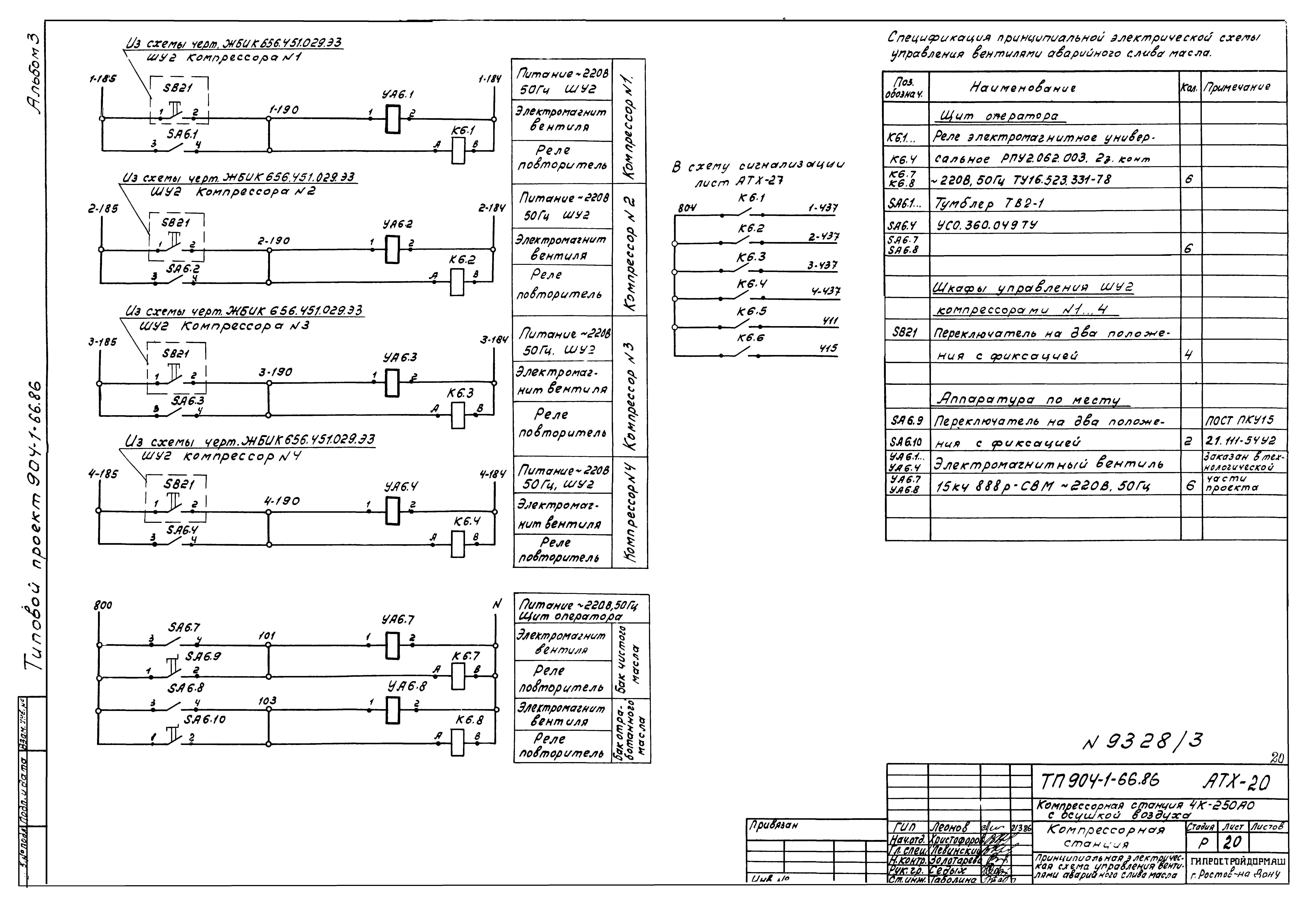
ТП 904-1-66.86-АТХ-20 Принципиальная электрическая схема управления вентилями аварийного слива масла
ТП 904-1-66.86-АТХ-21 Принципиальная электрическая схема управления вентилем подогрева масла
ТП 904-1-66.86-АТХ Принципиальная электрическая схема измерения расхода
ТП 904-1-66.86-АТХ-22 Принципиальная электрическая схема управления вентилем слива холодной воды
ТП 904-1-66.86-АТХ-23 Установка осушки. Принципиальная электрическая схема сигнализации
ТП 904-1-66.86-АТХ-24 Компрессорная станция. Принципиальная электрическая схема сигнализации (начало)
ТП 904-1-66.86-АТХ-25 Компрессорная станция. Принципиальная электрическая схема сигнализации (окончание)
ТП 904-1-66.86-АТХ-26 Установка осушки. Принципиальная электрическая схема сигнализации
ТП 904-1-66.86-АТХ-27 Компрессорная станция. Принципиальная электрическая схема сигнализации
ТП 904-1-66.86-АТХ-28 Принципиальная электрическая схема управления отопительными агрегатами
ТП 904-1-66.86-АТХ-29 Вентсистема В2. Электрические схемы
ТП 904-1-66.86-АТХ-30 Компрессор № 1. Схема внешних электрических и трубных проводок (начало)
ТП 904-1-66.86-АТХ-31 Компрессор № 1. Схема внешних электрических и трубных проводок (продолжение)
ТП 904-1-66.86-АТХ-32 Компрессор № 1. Схема внешних электрических и трубных проводок (продолжение)
ТП 904-1-66.86-АТХ-33 Компрессор № 1. Схема внешних электрических и трубных проводок (продолжение)
ТП 904-1-66.86-АТХ-34 Компрессор № 1. Схема внешних электрических и трубных проводок (продолжение)
ТП 904-1-66.86-АТХ-35 Компрессор № 1. Схема внешних электрических и трубных проводок (продолжение)
ТП 904-1-66.86-АТХ-36 Компрессор № 1. Схема внешних электрических и трубных проводок (окончание)
ТП 904-1-66.86-АТХ-37 Компрессорная станция. Схема внешних электрических и трубных проводок (начало)
ТП 904-1-66.86-АТХ-38 Компрессорная станция. Схема внешних электрических и трубных проводок (окончание)
ТП 904-1-66.86-АТХ-39 Установка осушки №1. Схема внешних электрических и трубных проводок
ТП 904-1-66.86-АТХ-40 Компрессор №1. Шкаф управления ШУ1-УКАС-АМ. Схема подключения внешних проводок
ТП 904-1-66.86-АТХ-41 Компрессор №1. Шкаф управления ШУ2-УКАС-АМ. Схема подключения внешних проводок
ТП 904-1-66.86-АТХ-42 Установка осушки №1. Шкаф управления (ШИЕ5800). Схема подключения внешних проводок
ТП 904-1-66.86-АТХ-43 Установка осушки №1. Шкаф регулирования (ШИЕ8800). Схема подключения внешних проводок
ТП 904-1-66.86-АТХ-44 Компрессорная станция. Щит оператора. Схема подключения внешних проводок
ТП 904-1-66.86-АТХ-45 Компрессорная станция. Щит оператора. Схема подключения внешних проводок
ТП 904-1-66.86-АТХ-46 Журнал кабельных проводок (начало)
ТП 904-1-66.86-АТХ-47 Журнал кабельных проводок (продолжение)
ТП 904-1-66.86-АТХ-48 Журнал кабельных проводок (продолжение)
ТП 904-1-66.86-АТХ-49 Журнал кабельных проводок (продолжение)
ТП 904-1-66.86-АТХ-50 Журнал кабельных проводок (продолжение)
ТП 904-1-66.86-АТХ-51 Журнал кабельных проводок (продолжение)
ТП 904-1-66.86-АТХ-52 Журнал кабельных проводок (продолжение)
ТП 904-1-66.86-АТХ-53 Журнал кабельных проводок (продолжение)
ТП 904-1-66.86-АТХ-54 Журнал кабельных проводок (продолжение)
ТП 904-1-66.86-АТХ-55 Журнал кабельных проводок (продолжение)
ТП 904-1-66.86-АТХ-56 Журнал кабельных проводок (продолжение)
ТП 904-1-66.86-АТХ-57 Журнал кабельных проводок (продолжение)
ТП 904-1-66.86-АТХ-58 Журнал кабельных проводок (продолжение)
ТП 904-1-66.86-АТХ-59 Журнал кабельных проводок (продолжение)
ТП 904-1-66.86-АТХ-60 Журнал кабельных проводок (продолжение)
ТП 904-1-66.86-АТХ-61 Журнал кабельных проводок (продолжение)
ТП 904-1-66.86-АТХ-62 Журнал кабельных проводок (продолжение)
ТП 904-1-66.86-АТХ-63 Журнал кабельных проводок (продолжение)
ТП 904-1-66.86-АТХ-64 Журнал кабельных проводок (продолжение)
ТП 904-1-66.86-АТХ-65 Журнал кабельных проводок (окончание)
ТП 904-1-66.86-АТХ-66 Журнал кабельных проводок (начало)
ТП 904-1-66.86-АТХ-67 Журнал кабельных проводок (продолжение)
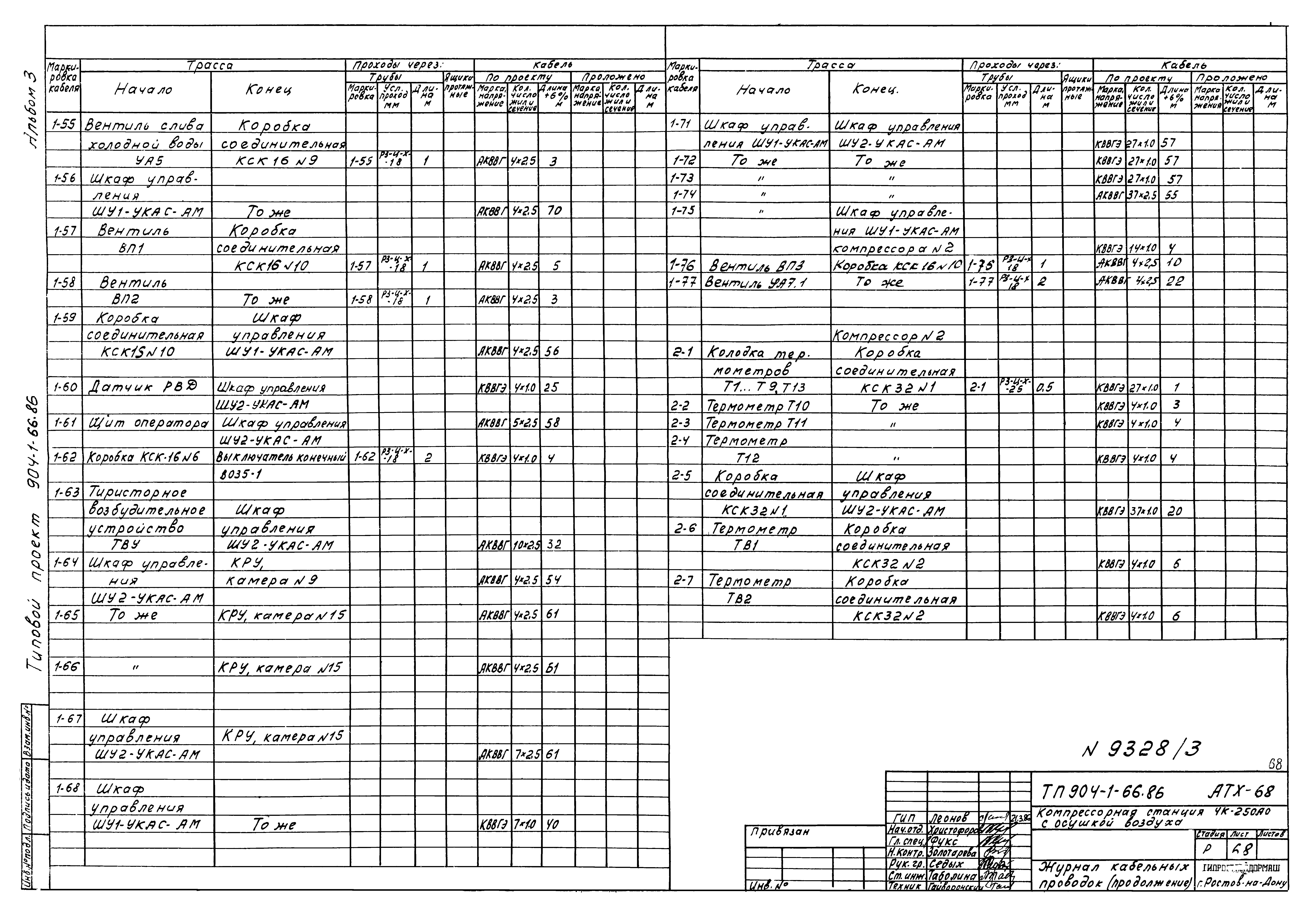
ТП 904-1-66.86-АТХ-68 Журнал кабельных проводок (продолжение)
ТП 904-1-66.86-АТХ-69 Журнал кабельных проводок (продолжение)
ТП 904-1-66.86-АТХ-70 Журнал кабельных проводок (продолжение)
ТП 904-1-66.86-АТХ-71 Журнал кабельных проводок (продолжение)
ТП 904-1-66.86-АТХ-72 Журнал кабельных проводок (продолжение)
ТП 904-1-66.86-АТХ-73 Журнал кабельных проводок (продолжение)
ТП 904-1-66.86-АТХ-74 Журнал кабельных проводок (продолжение)
ТП 904-1-66.86-АТХ-75 Журнал кабельных проводок (продолжение)
ТП 904-1-66.86-АТХ-76 Журнал кабельных проводок (продолжение)
ТП 904-1-66.86-АТХ-77 Журнал кабельных проводок (продолжение)
ТП 904-1-66.86-АТХ-78 Журнал кабельных проводок (продолжение)
ТП 904-1-66.86-АТХ-79 Журнал кабельных проводок (окончание)
ТП 904-1-66.86-АТХ-80 Журнал импульсных проводок (начало)
ТП 904-1-66.86-АТХ-81 Журнал импульсных проводок (окончание)
ТП 904-1-66.86-АТХ-82 Журнал импульсных проводок (начало)
ТП 904-1-66.86-АТХ-83 Журнал импульсных проводок (окончание)
ТП 904-1-66.86-АТХ-84 Компрессорная станция. План расположения средств автоматизации и проводок (начало)
ТП 904-1-66.86-АТХ-85 Компрессорная станция. План расположения средств автоматизации и проводок (продолжение)
ТП 904-1-66.86-АТХ-86 Компрессорная станция. План расположения средств автоматизации и проводок (окончание)
ТП 904-1-66.86-АТХ-87 Компрессорная станция. План расположения средств автоматизации и проводок (начало)
ТП 904-1-66.86-АТХ-88 Компрессорная станция. План расположения средств автоматизации и проводок (продолжение)
ТП 904-1-66.86-АТХ-89 Компрессорная станция. План расположения средств автоматизации и проводок (окончание)
ТП 904-1-66.86-АТХ-90 Компрессор №1. План расположения средств автоматизации и проводок (начало)
ТП 904-1-66.86-АТХ-91 Компрессор №1. План расположения средств автоматизации и проводок (продолжение)
ТП 904-1-66.86-АТХ-92 Компрессор №1. План расположения средств автоматизации и проводок (продолжение)
ТП 904-1-66.86-АТХ-93 Компрессор №1. План расположения средств автоматизации и проводок (окончание)
ТП 904-1-66.86-АТХ-94 Установка осушки. План расположения средств автоматизации и проводок
ТП 904-1-66.86-АТХ-01.000 Установка кнопочных постов типа ПКУ
ТП 904-1-66.86-АТХ-02.000 Установка кнопочных постов управления типа ПКЕ722-2,ПКЕ212-1
ТП 904-1-66.86-АТХ-01.000 СБ Установка поста управления типа ПКУ. Сборочный чертеж
ТП 904-1-66.86-АТХ-02.000 СБ Установка кнопочных постов управления типа ПКЕ722-2,ПКЕ212-1. Сборочный чертеж
Разработан: Гипростройдормаш
Утверждён:28.03.1986 Минстройдормаш (Minstroydormash 13/86)
Издан: ЦИТП Госстроя СССР (CITP, Gosstroy (USSR) 1987 г. )
Расположен в:Техническая документация Строительство Справочные документы Типовые строительные конструкции, изделия и узлы Общероссийский строительный каталог Промышленные предприятия, здания и сооружения Здания и сооружения санитарно-технические Воздухоснабжение, вентиляция и кондиционирование воздуха Воздухоснабжение
Типовой проект 904-1-66.86Типовой проект 904-1-66.86Типовой проект 904-1-66.86Типовой проект 904-1-66.86Типовой проект 904-1-66.86Типовой проект 904-1-66.86Типовой проект 904-1-66.86Типовой проект 904-1-66.86Типовой проект 904-1-66.86Типовой проект 904-1-66.86Типовой проект 904-1-66.86Типовой проект 904-1-66.86Типовой проект 904-1-66.86Типовой проект 904-1-66.86Типовой проект 904-1-66.86Типовой проект 904-1-66.86Типовой проект 904-1-66.86Типовой проект 904-1-66.86Типовой проект 904-1-66.86Типовой проект 904-1-66.86Типовой проект 904-1-66.86Типовой проект 904-1-66.86Типовой проект 904-1-66.86Типовой проект 904-1-66.86Типовой проект 904-1-66.86Типовой проект 904-1-66.86Типовой проект 904-1-66.86Типовой проект 904-1-66.86Типовой проект 904-1-66.86Типовой проект 904-1-66.86Типовой проект 904-1-66.86Типовой проект 904-1-66.86Типовой проект 904-1-66.86Типовой проект 904-1-66.86Типовой проект 904-1-66.86Типовой проект 904-1-66.86Типовой проект 904-1-66.86Типовой проект 904-1-66.86Типовой проект 904-1-66.86Типовой проект 904-1-66.86Типовой проект 904-1-66.86Типовой проект 904-1-66.86Типовой проект 904-1-66.86Типовой проект 904-1-66.86Типовой проект 904-1-66.86Типовой проект 904-1-66.86Типовой проект 904-1-66.86Типовой проект 904-1-66.86Типовой проект 904-1-66.86Типовой проект 904-1-66.86Типовой проект 904-1-66.86Типовой проект 904-1-66.86Типовой проект 904-1-66.86Типовой проект 904-1-66.86Типовой проект 904-1-66.86Типовой проект 904-1-66.86Типовой проект 904-1-66.86Типовой проект 904-1-66.86Типовой проект 904-1-66.86Типовой проект 904-1-66.86Типовой проект 904-1-66.86Типовой проект 904-1-66.86Типовой проект 904-1-66.86Типовой проект 904-1-66.86Типовой проект 904-1-66.86Типовой проект 904-1-66.86Типовой проект 904-1-66.86Типовой проект 904-1-66.86Типовой проект 904-1-66.86Типовой проект 904-1-66.86Типовой проект 904-1-66.86Типовой проект 904-1-66.86Типовой проект 904-1-66.86Типовой проект 904-1-66.86Типовой проект 904-1-66.86Типовой проект 904-1-66.86Типовой проект 904-1-66.86Типовой проект 904-1-66.86Типовой проект 904-1-66.86Типовой проект 904-1-66.86Типовой проект 904-1-66.86Типовой проект 904-1-66.86Типовой проект 904-1-66.86Типовой проект 904-1-66.86Типовой проект 904-1-66.86Типовой проект 904-1-66.86Типовой проект 904-1-66.86Типовой проект 904-1-66.86Типовой проект 904-1-66.86Типовой проект 904-1-66.86Типовой проект 904-1-66.86Типовой проект 904-1-66.86Типовой проект 904-1-66.86Типовой проект 904-1-66.86Типовой проект 904-1-66.86Типовой проект 904-1-66.86Типовой проект 904-1-66.86Типовой проект 904-1-66.86

© 2013 Ёшкин Кот :-) Карта сайта