Скачать Типовой проект 903-2-13 Альбом I. Часть 1. Мазутонасосная. Части: тепломеханическая, автоматизация, электротехническая, санитарно-техническая, тепловые сетиДата актуализации: 10.08.2017 Типовой проект 903-2-13
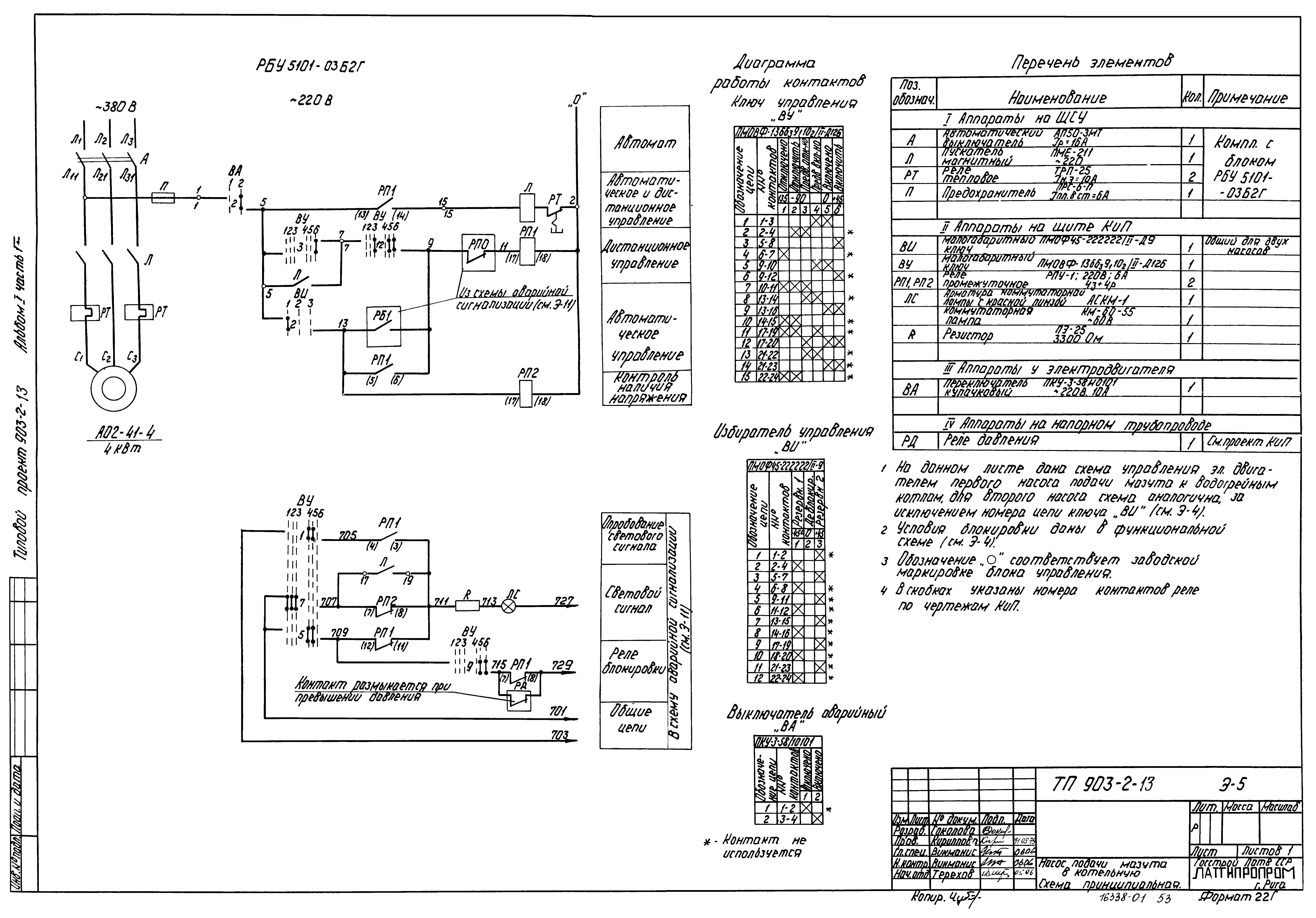
Альбом I. Часть 1. Мазутонасосная. Части: тепломеханическая, автоматизация, электротехническая, санитарно-техническая, тепловые сетиОбозначение: | Типовой проект 903-2-13 | Обозначение англ: | 903-2-13 | Статус: | заменен | Название рус.: | Альбом I. Часть 1. Мазутонасосная. Части: тепломеханическая, автоматизация, электротехническая, санитарно-техническая, тепловые сети | Дата добавления в базу: | 01.09.2013 | Дата актуализации: | 05.05.2017 | Оглавление: | ТП 903-2-13 Лист 1,2 Содержание альбома ТП 903-2-13 Пояснительная записка ТП 903-2-13-ТМ Тепломеханическая часть ТП 903-2-13-ТМ Общая часть ТП 903-2-13-ТМ1/1 Лист 1 Общая часть. Общие данные (начало) ТП 903-2-13-ТМ1/1 Лист 2,3 Общая часть. Общие данные (продолжение) ТП 903-2-13-ТМ1/1 Лист 4 Общая часть. Общие данные (окончание) ТП 903-2-13-ТМ1/2 Лист 1 Общая часть. Компоновка сооружений мазутного хозяйства. (Вариант железнодорожного слива) ТП 903-2-13-ТМ1/2 Лист 2 Общая часть. Компоновка сооружений мазутного хозяйства. (Вариант автослива) ТП 903-2-13-ТМ1/3 Общая часть. Схема трубопроводов мазутного хозяйства ТП 903-2-13-ТМ1/4 Общая часть. Схема трубопроводов жидких присадок ТП 903-2-13-ТМ Мазутонасосная ТП 903-2-13-ТМ2/1 Лист 1 Мазутонасосная. Общие данные (начало) ТП 903-2-13-ТМ2/1 Лист 2,3 Мазутонасосная. Общие данные (продолжение) ТП 903-2-13-ТМ2/1 Лист 4 Мазутонасосная. Общие данные (окончание) ТП 903-2-13-ТМ2/2 Лист 1,2,3,4,5 Мазутонасосная. Перечень изолируемых поверхностей ТП 903-2-13-ТМ2/3 Лист 1,2 Мазутонасосная. Компоновка оборудования ТП 903-2-13-ТМ2/4 Лист 1,2,3 Мазутонасосная. Трубопроводы мазута жидких присадок и дренажа ТП 903-2-13-ТМ2/5 Лист 1,2,3 Мазутонасосная. Трубопроводы пара и конденсата ТП 903-2-13-ТМ2/6 Мазутонасосная. Трубопроводы паротушения ТП 903-2-13-ТМ2/7 Лист 1,2 Мазутонасосная. Схема дренажей и продувки мазутопроводов ТП 903-2-13-ТМ2/8 Листы 1,2 Мазутонасосная. Схема дренажей и продувки паропроводов ТП 903-2-13-ТМ2/9 Мазутонасосная. Установка датчиков уровня Ду ТП 903-2-13-ТМ2/10 Мазутонасосная. Дренажное и продувочное устройство ТП 903-2-13-ТМ2/11 Мазутонасосная. Таблица крепежных материалов ТП 903-2-13-КИП Автоматизация ТП 903-2-13-КИП-1 Лист 1 Общие данные (начало) ТП 903-2-13-КИП-1 Лист 2 Общие данные (окончание) ТП 903-2-13-КИП-2 Схема функциональная ТП 903-2-13-КИП-3 Схемы электрические питания и сигнализации принципиальные ТП 903-2-13-КИП-4 Лист 1,2 Схема внешних проводок ТП 903-2-13-КИП-5 План расположения ТП 903-2-13-КИП-6 Пожарная сигнализация ТП 903-2-13-Э Электротехническая часть ТП 903-2-13-Э-1 Лист 1,2,3,4 Общие данные ТП 903-2-13-Э-2 Питающая и распределительная сеть ~380 В. Принципиальная однолинейная схема ЩСУ ТП 903-2-13-Э-3 План силовой электроустановки ТП 903-2-13-Э-4 Функциональная схема блокировок насосов подачи мазута приточных и вытяжных вентиляторов ТП 903-2-13-Э-5 Насос подачи мазута в котельную. Схема принципиальная ТП 903-2-13-Э-6 Насос перекачивающий. Насос дозатор. Схемы принципиальные ТП 903-2-13-Э-7 Насос дренажный. Механизм управляемый по месту. Схемы принципиальные ТП 903-2-13-Э-8 Вентилятор приточный П-1. Вентилятор вытяжной В-1. Схема принципиальная ТП 903-2-13-Э-9 Вентилятор приточный П-2. Схема принципиальная ТП 903-2-13-Э-10 Вентиль на паропроводе. Схема принципиальная ТП 903-2-13-Э-11 Аварийная сигнализация. Схема принципиальная ТП 903-2-13-Э-12 Лист 1,2 Схема подключений ЩСУ ТП 903-2-13-Э-13 Лист 1,2 Кабельный журнал ТП 903-2-13-Э-14 План осветительной электроустановки ТП 903-2-13-ЭС Слаботочные устройства ТП 903-2-13-ЭС-1 Слаботочные устройства. План слаботочных сетей на отметке 0.000 ТП 903-2-13-ВК Водоснабжение и канализация ТП 903-2-13-ВК-1 Общие данные (начало) ТП 903-2-13-ВК-2 Общие данные (окончание) ТП 903-2-13-ВК-3 План на отметке 0.000. Схемы систем В1;К1;К13;К14 ТП 903-2-13-ОВ Отопление и вентиляция ТП 903-2-13-ОВ-1 Общие данные (начало) ТП 903-2-13-ОВ-2 Общие данные (продолжение) ТП 903-2-13-ОВ-3 Общие данные (продолжение) ТП 903-2-13-ОВ-4 Общие данные (окончание) ТП 903-2-13-ОВ-5 План на отм. 0.000. Разрез 1-1 ТП 903-2-13-ОВ-6 Вариант с пристройкой для хранения пожарного инвентаря. План на отм. 0.000. Разрез 1-1. Схемы ТП 903-2-13-ОВ-7 Схемы ТП 903-2-13-ОВ-8 Отопительно-вентиляционная установка П1 и П2 ТП 903-2-13-ОВ-9 Коробка воздухораспределительная ТП 903-2-13-ТС Тепловые сети ТП 903-2-13-ТС-1 Общие данные ТП 903-2-13-ТС-2 Тепловой пункт. План, разрезы 1-1;2-2;3-3;4-4 ТП 903-2-13-ТС-3 Тепловой пункт. Аксонометрическая | Разработан: | Латгипропром
| Утверждён: | 08.06.1977 Главпромстройпроект Госстроя СССР (33)
| Расположен в: |
| Чем заменён: | |
                                                                               
|