Информационная система
«Ёшкин Кот»

Скачать базу одним архивом
Скачать обновления
История создания базы
Карта сайта

Скачать Типовой проект 902-2-434.87 Альбом III. Архитектурные решения. Конструкции железобетонные. Конструкции металлические

Дата актуализации: 10.08.2017

Типовой проект 902-2-434.87

Альбом III. Архитектурные решения. Конструкции железобетонные. Конструкции металлические

Обозначение: Типовой проект 902-2-434.87
Обозначение англ: 902-2-434.87
Статус:заменен
Название рус.:Альбом III. Архитектурные решения. Конструкции железобетонные. Конструкции металлические
Дата добавления в базу:01.09.2013
Дата актуализации:05.05.2017
Дата введения:01.03.1993
Оглавление:ТП 902-2-434.87-АР Архитектурные решения
ТП 902-2-434.87-АР-1 Общие данные
ТП 902-2-434.87-АР-2 Планы на отм. 0.000. Фрагмент 1. Планы полов на отм. 0.000,3.600. План кровли
ТП 902-2-434.87-АР-3 План на отм. 3.600. Фрагмент 2. Узлы 1...4
ТП 902-2-434.87-АР-4 Спецификация закладных изделий, заполнения проемов, перемычек. Экспликация полов помещений. Ведомость перемычек
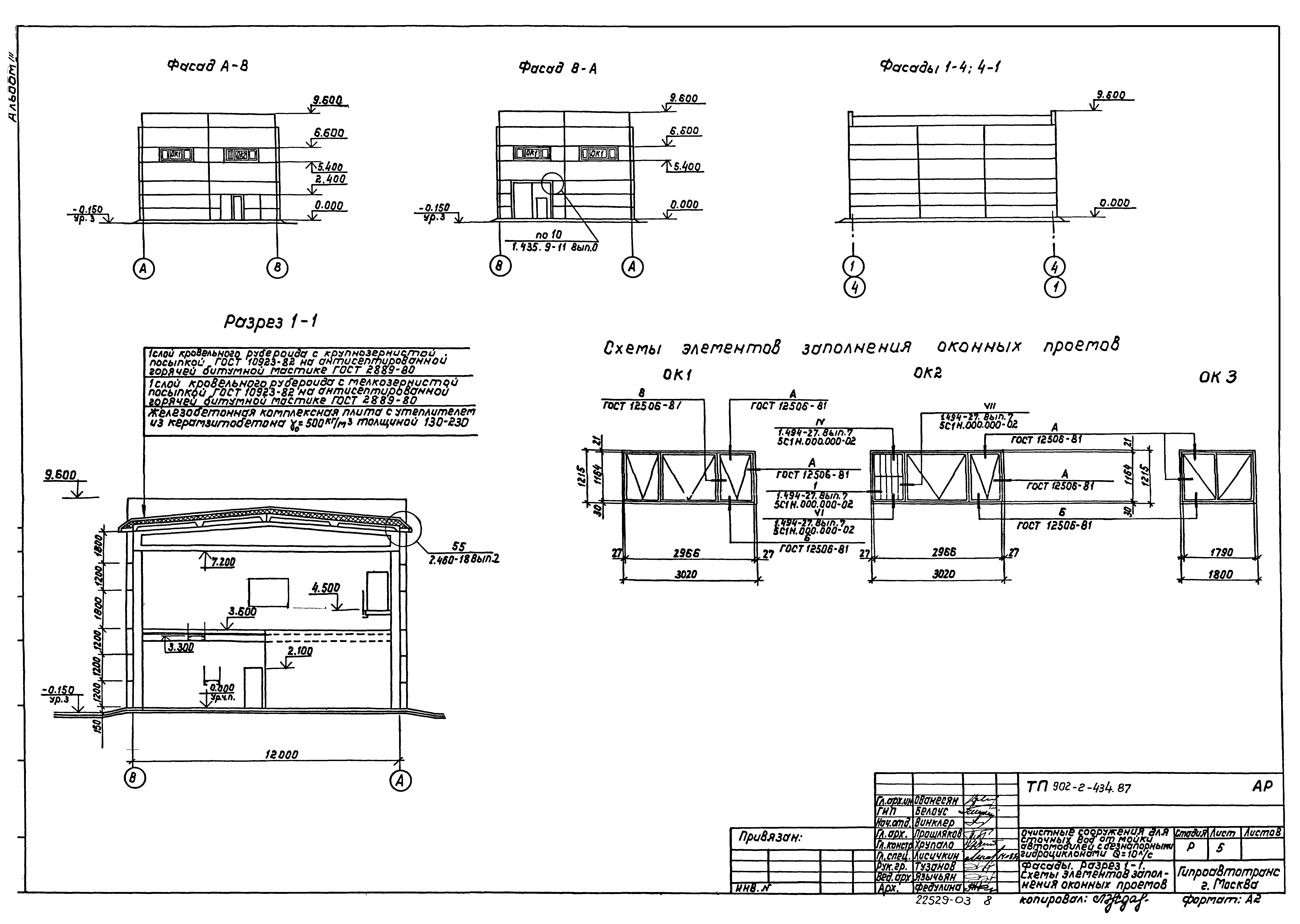
ТП 902-2-434.87-АР-5 Фасады. Разрез 1-1. Схемы элементов заполнения оконных проемов
ТП 902-2-434.87-КЖ Конструкции железобетонные
ТП 902-2-434.87-КЖ-1 Общие данные (начало)
ТП 902-2-434.87-КЖ-2 Общие данные (окончание)
ТП 902-2-434.87-КЖ-3 Схема расположения фундаментов и фундаментных балок
ТП 902-2-434.87-КЖ-4 Схема расположения фундаментов и фундаментных балок. Фундаменты 1...3
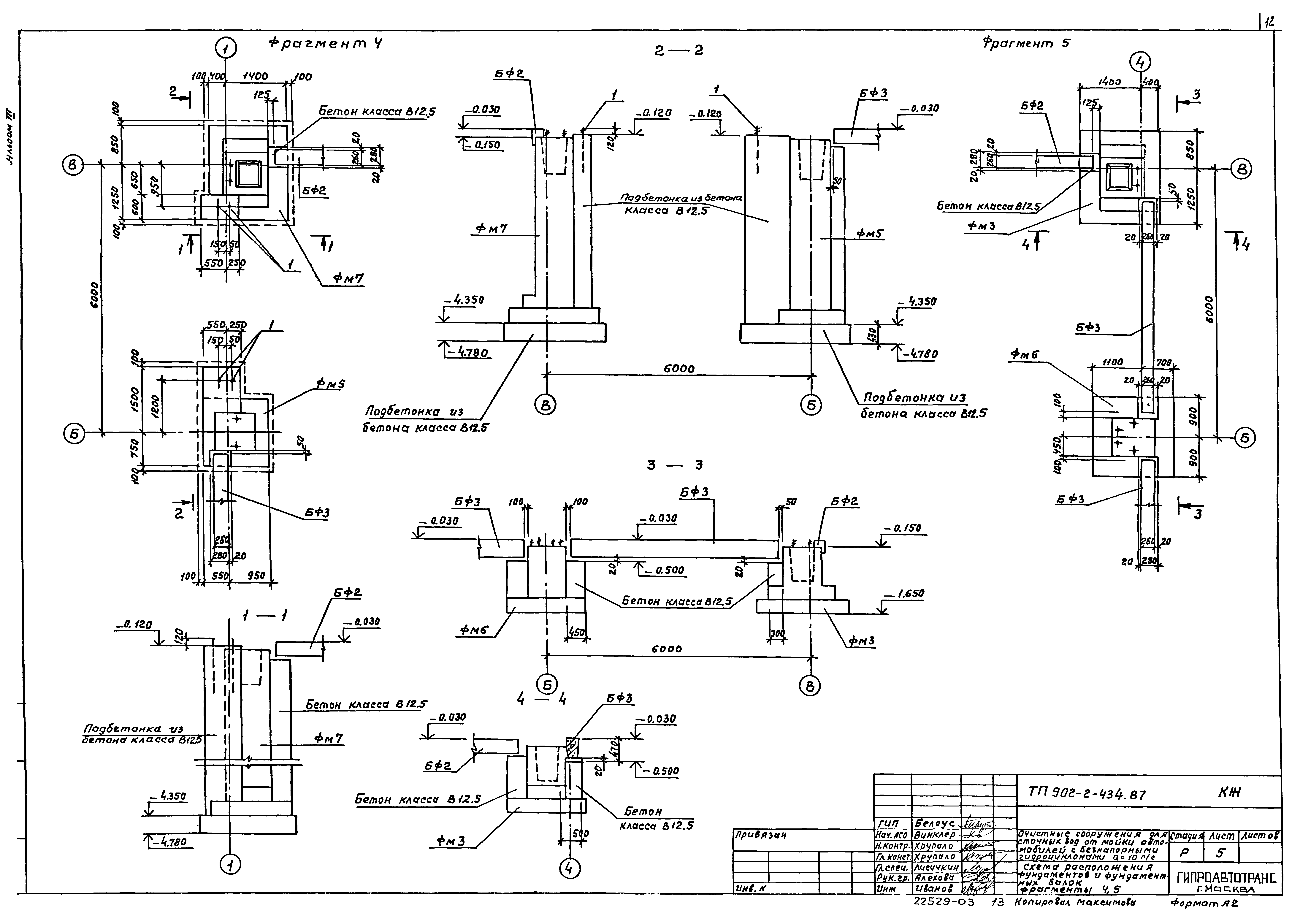
ТП 902-2-434.87-КЖ-5 Схема расположения фундаментов и фундаментных балок. Фундаменты 4,5
ТП 902-2-434.87-КЖ-6 Фундаменты ФМ1,ФМ2
ТП 902-2-434.87-КЖ-7 Фундаменты ФМ3,ФМ4
ТП 902-2-434.87-КЖ-8 Фундаменты ФМ5,ФМ6
ТП 902-2-434.87-КЖ-9 Фундаменты ФМ7,ФМ8,ФМ9
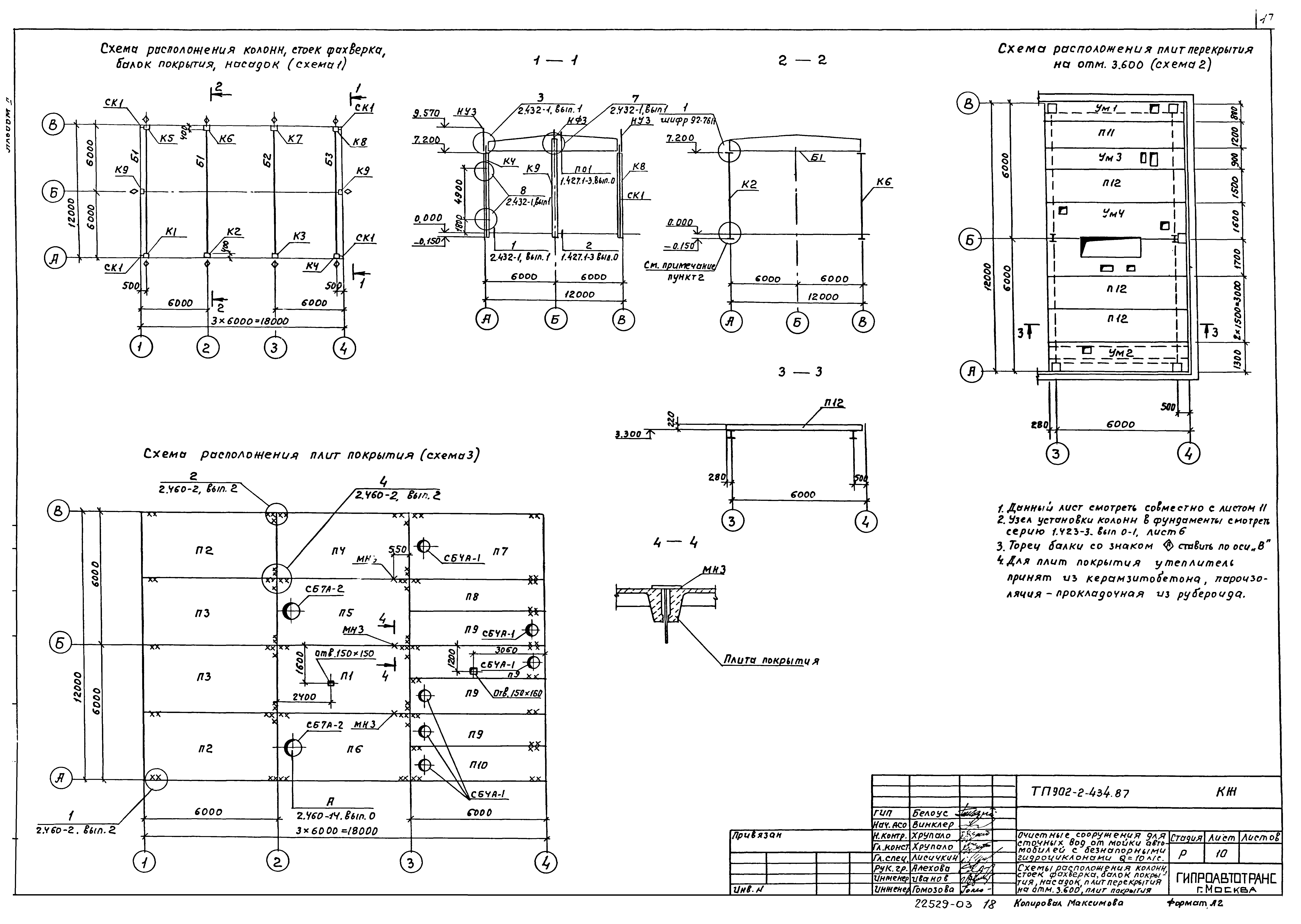
ТП 902-2-434.87-КЖ-10 Схемы расположения колонн, стоек фахверка, балок покрытия, насадок, плит перекрытия на отм. 3.600, плит покрытия
ТП 902-2-434.87-КЖ-11 Спецификация к схемам расположения колонн, стоек фахверка, балок покрытия, насадок, плит перекрытия на отм. 3.600, плит покрытия
ТП 902-2-434.87-КЖ-12 Участки монолитные УМ1...УМ3
ТП 902-2-434.87-КЖ-13 Спецификация участков монолитных УМ1...УМ3
ТП 902-2-434.87-КЖ-14 Участок монолитный УМ4
ТП 902-2-434.87-КЖ-15 Схемы расположения панелей стен по осям "А","В","1","4"
ТП 902-2-434.87-КЖ-16 Схемы расположения панелей экструзионных перегородок
ТП 902-2-434.87-КЖ-17 Схемы расположения фундаментов под оборудование. Приямок ПР1
ТП 902-2-434.87-КЖ-18 Фундамент под оборудование ФОМ1. План. Разрезы. Лестница Л1
ТП 902-2-434.87-КЖ-19 Фундамент под оборудование ФОМ1. Схемы расположения панелей стен и плит перекрытия. Узел 1
ТП 902-2-434.87-КЖ-20 Фундамент под оборудование ФОМ1. Днище монолитное ДМ1
ТП 902-2-434.87-КЖ-21 Фундамент под оборудование ФОМ1. План, схема расположения элементов стен
ТП 902-2-434.87-КЖ-22 Фундамент под оборудование ФОМ2. Днище монолитное ДМ1
ТП 902-2-434.87-КЖ-23 Фундамент под оборудование ФОМ2. Участки монолитные УМ1,УМ1н. Пояс монолитный ПМ1. Узлы 1...3
ТП 902-2-434.87-КЖ-24 Фундаменты под оборудование ФОМ3...ФОМ7
ТП 902-2-434.87-КМ Конструкции металлические
ТП 902-2-434.87-КМ-1 Общие данные (начало)
ТП 902-2-434.87-КМ-2 Общие данные (продолжение)
ТП 902-2-434.87-КМ-3 Общие данные (окончание)
ТП 902-2-434.87-КМ-4 Схемы расположения стоек, балок, ограждений, лестниц и перекрытия на отм. 4.500. Схема расположения подвесного транспорта
ТП 902-2-434.87-КМ-5 Схемы расположения стоек, балок, ограждений, лестниц на отм. 1.200;3.300;3.500;-2.000. Схемы расположения перекрытий на отм. 3.300;1.200;-2.000
ТП 902-2-434.87-КМ-6 Узлы 1...12
ТП 902-2-434.87-КМ-7 Узлы 13...21
Разработан: Гипроавтотранс
Утверждён:01.10.1987 Минавтотранс РСФСР (Russian Federation Minavtotrans 11)
Издан: ЦИТП Госстроя СССР (CITP, Gosstroy (USSR) 1988 г. )
Расположен в:Техническая документация Строительство Справочные документы Типовые строительные конструкции, изделия и узлы Общероссийский строительный каталог Промышленные предприятия, здания и сооружения Здания и сооружения санитарно-технические Канализация Сооружения для очистки производственных сточных вод Сооружения для очистки сточных вод от мойки автомобилей
Заменяет собой:
Чем заменён:
Типовой проект 902-2-434.87Типовой проект 902-2-434.87Типовой проект 902-2-434.87Типовой проект 902-2-434.87Типовой проект 902-2-434.87Типовой проект 902-2-434.87Типовой проект 902-2-434.87Типовой проект 902-2-434.87Типовой проект 902-2-434.87Типовой проект 902-2-434.87Типовой проект 902-2-434.87Типовой проект 902-2-434.87Типовой проект 902-2-434.87Типовой проект 902-2-434.87Типовой проект 902-2-434.87Типовой проект 902-2-434.87Типовой проект 902-2-434.87Типовой проект 902-2-434.87Типовой проект 902-2-434.87Типовой проект 902-2-434.87Типовой проект 902-2-434.87Типовой проект 902-2-434.87Типовой проект 902-2-434.87Типовой проект 902-2-434.87Типовой проект 902-2-434.87Типовой проект 902-2-434.87Типовой проект 902-2-434.87Типовой проект 902-2-434.87Типовой проект 902-2-434.87Типовой проект 902-2-434.87Типовой проект 902-2-434.87Типовой проект 902-2-434.87Типовой проект 902-2-434.87Типовой проект 902-2-434.87Типовой проект 902-2-434.87Типовой проект 902-2-434.87Типовой проект 902-2-434.87Типовой проект 902-2-434.87Типовой проект 902-2-434.87Типовой проект 902-2-434.87

© 2013 Ёшкин Кот :-) Карта сайта