Информационная система
«Ёшкин Кот»

Скачать базу одним архивом
Скачать обновления
История создания базы
Карта сайта

Скачать Типовой проект 902-1-80.83 Альбом VI. Электрооборудование и автоматизация. Технологический контроль (из ТП 902-1-78.83)

Дата актуализации: 10.08.2017

Типовой проект 902-1-80.83

Альбом VI. Электрооборудование и автоматизация. Технологический контроль (из ТП 902-1-78.83)

Обозначение: Типовой проект 902-1-80.83
Обозначение англ: 902-1-80.83
Статус:действует
Название рус.:Альбом VI. Электрооборудование и автоматизация. Технологический контроль (из ТП 902-1-78.83)
Дата добавления в базу:01.09.2013
Дата актуализации:05.05.2017
Дата введения:06.02.1984
Оглавление:ТП 902-1-78.83 Содержание альбома
ТП 902-1-78.83-АЭМ Основной комплект марки АЭМ
ТП 902-1-78.83-АЭМ-1 Общие данные (начало)
ТП 902-1-78.83-АЭМ-2 Общие данные (окончание)
ТП 902-1-78.83-АЭМ-3 Схема электрическая принципиальная однолинейная распределительной сети ~380/220В (с двумя вводами)
ТП 902-1-78.83-АЭМ-4 Схема электрическая принципиальная однолинейная распределительной сети ~380/220В и учета электроэнергии (с одним вводом) (начало)
ТП 902-1-78.83-АЭМ-5 Схема электрическая принципиальная однолинейная распределительной сети ~380/220В и учета электроэнергии (с одним вводом) (окончание)
ТП 902-1-78.83-АЭМ-6 Схемы электрические принципиальные переключения 3 секции, АВР оперативного тока и учета электроэнергии (с двумя вводами)
ТП 902-1-78.83-АЭМ-7 Схема электрическая принципиальная управления насосами перекачки стоков
ТП 902-1-78.83-АЭМ-8 Схема электрическая принципиальная управления задвижкой на подводящем коллекторе
ТП 902-1-78.83-АЭМ-9 Схемы электрические принципиальные управления насосом гидроуплотнения, дренажным насосом и решетками-дробилками
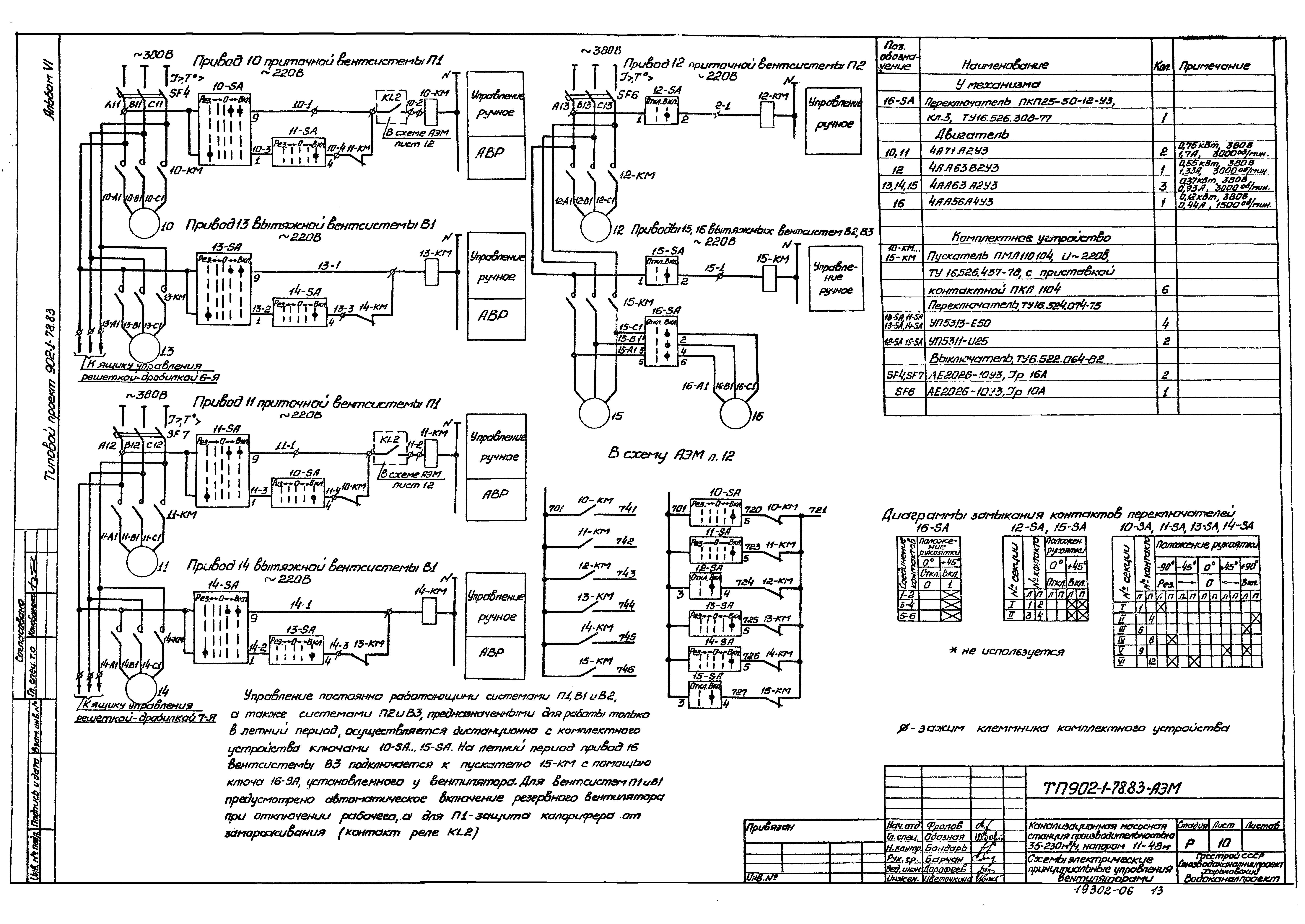
ТП 902-1-78.83-АЭМ-10 Схемы электрические принципиальные управления вентиляторами
ТП 902-1-78.83-АЭМ-11 Схема электрическая принципиальная контроля уровней
ТП 902-1-78.83-АЭМ-12 Схема электрическая принципиальная сигнализации
ТП 902-1-78.83-АЭМ-13 Схема подключения электрооборудования
ТП 902-1-78.83-АЭМ-14 Схема подключения комплектного устройства (с двумя вводами)
ТП 902-1-78.83-АЭМ-15 Схема подключения комплектного устройства (с одним вводом)
ТП 902-1-78.83-АЭМ-16 Кабельный журнал
ТП 902-1-78.83-АЭМ-17 План расположения электрооборудования. Прокладка кабелей (начало)
ТП 902-1-78.83-АЭМ-18 План расположения электрооборудования. Прокладка кабелей (окончание)
ТП 902-1-78.83-АЭМ-19 Зануление
ТП 902-1-78.83-АЭМ-20 Электроосвещение
ТП 902-1-78.83-АЭМ.ЗМ Задание МЭЗ марки АЭМ.ЗМ
ТП 902-1-78.83-АЭМ.ВР Ведомости объемов электромонтажных и строительных работ марки АЭМ.ВР
ТП 902-1-78.83-ЭК Основной комплект марки ЭК
ТП 902-1-78.83-ЭК-1 Общие данные
ТП 902-1-78.83-ЭК-2 Схема функциональная технологического контроля
ТП 902-1-78.83-ЭК-3 Схема соединений внешних проводок. План расположения (начало)
ТП 902-1-78.83-ЭК-4 Схема соединений внешних проводок. План расположения (окончание)
ТП 902-1-78.83-ЭК-5 Статив датчиков ст.2. Монтажный чертеж
ТП 902-1-78.83-ЭК-6 Статив датчиков ст.1. Монтажный чертеж
ТП 902-1-78.83-ЭК-7 Кронштейн. Монтажный чертеж
ТП 902-1-78.83-ЭК-8 Стойка. Монтажный чертеж
ТП 902-1-78.83-ЭК.ВР Ведомости объемов электромонтажных и строительных работ марки ЭК.ВР
Разработан: Харьковский Водоканалпроект
Утверждён:27.10.1983 СоюзводоканалНИИпроект (SoyuzvodokanalNIIproject 59)
Расположен в:Техническая документация Строительство Справочные документы Типовые строительные конструкции, изделия и узлы Общероссийский строительный каталог Промышленные предприятия, здания и сооружения Здания и сооружения санитарно-технические Канализация Станции насосные Станции насосные для перекачки бытовых сточных вод
Типовой проект 902-1-80.83Типовой проект 902-1-80.83Типовой проект 902-1-80.83Типовой проект 902-1-80.83Типовой проект 902-1-80.83Типовой проект 902-1-80.83Типовой проект 902-1-80.83Типовой проект 902-1-80.83Типовой проект 902-1-80.83Типовой проект 902-1-80.83Типовой проект 902-1-80.83Типовой проект 902-1-80.83Типовой проект 902-1-80.83Типовой проект 902-1-80.83Типовой проект 902-1-80.83Типовой проект 902-1-80.83Типовой проект 902-1-80.83Типовой проект 902-1-80.83Типовой проект 902-1-80.83Типовой проект 902-1-80.83Типовой проект 902-1-80.83Типовой проект 902-1-80.83Типовой проект 902-1-80.83Типовой проект 902-1-80.83Типовой проект 902-1-80.83Типовой проект 902-1-80.83Типовой проект 902-1-80.83Типовой проект 902-1-80.83Типовой проект 902-1-80.83Типовой проект 902-1-80.83Типовой проект 902-1-80.83

© 2013 Ёшкин Кот :-) Карта сайта