| ||||||||||||||||||||||||
Скачать Типовые проектные решения 904-02-9 Альбом IV. Три и четыре агрегата в группе. Два режима работыДата актуализации: 10.08.2017
|
| Обозначение: | Типовые проектные решения 904-02-9 |
| Обозначение англ: | 904-02-9 |
| Статус: | cправочные материалы, мп, тпр |
| Название рус.: | Альбом IV. Три и четыре агрегата в группе. Два режима работы |
| Дата добавления в базу: | 01.09.2013 |
| Дата актуализации: | 05.05.2017 |
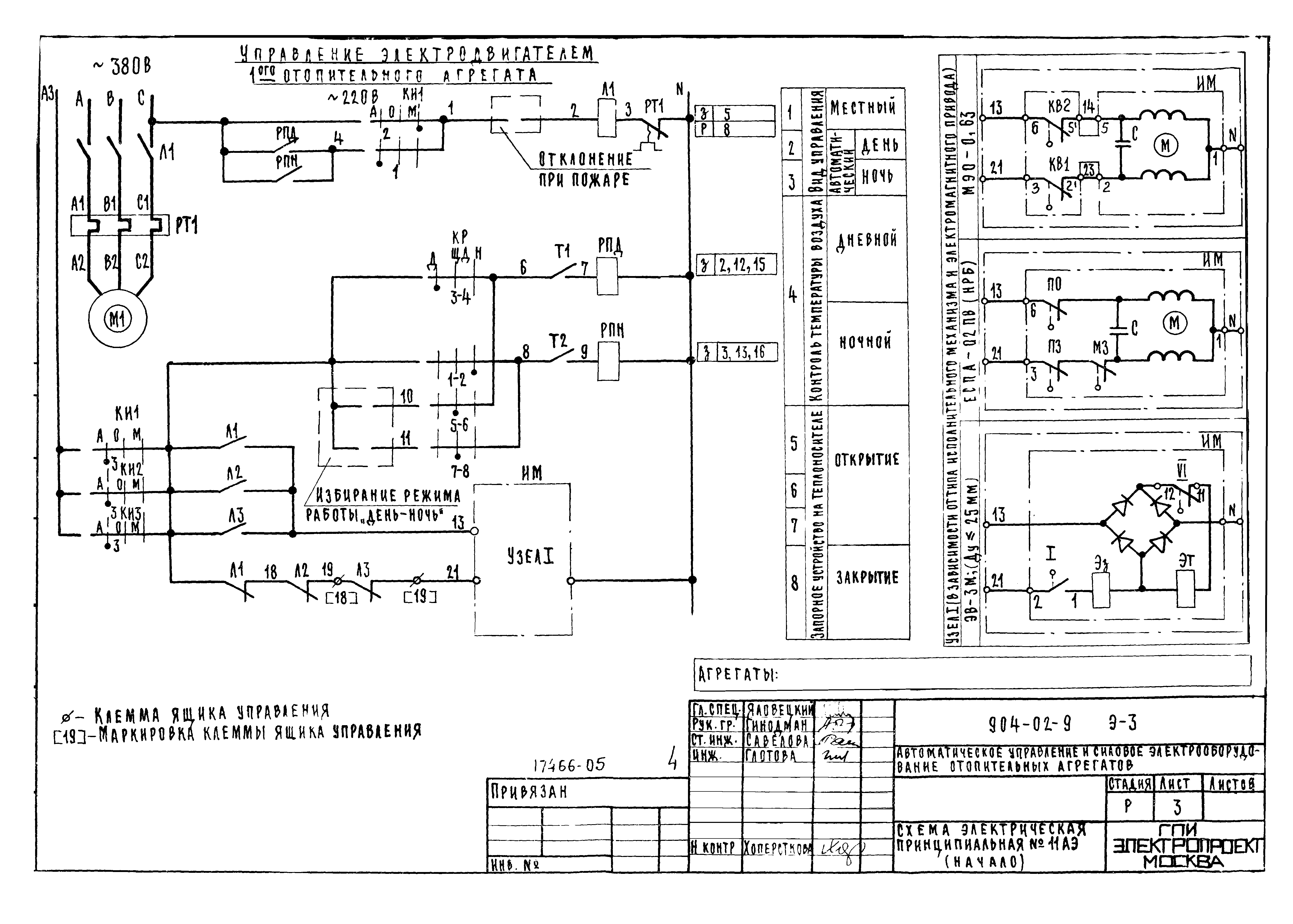
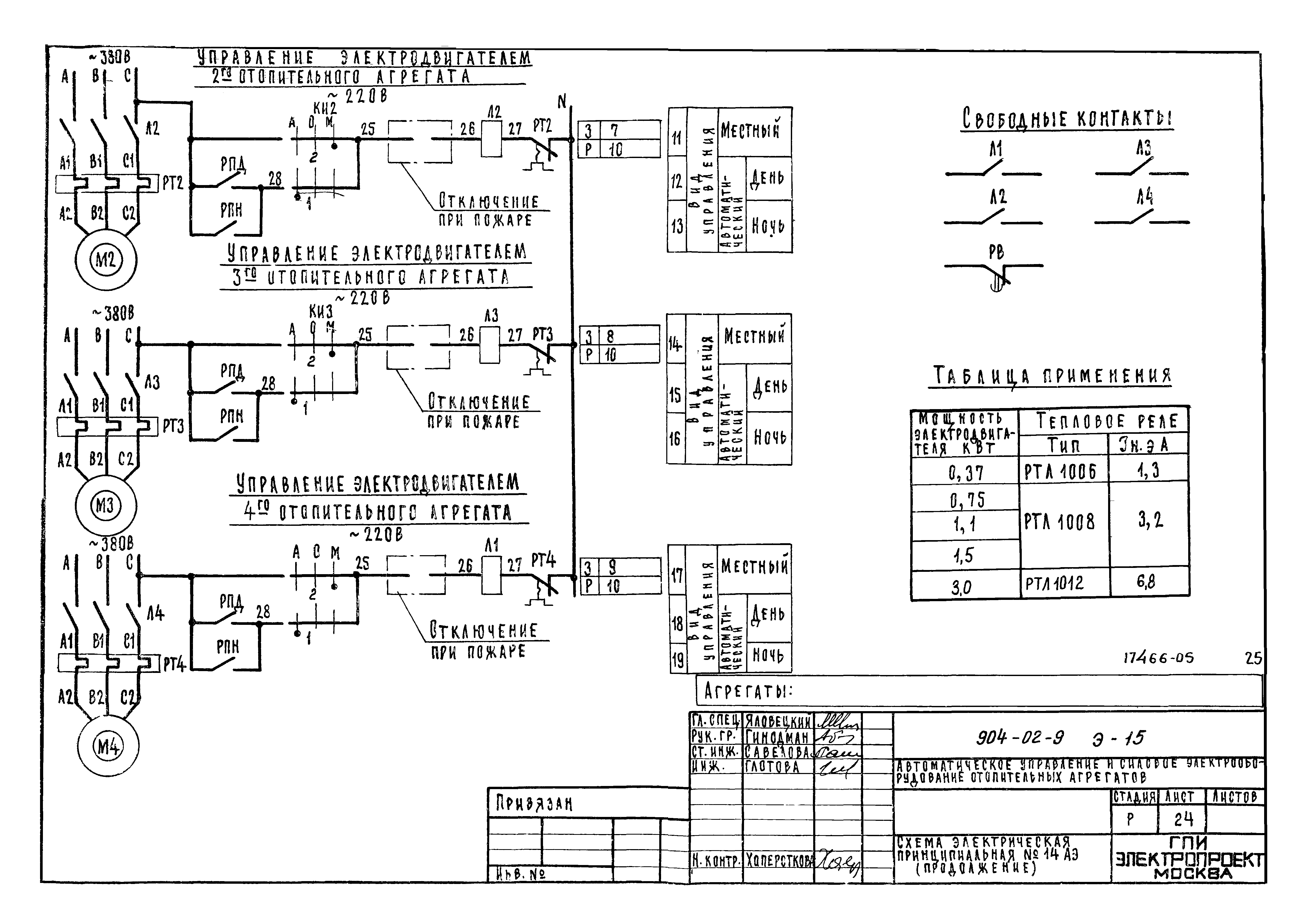
| Оглавление: | ТП 904-02-8-АЭ-1 Общие данные ТП 904-02-8-А-2 Схема функциональная №11АФ ТП 904-02-8-Э-3 Схема электрическая принципиальная №11АЭ ТП 904-02-8-Э-4 Схема электрическая подключений №11 ТП 904-02-8-А-5 Схема внешних проводок №5СВП ТП 904-02-8-А-6 Схема функциональная №12АФ ТП 904-02-8-Э-7 Схема электрическая принципиальная №12АЭ ТП 904-02-8-Э-8 Схема электрическая подключений №12 ТП 904-02-8-А-9 Схема внешних проводок №6СВП ТП 904-02-8-А-10 Схема функциональная №13АФ ТП 904-02-8-Э-11 Схема электрическая принципиальная №13АЭ ТП 904-02-8-Э-12 Схема электрическая подключений №13 ТП 904-02-8-А-13 Схема внешних проводок №5СВП ТП 904-02-8-А-14 Схема функциональная №14АФ ТП 904-02-8-Э-15 Схема электрическая принципиальная №14АЭ ТП 904-02-8-Э-16 Схема электрическая подключений №14 ТП 904-02-8-А-17 Схема внешних проводок №6СВП |
| Разработан: | Сантехпроект Госстроя СССР Электропроект Минмонтажспецстроя СССР |
| Утверждён: | 23.10.1981 Главпромстройпроект Госстроя СССР (82) |
| Расположен в: |





























