| ||||||||||||||||||||||||
Скачать Типовые проектные решения 904-02-9 Альбом II. Три и четыре агрегата в группеДата актуализации: 10.08.2017
|
| Обозначение: | Типовые проектные решения 904-02-9 |
| Обозначение англ: | 904-02-9 |
| Статус: | cправочные материалы, мп, тпр |
| Название рус.: | Альбом II. Три и четыре агрегата в группе |
| Дата добавления в базу: | 01.09.2013 |
| Дата актуализации: | 05.05.2017 |
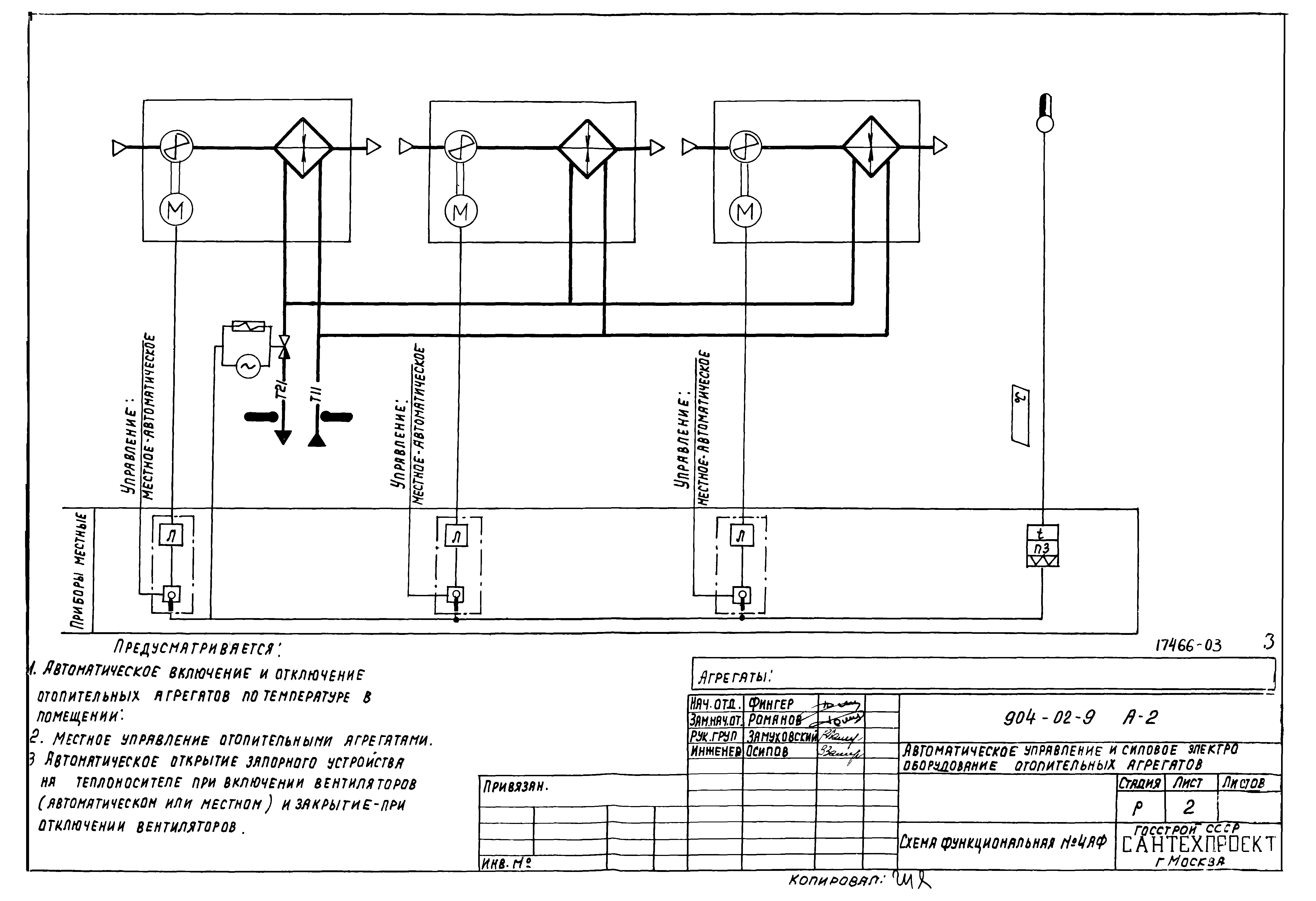
| Оглавление: | ТП 904-02-8-АЭ-1 Общие данные ТП 904-02-8-А-2 Схема функциональная №4АФ ТП 904-02-8-Э-3 Схема электрическая принципиальная №4АЭ ТП 904-02-8-Э-4 Схема электрическая подключений №4 ТП 904-02-8-А-5 Схема внешних проводок №2СВП ТП 904-02-8-А-6 Схема функциональная №5АФ ТП 904-02-8-Э-7 Схема электрическая принципиальная №5АЭ ТП 904-02-8-Э-8 Схема электрическая подключений №5 ТП 904-02-8-А-9 Схема внешних проводок №3СВП ТП 904-02-8-А-10 Схема функциональная №6АФ ТП 904-02-8-Э-11 Схема электрическая принципиальная №6АЭ ТП 904-02-8-Э-12 Схема электрическая подключений №6 ТП 904-02-8-А-13 Схема внешних проводок №2СВП ТП 904-02-8-А-14 Схема функциональная №7АФ ТП 904-02-8-Э-15 Схема электрическая принципиальная №7АЭ ТП 904-02-8-Э-16 Схема электрическая подключений №7 ТП 904-02-8-А-17 Схема внешних проводок №3СВП |
| Разработан: | Сантехпроект Госстроя СССР Электропроект Минмонтажспецстроя СССР |
| Утверждён: | 23.10.1981 Главпромстройпроект Госстроя СССР (82) |
| Расположен в: |



























