Информационная система
«Ёшкин Кот»

Скачать базу одним архивом
Скачать обновления
История создания базы
Карта сайта

Скачать Типовой проект 903-1-174 Альбом IX. Схемы управления электродвигателями

Дата актуализации: 10.08.2017

Типовой проект 903-1-174

Альбом IX. Схемы управления электродвигателями

Обозначение: Типовой проект 903-1-174
Обозначение англ: 903-1-174
Статус:заменен
Название рус.:Альбом IX. Схемы управления электродвигателями
Дата добавления в базу:01.09.2013
Дата актуализации:05.05.2017
Дата введения:01.11.1987
Оглавление:Схема управления. Общие данные
Дымосос котлоагрегата ДЕ-10-14ГМ. Схема принципиальная управления
Дымосос котлоагрегата ДЕ-16-14ГМ. Схема принципиальная управления
Вентилятор дутьевой. Схема принципиальная управления
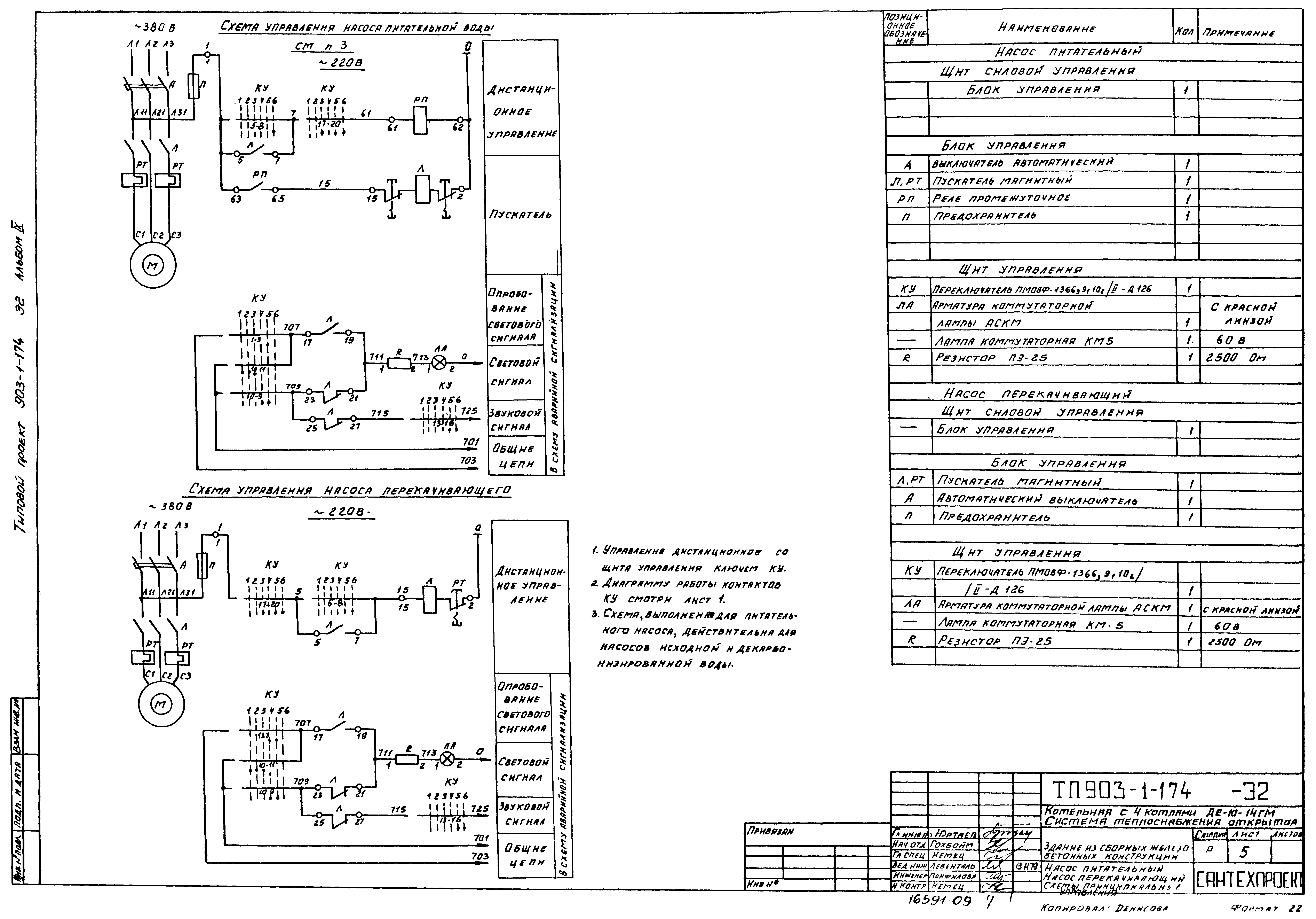
Насос питательный. Насос перекачивающий. Схемы принципиальные управления
Насос сетевой. Схема принципиальная управления
Насос горячего водоснабжения. Схема принципиальная управления
Вентилятор к декарбонизатору. Насос-дозатор щелочи. Схемы принципиальные управления и подключения
Задвижка за сетевым насосом. Схема принципиальная управления и подключения
Схема общей аварийной сигнализации электродвигателей
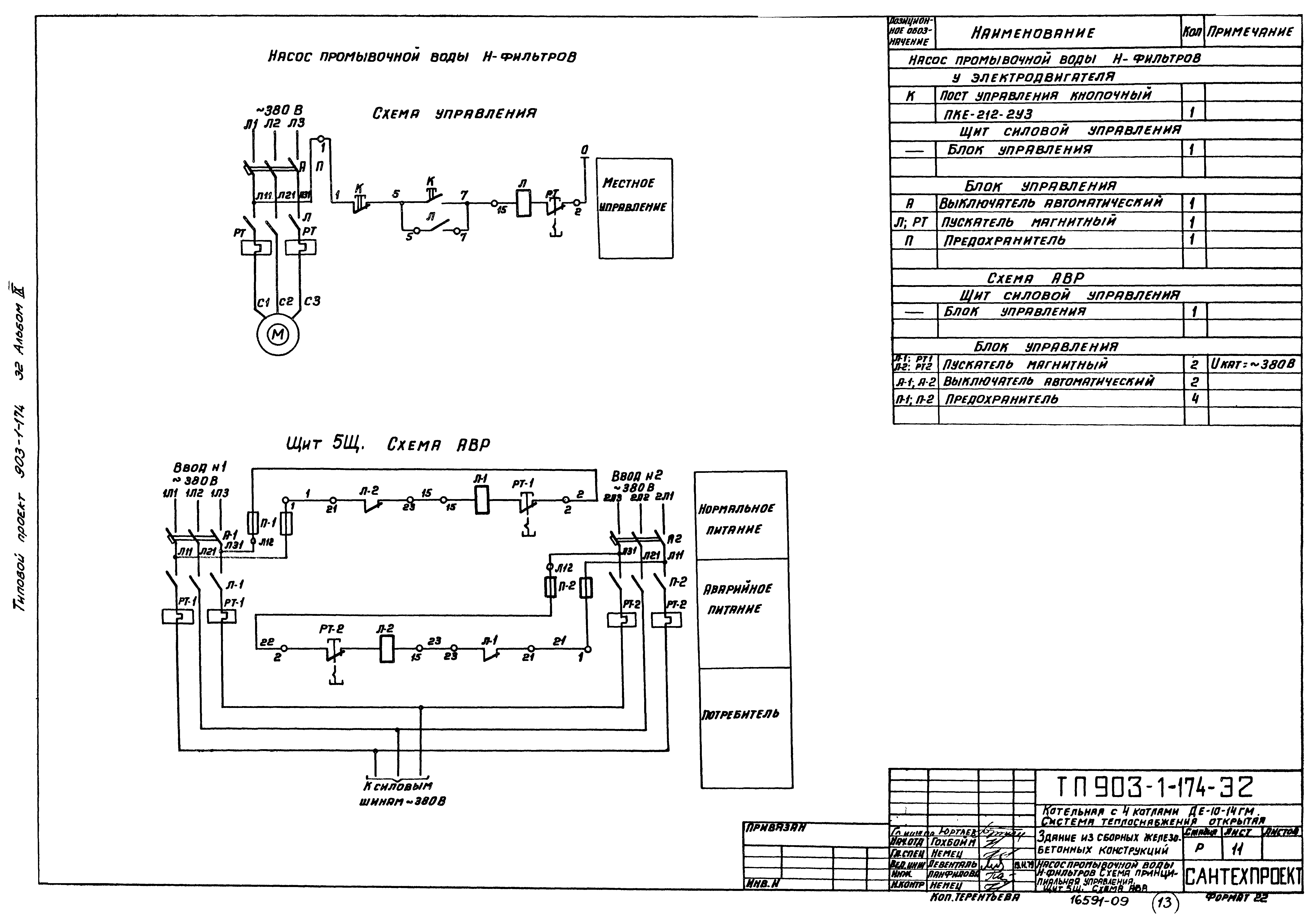
Насос промывочной воды Н-фильтров. Схема принципиальная управления. Щит 5Щ. Схема АВР
Разработан: ГПИ Сантехпроект Госстроя СССР
Минмонтажспецстрой СССР
Проектный институт №2
ЦНИИпроектстальконструкция Госстроя
Утверждён:20.11.1979 ГПИ Сантехпроект (180)
Расположен в:Техническая документация Строительство Справочные документы Типовые строительные конструкции, изделия и узлы Общероссийский строительный каталог Промышленные предприятия, здания и сооружения Здания и сооружения санитарно-технические Теплоснабжение Котельные установки Открытые системы теплоснабжения Топливо - газ и мазут
Заменяет собой:
Чем заменён:
Типовой проект 903-1-174Типовой проект 903-1-174Типовой проект 903-1-174Типовой проект 903-1-174Типовой проект 903-1-174Типовой проект 903-1-174Типовой проект 903-1-174Типовой проект 903-1-174Типовой проект 903-1-174Типовой проект 903-1-174Типовой проект 903-1-174Типовой проект 903-1-174Типовой проект 903-1-174Типовой проект 903-1-174

© 2013 Ёшкин Кот :-) Карта сайта