Информационная система
«Ёшкин Кот»

Скачать базу одним архивом
Скачать обновления
История создания базы
Карта сайта

Скачать Типовой проект 903-1-174 Альбом V. Конструкции железобетонные и металлические

Дата актуализации: 10.08.2017

Типовой проект 903-1-174

Альбом V. Конструкции железобетонные и металлические

Обозначение: Типовой проект 903-1-174
Обозначение англ: 903-1-174
Статус:заменен
Название рус.:Альбом V. Конструкции железобетонные и металлические
Дата добавления в базу:01.09.2013
Дата актуализации:05.05.2017
Дата введения:01.11.1987
Оглавление:ТП 903-1-174 Содержание альбома
ТП 903-1-174-КЖ Конструкции железобетонные
ТП 903-1-174-КЖ-1 Общие данные (начало)
ТП 903-1-174-КЖ-2 Общие данные (продолжение)
ТП 903-1-174-КЖ-3 Общие данные (окончание)
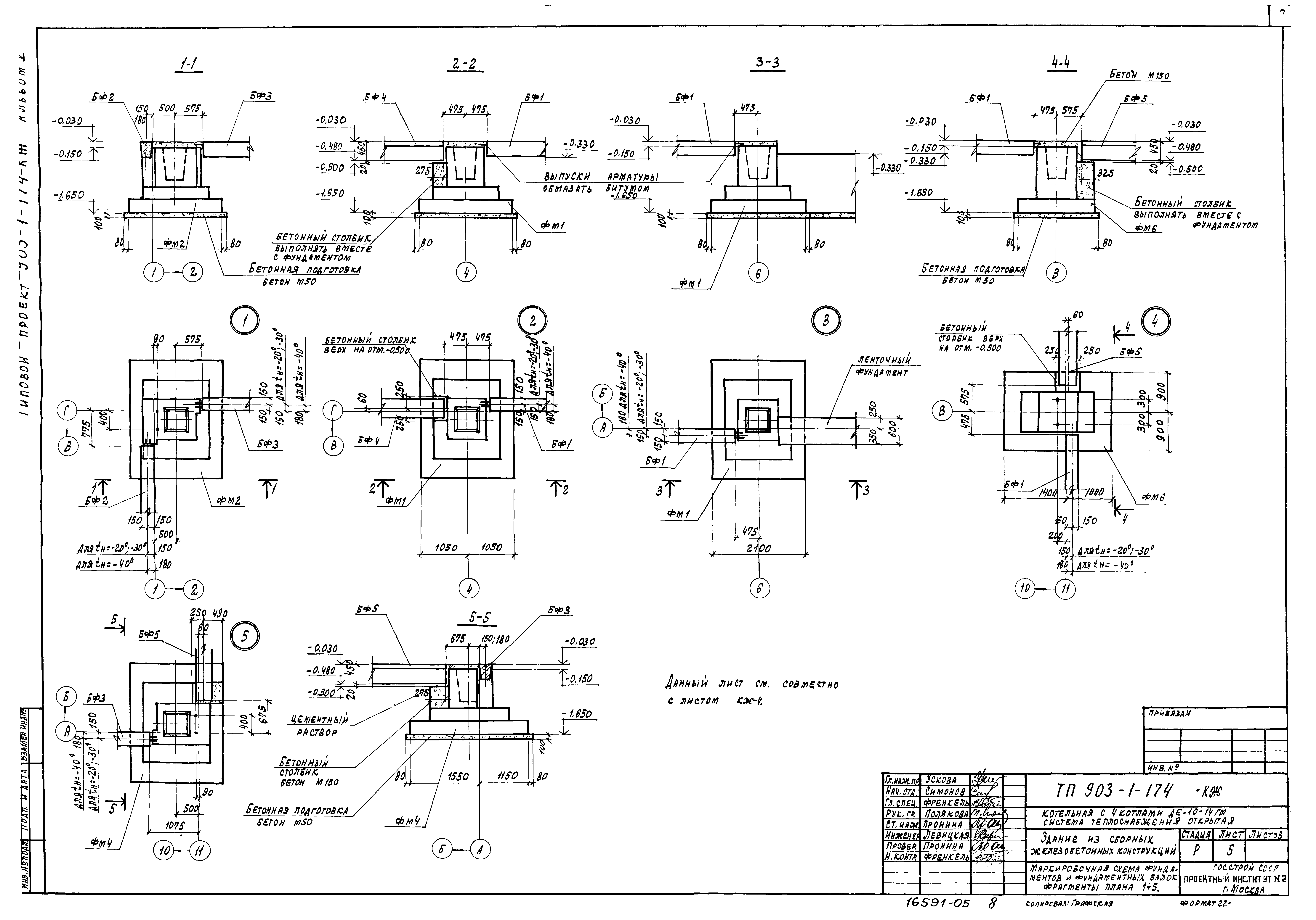
ТП 903-1-174-КЖ-4 Маркировочная схема фундаментов и фундаментных балок
ТП 903-1-174-КЖ-5 Маркировочная схема фундаментов и фундаментных балок. Фрагменты плана 1-5
ТП 903-1-174-КЖ-6 Фундаменты ФМ1,ФМ3,ФМ5
ТП 903-1-174-КЖ-7 Фундаменты ФМ2,ФМ4,ФМ6
ТП 903-1-174-КЖ-8 Фундаменты ФМ7-ФМ11
ТП 903-1-174-КЖ-9 Маркировочная схема подземного хозяйства в осях 1-6
ТП 903-1-174-КЖ-10 Маркировочная схема подземного хозяйства в осях 6-11
ТП 903-1-174-КЖ-11 Маркировочная схема люков и раскладка асбестоцементных труб в полу
ТП 903-1-174-КЖ-12 Маркировочная схема подземного хозяйства. Фрагмент плана 1 (приямок ПР1). Фундаменты под оборудование ФО1,ФО2
ТП 903-1-174-КЖ-13 Маркировочная схема подземного хозяйства. Фрагменты плана 2,3
ТП 903-1-174-КЖ-14 Маркировочная схема подземного хозяйства. Фрагмент плана 4. Узлы 11-13
ТП 903-1-174-КЖ-15 Маркировочная схема подземного хозяйства. Фрагмент плана 4. Сечения 1-1÷5-5
ТП 903-1-174-КЖ-16 Маркировочная схема подземного хозяйства. Фрагмент плана 4. Сечения 6-6÷13-13
ТП 903-1-174-КЖ-17 Маркировочная схема подземного хозяйства. Фрагмент плана 5. Сечения 1-1÷5-5
ТП 903-1-174-КЖ-18 Маркировочная схема подземного хозяйства. Фрагменты плана 5,6. Сечения 6-6÷8-8. Фундамент ФО3
ТП 903-1-174-КЖ-19 Маркировочная схема подземного хозяйства. Канал К3
ТП 903-1-174-КЖ-20 Фундамент под оборудование ФО4
ТП 903-1-174-КЖ-21 Фундамент под оборудование ФО5
ТП 903-1-174-КЖ-22 Маркировочная схема подземного хозяйства. Каналы К4,К5
ТП 903-1-174-КЖ-23 Маркировочная схема опор под трубопроводы и основания под баки
ТП 903-1-174-КЖ-24 Маркировочная схема опор под трубопроводы и основания под баки. Узел 14. Фундаменты ФО6-ФО10
ТП 903-1-174-КЖ-25 Продувочный колодец ПК1. План. Разрезы. Узлы 15-17
ТП 903-1-174-КЖ-26 Продувочный колодец ПК1. Армирование
ТП 903-1-174-КЖ-27 Маркировочная схема перекрытия газоходов. Участки монолитные УМ1-УМ3
ТП 903-1-174-КЖ-28 Маркировочная схема колонн
ТП 903-1-174-КЖ-29 Маркировочные схемы ферм и плит покрытия
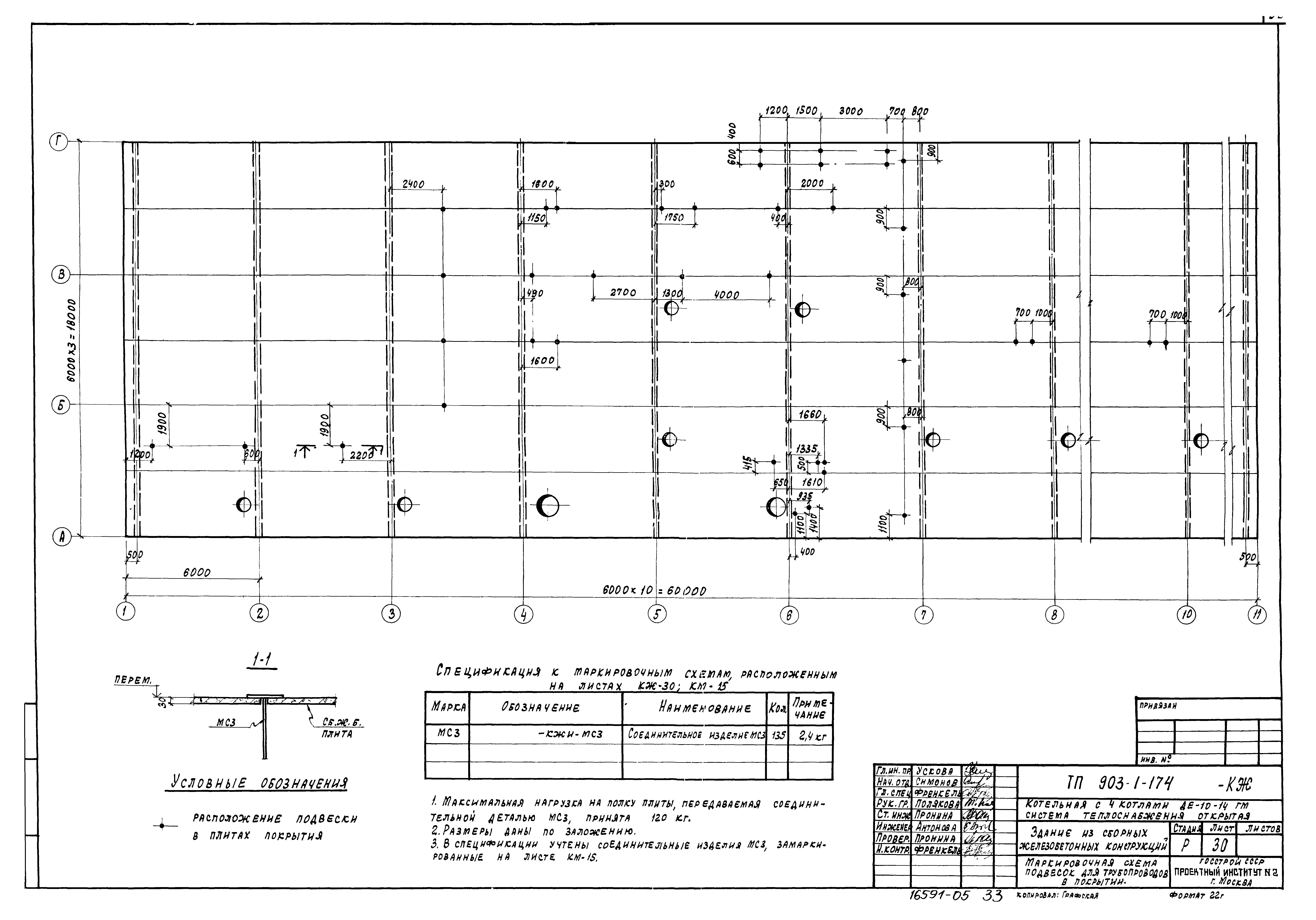
ТП 903-1-174-КЖ-30 Маркировочная схема подвесок для трубопроводов в покрытии
ТП 903-1-174-КЖ-31 Маркировочные схемы перекрытий на отм. 3.600;2.700;6.600
ТП 903-1-174-КЖ-32 Участки монолитные УМ4-УМ8
ТП 903-1-174-КЖ-33 Участки монолитные УМ9-УМ13
ТП 903-1-174-КЖ-34 Маркировочная схема стеновых панелей. Маркировочная схема стоек фахверка и насадок
ТП 903-1-174-КЖ-35 Маркировочная схема стеновых панелей. Фрагменты 1-8
ТП 903-1-174-КЖ-36 Маркировочная схема стеновых панелей. Фрагменты 9-11
ТП 903-1-174-КМ Конструкции металлические
ТП 903-1-174-КМ-1 Общие данные (начало). Ведомость металлоконструкций по видам профилей и здание
ТП 903-1-174-КМ-2 Общие данные (продолжение). Техническая спецификация металла на здание
ТП 903-1-174-КМ-3 Общие данные (продолжение). Техническая спецификация металла на здание (окончание)
ТП 903-1-174-КМ-4 Общие данные (продолжение). Техническая спецификация металла на лестницы и площадки
ТП 903-1-174-КМ-5 Маркировочные схемы балок площадок на отм. 2.202 и 3.090 и стоек под технологический трубопровод
ТП 903-1-174-КМ-6 Узлы 1-4
ТП 903-1-174-КМ-7 Маркировочная схема балок площадки на отм. 3.600
ТП 903-1-174-КМ-8 Узлы 5-8
ТП 903-1-174-КМ-9 Маркировочная схема балок площадки на отм. 4.800. Узел 9
ТП 903-1-174-КМ-10 Узлы 10-14
ТП 903-1-174-КМ-11 Маркировочная схема балок площадки на отм. 3.590. Узлы 15 и 16
ТП 903-1-174-КМ-12 Маркировочная схема монорельсов, связей и подвесок в осях В-Г,7-11,Б-Г,3-4. Маркировочные схемы балок под монолитные участки на отм. 3.520. Узел 17
ТП 903-1-174-КМ-13 Маркировочная схема кронштейнов и балок для подвески технологических трубопроводов
ТП 903-1-174-КМ-14 Узлы 18 и 19
ТП 903-1-174-КМ-15 Маркировочная схема балок для подвески технологических трубопроводов. Узлы 20 и 21
ТП 903-1-174-КМ-16 Металлические рамы МР1,МР2,МР3. Узлы 22-26
Разработан: ГПИ Сантехпроект Госстроя СССР
Минмонтажспецстрой СССР
Проектный институт №2
ЦНИИпроектстальконструкция Госстроя
Утверждён:20.11.1979 ГПИ Сантехпроект (180)
Расположен в:Техническая документация Строительство Справочные документы Типовые строительные конструкции, изделия и узлы Общероссийский строительный каталог Промышленные предприятия, здания и сооружения Здания и сооружения санитарно-технические Теплоснабжение Котельные установки Открытые системы теплоснабжения Топливо - газ и мазут
Заменяет собой:
Чем заменён:
Типовой проект 903-1-174Типовой проект 903-1-174Типовой проект 903-1-174Типовой проект 903-1-174Типовой проект 903-1-174Типовой проект 903-1-174Типовой проект 903-1-174Типовой проект 903-1-174Типовой проект 903-1-174Типовой проект 903-1-174Типовой проект 903-1-174Типовой проект 903-1-174Типовой проект 903-1-174Типовой проект 903-1-174Типовой проект 903-1-174Типовой проект 903-1-174Типовой проект 903-1-174Типовой проект 903-1-174Типовой проект 903-1-174Типовой проект 903-1-174Типовой проект 903-1-174Типовой проект 903-1-174Типовой проект 903-1-174Типовой проект 903-1-174Типовой проект 903-1-174Типовой проект 903-1-174Типовой проект 903-1-174Типовой проект 903-1-174Типовой проект 903-1-174Типовой проект 903-1-174Типовой проект 903-1-174Типовой проект 903-1-174Типовой проект 903-1-174Типовой проект 903-1-174Типовой проект 903-1-174Типовой проект 903-1-174Типовой проект 903-1-174Типовой проект 903-1-174Типовой проект 903-1-174Типовой проект 903-1-174Типовой проект 903-1-174Типовой проект 903-1-174Типовой проект 903-1-174Типовой проект 903-1-174Типовой проект 903-1-174Типовой проект 903-1-174Типовой проект 903-1-174Типовой проект 903-1-174Типовой проект 903-1-174Типовой проект 903-1-174Типовой проект 903-1-174Типовой проект 903-1-174Типовой проект 903-1-174Типовой проект 903-1-174Типовой проект 903-1-174Типовой проект 903-1-174

© 2013 Ёшкин Кот :-) Карта сайта