Информационная система
«Ёшкин Кот»

Скачать базу одним архивом
Скачать обновления
История создания базы
Карта сайта

Скачать Типовой проект 407-3-683.10 Альбом 3. Пояснительная записка. Электротехническая часть с оборудованием на постоянном оперативном токе и микропроцессорными устройствами РЗ и А типа БЭМП-РУ

Дата актуализации: 10.08.2017

Типовой проект 407-3-683.10

Альбом 3. Пояснительная записка. Электротехническая часть с оборудованием на постоянном оперативном токе и микропроцессорными устройствами РЗ и А типа БЭМП-РУ

Обозначение: Типовой проект 407-3-683.10
Обозначение англ: 407-3-683.10
Статус:не определен законодательством
Название рус.:Альбом 3. Пояснительная записка. Электротехническая часть с оборудованием на постоянном оперативном токе и микропроцессорными устройствами РЗ и А типа БЭМП-РУ
Дата добавления в базу:01.09.2013
Дата актуализации:05.05.2017
Дата введения:20.05.2010
Оглавление:ТП 407-3-683.10-СА Содержание альбома - СА
ТП 407-3-683.10-ПЗ Пояснительная записка - ПЗ
ТП 407-3-683.10-ЭП Электротехническая часть - ЭП4
ТП 407-3-683.10-ЭП4-1 Общие данные (начало)
ТП 407-3-683.10-ЭП4-2 Общие данные (продолжение)
ТП 407-3-683.10-ЭП4-3 Общие данные (окончание)
ТП 407-3-683.10-ЭП4-4 Схема электрических соединений 10(6) кВ (начало)
ТП 407-3-683.10-ЭП4-5 Схема электрических соединений 10(6) кВ (окончание)
ТП 407-3-683.10-ЭП4-6 Схема электрических соединений 0,4 кВ.
ТП 407-3-683.10-ЭП4-7 Основное оборудование щита 0,4 кВ
ТП 407-3-683.10-ЭП4-8 План и разрезы РП (начало)
ТП 407-3-683.10-ЭП4-9 План и разрезы РП (окончание)
ТП 407-3-683.10-ЭП4-10 Кабельный журнал (начало)
ТП 407-3-683.10-ЭП4-11 Кабельный журнал (окончание)
ТП 407-3-683.10-ЭП4-12 План прокладки кабелей
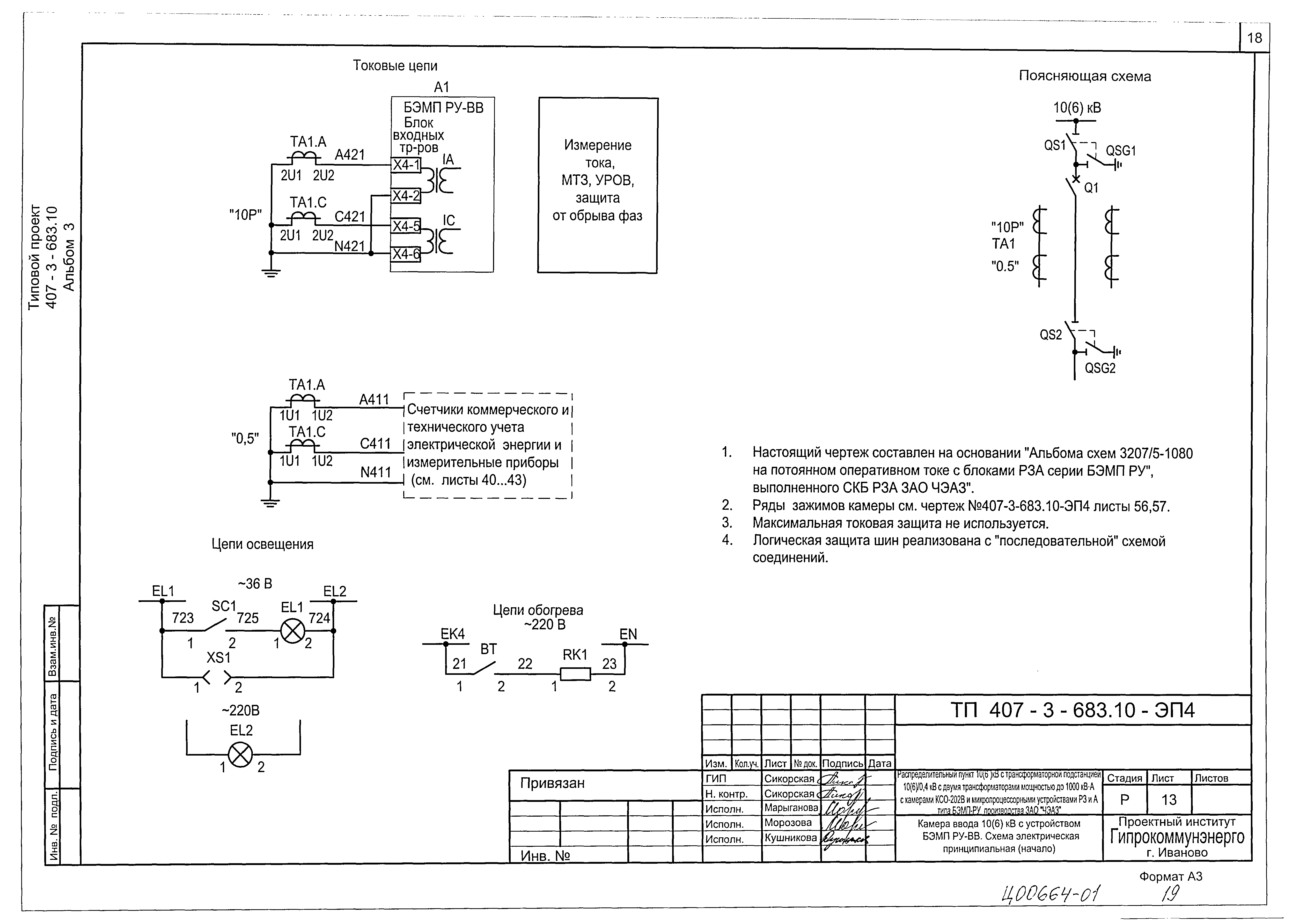
ТП 407-3-683.10-ЭП4-13 Камера ввода 10(6) кВ с устройством БЭМП РУ-ВВ. Схема электрическая принципиальная (начало)
ТП 407-3-683.10-ЭП4-14 Камера ввода 10(6) кВ с устройством БЭМП РУ-ВВ. Схема электрическая принципиальная (продолжение)
ТП 407-3-683.10-ЭП4-15 Камера ввода 10(6) кВ с устройством БЭМП РУ-ВВ. Схема электрическая принципиальная (продолжение)
ТП 407-3-683.10-ЭП4-16 Камера ввода 10(6) кВ с устройством БЭМП РУ-ВВ. Схема электрическая принципиальная (продолжение)
ТП 407-3-683.10-ЭП4-17 Камера ввода 10(6) кВ с устройством БЭМП РУ-ВВ. Схема электрическая принципиальная (продолжение)
ТП 407-3-683.10-ЭП4-18 Камера ввода 10(6) кВ с устройством БЭМП РУ-ВВ. Схема электрическая принципиальная (окончание)
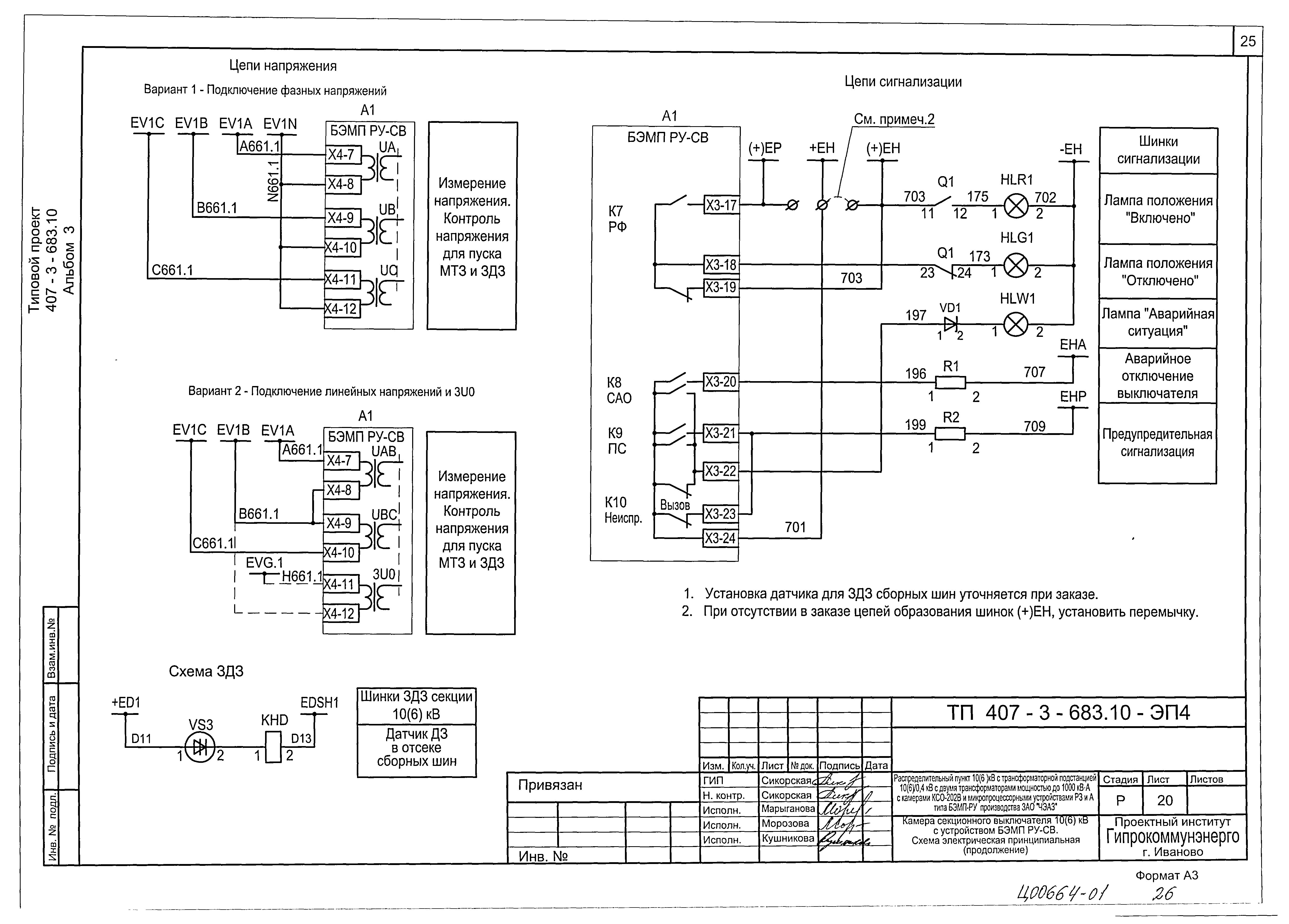
ТП 407-3-683.10-ЭП4-19 Камера секционного выключателя 10(6) кВ с устройством БЭМП РУ-СВ. Схема электрическая принципиальная (начало)
ТП 407-3-683.10-ЭП4-20 Камера секционного выключателя 10(6) кВ с устройством БЭМП РУ-СВ. Схема электрическая принципиальная (продолжение)
ТП 407-3-683.10-ЭП4-21 Камера секционного выключателя 10(6) кВ с устройством БЭМП РУ-СВ. Схема электрическая принципиальная (продолжение)
ТП 407-3-683.10-ЭП4-22 Камера секционного выключателя 10(6) кВ с устройством БЭМП РУ-СВ. Схема электрическая принципиальная (продолжение)
ТП 407-3-683.10-ЭП4-23 Камера секционного выключателя 10(6) кВ с устройством БЭМП РУ-СВ. Схема электрическая принципиальная (продолжение)
ТП 407-3-683.10-ЭП4-24 Камера секционного выключателя 10(6) кВ с устройством БЭМП РУ-СВ. Схема электрическая принципиальная (окончание)
ТП 407-3-683.10-ЭП4-25 Камера отходящей линии 10(6) кВ с устройством БЭМП РУ-ОЛ. Схема электрическая принципиальная (начало)
ТП 407-3-683.10-ЭП4-26 Камера отходящей линии 10(6) кВ с устройством БЭМП РУ-ОЛ. Схема электрическая принципиальная (продолжение)
ТП 407-3-683.10-ЭП4-27 Камера отходящей линии 10(6) кВ с устройством БЭМП РУ-ОЛ. Схема электрическая принципиальная (продолжение)
ТП 407-3-683.10-ЭП4-28 Камера отходящей линии 10(6) кВ с устройством БЭМП РУ-ОЛ. Схема электрическая принципиальная (продолжение)
ТП 407-3-683.10-ЭП4-29 Камера отходящей линии 10(6) кВ с устройством БЭМП РУ-ОЛ. Схема электрическая принципиальная (окончание)
ТП 407-3-683.10-ЭП4-30 Камера линии 10(6) кВ к трансформатору с устройством БЭМП РУ-ОЛ. Схема электрическая принципиальная (начало)
ТП 407-3-683.10-ЭП4-31 Камера линии 10(6) кВ к трансформатору с устройством БЭМП РУ-ОЛ. Схема электрическая принципиальная (продолжение)
ТП 407-3-683.10-ЭП4-32 Камера линии 10(6) кВ к трансформатору с устройством БЭМП РУ-ОЛ. Схема электрическая принципиальная (продолжение)
ТП 407-3-683.10-ЭП4-33 Камера линии 10(6) кВ к трансформатору с устройством БЭМП РУ-ОЛ. Схема электрическая принципиальная (продолжение)
ТП 407-3-683.10-ЭП4-34 Камера линии 10(6) кВ к трансформатору с устройством БЭМП РУ-ОЛ. Схема электрическая принципиальная (окончание)
ТП 407-3-683.10-ЭП4-35 Камера ТН 10(6) кВ типа 3х3НОЛ.06 с устройством БЭМП РУ-ТН. Схема электрическая принципиальная (начало)
ТП 407-3-683.10-ЭП4-36 Камера ТН 10(6) кВ типа 3х3НОЛ.06 с устройством БЭМП РУ-ТН. Схема электрическая принципиальная (продолжение)
ТП 407-3-683.10-ЭП4-37 Камера ТН 10(6) кВ типа 3х3НОЛ.06 с устройством БЭМП РУ-ТН. Схема электрическая принципиальная (продолжение)
ТП 407-3-683.10-ЭП4-38 Камера ТН 10(6) кВ типа 3х3НОЛ.06 с устройством БЭМП РУ-ТН. Схема электрическая принципиальная (продолжение)
ТП 407-3-683.10-ЭП4-39 Камера ТН 10(6) кВ типа 3х3НОЛ.06 с устройством БЭМП РУ-ТН. Схема электрическая принципиальная (окончание)
ТП 407-3-683.10-ЭП4-40 Подключение 2-х элементного счетчика типа ЕА (трансформаторы тока в 2-х фазах). Схема электрическая принципиальная
ТП 407-3-683.10-ЭП4-41 Подключение 2-х элементного счетчика типа ЕА совместно с измерениями (трансформаторы тока в двух фазах). Схема электрическая принципиальная
ТП 407-3-683.10-ЭП4-42 Подключение 2-х элементного счетчика типа СЭТ-4ТМ (трансформаторы тока в 2-х фазах). Схема электрическая принципиальная
ТП 407-3-683.10-ЭП4-43 Подключение 2-х элементного счетчика типа СЭТ-4ТМ совместно с измерениями (трансформаторы тока в двух фазах). Схема электрическая принципиальная
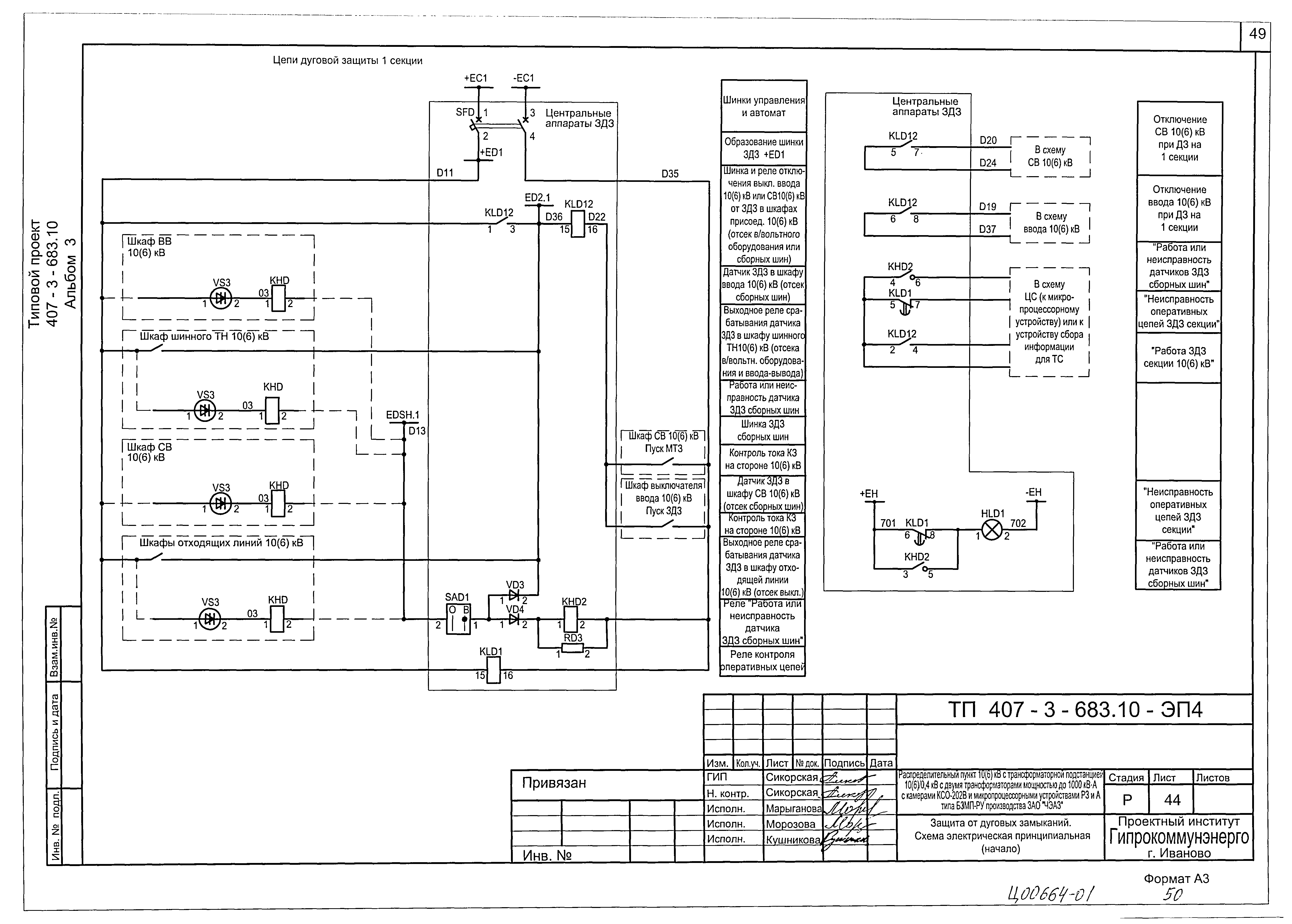
ТП 407-3-683.10-ЭП4-44 Защита от дуговых замыканий. Схема электрическая принципиальная (начало)
ТП 407-3-683.10-ЭП4-45 Защита от дуговых замыканий. Схема электрическая принципиальная (окончание)
ТП 407-3-683.10-ЭП4-46 Логическая защита шин 10(6)кВ. Схема электрическая принципиальная
ТП 407-3-683.10-ЭП4-47 Схема оперативной блокировки разъединителей
ТП 407-3-683.10-ЭП4-48 РУ-10(6) кВ. План шинок (начало)
ТП 407-3-683.10-ЭП4-49 РУ-10(6) кВ. План шинок (окончание)
ТП 407-3-683.10-ЭП4-50 Схема собственных нужд (начало)
ТП 407-3-683.10-ЭП4-51 Схема собственных нужд (окончание)
ТП 407-3-683.10-ЭП4-52 Ввод 0,4 кВ трансформатора. Схема электрическая принципиальная
ТП 407-3-683.10-ЭП4-53 Секционный автомат 0,4 кВ. Схема электрическая принципиальная
ТП 407-3-683.10-ЭП4-54 Ввод 0,4 кВ трансформатора. Перечень аппаратуры
ТП 407-3-683.10-ЭП4-55 Секционный автомат 0,4 кВ. Перечень аппаратуры
ТП 407-3-683.10-ЭП4-56 РУ-10(6) кВ. Ряды зажимов камеры ввода (начало)
ТП 407-3-683.10-ЭП4-57 РУ-10(6) кВ. Ряды зажимов камеры ввода (окончание)
ТП 407-3-683.10-ЭП4-58 РУ-10(6) кВ. Ряды зажимов камеры секционного выключателя (начало)
ТП 407-3-683.10-ЭП4-59 РУ-10(6) кВ. Ряды зажимов камеры секционного выключателя (окончание)
ТП 407-3-683.10-ЭП4-60 РУ-10(6) кВ. Ряды зажимов камеры отходящей линии (начало)
ТП 407-3-683.10-ЭП4-61 РУ-10(6) кВ. Ряды зажимов камеры отходящей линии (окончание)
ТП 407-3-683.10-ЭП4-62 РУ-10(6) кВ. Ряды зажимов камеры линии к трансформатору (начало)
ТП 407-3-683.10-ЭП4-63 РУ-10(6) кВ. Ряды зажимов камеры линии к трансформатору (окончание)
ТП 407-3-683.10-ЭП4-64 РУ-10(6) кВ. Ряды зажимов камеры трансформатора напряжения (начало)
ТП 407-3-683.10-ЭП4-65 РУ-10(6) кВ. Ряды зажимов камеры трансформатора напряжения (окончание)
ТП 407-3-683.10-ЭП4-66 РУ-10(6) кВ. Ряды зажимов камеры собственных нужд (начало)
ТП 407-3-683.10-ЭП4-67 РУ-10(6) кВ. Ряды зажимов камеры собственных нужд (окончание)
ТП 407-3-683.10-ЭП4-68 Трансформатор Т1 (Т2). Ряды зажимов панелей вводов
ТП 407-3-683.10-ЭП4-69 Секционный автомат 0,4 кВ. Ряд зажимов панели
Разработан: Гипрокоммунэнерго
Утверждён:20.05.2010 ЗАО ЧЭАЗ (194)
Расположен в:Техническая документация Строительство Справочные документы Типовые строительные конструкции, изделия и узлы Общероссийский строительный каталог Промышленные предприятия, здания и сооружения Предприятия, здания и сооружения промышленности и электроэнергетики Электроэнергетика Устройства и подстанции распределительные
Типовой проект 407-3-683.10Типовой проект 407-3-683.10Типовой проект 407-3-683.10Типовой проект 407-3-683.10Типовой проект 407-3-683.10Типовой проект 407-3-683.10Типовой проект 407-3-683.10Типовой проект 407-3-683.10Типовой проект 407-3-683.10Типовой проект 407-3-683.10Типовой проект 407-3-683.10Типовой проект 407-3-683.10Типовой проект 407-3-683.10Типовой проект 407-3-683.10Типовой проект 407-3-683.10Типовой проект 407-3-683.10Типовой проект 407-3-683.10Типовой проект 407-3-683.10Типовой проект 407-3-683.10Типовой проект 407-3-683.10Типовой проект 407-3-683.10Типовой проект 407-3-683.10Типовой проект 407-3-683.10Типовой проект 407-3-683.10Типовой проект 407-3-683.10Типовой проект 407-3-683.10Типовой проект 407-3-683.10Типовой проект 407-3-683.10Типовой проект 407-3-683.10Типовой проект 407-3-683.10Типовой проект 407-3-683.10Типовой проект 407-3-683.10Типовой проект 407-3-683.10Типовой проект 407-3-683.10Типовой проект 407-3-683.10Типовой проект 407-3-683.10Типовой проект 407-3-683.10Типовой проект 407-3-683.10Типовой проект 407-3-683.10Типовой проект 407-3-683.10Типовой проект 407-3-683.10Типовой проект 407-3-683.10Типовой проект 407-3-683.10Типовой проект 407-3-683.10Типовой проект 407-3-683.10Типовой проект 407-3-683.10Типовой проект 407-3-683.10Типовой проект 407-3-683.10Типовой проект 407-3-683.10Типовой проект 407-3-683.10Типовой проект 407-3-683.10Типовой проект 407-3-683.10Типовой проект 407-3-683.10Типовой проект 407-3-683.10Типовой проект 407-3-683.10Типовой проект 407-3-683.10Типовой проект 407-3-683.10Типовой проект 407-3-683.10Типовой проект 407-3-683.10Типовой проект 407-3-683.10Типовой проект 407-3-683.10Типовой проект 407-3-683.10Типовой проект 407-3-683.10Типовой проект 407-3-683.10Типовой проект 407-3-683.10Типовой проект 407-3-683.10Типовой проект 407-3-683.10Типовой проект 407-3-683.10Типовой проект 407-3-683.10Типовой проект 407-3-683.10Типовой проект 407-3-683.10Типовой проект 407-3-683.10Типовой проект 407-3-683.10Типовой проект 407-3-683.10

© 2013 Ёшкин Кот :-) Карта сайта