Скачать Серия ИИ-04-2 Выпуск 22. Колонны сечением 40х40 см для зданий с высотой этажа 3,3; 3,6 и 4,2 м из бетонов марок 500; 600; 700 и 800. Рабочие чертежиДата актуализации: 10.08.2017 Серия ИИ-04-2
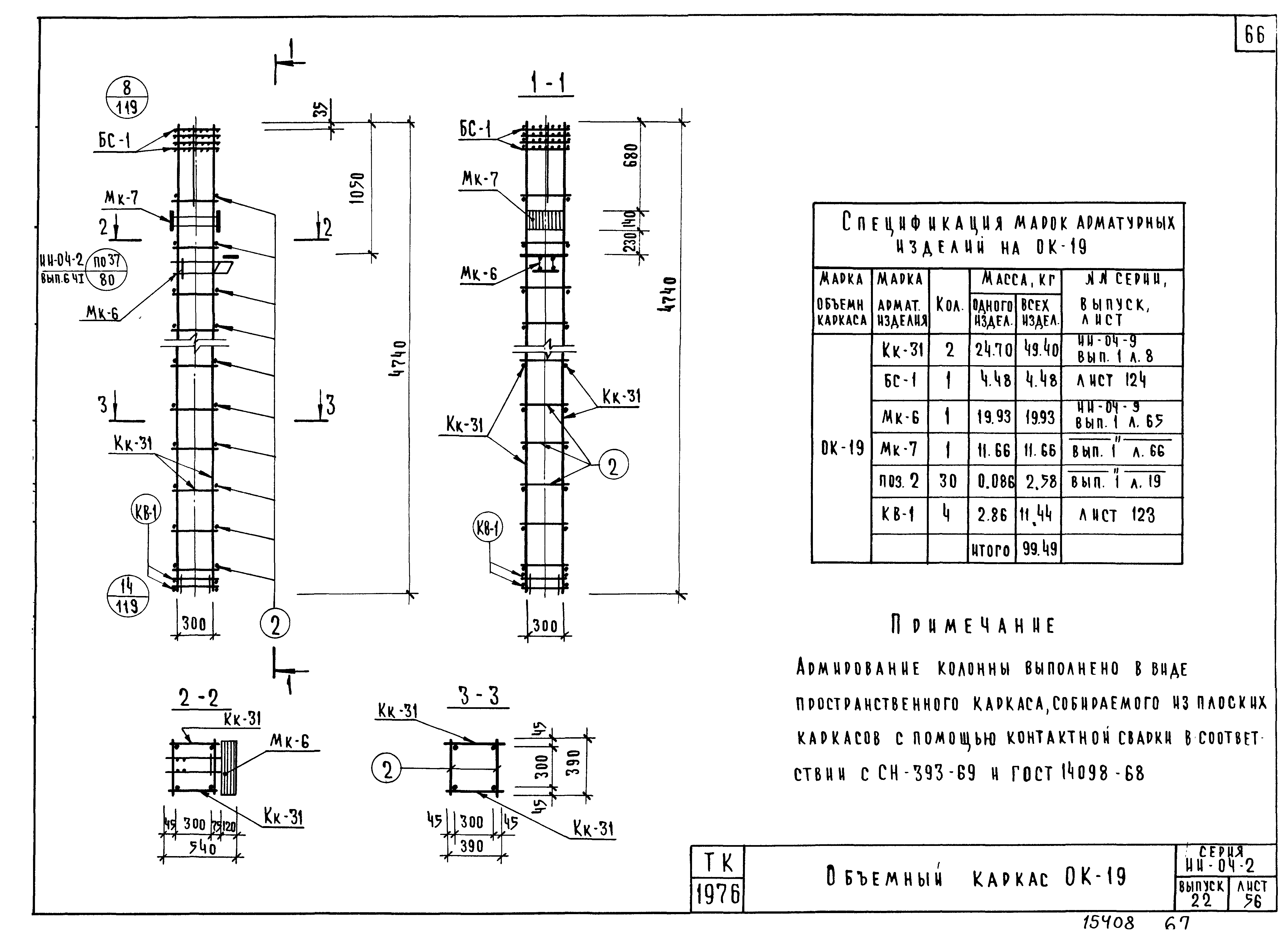
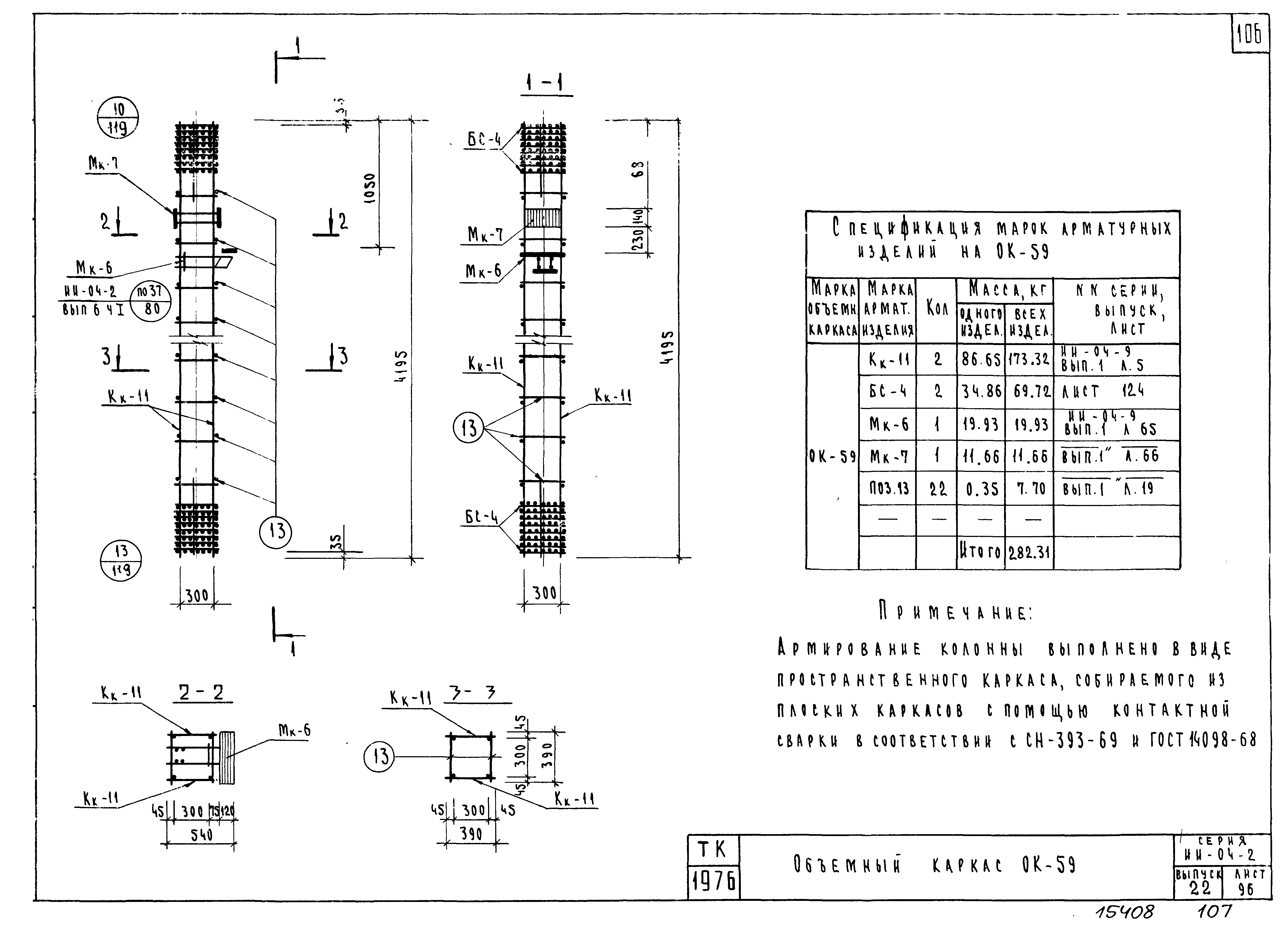
Выпуск 22. Колонны сечением 40х40 см для зданий с высотой этажа 3,3; 3,6 и 4,2 м из бетонов марок 500; 600; 700 и 800. Рабочие чертежиОбозначение: | Серия ИИ-04-2 | Обозначение англ: | Series ИИ-04-2 | Статус: | заменен | Название рус.: | Выпуск 22. Колонны сечением 40х40 см для зданий с высотой этажа 3,3; 3,6 и 4,2 м из бетонов марок 500; 600; 700 и 800. Рабочие чертежи | Дата добавления в базу: | 01.09.2013 | Дата актуализации: | 05.05.2017 | Дата введения: | 01.04.1982 | Оглавление: | ИИ-04-2 Содержание выпуска ИИ-04-2 Пояснительная записка ИИ-04-2 Графики несущей способности колонн ИИ-04-2 Лист 1. Номенклатура ИИ-04-2 Лист 2. Номенклатура ИИ-04-2 Лист 3. Номенклатура ИИ-04-2 Лист 4. Номенклатура ИИ-04-2 Лист 5. Номенклатура ИИ-04-2 Лист 6. Номенклатура ИИ-04-2 Лист 7. Номенклатура ИИ-04-2 Лист 8. Номенклатура ИИ-04-2 Лист 9. Номенклатура ИИ-04-2 Лист 10. Колонны КСК-433-34(5);КСК-433-40(6);КСК-433-52(8);КСК-436-34(5);КСК-436-40(6);КСК-436-52(8);КСК-442-34(5);КСК-442-40(6);КСК-442-52(8). Армирование ИИ-04-2 Лист 11. Колонны КСР-433-34(5);КСР-433-40(6);КСР-433-52(8);КСР-436-34(5);КСР-436-40(6);КСР-436-52(8);КСР-442-34(5);КСР-442-40(6);КСР-442-52(8). Армирование ИИ-04-2 Лист 12. Колонны КСК-433-40(5);КСК-433-52(7);КСК-436-40(5);КСК-436-52(7);КСК-442-40(5);КСК-442-52(7). Армирование ИИ-04-2 Лист 13. Колонны КСР-433-40(5);КСР-433-52(7);КСР-433-58(8);КСР-436-40(5);КСР-436-52(7);КСР-436-58(8);КСР-442-40(5);КСР-442-52(7);КСР-442-58(8). Армирование ИИ-04-2 Лист 14. Колонны КСК-433-52(6);КСК-436-52(6);КСК-442-52(6). Армирование ИИ-04-2 Лист 15. Колонны КСР-433-52(6);КСР-433-58(7);КСР-436-52(6);КСР-436-58(7);КСР-442-52(6);КСР-442-58(7). Армирование ИИ-04-2 Лист 16. Колонны КСК-433-52(5);КСК-436-52(5);КСК-442-52(5). Армирование ИИ-04-2 Лист 17. Колонны КСР-433-52(5);КСР-433-58(6);КСР-436-52(5);КСР-436-58(6);КСР-442-52(5);КСР-442-58(6). Армирование ИИ-04-2 Лист 18. Колонны КСР-433-58(5);КСР-436-58(5);КСР-442-58(5). Армирование ИИ-04-2 Лист 19. Колонны КСК-466-34(5);КСК-466-40(6);КСК-466-52(8);КСК-472-34(5);КСК-472-40(6);КСК-472-52(8);КСК-484-34(5);КСК-484-40(6);КСК-484-52(8). Армирование ИИ-04-2 Лист 20. Колонны КСР-466-34(5);КСР-466-40(6);КСР-466-52(8);КСР-472-34(5);КСР-472-40(6);КСР-472-52(8);КСР-484-34(5);КСР-484-40(6);КСК-484-52(8). Армирование ИИ-04-2 Лист 21. Колонны КСК-466-40(5);КСК-466-52(7);КСК-472-40(5);КСК-472-52(7);КСК-484-40(5);КСК-484-52(7). Армирование ИИ-04-2 Лист 22. Колонны КСР-466-40(5);КСР-466-52(7);КСР-466-58(8);КСР-472-40(5);КСР-472-52(7);КСР-472-58(8);КСР-484-40(5);КСР-484-52(7);КСР-484-58(8). Армирование ИИ-04-2 Лист 23. Колонны КСК-466-52(6);КСК-484-52(6);КСК-472-52(6). Армирование ИИ-04-2 Лист 24. Колонны КСР-466-52(6);КСР-466-58(7);КСР-472-52(6);КСР-472-58(7);КСР-484-52(6);КСР-484-58(7). Армирование ИИ-04-2 Лист 25. Колонны КСК-466-52(5);КСК-472-52(5);КСК-484-52(5). Армирование ИИ-04-2 Лист 26. Колонны КСР-466-52(5);КСР-466-58(6);КСР-472-52(5);КСР-472-58(6);КСР-484-52(5);КСР-484-58(6). Армирование ИИ-04-2 Лист 27. Колонны КСР-466-58(5);КСР-472-58(5);КСР-484-58(5). Армирование ИИ-04-2 Лист 28. Колонны КНК-433-34(5);КНК-433-40(6);КНК-433-52(8);КНК-436-34(5);КНК-436-40(6);КНК-436-52(8);КНК-442-34(5);КНК-442-40(6);КНК-442-52(8). Армирование ИИ-04-2 Лист 29. Колонны КНР-433-34(5);КНР-433-40(6);КНР-433-52(8);КНР-436-34(5);КНР-436-40(6);КНР-436-52(8);КНР-442-34(5);КНР-442-40(6);КНР-442-52(8). Армирование ИИ-04-2 Лист 30. Колонны КНК-433-40(5);КНК-433-52(7);КНК-436-40(5);КНК-436-52(7);КНК-442-40(5);КНК-442-52(7). Армирование ИИ-04-2 Лист 31. Колонны КНР-433-40(5);КНР-433-52(7);КНР-433-58(8);КНР-436-40(5);КНР-436-52(7);КНР-436-58(8);КНР-442-40(5);КНР-442-52(7);КНР-442-58(8). Армирование ИИ-04-2 Лист 32. Колонны КНК-433-52(6);КНК-436-52(6);КНК-442-52(6). Армирование ИИ-04-2 Лист 33. Колонны КНР-433-52(6);КНР-433-58(7);КНР-436-52(6);КНР-436-58(7);КНР-442-52(6);КНР-442-58(7). Армирование ИИ-04-2 Лист 34. Колонны КНК-433-52(5);КНК-436-52(5);КНК-442-52(5). Армирование ИИ-04-2 Лист 35. Колонны КНР-433-52(5);КНР-433-58(6);КНР-436-52(5);КНР-436-58(6);КНР-442-52(5);КНР-442-58(6). Армирование ИИ-04-2 Лист 36. Колонны КНР-433-58(5);КНР-436-58(5);КНР-442-58(5). Армирование ИИ-04-2 Лист 37. Узлы 1;2;3;4;5;6 и 7 ИИ-04-2 Лист 38. Объемный каркас ОК-1 ИИ-04-2 Лист 39. Объемный каркас ОК-2 ИИ-04-2 Лист 40. Объемный каркас ОК-3 ИИ-04-2 Лист 41. Объемный каркас ОК-4 ИИ-04-2 Лист 42. Объемный каркас ОК-5 ИИ-04-2 Лист 43. Объемный каркас ОК-6 ИИ-04-2 Лист 44. Объемный каркас ОК-7 ИИ-04-2 Лист 45. Объемный каркас ОК-8 ИИ-04-2 Лист 46. Объемный каркас ОК-9 ИИ-04-2 Лист 47. Объемный каркас ОК-10 ИИ-04-2 Лист 48. Объемный каркас ОК-11 ИИ-04-2 Лист 49. Объемный каркас ОК-12 ИИ-04-2 Лист 50. Объемный каркас ОК-13 ИИ-04-2 Лист 51. Объемный каркас ОК-14 ИИ-04-2 Лист 52. Объемный каркас ОК-15 ИИ-04-2 Лист 53. Объемный каркас ОК-16 ИИ-04-2 Лист 54. Объемный каркас ОК-17 ИИ-04-2 Лист 55. Объемный каркас ОК-18 ИИ-04-2 Лист 56. Объемный каркас ОК-19 ИИ-04-2 Лист 57. Объемный каркас ОК-20 ИИ-04-2 Лист 58. Объемный каркас ОК-21 ИИ-04-2 Лист 59. Объемный каркас ОК-22 ИИ-04-2 Лист 60. Объемный каркас ОК-23 ИИ-04-2 Лист 61. Объемный каркас ОК-24 ИИ-04-2 Лист 62. Объемный каркас ОК-25 ИИ-04-2 Лист 63. Объемный каркас ОК-26 ИИ-04-2 Лист 64. Объемный каркас ОК-27 ИИ-04-2 Лист 65. Объемный каркас ОК-28 ИИ-04-2 Лист 66. Объемный каркас ОК-29 ИИ-04-2 Лист 67. Объемный каркас ОК-30 ИИ-04-2 Лист 68. Объемный каркас ОК-31 ИИ-04-2 Лист 69. Объемный каркас ОК-32 ИИ-04-2 Лист 70. Объемный каркас ОК-33 ИИ-04-2 Лист 71. Объемный каркас ОК-34 ИИ-04-2 Лист 72. Объемный каркас ОК-35 ИИ-04-2 Лист 73. Объемный каркас ОК-36 ИИ-04-2 Лист 74. Объемный каркас ОК-37 ИИ-04-2 Лист 75. Объемный каркас ОК-38 ИИ-04-2 Лист 76. Объемный каркас ОК-39 ИИ-04-2 Лист 77. Объемный каркас ОК-40 ИИ-04-2 Лист 78. Объемный каркас ОК-41 ИИ-04-2 Лист 79. Объемный каркас ОК-42 ИИ-04-2 Лист 80. Объемный каркас ОК-43 ИИ-04-2 Лист 81. Объемный каркас ОК-44 ИИ-04-2 Лист 82. Объемный каркас ОК-45 ИИ-04-2 Лист 83. Объемный каркас ОК-46 ИИ-04-2 Лист 84. Объемный каркас ОК-47 ИИ-04-2 Лист 85. Объемный каркас ОК-48 ИИ-04-2 Лист 86. Объемный каркас ОК-49 ИИ-04-2 Лист 87. Объемный каркас ОК-50 ИИ-04-2 Лист 88. Объемный каркас ОК-51 ИИ-04-2 Лист 89. Объемный каркас ОК-52 ИИ-04-2 Лист 90. Объемный каркас ОК-53 ИИ-04-2 Лист 91. Объемный каркас ОК-54 ИИ-04-2 Лист 92. Объемный каркас ОК-55 ИИ-04-2 Лист 93. Объемный каркас ОК-56 ИИ-04-2 Лист 94. Объемный каркас ОК-57 ИИ-04-2 Лист 95. Объемный каркас ОК-58 ИИ-04-2 Лист 96. Объемный каркас ОК-59 ИИ-04-2 Лист 97. Объемный каркас ОК-60 ИИ-04-2 Лист 98. Объемный каркас ОК-61 ИИ-04-2 Лист 99. Объемный каркас ОК-62 ИИ-04-2 Лист 100. Объемный каркас ОК-63 ИИ-04-2 Лист 101. Объемный каркас ОК-64 ИИ-04-2 Лист 102. Объемный каркас ОК-65 ИИ-04-2 Лист 103. Объемный каркас ОК-66 ИИ-04-2 Лист 104. Объемный каркас ОК-67 ИИ-04-2 Лист 105. Объемный каркас ОК-68 ИИ-04-2 Лист 106. Объемный каркас ОК-69 ИИ-04-2 Лист 107. Объемный каркас ОК-70 ИИ-04-2 Лист 108. Объемный каркас ОК-71 ИИ-04-2 Лист 109. Объемный каркас ОК-72 ИИ-04-2 Лист 110. Объемный каркас ОК-73 ИИ-04-2 Лист 111. Объемный каркас ОК-74 ИИ-04-2 Лист 112. Объемный каркас ОК-75 ИИ-04-2 Лист 113. Объемный каркас ОК-76 ИИ-04-2 Лист 114. Объемный каркас ОК-77 ИИ-04-2 Лист 115. Объемный каркас ОК-78 ИИ-04-2 Лист 116. Объемный каркас ОК-79 ИИ-04-2 Лист 117. Объемный каркас ОК-80 ИИ-04-2 Лист 118. Объемный каркас ОК-81 ИИ-04-2 Лист 119. Узлы 8;9;10;11;12;13 и 14 ИИ-04-2 Лист 120. Плоские каркасы Кк-91;Кк-94;Кк-97;Кк-109;Кк-112;Кк-115 ИИ-04-2 Лист 121. Плоские каркасы Кк-92;Кк-93;Кк-95;Кк-96;Кк-98;Кк-99;Кк-110;Кк-111;Кк-113;Кк-114;Кк-116;Кк-117 ИИ-04-2 Лист 122. Плоские каркасы Кк-100;Кк-101;Кк-102;Кк-103;Кк-104;Кк-105;Кк-106;Кк-107;Кк-108 ИИ-04-2 Лист 123. Сетки СК-5;СК-6;СК-7;СК-8. Вспомогательный элемент КВ-1;КВ-2;КВ-3;КВ-4. Отдельные стержни ИИ-04-2 Лист 124. Пакеты БС-1;БС-2;БС-3;БС-4;БС-5 | Разработан: | ЦНИИЭП торгово-бытовых зданий и туристских комплексов НИИЖБ
| Утверждён: | 12.04.1978 Государственный комитет по гражданскому строительству (81)
| Расположен в: |
| Чем заменён: | |
                                                                                                                                      
|