Информационная система
«Ёшкин Кот»

Скачать базу одним архивом
Скачать обновления
История создания базы
Карта сайта

Скачать Типовой проект 902-1-135.88 Альбом III. Строительные изделия (из ТП 902-1-134.88)

Дата актуализации: 10.08.2017

Типовой проект 902-1-135.88

Альбом III. Строительные изделия (из ТП 902-1-134.88)

Обозначение: Типовой проект 902-1-135.88
Обозначение англ: 902-1-135.88
Статус:не определен законодательством
Название рус.:Альбом III. Строительные изделия (из ТП 902-1-134.88)
Дата добавления в базу:01.09.2013
Дата актуализации:05.05.2017
Дата введения:01.09.1988
Оглавление:ТП 902-1-134.88-КЖИ01.00 Колонна (К60-7-1;К60-7-2)
ТП 902-1-134.88-КЖИ02.00 Колонна КФ73-1АV
ТП 902-1-134.88-КЖИ11.00 Балка покрытия (1БД12-3АVт-1)
ТП 902-1-134.88-КЖИ21.00 Плита покрытия (ПГ-2АIVт-1...ПГ-2АIVт-3)
ТП 902-1-134.88-КЖИ22.00 Плита ПГ1-5АIVт-А
ТП 902-1-134.88-КЖИ31.00 Щит металлический Щ1;Щ2
ТП 902-1-134.88-КЖИ32.00 Щит металлический Щ3;Щ4
ТП 902-1-134.88-КЖИ33.00 Изделие закладное РМ1
ТП 902-1-134.88-КЖИ34.00 Изделие закладное РМ2
ТП 902-1-134.88-КЖИ35.00 Изделие закладное РМ3
ТП 902-1-134.88-КЖИ36.00 Изделие закладное РМ4
ТП 902-1-134.88-КЖИ37.00 Изделие закладное РМ5
ТП 902-1-134.88-КЖИ38.00 Решетка металлическая Р1
ТП 902-1-134.88-КЖИ39.00 Изделие закладное РМ6,РМ7
ТП 902-1-134.88-КЖИ40.00 Решетка жалюзийная ВЖ1;ВЖ2
ТП 902-1-134.88-КЖИ41.00 Изделие соединительное МС1
ТП 902-1-134.88-КЖИ42.00 Решетка Р2
ТП 902-1-134.88-КЖИ43.00 Соединительный элемент МС3
ТП 902-1-134.88-КЖИ44.00 Изделие закладное МН6
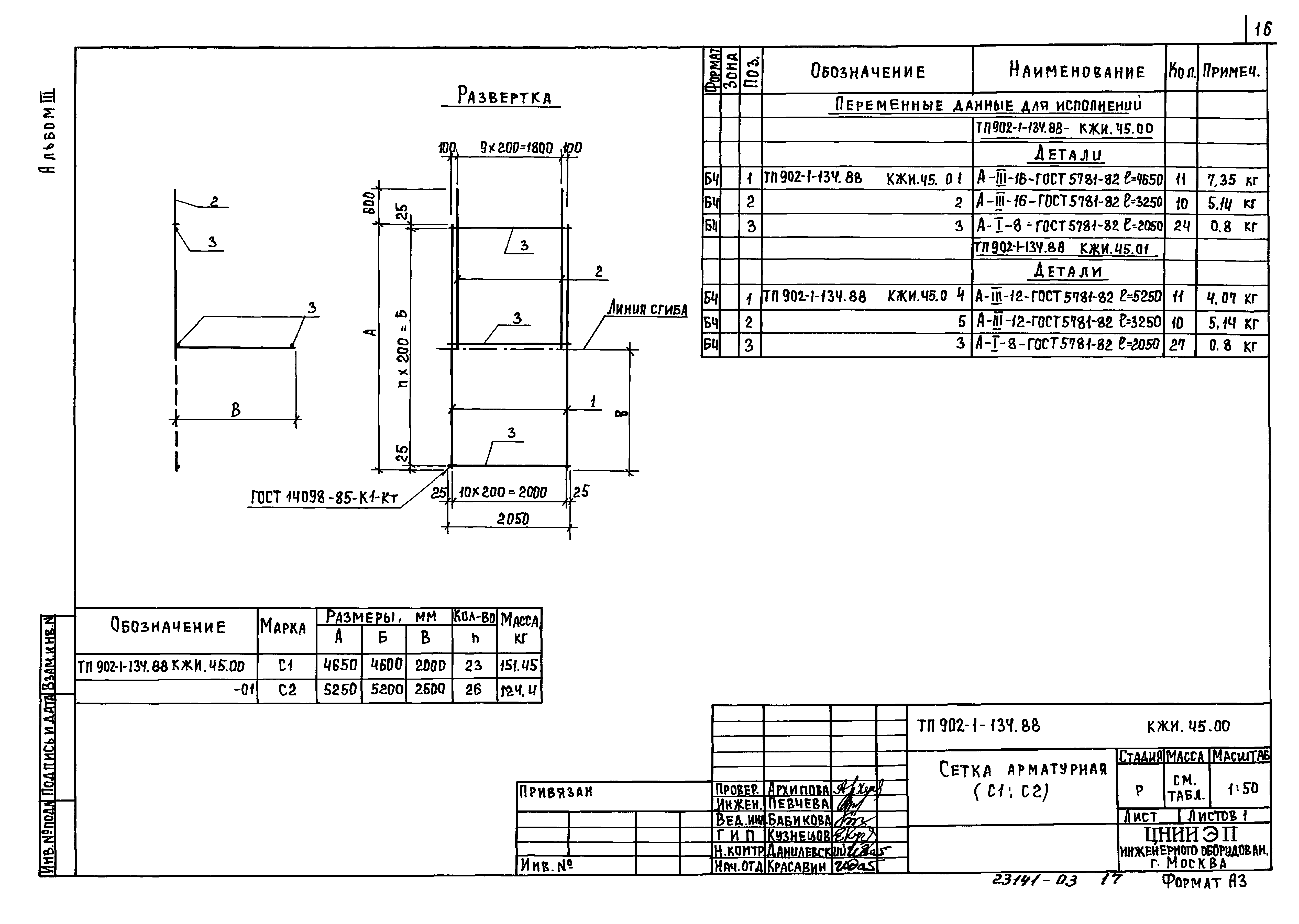
ТП 902-1-134.88-КЖИ45.00 Сетка арматурная (С1,С2)
ТП 902-1-134.88-КЖИ46.00 Сетка арматурная (С3,С4)
ТП 902-1-134.88-КЖИ47.00 Сетка арматурная (С5,С6)
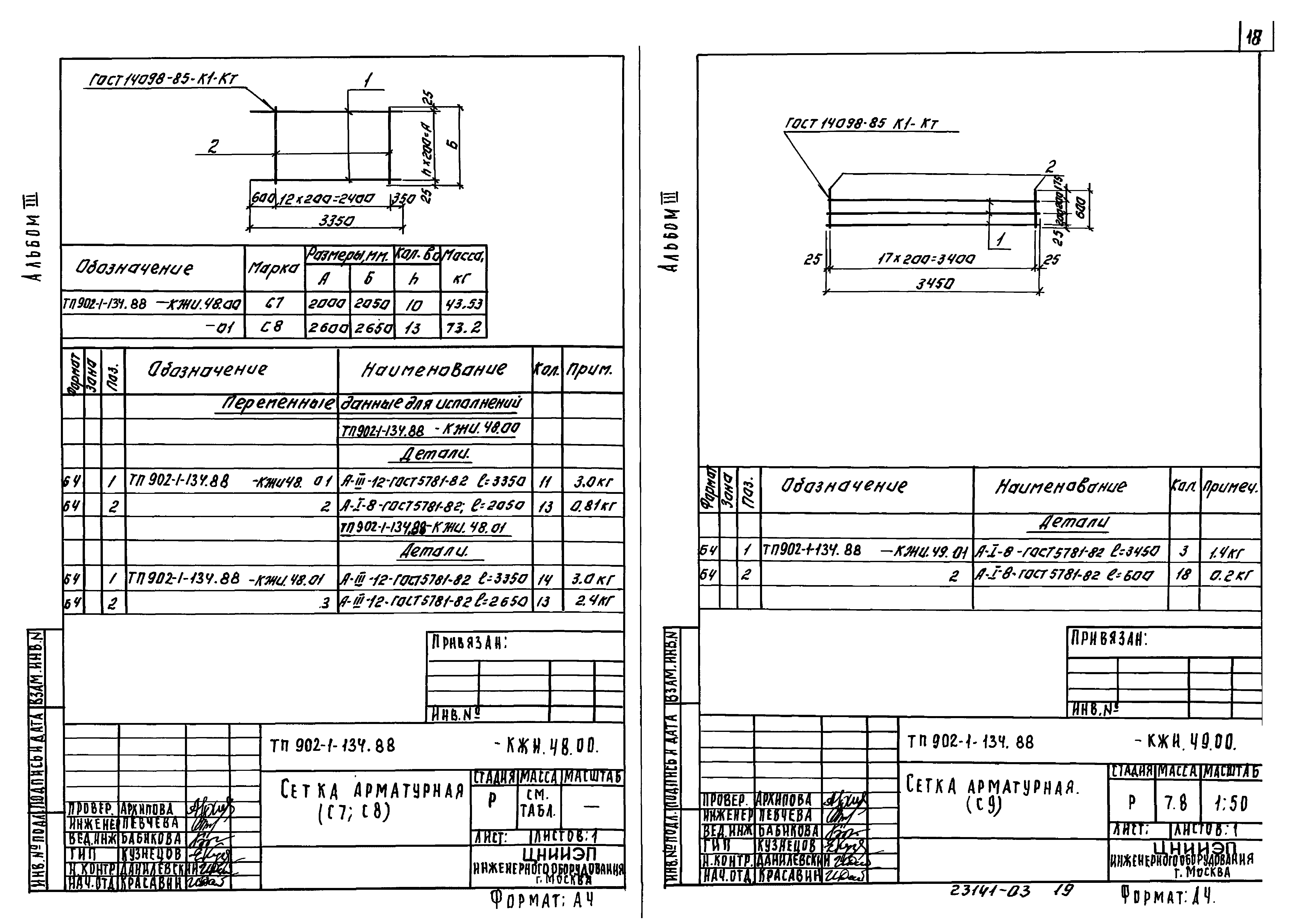
ТП 902-1-134.88-КЖИ48.00 Сетка арматурная (С7,С8)
ТП 902-1-134.88-КЖИ49.00 Сетка арматурная (С9)
ТП 902-1-134.88-КЖИ50.00 Каркас плоский (КР1)
ТП 902-1-134.88-КЖИ51.00 Сетка арматурная (С11)
ТП 902-1-134.88-КЖИ52.00 Сетка арматурная (С10)
ТП 902-1-134.88-КЖИ53.00 Плита 1ПВ4-5АIV-60ВБН-200М
Разработан: ЦНИИЭП иженерного оборудования
Утверждён:15.03.1988 Госкомархитектура (68)
Расположен в:Техническая документация Строительство Справочные документы Типовые строительные конструкции, изделия и узлы Общероссийский строительный каталог Промышленные предприятия, здания и сооружения Здания и сооружения санитарно-технические Канализация Сооружения для очистки производственных сточных вод Насосно-воздуходувные станции
Заменяет собой:
  • Типовой проект 902-1-57
Типовой проект 902-1-135.88Типовой проект 902-1-135.88Типовой проект 902-1-135.88Типовой проект 902-1-135.88Типовой проект 902-1-135.88Типовой проект 902-1-135.88Типовой проект 902-1-135.88Типовой проект 902-1-135.88Типовой проект 902-1-135.88Типовой проект 902-1-135.88Типовой проект 902-1-135.88Типовой проект 902-1-135.88Типовой проект 902-1-135.88Типовой проект 902-1-135.88Типовой проект 902-1-135.88Типовой проект 902-1-135.88Типовой проект 902-1-135.88Типовой проект 902-1-135.88Типовой проект 902-1-135.88Типовой проект 902-1-135.88Типовой проект 902-1-135.88

© 2013 Ёшкин Кот :-) Карта сайта