Информационная система
«Ёшкин Кот»

Скачать базу одним архивом
Скачать обновления
История создания базы
Карта сайта

Скачать Типовой проект 704-1-236.88 Альбом III. Конструкции металлические резервуара

Дата актуализации: 10.08.2017

Типовой проект 704-1-236.88

Альбом III. Конструкции металлические резервуара

Обозначение: Типовой проект 704-1-236.88
Обозначение англ: 704-1-236.88
Статус:не действует
Название рус.:Альбом III. Конструкции металлические резервуара
Дата добавления в базу:01.09.2013
Дата актуализации:05.05.2017
Оглавление:ТП 704-1-236.88 Общие данные (начало)
ТП 704-1-236.88 Общие данные (окончание)
ТП 704-1-236.88 Техническая спецификация стали (начало)
ТП 704-1-236.88 Техническая спецификация стали (продолжение)
ТП 704-1-236.88 Техническая спецификация стали (окончание)
ТП 704-1-236.88 Ведомость металлоконструкций по видам профилей
ТП 704-1-236.88 Общий вид
ТП 704-1-236.88 Стенка
ТП 704-1-236.88 Днище
ТП 704-1-236.88 План покрытия. Монтажные узлы
ТП 704-1-236.88 Щит покрытия (снег 1.00 кПа)
ТП 704-1-236.88 Щит покрытия (снег 1.50 и 3.00 кПа)
ТП 704-1-236.88 Покрытие. Центральное кольцо
ТП 704-1-236.88 Площадки и ограждения на крыше
ТП 704-1-236.88 Люк-лаз Ду 500 в 1 поясе стенке
ТП 704-1-236.88 Люк-лаз овальный 600х900 в 1 поясе стенке
ТП 704-1-236.88 Люк-лаз овальный 600х900 во 2 поясе стенке
ТП 704-1-236.88 Патрубок приемо-раздаточный Ду400
ТП 704-1-236.88 Патрубок приемо-раздаточный Ду250 и патрубок для зачистки Ду150
ТП 704-1-236.88 Патрубки на крыше. Люк световой Ду500
ТП 704-1-236.88 Направляющие понтона
ТП 704-1-236.88 Площадка со стремянкой для обслуживания ГПСС-600
ТП 704-1-236.88 Площадка со стремянкой у люка-лаза во 2 поясе стенки
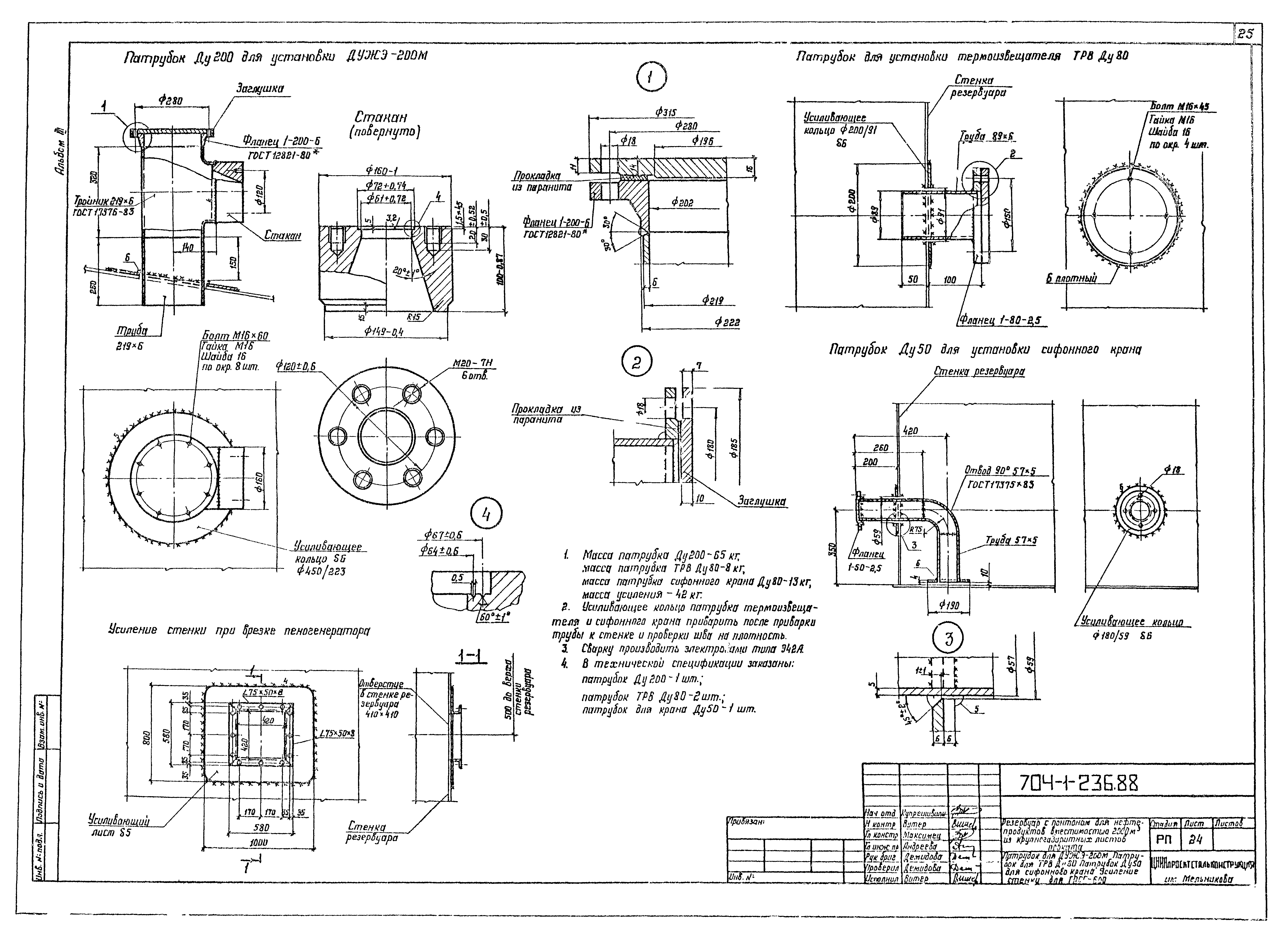
ТП 704-1-236.88 Патрубок для ДУЖЭ-200м. Патрубок для ТРВ Ду80. Патрубок Ду50 для сифонного крана. Усиление стенки для ГПСС-600
ТП 704-1-236.88 Исходные данные для проектирования основания и фундаментов
Разработан: ЦНИИпроектстальконструкция
Утверждён:06.10.1988 Миннефтепром (Minnefteprom 180-"Э")
Расположен в:Техническая документация Строительство Справочные документы Типовые строительные конструкции, изделия и узлы Общероссийский строительный каталог Промышленные предприятия, здания и сооружения Предприятия, здания и сооружения складские Резервуары и склады для нефти и нефтепродуктов Резервуары стальные для нефти и нефтепродуктов
Типовой проект 704-1-236.88Типовой проект 704-1-236.88Типовой проект 704-1-236.88Типовой проект 704-1-236.88Типовой проект 704-1-236.88Типовой проект 704-1-236.88Типовой проект 704-1-236.88Типовой проект 704-1-236.88Типовой проект 704-1-236.88Типовой проект 704-1-236.88Типовой проект 704-1-236.88Типовой проект 704-1-236.88Типовой проект 704-1-236.88Типовой проект 704-1-236.88Типовой проект 704-1-236.88Типовой проект 704-1-236.88Типовой проект 704-1-236.88Типовой проект 704-1-236.88Типовой проект 704-1-236.88Типовой проект 704-1-236.88Типовой проект 704-1-236.88Типовой проект 704-1-236.88Типовой проект 704-1-236.88Типовой проект 704-1-236.88Типовой проект 704-1-236.88Типовой проект 704-1-236.88Типовой проект 704-1-236.88

© 2013 Ёшкин Кот :-) Карта сайта