Информационная система
«Ёшкин Кот»

Скачать базу одним архивом
Скачать обновления
История создания базы
Карта сайта

Скачать Типовой проект 902-2-290 Альбом I

Дата актуализации: 10.08.2017

Типовой проект 902-2-290

Альбом I

Обозначение: Типовой проект 902-2-290
Обозначение англ: 902-2-290
Статус:не действует
Название рус.:Альбом I
Дата добавления в базу:01.09.2013
Дата актуализации:05.05.2017
Оглавление:ТП 902-2-290-С-1 Содержание альбома
ТП 902-2-290-ПЗ-1÷8 Пояснительная записка
ТП 902-2-290-ТК-1 Флотационная установка. Вариант без рециркуляции сточных вод. План. (Пример компоновки)
ТП 902-2-290-ТК-2 Флотационная установка. Вариант с рециркуляцией сточных вод. План. (Пример компоновки)
ТП 902-2-290-КЖ-1 Заглавный лист
ТП 902-2-290-КЖ-2 Планы на отм. 4.290 и 2.000. Разрезы 1-1 и 2-2
ТП 902-2-290-КЖ-3 Узлы 1 и 2. Детали и сечения
ТП 902-2-290-КЖ-4 Узлы 3,4,5. Детали и сечения
ТП 902-2-290-КЖ-5 Маркировочная схема стеновых панелей, плит и лотков
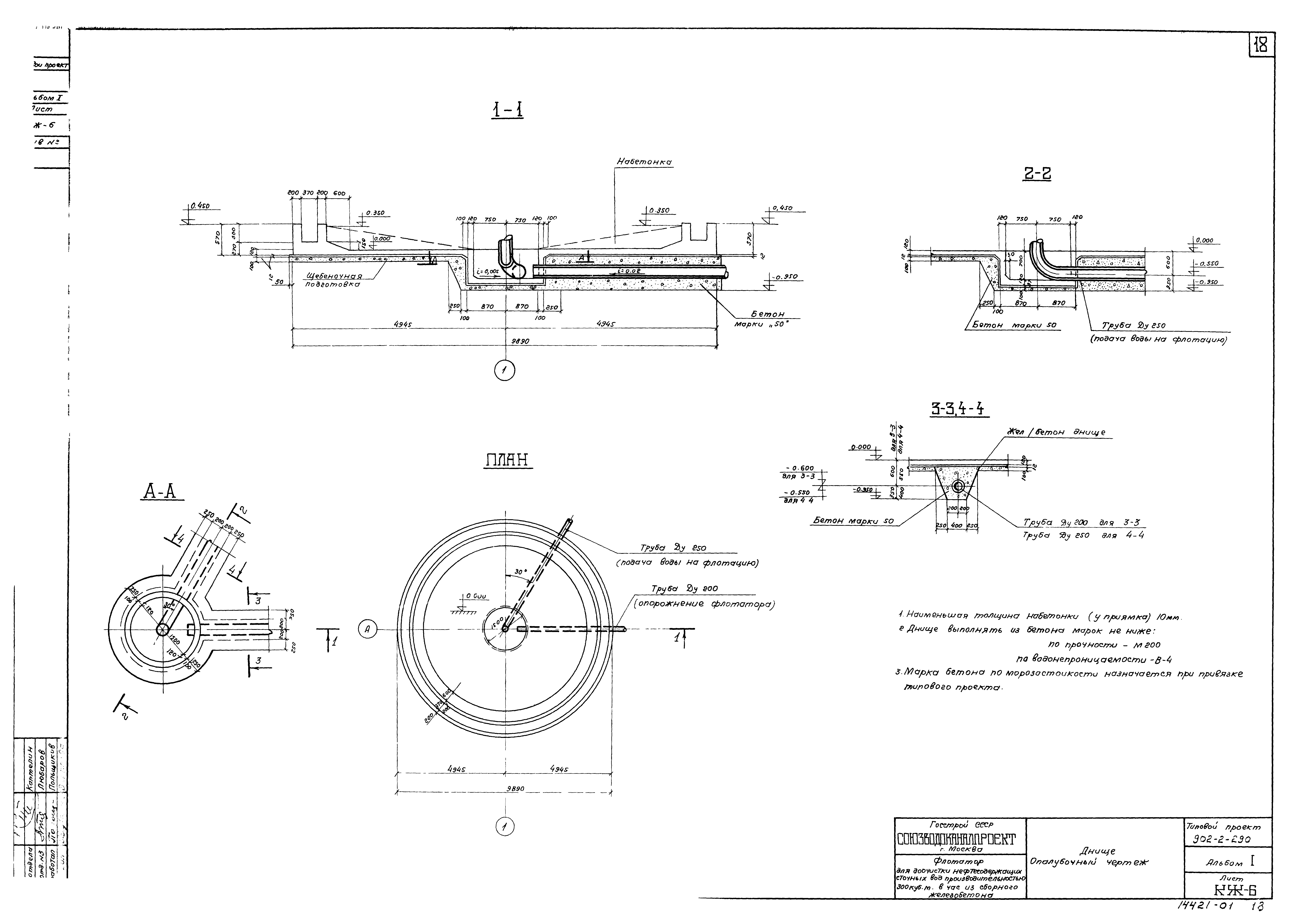
ТП 902-2-290-КЖ-6 Днище. Опалубочный чертеж
ТП 902-2-290-КЖ-7 Днище. Армирование
ТП 902-2-290-КЖ-8 Днище. План расположения каркасов и армирование приямка
ТП 902-2-290-КЖ-9 Днище. Раскрой сеток. Спецификация и выборка арматуры
ТП 902-2-290-КЖ-10 Железные опоры под механизм сгребания пены МО-1 и МО-2. Армирование
ТП 902-2-290-КЖ-11 Панели ПЦ1-30-1А,Б,Г,Д,Е;ПЦ2-30-1А,Б,В. Лоток ЛУ-2-15А. Опалубочные чертежи
ТП 902-2-290-КЖ-12 Стеновые панели, плиты, лотки, монолитные опоры МО-1,МО-2. Сетки и каркасы
ТП 902-2-290-КЖ-13 Стеновые панели, плиты, лотки, монолитные опоры МО-1,МО-2. Спецификация и выборка арматуры
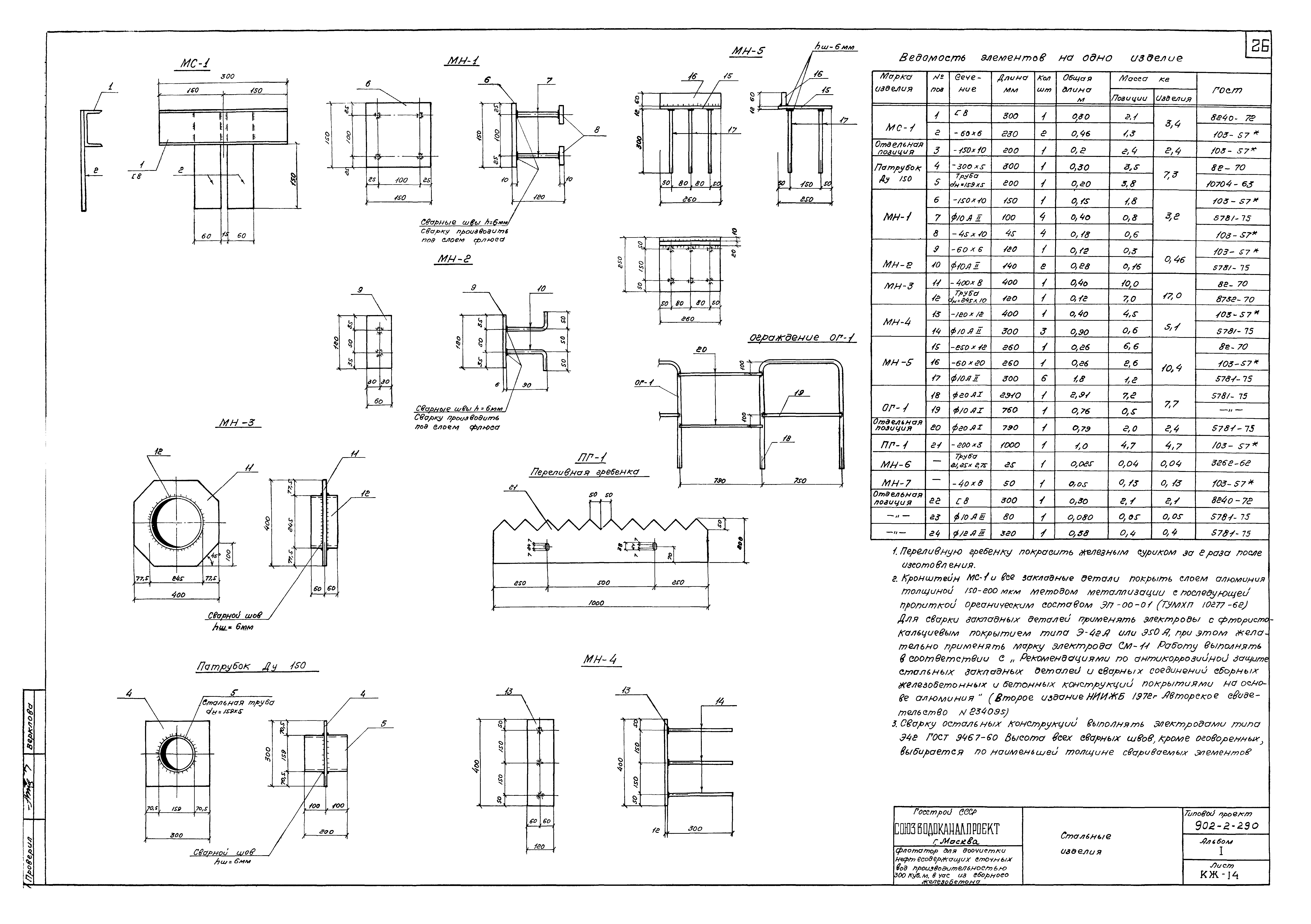
ТП 902-2-290-КЖ-14 Стальные изделия
ТП 902-2-290-КЖ-15 Напрягаемая кольцевая арматура. Распределение арматуры по поясам. Разрез и развертка стены
ТП 902-2-290-КЖ-16 Напрягаемая кольцевая арматура. Электротермический способ натяжения. Напрягаемое кольцо. Детали и сечения
ТП 902-2-290-КЖ-17 Опорная конструкция для механизма сгребания пены. Общий вид, план и сечения
ТП 902-2-290-КЖ-18 Опорная конструкция для механизма сгребания пены. Узлы. Спецификация
ТП 902-2-290-ТМ-1 Монтажный чертеж. План
ТП 902-2-290-ТМ-2 Монтажный чертеж. Разрезы А-А;Б-Б
ТП 902-2-290-ТМ-3 Патрубок косой с шайбой делительной
Разработан: Союзводоканалпроект
Утверждён:26.08.1976 Главпромстройпроект Госстроя СССР (1)
Расположен в:Техническая документация Строительство Справочные документы Типовые строительные конструкции, изделия и узлы Общероссийский строительный каталог Промышленные предприятия, здания и сооружения Здания и сооружения санитарно-технические Канализация Сооружения для очистки производственных сточных вод Флотаторы
Типовой проект 902-2-290Типовой проект 902-2-290Типовой проект 902-2-290Типовой проект 902-2-290Типовой проект 902-2-290Типовой проект 902-2-290Типовой проект 902-2-290Типовой проект 902-2-290Типовой проект 902-2-290Типовой проект 902-2-290Типовой проект 902-2-290Типовой проект 902-2-290Типовой проект 902-2-290Типовой проект 902-2-290Типовой проект 902-2-290Типовой проект 902-2-290Типовой проект 902-2-290Типовой проект 902-2-290Типовой проект 902-2-290Типовой проект 902-2-290Типовой проект 902-2-290Типовой проект 902-2-290Типовой проект 902-2-290Типовой проект 902-2-290Типовой проект 902-2-290Типовой проект 902-2-290Типовой проект 902-2-290Типовой проект 902-2-290Типовой проект 902-2-290Типовой проект 902-2-290Типовой проект 902-2-290Типовой проект 902-2-290Типовой проект 902-2-290Типовой проект 902-2-290

© 2013 Ёшкин Кот :-) Карта сайта