Информационная система
«Ёшкин Кот»

Скачать базу одним архивом
Скачать обновления
История создания базы
Карта сайта

Скачать Типовой проект 904-1-33 Альбом V. Автоматизация и КИП. Чертежи

Дата актуализации: 10.08.2017

Типовой проект 904-1-33

Альбом V. Автоматизация и КИП. Чертежи

Обозначение: Типовой проект 904-1-33
Обозначение англ: 904-1-33
Статус:не действует
Название рус.:Альбом V. Автоматизация и КИП. Чертежи
Дата добавления в базу:01.09.2013
Дата актуализации:05.05.2017
Оглавление:ТП 904-1-33 Титульный лист
ТП 904-1-33-А-1 Содержание альбома
ТП 904-1-33-А-2 Содержание альбома
ТП 904-1-33-А-3 Система маслопроводов. Функциональная схема автоматизации компрессора
ТП 904-1-33-А-4 Воздушный тракт. Функциональная схема автоматизации компрессора
ТП 904-1-33-А-5 Система водяного охлаждения. Функциональная схема автоматизации компрессора
ТП 904-1-33-А-6 Общестанционные измерения и маслохозяйство компрессорной станции. Функциональная схема автоматизации компрессора
ТП 904-1-33-А-7 Блок управления БФХ-0301. Схема электрическая принципиальная
ТП 904-1-33-А-8 Блок управления БФХ-1544. Схема электрическая принципиальная
ТП 904-1-33-А-9 Блок управления БФХ-1544. Схема электрическая принципиальная
ТП 904-1-33-А-10 Блок управления БФХ-1545. Схема электрическая принципиальная
ТП 904-1-33-А-11 Блок управления БФХ-1569. Схема электрическая принципиальная
ТП 904-1-33-А-12 Блок управления БФХ-1580. Схема электрическая принципиальная
ТП 904-1-33-А-13 Блок управления БФХ-1580. Схема электрическая принципиальная
ТП 904-1-33-А-14 Блок управления БФХ-1581. Схема электрическая принципиальная
ТП 904-1-33-А-15 Блок управления БФХ-1581. Схема электрическая принципиальная
ТП 904-1-33-А-16 Блок управления БФХ-1582. Схема электрическая принципиальная
ТП 904-1-33-А-17 Блок управления БФХ-1583. Схема электрическая принципиальная
ТП 904-1-33-А-18 Блок управления БФХ-1584. Схема электрическая принципиальная
ТП 904-1-33-А-19 Блок управления БФХ-1584. Схема электрическая принципиальная
ТП 904-1-33-А-20 Блок управления БФХ-1585. Схема электрическая принципиальная
ТП 904-1-33-А-21 Блок управления БФХ-1603. Схема электрическая принципиальная
ТП 904-1-33-А-22 Блок управления БФХ-1625. Схема электрическая принципиальная
ТП 904-1-33-А-23 Схема стабилизации напряжения (БФХ-0301). Схема электрическая принципиальная
ТП 904-1-33-А-24 Ячейка управления ЯФХ-0097. Схема электрическая принципиальная (в блоке БФХ-0301)
ТП 904-1-33-А-25 Ячейка управления ЯФХ-0099. Схема электрическая принципиальная (в блоке БФХ-0301)
ТП 904-1-33-А-26 Ячейка управления ЯФХ-0098. Схема принципиальная
ТП 904-1-33-А-27 Ячейка управления ЯФХ-0100. Схема принципиальная
ТП 904-1-33-А-28 Ячейка управления ЯФХ-0912. Схема электрическая принципиальная
ТП 904-1-33-А-29 Ячейка управления ЯФХ-0913. Схема электрическая принципиальная
ТП 904-1-33-А-30 Ячейка управления ЯФХ-0914. Схема электрическая принципиальная
ТП 904-1-33-А-31 Ячейка управления ЯФХ-0916. Схема электрическая принципиальная
ТП 904-1-33-А-32 Ячейка управления ЯФХ-0959. Схема электрическая принципиальная
ТП 904-1-33-А-33 Ячейка управления ЯФХ-0872. Схема электрическая принципиальная
ТП 904-1-33-А-34 Функциональная схема таймера регулятора типа БФХ-1544
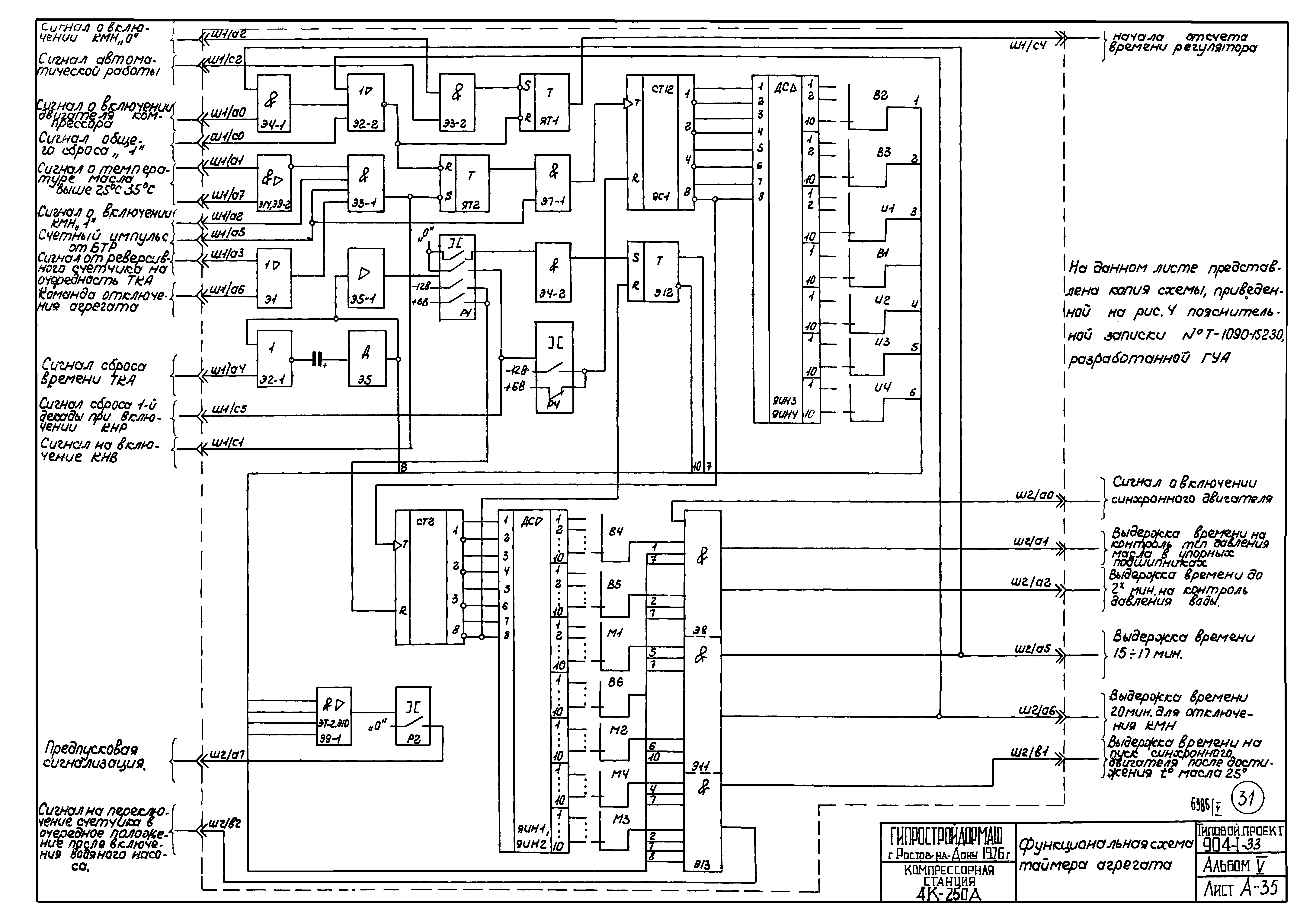
ТП 904-1-33-А-35 Функциональная схема таймера агрегата
ТП 904-1-33-А-36 Функциональная схема таймера блока задания программы БЗП типа БФХ 1545
ТП 904-1-33-А-37 Управление программой работы компрессорной станции. Схема электрическая принципиальная
ТП 904-1-33-А-38 Управление программой работы компрессорной станции. Схема электрическая принципиальная
ТП 904-1-33-А-39 Выбор головного агрегата. Схема электрическая принципиальная
ТП 904-1-33-А-40 Выбор конечного компрессорного агрегата. Схема электрическая принципиальная
ТП 904-1-33-А-41 Выбор конечного компрессорного агрегата. Схема электрическая принципиальная
ТП 904-1-33-А-42 Узел таймера регулятора. Схема электрическая принципиальная
ТП 904-1-33-А-43 Узел таймера регулятора. Схема электрическая принципиальная
ТП 904-1-33-А-44 Узел таймера регулятора. Схема электрическая принципиальная
ТП 904-1-33-А-45 Узел таймера регулятора. Схема электрическая принципиальная
ТП 904-1-33-А-46 Узел общего сброса регулятора. Схема электрическая принципиальная
ТП 904-1-33-А-47 Узел сброса схемы управления турбокомпрессорного агрегата. Схема электрическая принципиальная
ТП 904-1-33-А-48 Управление системой водяного охлаждения ТКА. Схема электрическая принципиальная
ТП 904-1-33-А-49 Управление системой водяного охлаждения ТКА. Схема электрическая принципиальная
ТП 904-1-33-А-50 Принципиальная схема управления катушками контакторов на постоянном токе
ТП 904-1-33-А-51 Принципиальная схема управления катушками контакторов на переменном токе
ТП 904-1-33-А-52 Управление пусковым маслонасосом. Схема электрическая принципиальная
ТП 904-1-33-А-53 Управление пусковым маслонасосом. Схема электрическая принципиальная
ТП 904-1-33-А-54 Управление вентилем подогрева масла
ТП 904-1-33-А-55 Управление вентилем аварийного слива масла из маслобака
ТП 904-1-33-А-56 Управление двигателем компрессора. Схема электрическая принципиальная
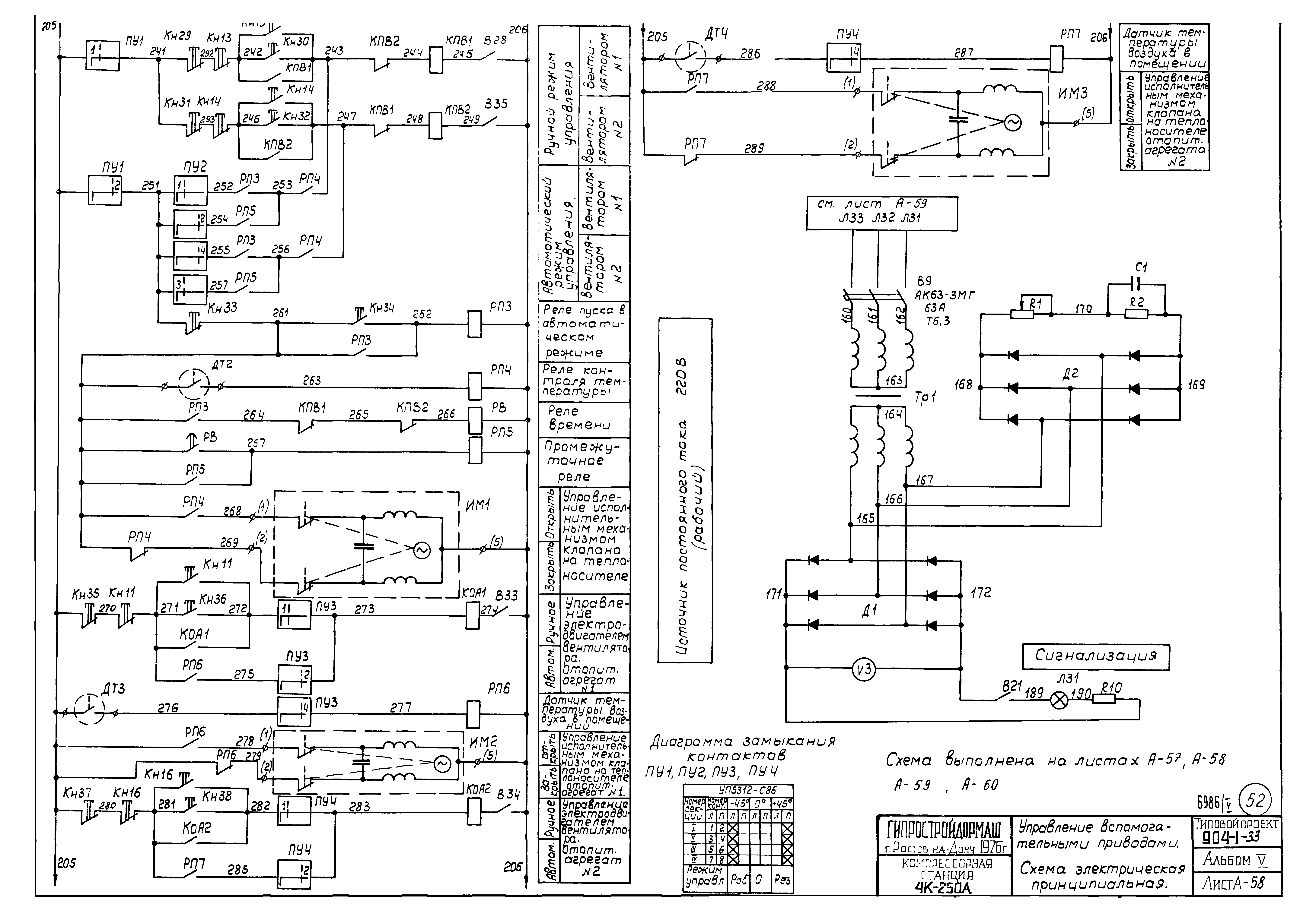
ТП 904-1-33-А-57 Управление вспомогательными приводами. Схема электрическая принципиальная
ТП 904-1-33-А-58 Управление вспомогательными приводами. Схема электрическая принципиальная
ТП 904-1-33-А-59 Управление вспомогательными приводами. Схема электрическая принципиальная
ТП 904-1-33-А-60 Управление вспомогательными приводами. Схема электрическая принципиальная
ТП 904-1-33-А-61 Узел сигнализации и контроля исправности сигнальных ламп. Схема электрическая принципиальная
ТП 904-1-33-А-62 Узел сигнализации и контроля исправности сигнальных ламп. Схема электрическая принципиальная
ТП 904-1-33-А-63 Узел сигнализации и контроля исправности сигнальных ламп. Схема электрическая принципиальная
ТП 904-1-33-А-64 Узел сигнализации и контроля исправности сигнальных ламп. Схема электрическая принципиальная
ТП 904-1-33-А-65 Разводка питания. Схема электрическая принципиальная
ТП 904-1-33-А-66 Разводка питания. Схема электрическая принципиальная
ТП 904-1-33-А-67 Управление производительностью турбокомпрессорного агрегата. Схема электрическая принципиальная
ТП 904-1-33-А-68 Управление производительностью турбокомпрессорного агрегата. Схема электрическая принципиальная
ТП 904-1-33-А-69 Управление производительностью турбокомпрессорного агрегата. Схема электрическая принципиальная
ТП 904-1-33-А-70 Узел теплотехнического контроля. Схема электрическая принципиальная
ТП 904-1-33-А-71 Узел теплотехнического контроля. Схема электрическая принципиальная
ТП 904-1-33-А-72 Узел теплотехнического контроля. Схема электрическая принципиальная
ТП 904-1-33-А-73 Шкаф управления компрессорным агрегатом типа ШЭС 9102-53А3. ШЭС 8503-00А2. Сборочный чертеж
ТП 904-1-33-А-74 Шкаф управления компрессорным агрегатом типа ШЭС 9102-53А3. ШЭС 8503-00А2. Сборочный чертеж
ТП 904-1-33-А-75 Шкаф управления компрессорным агрегатом типа ШЭС 9102-53А3. ШЭС 8503-00А2. Сборочный чертеж
ТП 904-1-33-А-76 Щит управления ШЭС 9102-53А3. Схема принципиальная
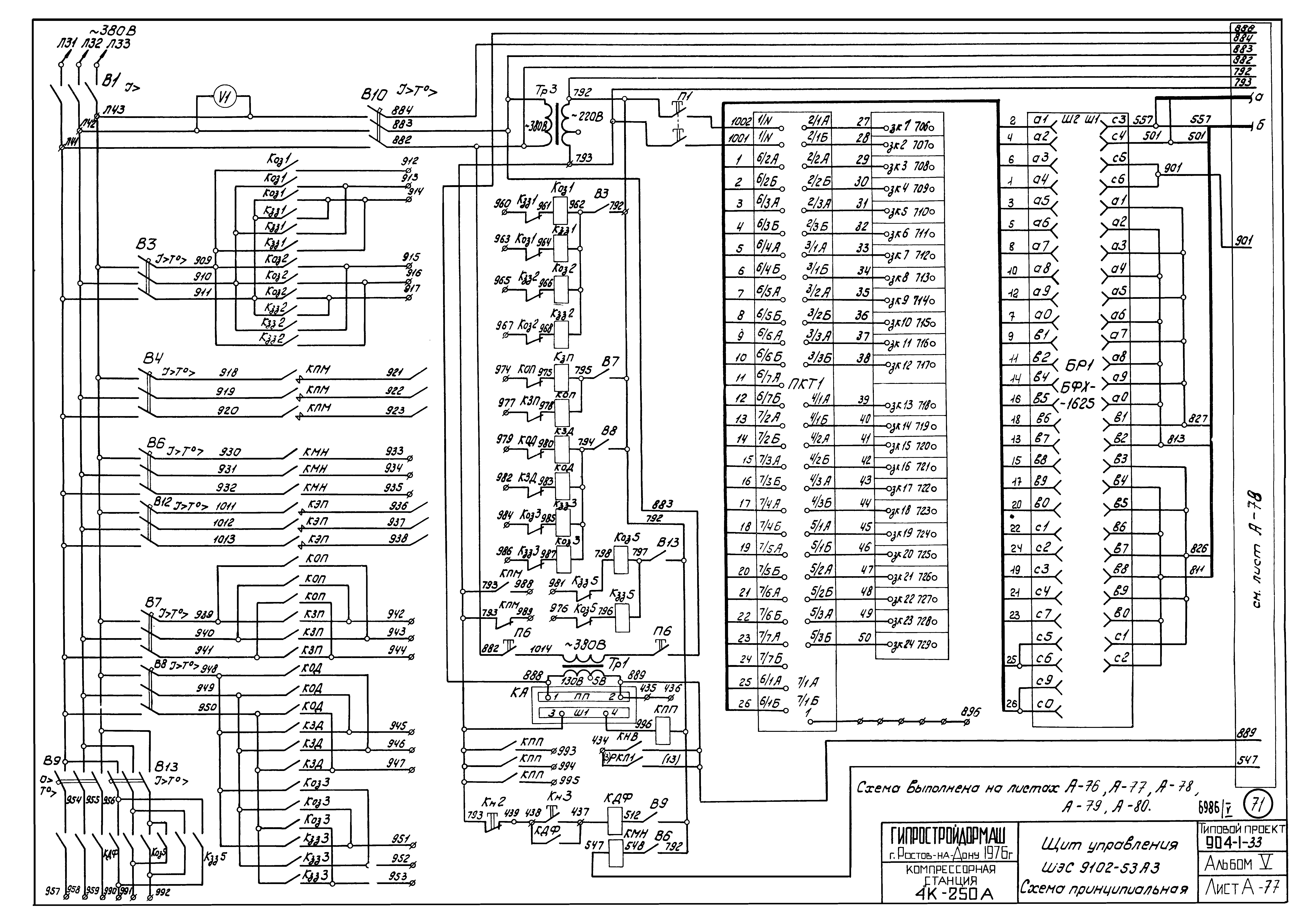
ТП 904-1-33-А-77 Щит управления ШЭС 9102-53А3. Схема принципиальная
ТП 904-1-33-А-78 Щит управления ШЭС 9102-53А3. Схема принципиальная
ТП 904-1-33-А-79 Щит управления ШЭС 9102-53А3. Схема принципиальная
ТП 904-1-33-А-80 Щит управления ШЭС 9102-53А3. Схема принципиальная
ТП 904-1-33-А-81 Шкаф управления (манометров) типа ШЭС 8503-00А2. Схема электрическая принципиальная
ТП 904-1-33-А-82 Пульт управления типа ШЭС9006-00А2. Сборочный чертеж
ТП 904-1-33-А-83 Пульт управления типа ШЭС9006-00А2. . Схема принципиальная
ТП 904-1-33-А-84 Шкаф управления (регулирования) типа ШЭС8801-00А3. Сборочный чертеж
ТП 904-1-33-А-85 Шкаф управления (регулирования) типа ШЭС8801-00А3. Схема электрическая принципиальная
ТП 904-1-33-А-86 Шкаф управления (регулирования) типа ШЭС8801-00А3. Схема электрическая принципиальная
ТП 904-1-33-А-87 Шкаф управления (регулирования) типа ШЭС8801-00А3. Схема электрическая принципиальная
ТП 904-1-33-А-88 Компрессорный агрегат. Схема внешних электрических и трубных проводок
ТП 904-1-33-А-89 Компрессорный агрегат. Схема внешних электрических и трубных проводок
ТП 904-1-33-А-90 Компрессорный агрегат. Схема внешних электрических и трубных проводок
ТП 904-1-33-А-91 Компрессорный агрегат. Схема внешних электрических и трубных проводок
ТП 904-1-33-А-92 Компрессорный агрегат. Схема внешних электрических и трубных проводок
ТП 904-1-33-А-93 Компрессорный агрегат. Схема внешних электрических и трубных проводок
ТП 904-1-33-А-94 Компрессорная станция. Схема внешних электрических и трубных проводок
ТП 904-1-33-А-95 Компрессорная станция. Схема внешних электрических и трубных проводок
ТП 904-1-33-А-96 Вентиляционные и отопительные установки. Схема внешних электрических и трубных проводок
ТП 904-1-33-А-97 Вентиляционные и отопительные установки. Схема внешних электрических и трубных проводок
ТП 904-1-33-А-98 Компрессорная станция. Журнал кабельных проводок
ТП 904-1-33-А-99 Компрессорная станция. Журнал кабельных проводок
ТП 904-1-33-А-100 Компрессорная станция. Журнал кабельных проводок
ТП 904-1-33-А-101 Компрессорная станция. Журнал кабельных проводок
ТП 904-1-33-А-102 Компрессорная станция. Журнал кабельных проводок
ТП 904-1-33-А-103 Компрессорная станция. Журнал кабельных проводок
ТП 904-1-33-А-104 Компрессорная станция. Журнал кабельных проводок
ТП 904-1-33-А-105 Компрессорная станция. Журнал кабельных проводок
ТП 904-1-33-А-106 Компрессорная станция. Журнал кабельных проводок
ТП 904-1-33-А-107 Компрессорная станция. Журнал импульсных проводок
ТП 904-1-33-А-108 Компрессорная станция. Журнал импульсных проводок
ТП 904-1-33-А-109 Вентиляционные и отопительные установки. Журнал кабельных проводок
ТП 904-1-33-А-110 План расположения средств автоматизации и проводок М1:100
ТП 904-1-33-А-111 План расположения средств автоматизации и проводок М1:101
ТП 904-1-33-А-112 План расположения средств автоматизации и проводок М1:102
ТП 904-1-33-А-113 План расположения средств автоматизации и проводок М1:103
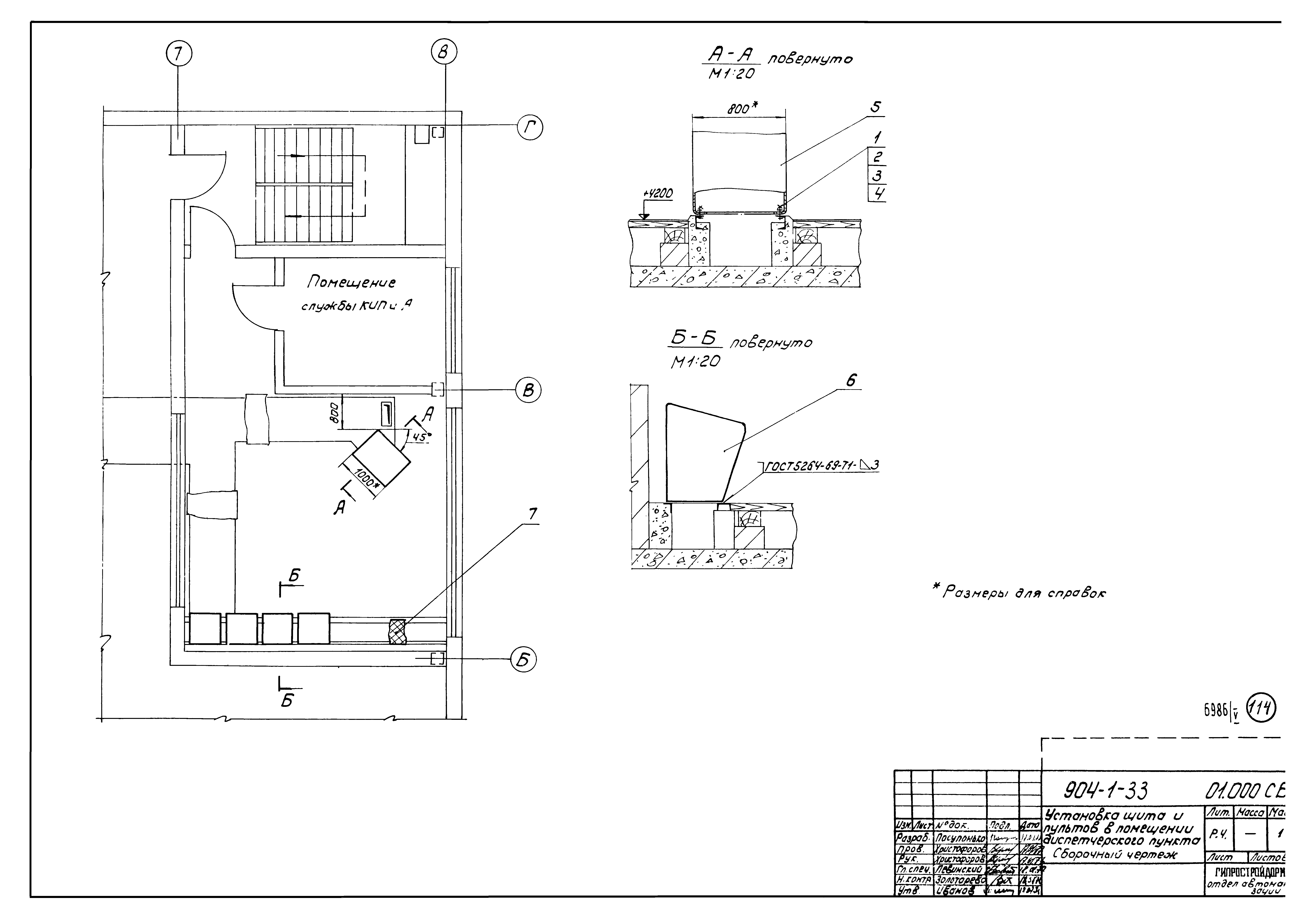
ТП 904-1-33-А-114 План расположения средств автоматизации и проводок М1:104
ТП 904-1-33-А-115 План расположения средств автоматизации и проводок М1:105
ТП 904-1-33-А-116 План расположения средств автоматизации и проводок М1:106
ТП 904-1-33-А-117 План расположения средств автоматизации и проводок М1:107
ТП 904-1-33-01.000 Установка щита и пультов в помещении диспетчерского пункта
ТП 904-1-33-02.000 Установка первичных преобразователей давления типа ППД22012 на стойках
ТП 904-1-33-02.100 Стойка
ТП 904-1-33-03.000 Установка ревуна типа РВП-220 на стене
ТП 904-1-33-04.000 Установка поста управления типа ПКУ на стене
ТП 904-1-33-05.000 Установка кнопочного поста управления ПКЕ222-2 на стене
ТП 904-1-33-06.000 Установка термобаллона датчика-реле температуры ТР-16 на стене
ТП 904-1-33-01.000 СБ Установка щита и пультов в помещении диспетчерского пункта. Сборочный чертеж
ТП 904-1-33-02.100 СБ Стойка. Сборочный чертеж
ТП 904-1-33-02.000 СБ Установка первичных преобразователей давления типа ППД22012 на стойке. Сборочный чертеж
ТП 904-1-33-03.000 СБ Установка ревуна типа РВП-220 на стене. Сборочный чертеж
ТП 904-1-33-04.000 СБ Установка поста управления типа ПКУ на стене. Сборочный чертеж
ТП 904-1-33-05.000 СБ Установка кнопочного поста управления ПКЕ222-2 на стене. Сборочный чертеж
ТП 904-1-33-06.000 СБ Установка термобаллона датчика-реле температуры ТР-16 на стене. Сборочный чертеж
ТП 904-1-33-09.000 Пост местного управления ПКУ1. Эскиз лицевой панели поста
ТП 904-1-33-10.000 Пост местного управления ПКЕ222-2. Эскиз лицевой панели поста
ТП 904-1-33-08.000 Установка звонка с лампой типа ЗВЛФ22ОУ на стене
ТП 904-1-33-08.000 СБ Установка звонка с лампой типа ЗВЛФ22ОУ на стене. Сборочный чертеж
Разработан: Гипростройдормаш
Утверждён:29.11.1976 Минстройдормаш (Minstroydormash 39/76)
Расположен в:Техническая документация Строительство Справочные документы Типовые строительные конструкции, изделия и узлы Общероссийский строительный каталог Промышленные предприятия, здания и сооружения Здания и сооружения санитарно-технические Воздухоснабжение, вентиляция и кондиционирование воздуха Воздухоснабжение
Типовой проект 904-1-33Типовой проект 904-1-33Типовой проект 904-1-33Типовой проект 904-1-33Типовой проект 904-1-33Типовой проект 904-1-33Типовой проект 904-1-33Типовой проект 904-1-33Типовой проект 904-1-33Типовой проект 904-1-33Типовой проект 904-1-33Типовой проект 904-1-33Типовой проект 904-1-33Типовой проект 904-1-33Типовой проект 904-1-33Типовой проект 904-1-33Типовой проект 904-1-33Типовой проект 904-1-33Типовой проект 904-1-33Типовой проект 904-1-33Типовой проект 904-1-33Типовой проект 904-1-33Типовой проект 904-1-33Типовой проект 904-1-33Типовой проект 904-1-33Типовой проект 904-1-33Типовой проект 904-1-33Типовой проект 904-1-33Типовой проект 904-1-33Типовой проект 904-1-33Типовой проект 904-1-33Типовой проект 904-1-33Типовой проект 904-1-33Типовой проект 904-1-33Типовой проект 904-1-33Типовой проект 904-1-33Типовой проект 904-1-33Типовой проект 904-1-33Типовой проект 904-1-33Типовой проект 904-1-33Типовой проект 904-1-33Типовой проект 904-1-33Типовой проект 904-1-33Типовой проект 904-1-33Типовой проект 904-1-33Типовой проект 904-1-33Типовой проект 904-1-33Типовой проект 904-1-33Типовой проект 904-1-33Типовой проект 904-1-33Типовой проект 904-1-33Типовой проект 904-1-33Типовой проект 904-1-33Типовой проект 904-1-33Типовой проект 904-1-33Типовой проект 904-1-33Типовой проект 904-1-33Типовой проект 904-1-33Типовой проект 904-1-33Типовой проект 904-1-33Типовой проект 904-1-33Типовой проект 904-1-33Типовой проект 904-1-33Типовой проект 904-1-33Типовой проект 904-1-33Типовой проект 904-1-33Типовой проект 904-1-33Типовой проект 904-1-33Типовой проект 904-1-33Типовой проект 904-1-33Типовой проект 904-1-33Типовой проект 904-1-33Типовой проект 904-1-33Типовой проект 904-1-33Типовой проект 904-1-33Типовой проект 904-1-33Типовой проект 904-1-33Типовой проект 904-1-33Типовой проект 904-1-33Типовой проект 904-1-33Типовой проект 904-1-33Типовой проект 904-1-33Типовой проект 904-1-33Типовой проект 904-1-33Типовой проект 904-1-33Типовой проект 904-1-33Типовой проект 904-1-33Типовой проект 904-1-33Типовой проект 904-1-33Типовой проект 904-1-33Типовой проект 904-1-33Типовой проект 904-1-33Типовой проект 904-1-33Типовой проект 904-1-33Типовой проект 904-1-33Типовой проект 904-1-33Типовой проект 904-1-33Типовой проект 904-1-33Типовой проект 904-1-33Типовой проект 904-1-33Типовой проект 904-1-33Типовой проект 904-1-33Типовой проект 904-1-33Типовой проект 904-1-33Типовой проект 904-1-33Типовой проект 904-1-33Типовой проект 904-1-33Типовой проект 904-1-33Типовой проект 904-1-33Типовой проект 904-1-33Типовой проект 904-1-33Типовой проект 904-1-33Типовой проект 904-1-33Типовой проект 904-1-33Типовой проект 904-1-33Типовой проект 904-1-33Типовой проект 904-1-33Типовой проект 904-1-33Типовой проект 904-1-33

© 2013 Ёшкин Кот :-) Карта сайта