Скачать Типовой проект 904-1-39 Альбом XII. Вариант 2. Технологическая, электротехническая части, автоматизация и КИП. ЗаданияДата актуализации: 10.08.2017 Типовой проект 904-1-39
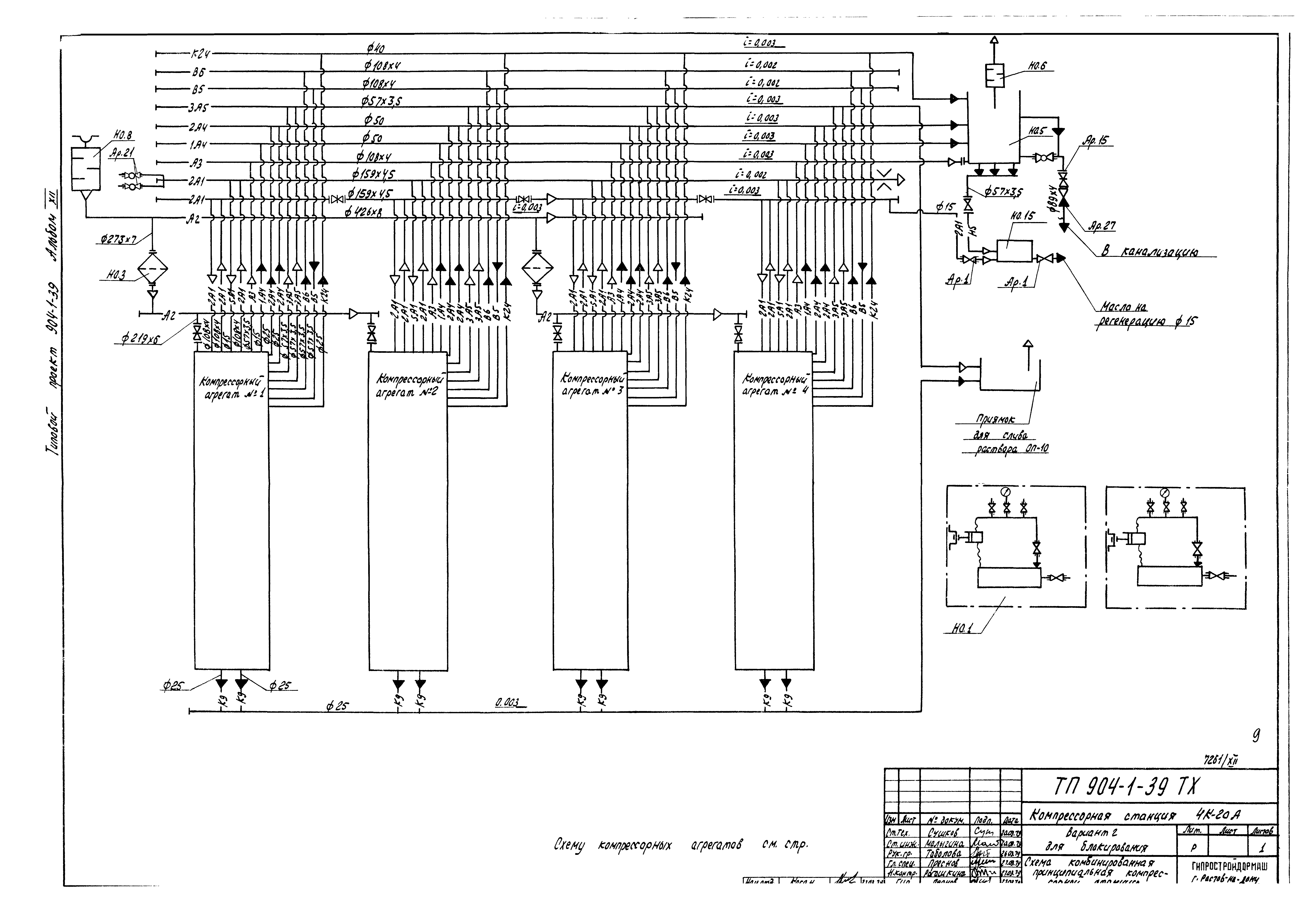
Альбом XII. Вариант 2. Технологическая, электротехническая части, автоматизация и КИП. ЗаданияОбозначение: | Типовой проект 904-1-39 | Обозначение англ: | 904-1-39 | Статус: | не действует | Название рус.: | Альбом XII. Вариант 2. Технологическая, электротехническая части, автоматизация и КИП. Задания | Дата добавления в базу: | 01.09.2013 | Дата актуализации: | 05.05.2017 | Дата введения: | 01.05.1982 | Оглавление: | ТП 904-1-39 Обложка ТП 904-1-39 Титульный лист ТП 904-1-39-ТХ Содержание ТП 904-1-39-ТХ Пояснительная записка ТП 904-1-39-ТХ Компоновка оборудования ТП 904-1-39-ТХ Спецификация оборудования и арматуры ТП 904-1-39-ТХ Схема комбинированная принципиальная агрегата ТП 904-1-39-ТХ Схема комбинированная принципиальная компрессорной станции ТП 904-1-39-ТХ Условные обозначения ТП 904-1-39-ТХ Монтажный чертеж трубопроводов ТП 904-1-39-ТХ Установочный чертеж компрессорного агрегата 103ВП20/8 ТП 904-1-39-ТХ Установочный чертеж концевого холодильника ХРК-9/8 ТП 904-1-39-ТХ Установочный чертеж воздухосборника В-3.2 ТП 904-1-39-ТХ Ведомость объемов работ ТП 904-1-39-ТХ Задание на строительную часть ТП 904-1-39-ТХ Задание на ОВ и ВК ТП 904-1-39-Э Электротехническая часть ТП 904-1-39-Э Содержание и пояснительная записка ТП 904-1-39-Э Трансформаторная подстанция КТПН(КТП). Принципиальная однолинейная схема ТП 904-1-39-Э Шкафы распределительные 1ШР,2ШР. Расчетная схема ТП 904-1-39-Э Кабельный журнал ТП 904-1-39-Э План расположения оборудования на отм. 0.000. Разводка кабелей. Разрезы ТП 904-1-39-Э Схема подключения компрессорного агрегата ТП 904-1-39-Э Трансформаторная подстанция КТПН(КТП). Установка ТП 904-1-39-Э Щиты управления 1ЩУ-4ЩУ. Установка ТП 904-1-39-Э Шкафы распределительные 1ШР,2ШР. Установка ТП 904-1-39-Э Трансформаторная подстанция КТПН(КТП). Строительное задание ТП 904-1-39-Э Щиты управления 1ЩУ-4ЩУ. Строительное задание ТП 904-1-39-Э Шкафы распределения 1ШР,2ШР. Строительное задание ТП 904-1-39-Э Строительное задание на кабельные каналы и установку щитов ТП 904-1-39-А Автоматизация и КИП ТП 904-1-39-А Содержание альбома ТП 904-1-39-А Пояснительная записка ТП 904-1-39-А Компрессорный агрегат. Схема внешних проводок ТП 904-1-39-А План расположения ТП 904-1-39-А Журнал кабельных проводок ТП 904-1-39-А Журнал импульсных проводок ТП 904-1-39-А Помещение оператора. Строительное задание | Разработан: | Гипростройдормаш
| Утверждён: | 30.03.1978 Минстройдормаш (Minstroydormash 7/78)
| Расположен в: |
| Чем заменён: | |
                                         
|