| ||||||||||||||||||||||||||
Скачать Типовые материалы для проектирования 904-02-39.89 Альбом I. Принципиальные решения и рекомендации по применениюДата актуализации: 10.08.2017
|
| Обозначение: | Типовые материалы для проектирования 904-02-39.89 |
| Обозначение англ: | 904-02-39.89 |
| Статус: | cправочные материалы, мп, тпр |
| Название рус.: | Альбом I. Принципиальные решения и рекомендации по применению |
| Дата добавления в базу: | 01.09.2013 |
| Дата актуализации: | 05.05.2017 |
| Дата введения: | 26.01.1989 |
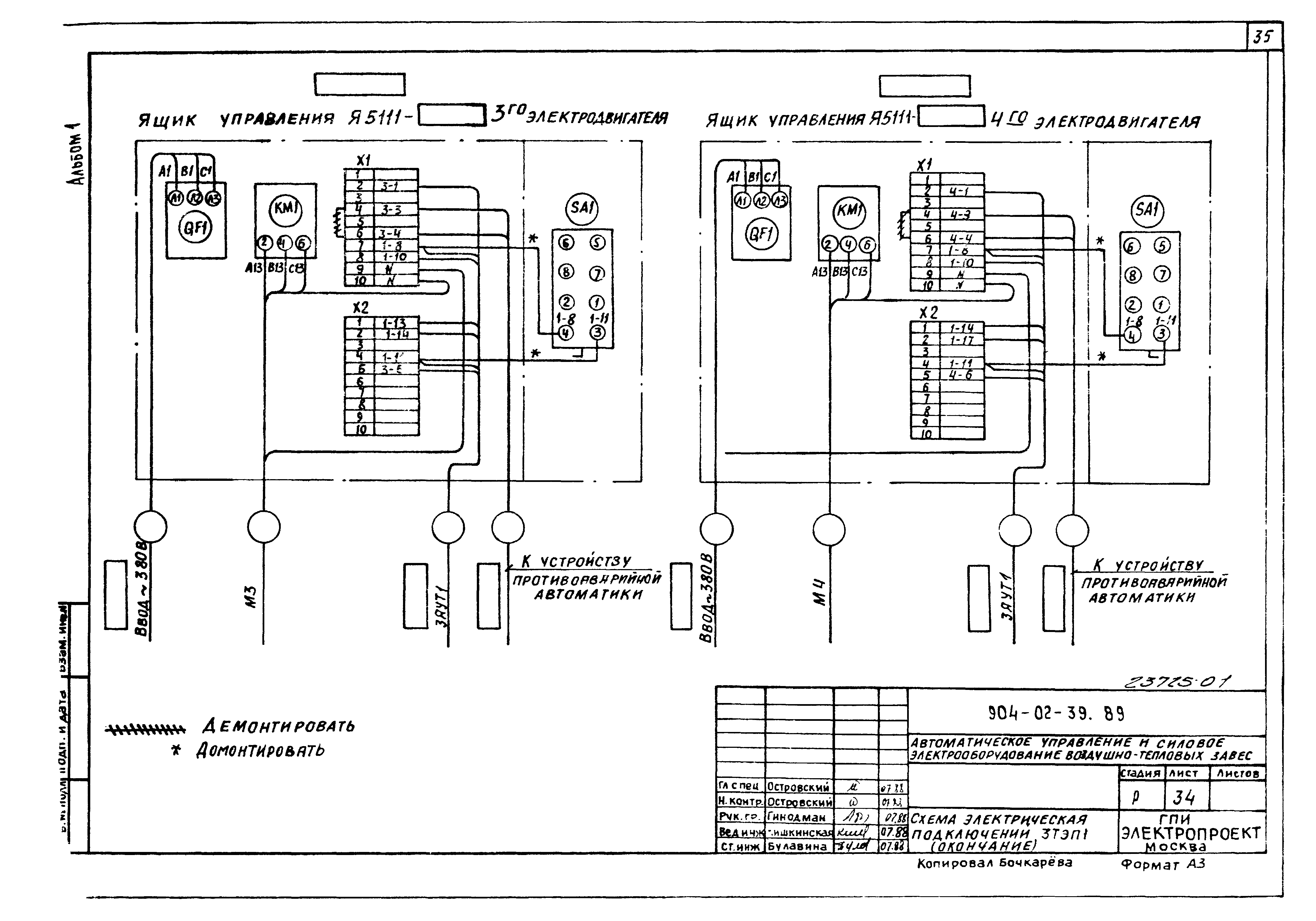
| Оглавление: | ТП 904-02-39.89 Общие данные ТП 904-02-39.89 Пояснительная записка ТП 904-02-39.89 Задание на проектирование. Форма ТП 904-02-39.89 Рекомендации по применению ТП 904-02-39.89 Схема автоматизации 1 ТФ ТП 904-02-39.89 Схема электрическая принципиальная 1ТЭ1 ТП 904-02-39.89 Схема электрическая принципиальная 1ТЭ2 ТП 904-02-39.89 Схема электрическая подключений 1ТЭП1 ТП 904-02-39.89 Схема электрическая подключений 1ТЭП2 ТП 904-02-39.89 Схема электрическая принципиальная 2ТЭ1 ТП 904-02-39.89 Схема электрическая принципиальная 2ТЭ2 ТП 904-02-39.89 Схема электрическая подключений 2ТЭП1 ТП 904-02-39.89 Схема электрическая подключений 2ТЭП2 ТП 904-02-39.89 Схема автоматизации 2ТФ ТП 904-02-39.89 Схема электрическая принципиальная 3ТЭ1 ТП 904-02-39.89 Схема электрическая принципиальная 3ТЭ2 ТП 904-02-39.89 Схема электрическая подключений 3ТЭП1 ТП 904-02-39.89 Схема электрическая подключений 3ТЭП2 ТП 904-02-39.89 Схема соединений внешних проводок СВП |
| Разработан: | ГПИ Электропроект |
| Утверждён: | 26.01.1989 Госстрой СССР (Государственный комитет Совета Министров СССР по делам строительства) (USSR Gosstroy 8) |
| Расположен в: |







































