Информационная система
«Ёшкин Кот»

Скачать базу одним архивом
Скачать обновления
История создания базы
Карта сайта

Скачать Типовой проект 903-1-223.86 Альбом 7. Часть 2. Архитектурные решения. Конструкции железобетонные. Конструкции металлические

Дата актуализации: 10.08.2017

Типовой проект 903-1-223.86

Альбом 7. Часть 2. Архитектурные решения. Конструкции железобетонные. Конструкции металлические

Обозначение: Типовой проект 903-1-223.86
Обозначение англ: 903-1-223.86
Статус:не определен законодательством
Название рус.:Альбом 7. Часть 2. Архитектурные решения. Конструкции железобетонные. Конструкции металлические
Дата добавления в базу:01.09.2013
Дата актуализации:05.05.2017
Дата введения:18.12.1985
Оглавление:ТП 903-1-223.86-КЖ Схемы расположения колонн и балок покрытия
ТП 903-1-223.86-КЖ Сечения 1-1÷6-6 к листу 11
ТП 903-1-223.86-КЖ Схема расположения плит покрытия
ТП 903-1-223.86-КЖ Схема расположения плит покрытия. Сечения. Узлы
ТП 903-1-223.86-КЖ Схема расположения плит перекрытия на отм. 3.250
ТП 903-1-223.86-КЖ Вариант с ленточным конвейером. Схема расположения плит перекрытия на отм. 7.200
ТП 903-1-223.86-КЖ Вариант со скребковыми конвейерами. Схема расположения плит перекрытия на отм. 7.200
ТП 903-1-223.86-КЖ Монолитные участки перекрытия УМ2;УМ3. Опорные подушки ОПм1,ОПм2
ТП 903-1-223.86-КЖ Вариант с ленточным конвейером. Монолитные участки УМ1;УМ1а;УМ5
ТП 903-1-223.86-КЖ Вариант с ленточным конвейером. Монолитный участок УМ6
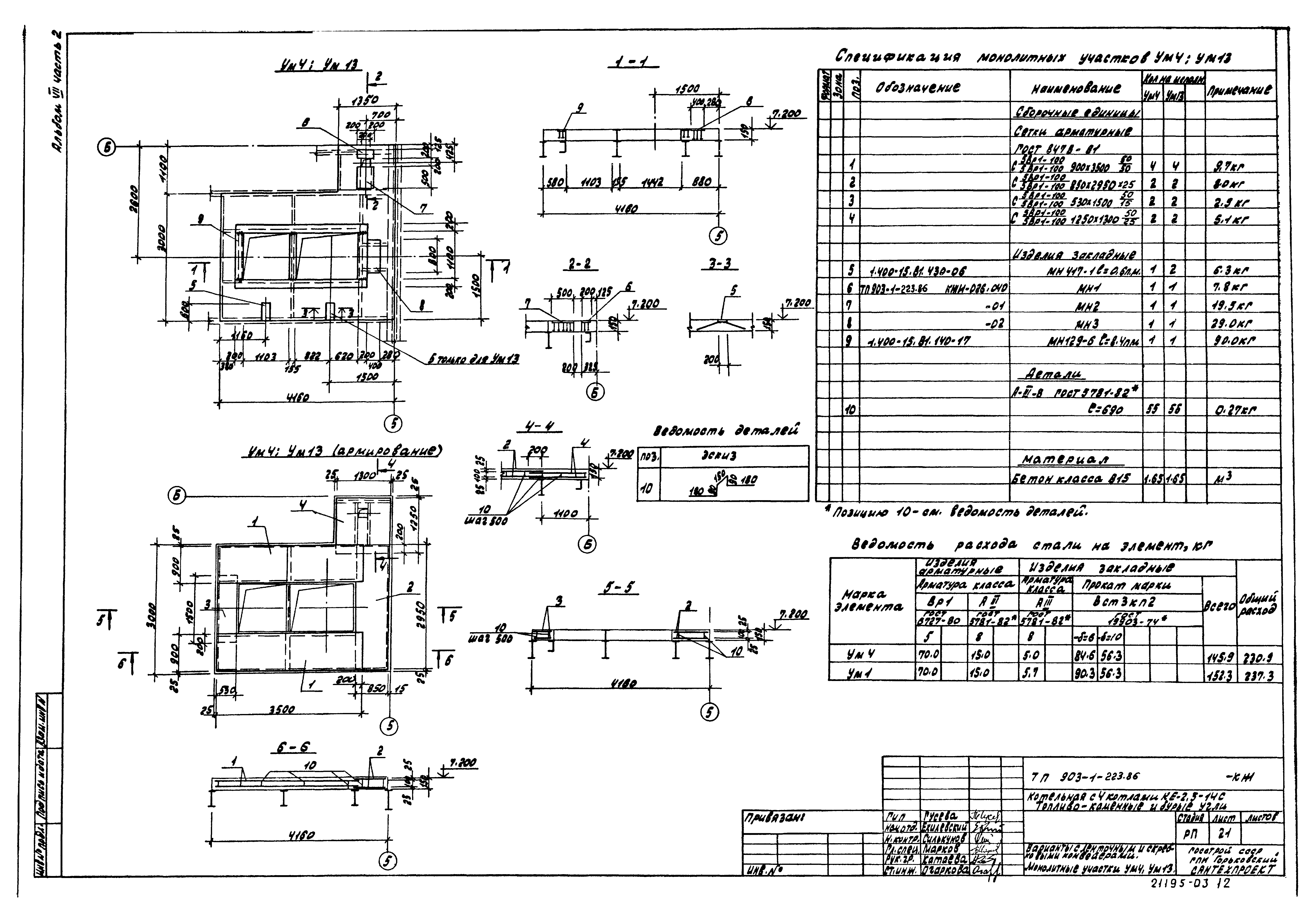
ТП 903-1-223.86-КЖ Вариант с ленточным и скребковым конвейерами. Монолитные участки УМ4;УМ13
ТП 903-1-223.86-КЖ Вариант с ленточным и скребковым конвейерами. Монолитные участки УМ7-УМ10
ТП 903-1-223.86-КЖ Вариант с ленточным и скребковым конвейерами. Монолитные участки УМ11;УМ12;УМ16;УМ17
ТП 903-1-223.86-КЖ Вариант со скребковыми конвейерами. Монолитные участки УМ14,УМ14а,УМ15
ТП 903-1-223.86-КЖ Схемы расположения стеновых панелей
ТП 903-1-223.86-КЖ Схемы расположения стеновых панелей. Фрагменты 1-14
ТП 903-1-223.86-КЖ Схемы расположения стеновых панелей. Фрагменты 15-37. Узел 1
ТП 903-1-223.86-КЖ Схемы расположения стеновых панелей. Спецификация (начало)
ТП 903-1-223.86-КЖ Схемы расположения стеновых панелей. Спецификация (окончание)
ТП 903-1-223.86-КЖ Схемы расположения асбестоцементных панелей
ТП 903-1-223.86-КЖ Схемы расположения панелей перегородок. Сечения 1-1÷6-6
ТП 903-1-223.86-КЖ Схемы расположения панелей перегородок. Узлы 8,9
ТП 903-1-223.86-КЖ Схемы расположения панелей перегородок. Сечения 7-7÷18-18
ТП 903-1-223.86-КЖ Схемы расположения панелей перегородок. Узлы 1-7
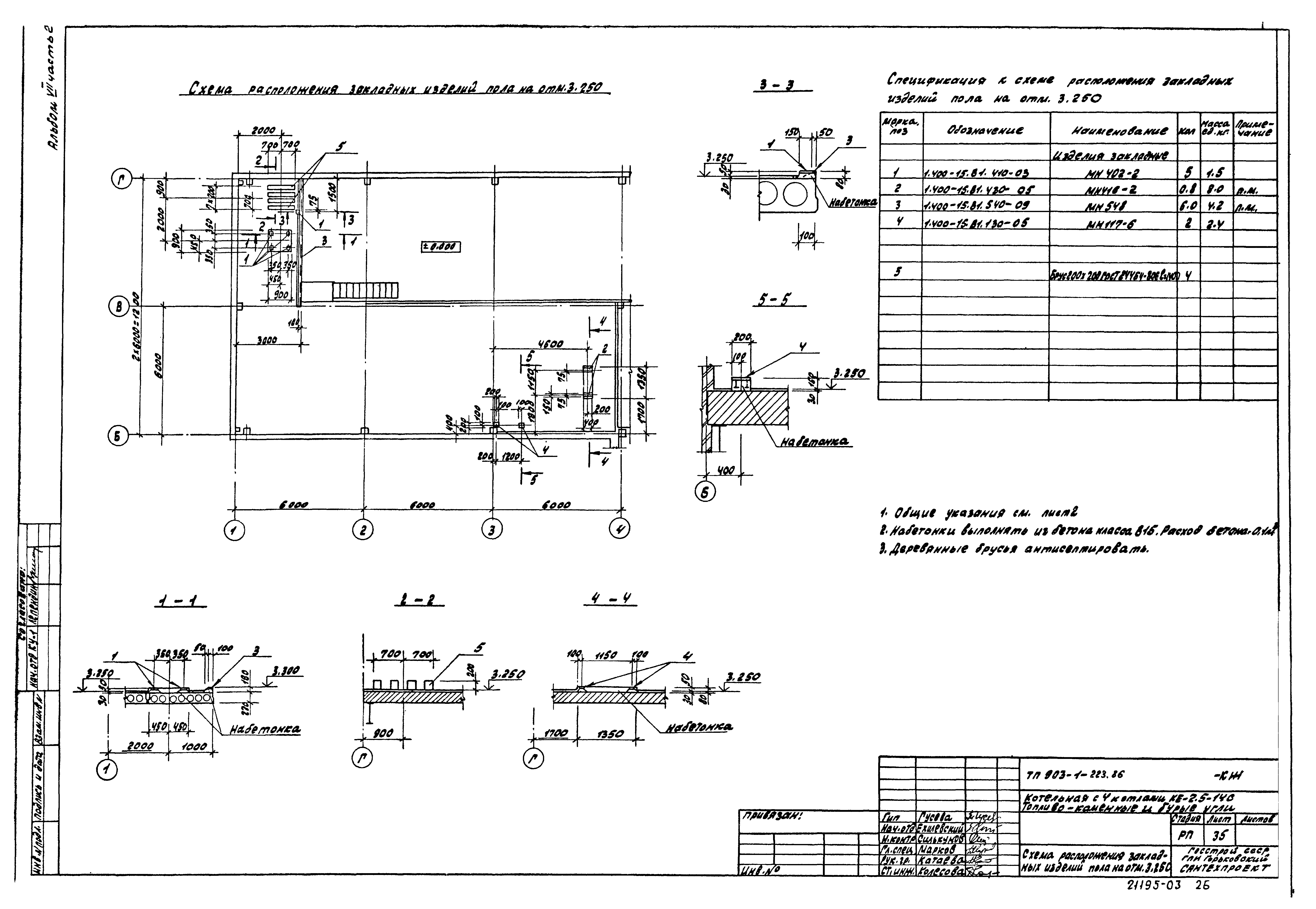
ТП 903-1-223.86-КЖ Схемы расположения закладных изделий пола на отм. 3.200
ТП 903-1-223.86-КЖ Схемы расположения фундаментов под оборудование, каналов, приямков и закладных изделий (топливо-каменные угли)
ТП 903-1-223.86-КЖ Схемы расположения фундаментов под оборудование, каналов, приямков и закладных изделий (топливо-бурые угли)
ТП 903-1-223.86-КЖ Подземное хозяйство котельной. Схема расположения элементов перекрытия канала в осях 1-4. Фрагмент плана 1. Узлы 1-3
ТП 903-1-223.86-КЖ Подземное хозяйство котельной. Сечения 1-1÷13-13
ТП 903-1-223.86-КЖ Подземное хозяйство котельной. Спецификация элементов к листам 36-39
ТП 903-1-223.86-КЖ Фундамент под котел ФОМ1. Опалубка
ТП 903-1-223.86-КЖ Фундамент под котел ФОМ1. Армирование. Схема расположения плит перекрытия. Узлы 1,2
ТП 903-1-223.86-КЖ Подземное хозяйство котельной. Фундаменты под оборудование ФОМ2-ФОМ4. Опорные подушки ОПм3-ОПм5
ТП 903-1-223.86-КЖ Подземное хозяйство котельной. Приямки ПРм1,ПРм2
ТП 903-1-223.86-КЖ Канал шлакоудаления ДТм1. План. Сечения 1-1;5-5;6-6
ТП 903-1-223.86-КЖ Канал шлакоудаления ДТм1. План. Сечения 2-2÷4-4. Узлы
ТП 903-1-223.86-КЖ Канал шлакоудаления ДТм1. Схема армирования
ТП 903-1-223.86-КЖ Подземное хозяйство (наружное). Схема расположения каналов и фундаментов под оборудование.
ТП 903-1-223.86-КЖ Подземное хозяйство (наружное). Сечения 1-1÷10-10
ТП 903-1-223.86-КЖ Схема расположения газоходов
ТП 903-1-223.86-КЖ Подземное хозяйство (наружное). Фундамент ФОм11. Схема расположения фундаментов под лестницы
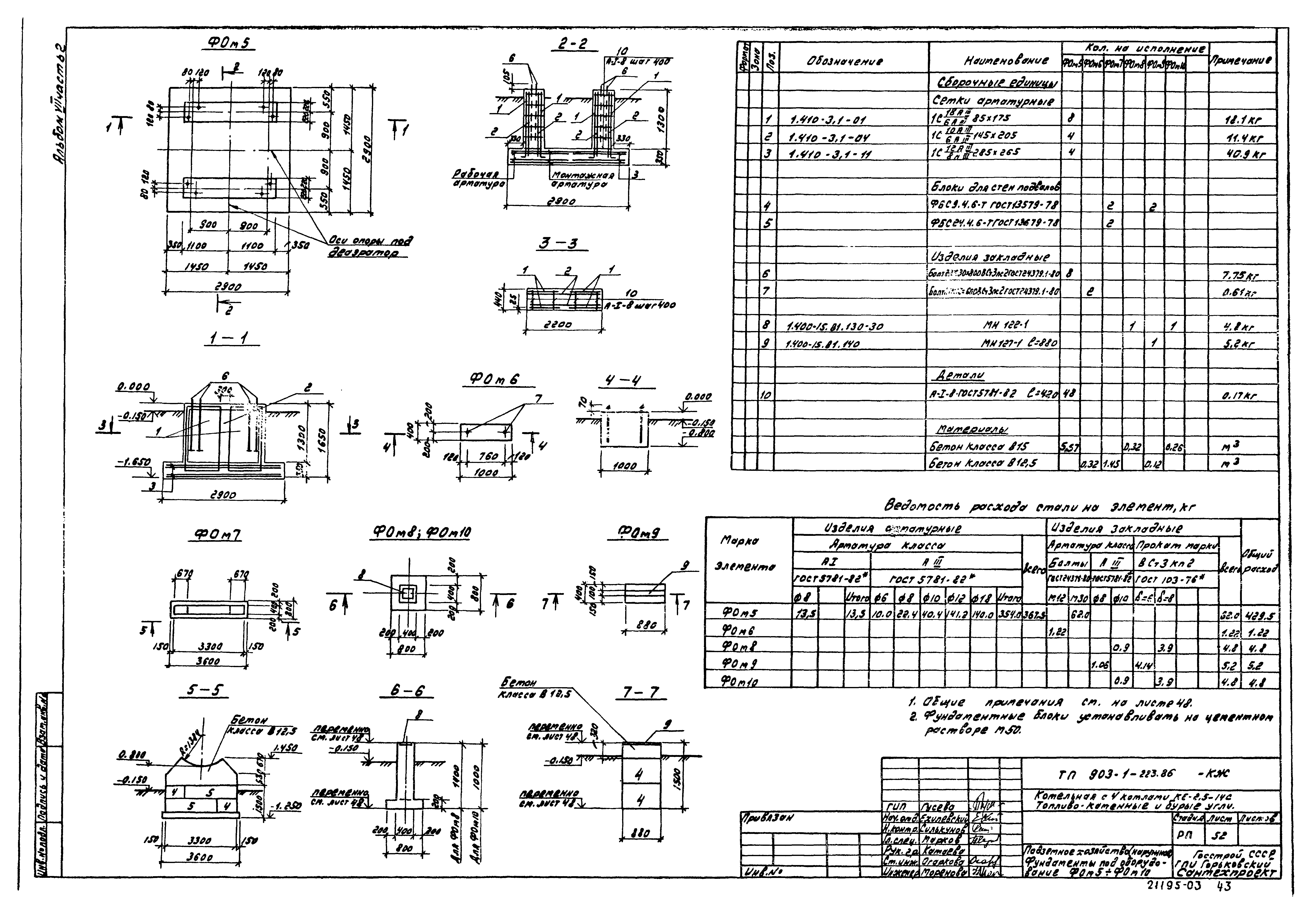
ТП 903-1-223.86-КЖ Подземное хозяйство (наружное). Фундаменты под оборудование ФОм5-ФОм10
ТП 903-1-223.86-КЖ Продувочный колодец
ТП 903-1-223.86-КЖ Склад мокрого хранения соли. План. Разрезы
ТП 903-1-223.86-КЖ Склад мокрого хранения соли. Фасады. План кровли. Схема расположения элементов покрытия
ТП 903-1-223.86-КЖ Склад мокрого хранения соли. Пояс ПЖ1. Плита ПМ1. Армирование
ТП 903-1-223.86-КЖ Склад мокрого хранения соли. Схемы расположения стеновых блоков
ТП 903-1-223.86-КЖ Вариант с ленточным конвейером. Приемно-дробильное устройство. Планы. Сечение 1-1
ТП 903-1-223.86-КЖ Вариант с ленточным конвейером. Приемно-дробильное устройство. Сечения 2-2÷6-6. Узлы 1-6
ТП 903-1-223.86-КЖ Вариант с ленточным конвейером. Приемно-дробильное устройство. Схемы расчетных нагрузок
ТП 903-1-223.86-КЖ Вариант с ленточным конвейером. Приемно-дробильное устройство РЕМ1. Схема армирования
ТП 903-1-223.86-КЖ Вариант с ленточным конвейером. Приемно-дробильное устройство РЕМ1. Схема расположения выпусков из стен
ТП 903-1-223.86-КЖ Вариант с ленточным конвейером. Приемно-дробильное устройство РЕМ1. Узлы 7-8
ТП 903-1-223.86-КЖ Вариант с ленточным конвейером. Приемно-дробильное устройство РКМ1 перекрытия на отм. -2.550. Блоки БМ1-БМ5
ТП 903-1-223.86-КЖ Вариант с ленточным конвейером. Приемно-дробильное устройство РКМ1 перекрытия на отм. -2.550. Схема армирования плиты ПМ1
ТП 903-1-223.86-КЖ Вариант с ленточным конвейером. Приемно-дробильное устройство РКМ2 перекрытия на отм. 0.500. Плита ПМ2. Балка БМ6
ТП 903-1-223.86-КЖ Вариант с ленточным конвейером. Приемно-дробильное устройство РКМ2 перекрытия на отм. 0.500. Балки БМ7-БМ9
ТП 903-1-223.86-КЖ Вариант с ленточным конвейером. Галерея. Подземная часть. Схема расположения элементов фундаментов и подпорных стенок
ТП 903-1-223.86-КЖ Вариант с ленточным конвейером. Галерея. Подземная часть. Разрезы 1-1÷7-7
ТП 903-1-223.86-КЖ Вариант с ленточным конвейером. Галерея. Подземная часть. Фундаменты ФМ1;ФМ2
ТП 903-1-223.86-КЖ Вариант с ленточным конвейером. Галерея. Подземная часть. Схема расположения плит покрытия и подвесок
ТП 903-1-223.86-КЖ Вариант с ленточным конвейером. Галерея. Схема расположения плит перекрытия опорных подушек
ТП 903-1-223.86-КЖ Вариант с ленточным конвейером. Галерея. Схема расположения стеновых блоков и асбестоцементных панелей
ТП 903-1-223.86-КЖ Вариант с скребковым конвейерами. Приемно-дробильное устройство. Планы. Сечения 1-1÷4-4
ТП 903-1-223.86-КЖ Вариант с скребковым конвейерами. Приемно-дробильное устройство. Узлы 1-4. Схемы расчетных нагрузок
ТП 903-1-223.86-КЖ Вариант с скребковым конвейерами. Приемно-дробильное устройство РЕМ2. Схема армирования
ТП 903-1-223.86-КЖ Вариант с скребковым конвейерами. Приемно-дробильное устройство РЕМ2. Схема расположения выпусков из стен
ТП 903-1-223.86-КЖ Вариант с скребковым конвейерами. Приемно-дробильное устройство РКМ3. Схема расположения сеток армированной набетонки. Балки БМ10,БМ11
ТП 903-1-223.86-КЖ Вариант с скребковым конвейерами. Схема расположения элементов фундаментов эстакады
ТП 903-1-223.86-КЖ Вариант с скребковым конвейерами. Схема расположения плит покрытия тамбура приемно-дробильного устройства и подпорных стенок
ТП 903-1-223.86-КЖ Вариант с скребковым конвейерами. Эстакада. Фундаменты ФМ3;ФМ4
ТП 903-1-223.86-КЖ Схемы молниезащиты. Узлы 1-3
Разработан: Горьковский Сантехпроект
Утверждён:13.03.1986 Госстрой СССР (Государственный комитет Совета Министров СССР по делам строительства) (USSR Gosstroy А4-15)
Расположен в:Техническая документация Строительство Справочные документы Типовые строительные конструкции, изделия и узлы Общероссийский строительный каталог Промышленные предприятия, здания и сооружения Здания и сооружения санитарно-технические Теплоснабжение Котельные установки Закрытые системы теплоснабжения Топливо - каменные и бурые угли
Типовой проект 903-1-223.86Типовой проект 903-1-223.86Типовой проект 903-1-223.86Типовой проект 903-1-223.86Типовой проект 903-1-223.86Типовой проект 903-1-223.86Типовой проект 903-1-223.86Типовой проект 903-1-223.86Типовой проект 903-1-223.86Типовой проект 903-1-223.86Типовой проект 903-1-223.86Типовой проект 903-1-223.86Типовой проект 903-1-223.86Типовой проект 903-1-223.86Типовой проект 903-1-223.86Типовой проект 903-1-223.86Типовой проект 903-1-223.86Типовой проект 903-1-223.86Типовой проект 903-1-223.86Типовой проект 903-1-223.86Типовой проект 903-1-223.86Типовой проект 903-1-223.86Типовой проект 903-1-223.86Типовой проект 903-1-223.86Типовой проект 903-1-223.86Типовой проект 903-1-223.86Типовой проект 903-1-223.86Типовой проект 903-1-223.86Типовой проект 903-1-223.86Типовой проект 903-1-223.86Типовой проект 903-1-223.86Типовой проект 903-1-223.86Типовой проект 903-1-223.86Типовой проект 903-1-223.86Типовой проект 903-1-223.86Типовой проект 903-1-223.86Типовой проект 903-1-223.86Типовой проект 903-1-223.86Типовой проект 903-1-223.86Типовой проект 903-1-223.86Типовой проект 903-1-223.86Типовой проект 903-1-223.86Типовой проект 903-1-223.86Типовой проект 903-1-223.86Типовой проект 903-1-223.86Типовой проект 903-1-223.86Типовой проект 903-1-223.86Типовой проект 903-1-223.86Типовой проект 903-1-223.86Типовой проект 903-1-223.86Типовой проект 903-1-223.86Типовой проект 903-1-223.86Типовой проект 903-1-223.86Типовой проект 903-1-223.86Типовой проект 903-1-223.86Типовой проект 903-1-223.86Типовой проект 903-1-223.86Типовой проект 903-1-223.86Типовой проект 903-1-223.86Типовой проект 903-1-223.86Типовой проект 903-1-223.86Типовой проект 903-1-223.86Типовой проект 903-1-223.86Типовой проект 903-1-223.86Типовой проект 903-1-223.86Типовой проект 903-1-223.86Типовой проект 903-1-223.86Типовой проект 903-1-223.86Типовой проект 903-1-223.86Типовой проект 903-1-223.86Типовой проект 903-1-223.86Типовой проект 903-1-223.86Типовой проект 903-1-223.86Типовой проект 903-1-223.86

© 2013 Ёшкин Кот :-) Карта сайта