Информационная система
«Ёшкин Кот»

Скачать базу одним архивом
Скачать обновления
История создания базы
Карта сайта

Скачать Типовой проект 903-1-223.86 Альбом 7. Часть 1. Архитектурные решения. Конструкции железобетонные. Конструкции металлические

Дата актуализации: 10.08.2017

Типовой проект 903-1-223.86

Альбом 7. Часть 1. Архитектурные решения. Конструкции железобетонные. Конструкции металлические

Обозначение: Типовой проект 903-1-223.86
Обозначение англ: 903-1-223.86
Статус:не определен законодательством
Название рус.:Альбом 7. Часть 1. Архитектурные решения. Конструкции железобетонные. Конструкции металлические
Дата добавления в базу:01.09.2013
Дата актуализации:05.05.2017
Дата введения:18.12.1985
Оглавление:ТП 903-1-223.86 Содержание альбома (начало)
ТП 903-1-223.86 Содержание альбома (окончание)
ТП 903-1-223.86-ГП Чертежи марки ГП
ТП 903-1-223.86-ГП Схема генплана. Вариант 1. Вариант 2 М1:500
ТП 903-1-223.86-АР Чертежи марки АР
ТП 903-1-223.86-АР Общие данные (начало)
ТП 903-1-223.86-АР Общие данные (продолжение)
ТП 903-1-223.86-АР Общие данные (окончание)
ТП 903-1-223.86-АР План на отм. 0.000. Фрагмент 1
ТП 903-1-223.86-АР Планы на отм. 3.250;7.200
ТП 903-1-223.86-АР Разрезы 1-1;2-2;3-3;4-4
ТП 903-1-223.86-АР Фасады
ТП 903-1-223.86-АР Планы полов и кровли
ТП 903-1-223.86-АР Форкамера. Фрагменты 2,3
ТП 903-1-223.86-АР Вариант с ленточным конвейером. Галерея. Планы. Разрезы
ТП 903-1-223.86-АР Вариант со скребковым конвейером. Эстакада. Планы. Разрезы
ТП 903-1-223.86-АР Фасады галереи и эстакады
ТП 903-1-223.86-АР Дверь индивидуальная ДИ-1
ТП 903-1-223.86-АР Узлы 1-6
ТП 903-1-223.86-АР Узлы 7-13
ТП 903-1-223.86-АР Узлы 14-18
ТП 903-1-223.86-КМ1 Чертежи марки КМ1
ТП 903-1-223.86-КМ1 Общие данные (начало)
ТП 903-1-223.86-КМ1 Общие данные (окончание). Ведомость металлоконструкций по видам профилей
ТП 903-1-223.86-КМ1 Техническая спецификация металла (начало)
ТП 903-1-223.86-КМ1 Техническая спецификация металла (окончание)
ТП 903-1-223.86-КМ1 Схемы расположения балок на отм. 7.200 (для варианта с ленточным конвейером) и на отм. 10.200. Разрезы 1-1÷4-4
ТП 903-1-223.86-КМ1 Разрезы 5-5÷8-8
ТП 903-1-223.86-КМ1 Схемы расположения балок на отм. 7.200; опор под конвейер; переходных площадок; Р,Д (вариант со скребковым конвейером)
ТП 903-1-223.86-КМ1 Схемы расположения балок перекрытия на отм. 3.250; ограждения, элементов рамы ворот
ТП 903-1-223.86-КМ1 Схемы расположения балок на отм. 3.900; площадки на отм. 0.000, балок для крепления натяжного устройства
ТП 903-1-223.86-КМ1 Схемы расположения площадок на отм. 4200;5900
ТП 903-1-223.86-КМ1 Опора под деаэратор
ТП 903-1-223.86-КМ1 Схемы расположения лестниц Л1;Л2. Ограждение кровли
ТП 903-1-223.86-КМ1 Схема расположения балок для крепления трубопроводов
ТП 903-1-223.86-КМ1 Схемы перекрытия каналов
ТП 903-1-223.86-КМ1 Схемы расположения монорельсов на отм. 5.350; 9.820, фахверка для перегородок. Съемное ограждение натяжного устройства
ТП 903-1-223.86-КМ1 Узлы 1-6
ТП 903-1-223.86-КМ1 Узлы 7-10
ТП 903-1-223.86-КМ1 Узлы 11-15
ТП 903-1-223.86-КМ1 Узлы 16-20
ТП 903-1-223.86-КМ1 Узлы 21-27
ТП 903-1-223.86-КМ1 Узлы 28-36
ТП 903-1-223.86-КМ1 Узлы 37-45
ТП 903-1-223.86-КМ1 Узлы 46-52
ТП 903-1-223.86-КМ2 Чертежи марки КМ2
ТП 903-1-223.86-КМ2 Общие данные (начало)
ТП 903-1-223.86-КМ2 Вариант с ленточным конвейером марки КМ2.1
ТП 903-1-223.86-КМ2.1 Общие данные (окончание). Ведомость металлоконструкций по видам профилей
ТП 903-1-223.86-КМ2.1 Техническая спецификация металла (начало)
ТП 903-1-223.86-КМ2.1 Техническая спецификация металла (окончание)
ТП 903-1-223.86-КМ2.1 Схемы расположения балок кровли и связей по верхним поясам ферм; балок пола и связей по нижним поясам ферм. Схема ОП1
ТП 903-1-223.86-КМ2.1 Схема Ф1. Схемы расположения монорельса. Площадки
ТП 903-1-223.86-КМ2.1 Схемы расположения бункера; решетки бункера. Узел 1
ТП 903-1-223.86-КМ2.1 Узлы 2-8
ТП 903-1-223.86-КМ2.2 Вариант со скребковым конвейером марки КМ2.2
ТП 903-1-223.86-КМ2.2 Общие данные (окончание). Ведомость металлоконструкций по видам профилей
ТП 903-1-223.86-КМ2.2 Техническая спецификация металла
ТП 903-1-223.86-КМ2.2 Схемы расположения балок для крепления конвейеров; балок эстакады; ОП1;ОП2;ОП3
ТП 903-1-223.86-КМ2.2 Схемы расположения бункера; решетки бункера. Узел 1
ТП 903-1-223.86-КМ2.2 Узлы 2-5
ТП 903-1-223.86-КМ2.2 Узлы 6-11
ТП 903-1-223.86-КЖ Чертежи марки КЖ
ТП 903-1-223.86-КЖ Общие данные (начало)
ТП 903-1-223.86-КЖ Общие данные (окончание)
ТП 903-1-223.86-КЖ Фундаменты здания. Схема расположения фундаментов и фундаментных балок. Узел 12
ТП 903-1-223.86-КЖ Фундаменты здания. Таблица расчетных нагрузок
ТП 903-1-223.86-КЖ Фундаменты здания. Узлы 1-4
ТП 903-1-223.86-КЖ Фундаменты здания. Узлы 5-8
ТП 903-1-223.86-КЖ Фундаменты здания. Узлы 4-11
ТП 903-1-223.86-КЖ Фундаменты здания ФМ1-ФМ3;ФМ4;ФМ4а
ТП 903-1-223.86-КЖ Фундаменты здания ФМ5-ФМ8
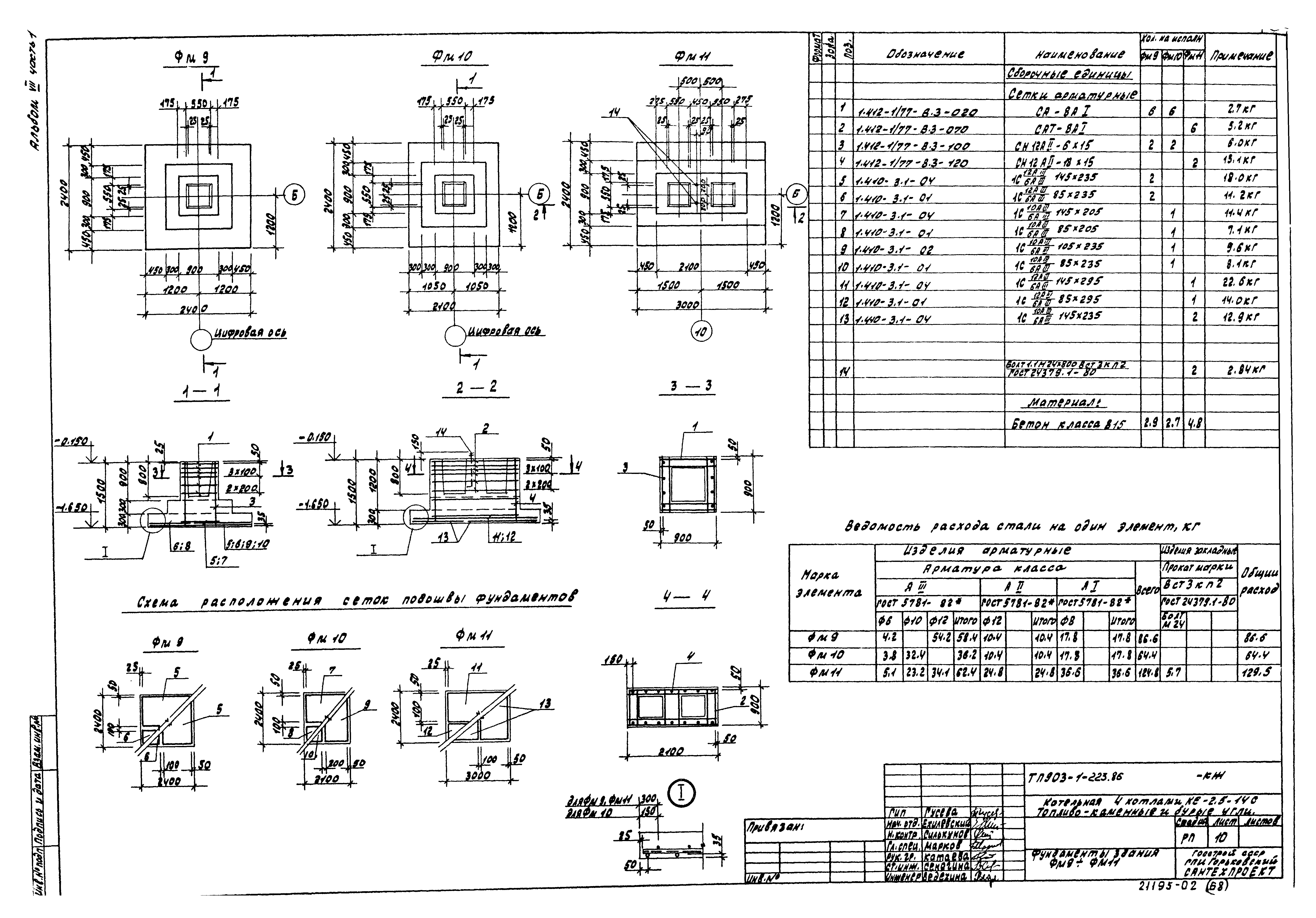
ТП 903-1-223.86-КЖ Фундаменты здания ФМ9-ФМ11
Разработан: Горьковский Сантехпроект
Утверждён:13.03.1986 Госстрой СССР (Государственный комитет Совета Министров СССР по делам строительства) (USSR Gosstroy А4-15)
Расположен в:Техническая документация Строительство Справочные документы Типовые строительные конструкции, изделия и узлы Общероссийский строительный каталог Промышленные предприятия, здания и сооружения Здания и сооружения санитарно-технические Теплоснабжение Котельные установки Закрытые системы теплоснабжения Топливо - каменные и бурые угли
Типовой проект 903-1-223.86Типовой проект 903-1-223.86Типовой проект 903-1-223.86Типовой проект 903-1-223.86Типовой проект 903-1-223.86Типовой проект 903-1-223.86Типовой проект 903-1-223.86Типовой проект 903-1-223.86Типовой проект 903-1-223.86Типовой проект 903-1-223.86Типовой проект 903-1-223.86Типовой проект 903-1-223.86Типовой проект 903-1-223.86Типовой проект 903-1-223.86Типовой проект 903-1-223.86Типовой проект 903-1-223.86Типовой проект 903-1-223.86Типовой проект 903-1-223.86Типовой проект 903-1-223.86Типовой проект 903-1-223.86Типовой проект 903-1-223.86Типовой проект 903-1-223.86Типовой проект 903-1-223.86Типовой проект 903-1-223.86Типовой проект 903-1-223.86Типовой проект 903-1-223.86Типовой проект 903-1-223.86Типовой проект 903-1-223.86Типовой проект 903-1-223.86Типовой проект 903-1-223.86Типовой проект 903-1-223.86Типовой проект 903-1-223.86Типовой проект 903-1-223.86Типовой проект 903-1-223.86Типовой проект 903-1-223.86Типовой проект 903-1-223.86Типовой проект 903-1-223.86Типовой проект 903-1-223.86Типовой проект 903-1-223.86Типовой проект 903-1-223.86Типовой проект 903-1-223.86Типовой проект 903-1-223.86Типовой проект 903-1-223.86Типовой проект 903-1-223.86Типовой проект 903-1-223.86Типовой проект 903-1-223.86Типовой проект 903-1-223.86Типовой проект 903-1-223.86Типовой проект 903-1-223.86Типовой проект 903-1-223.86Типовой проект 903-1-223.86Типовой проект 903-1-223.86Типовой проект 903-1-223.86Типовой проект 903-1-223.86Типовой проект 903-1-223.86Типовой проект 903-1-223.86Типовой проект 903-1-223.86Типовой проект 903-1-223.86Типовой проект 903-1-223.86Типовой проект 903-1-223.86Типовой проект 903-1-223.86Типовой проект 903-1-223.86Типовой проект 903-1-223.86Типовой проект 903-1-223.86Типовой проект 903-1-223.86Типовой проект 903-1-223.86Типовой проект 903-1-223.86Типовой проект 903-1-223.86Типовой проект 903-1-223.86

© 2013 Ёшкин Кот :-) Карта сайта