| ||||||||||||||||||||||||||||
Скачать Серия 4.407-214 Выпуск 1. Шифр А 128Дата актуализации: 10.08.2017
|
| Обозначение: | Серия 4.407-214 |
| Обозначение англ: | Series 4.407-214 |
| Статус: | не действует |
| Название рус.: | Выпуск 1. Шифр А 128 |
| Дата добавления в базу: | 01.09.2013 |
| Дата актуализации: | 05.05.2017 |
| Дата окончания срока действия: | 01.08.1979 |
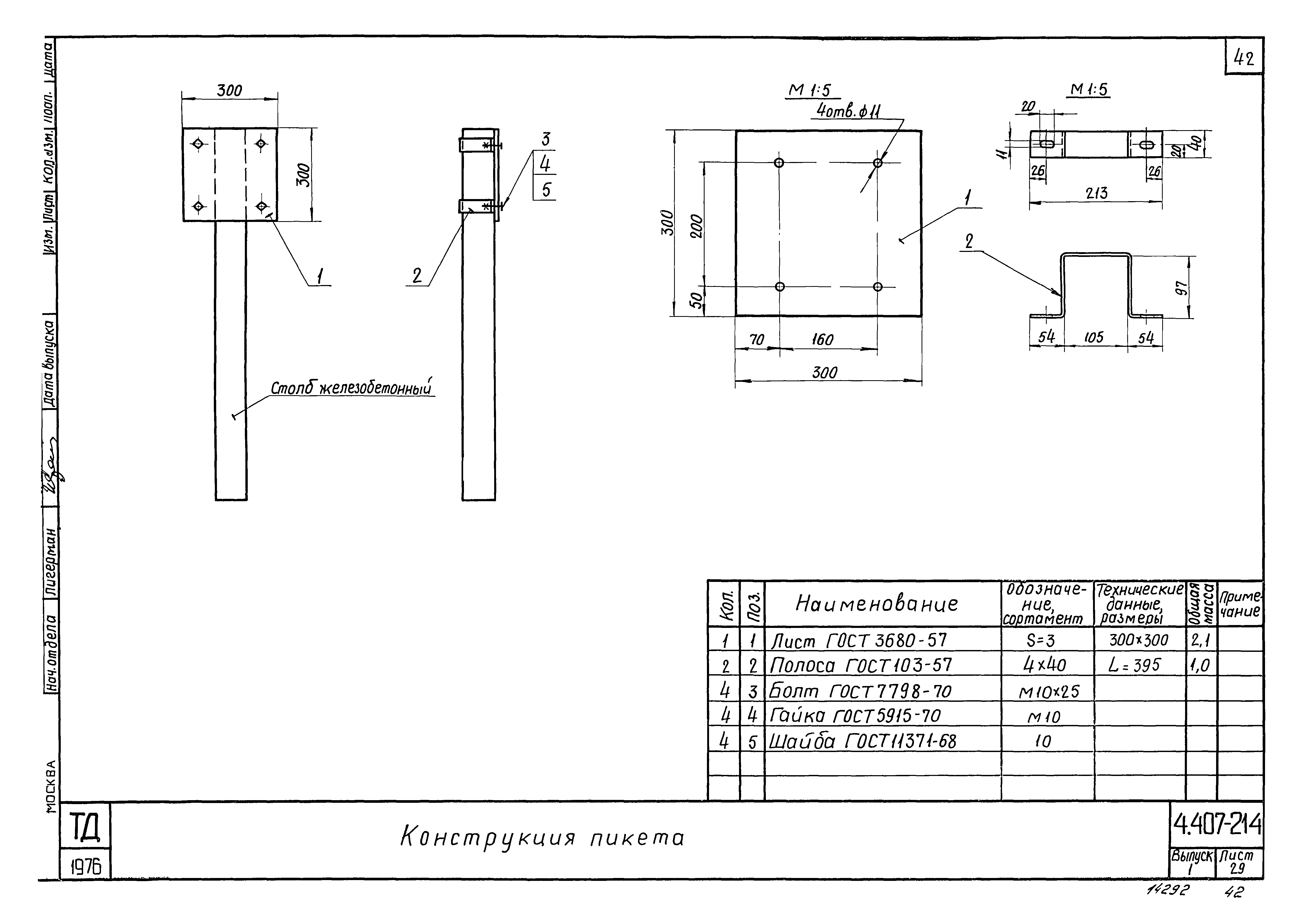
| Оглавление: | 4.407-214 Содержание 4.407-214 Пояснительная записка 4.407-214 Справочный материал 4.407-214 План межцеховых кабельных трасс (пример) 4.407-214 Допустимые разности уровней и радийсы изгибов кабелей 4.407-214 Прокладка кабелей на прямых, свободных от пересечений и сближений участках трассы 4.407-214 Прокладка кабелей параллельно подземным коммуникациям, зданиям и насаждениям 4.407-214 Прокладка кабелей параллельно с воздушными линиями электропередачи 4.407-214 Прокладка кабелей параллельно с железными дорогами и трамвайными путями 4.407-214 Прокладка кабелей параллельно с автомобильными дорогами 4.407-214 Примеры прокладки кабелей 4.407-214 Габариты кабельных траншей и зоны отвода 4.407-214 Поворот и разветвление кабельных трасс 4.407-214 Укладка одной соединительной муфты для кабелей до 10 кВ на горизонтальном участке 4.407-214 Укладка двух соединительных муфт для кабелей до 10 кВ на горизонтальном участке 4.407-214 Укладка одной соединительной муфты для кабелей до 10 кВ на горизонтальном участке с расположением кампенсаторов в вертикальной плоскости 4.407-214 Укладка одной соединительной муфты для кабелей до 10 кВ на наконном участке до 20º. Вариант 1 4.407-214 Укладка одной соединительной муфты для кабелей до 10 кВ на наконном участке до 20º. Вариант 2 4.407-214 Укладка одной соединительной муфты для кабелей 20-35 кВ на горизонтальном участке 4.407-214 Укладка одной соединительной муфты для кабелей 20-35 кВ на горизонтальном участке с расположением компенсаторов в вертикальной плоскости 4.407-214 Укладка одной соединительной муфты для кабелей 20-35 кВ на наклонном участке до 20º. Вариант 1 4.407-214 Укладка одной соединительной муфты для кабелей 20-35 кВ на наклонном участке до 20º. Вариант 2 4.407-214 Крепление кабелей на размываемых ливневыми водами склонах 20º-50º 4.407-214 Прокладка кабелей 4.407-214 Пересечение лвух кабельных траншей 4.407-214 Пересечение кабелей с кабельными тоннелями и блоками 4.407-214 Пересечение кабелей с трубопроводами 4.407-214 Пересечение кабелей с теплопроводами 4.407-214 Прокладка кабелей открытым способом или способом прокола при пересечении с неэлектрифицированными железными дорогами 4.407-214 Прокладка кабелей способом прокола при пересечении с электрифицированными железными дорогами 4.407-214 Прокладка кабелей открытым способом при пересечении с электрифицированными железными дорогами 4.407-214 Пересечение кабелей с трамвайными путями 4.407-214 Прокладка кабелей открытым способом или способом прокола при пересечении с автодорогами (в трубах) 4.407-214 Пересечение кабелей с автодорогами (в блоках) 4.407-214 Пересечение кабелей в здания или кабельные сооружения 4.407-214 Гидроизоляция и уплотнение труб при вводе их в здания или кабельные сооружения 4.407-214 Уплотнение труб при траншейной прокладке кабелей 4.407-214 Вывод кабелей напряжением до 35 кВ из траншей на стену 4.407-214 Установка пикета 4.407-214 Сборочные чертежи и детали 4.407-214 Примерные образцы опозновательных знаков для кабельных траншей 4.407-214 Конструкция пикета 4.407-214 Кожух для защиты кабелей напряжением до 35 кВ 4.407-214 Строительные злания 4.407-214 Строительное задание на железобетонный столб для пикета 4.407-214 Строительное задание на железобетонные плиты для защиты кабелей в траншее ТП 902-2-403.86 Титульный лист ТП 902-2-403.86 Содержание альбома ТП 902-2-403.86-КЖИ.000.ТУ Технические условия ТП 902-2-403.86-КЖИ.010 Колонна К1 ТП 902-2-403.86-КЖИ.020 Колонна К2 ТП 902-2-403.86-КЖИ.030 Колонна К3 ТП 902-2-403.86-КЖИ.040 Колонна К4 ТП 902-2-403.86-КЖИ.050 Колонна К5 ТП 902-2-403.86-КЖИ.060 Колонна К6 ТП 902-2-403.86-КЖИ.070 Колонна К7 ТП 902-2-403.86-КЖИ.080 Колонна К8 ТП 902-2-403.86-КЖИ.090 Колонна К9 ТП 902-2-403.86-КЖИ.100 Колонна К10 ТП 902-2-403.86-КЖИ.110 Балка Б1,Б2,Б3 ТП 902-2-403.86-КЖИ.110 СБ Балка Б1,Б2,Б3. Сборочный чертеж ТП 902-2-403.86-КЖИ.120 Плиты П2,П3,П4 ТП 902-2-403.86-КЖИ.130 Плита П6 ТП 902-2-403.86-КЖИ.140 Плиты П7,П8,П9 ТП 902-2-403.86-КЖИ.150 Панель ПС15 ТП 902-2-403.86-КЖИ.160 Панель ПС19 ТП 902-2-403.86-КЖИ.170 Панель ПС20 ТП 902-2-403.86-КЖИ.180 Насадка НС1 ТП 902-2-403.86-КЖИ.190 Каркас деревянный КРД1 ТП 902-2-403.86-КЖИ.200 Рамки РМ1,РМ2 ТП 902-2-403.86-КЖИ.200 СБ Рамки РМ1,РМ2. Сборочный чертеж ТП 902-2-403.86-КЖИ.210 Изделие закладное МН1 ТП 902-2-403.86-КЖИ.220 Изделие закладное МН2 ТП 902-2-403.86-КЖИ.230 Изделие закладное МН3 ТП 902-2-403.86-КЖИ.240 Изделие закладное МН4 ТП 902-2-403.86-КЖИ.250 Изделие закладное МН5 ТП 902-2-403.86-КЖИ.260 Изделие закладное МН6 ТП 902-2-403.86-КЖИ.270 Каркас КР1 ТП 902-2-403.86-КЖИ.280 Сетка С1 ТП 902-2-403.86-КЖИ.290 Щит ЩС1 ТП 902-2-403.86-КЖИ.300 Сетка С1 |
| Разработан: | Тяжпромэлектропроект им. Ф.Б. Якубовского Минмонтажспецстроя СССР |
| Утверждён: | 20.12.1976 Тяжпромэлектропроект им. Ф.Б.Якубовского (171) |
| Расположен в: | |
| Чем заменён: |














































