| ||||||||||||||||||||||||||
Скачать Типовые проектные решения 903-4-0182.94 Альбом 1. Пояснительная записка. Технология производстваДата актуализации: 10.08.2017
|
| Обозначение: | Типовые проектные решения 903-4-0182.94 |
| Обозначение англ: | 903-4-0182.94 |
| Статус: | cправочные материалы, мп, тпр |
| Название рус.: | Альбом 1. Пояснительная записка. Технология производства |
| Дата добавления в базу: | 01.09.2013 |
| Дата актуализации: | 05.05.2017 |
| Дата введения: | 27.10.1994 |
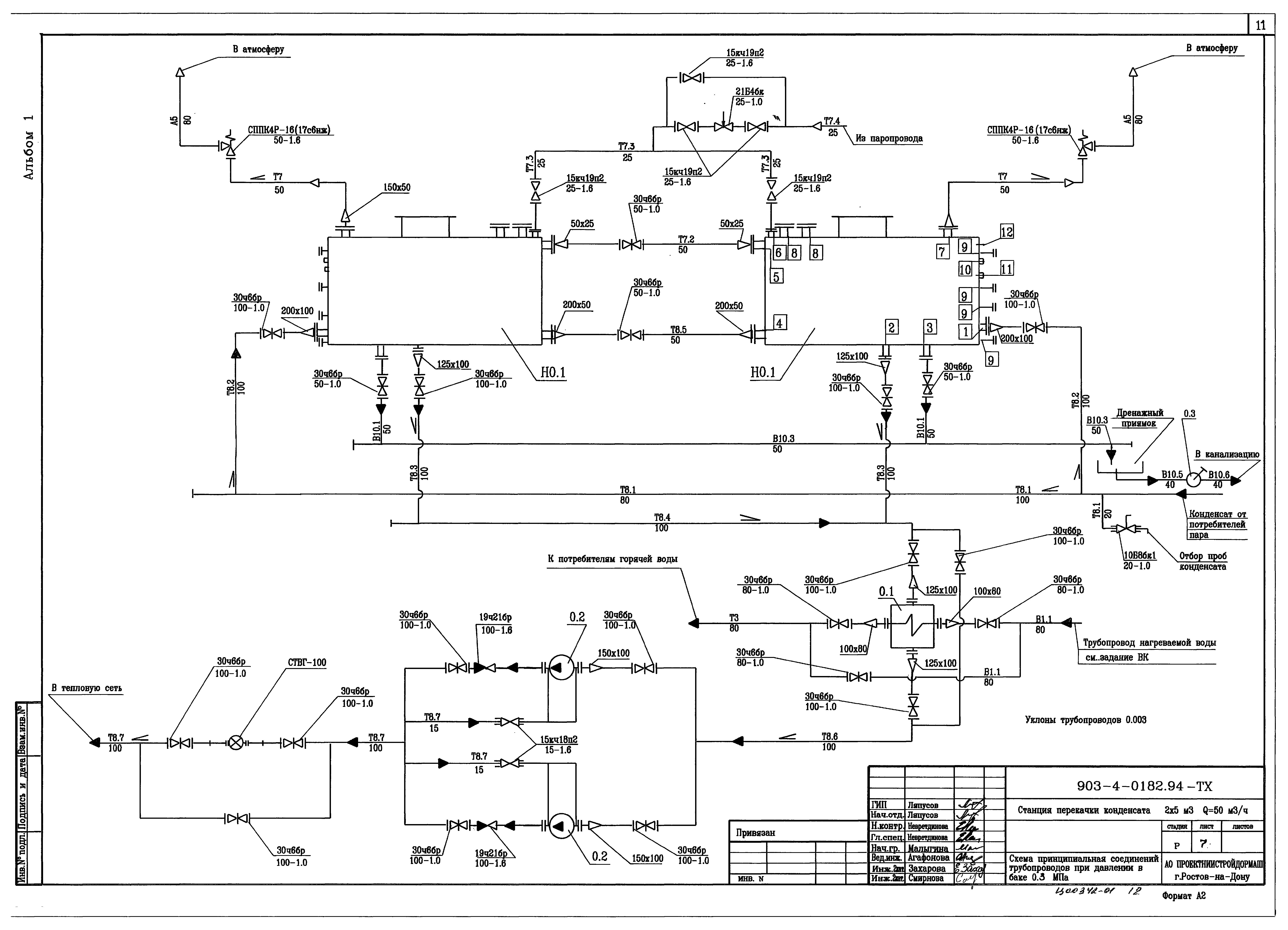
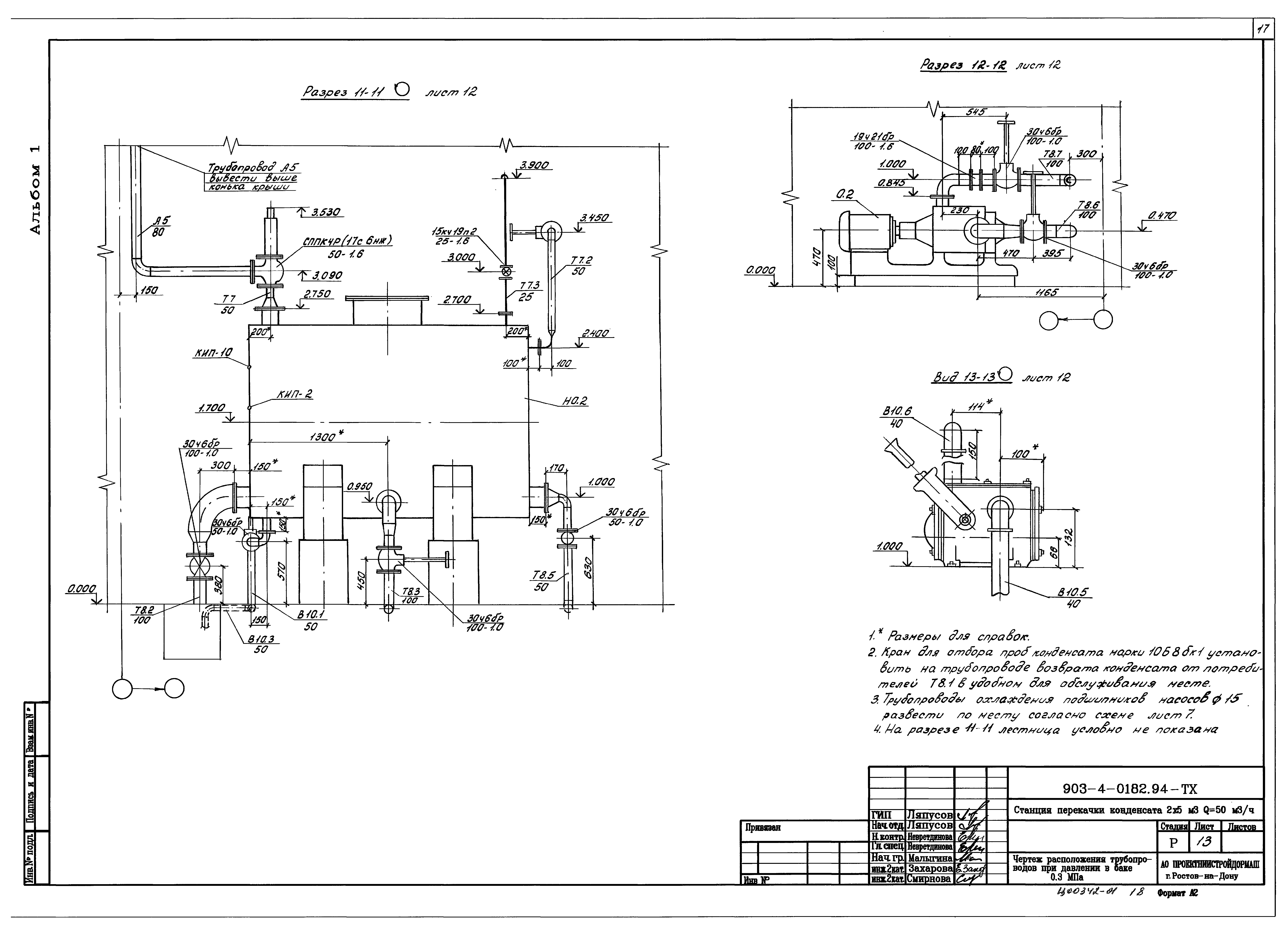
| Оглавление: | ТП 903-4-0182.94 Титульный лист ТП 903-4-0182.94 Содержание ТП 903-4-0182.94-ПЗ Пояснительная записка ТП 903-4-0182.94-ТХ Технологическая часть ТП 903-4-0182.94-ТХ Общие данные ТП 903-4-0182.94-ТХ Чертеж расположения оборудования при давлении в баке 0.02 МПа ТП 903-4-0182.94-ТХ Чертеж расположения оборудования при давлении в баке 0.3 МПа ТП 903-4-0182.94-ТХ Схема принципиальная соединений трубопроводов при давлении в баке 0.02 МПа ТП 903-4-0182.94-ТХ Схема принципиальная соединений трубопроводов при давлении в баке 0.3 МПа. ТП 903-4-0182.94-ТХ Спецификация оборудования и участков трубопроводов ТП 903-4-0182.94-ТХ Чертеж расположения трубопроводов при давлении в баке 0.02 МПа ТП 903-4-0182.94-ТХ Чертеж расположения трубопроводов при давлении в баке 0.3 МПа ТП 903-4-0182.94-ТХ Ведомость трубопроводов при давлении в баке 0.02 МПа ТП 903-4-0182.94-ТХ Ведомость трубопроводов при давлении в баке 0.3 МПа ТП 903-4-0182.94-ТХ Ведомость изоляционных конструкций ТП 903-4-0182.94-ТХ Задание на разработку разделов OB, BК, АР, КЖ И КМ ТП 903-4-0182.94-ТХ Задание строительному отделу ТП 903-4-0182.94-БК.00.000.ЭЧ Бак конденсатный V=5м³. Эскизный чертеж общего виде ТП 903-4-0182.94-ГЗ.00.000.ЭЧ Гидрозатвор. Эскизный чертеж общего вида |
| Разработан: | Проектниистройдормаш |
| Утверждён: | 27.10.1994 АО Проектниистройдормаш (35-П) |
| Расположен в: |

































