| ||||||||||||||||||||||||||
Скачать Типовые материалы для проектирования 407-03-457.87 Альбом II. Строительные конструкцииДата актуализации: 10.08.2017
|
| Обозначение: | Типовые материалы для проектирования 407-03-457.87 |
| Обозначение англ: | 407-03-457.87 |
| Статус: | cправочные материалы, мп, тпр |
| Название рус.: | Альбом II. Строительные конструкции |
| Дата добавления в базу: | 01.09.2013 |
| Дата актуализации: | 05.05.2017 |
| Дата введения: | 06.08.1987 |
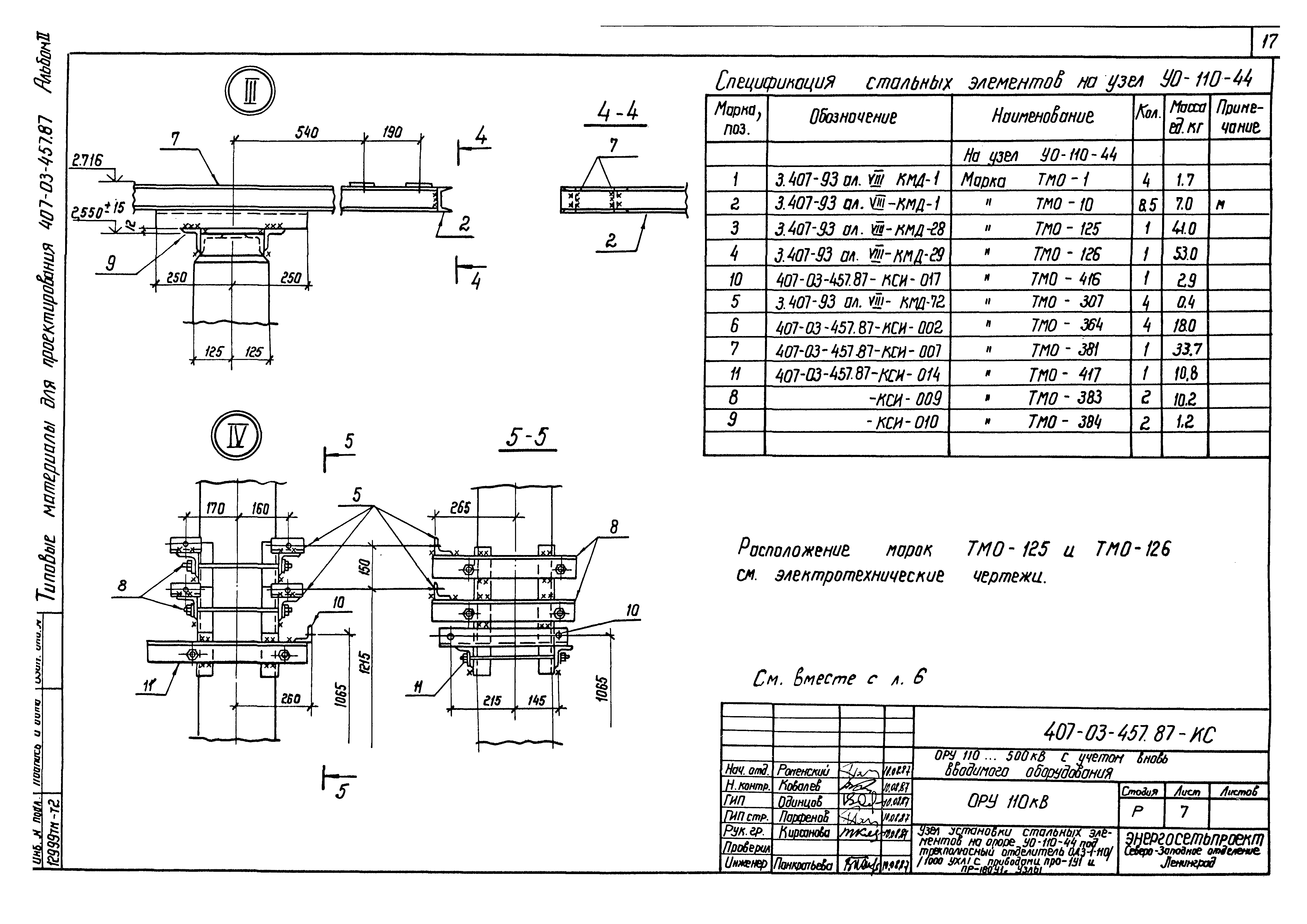
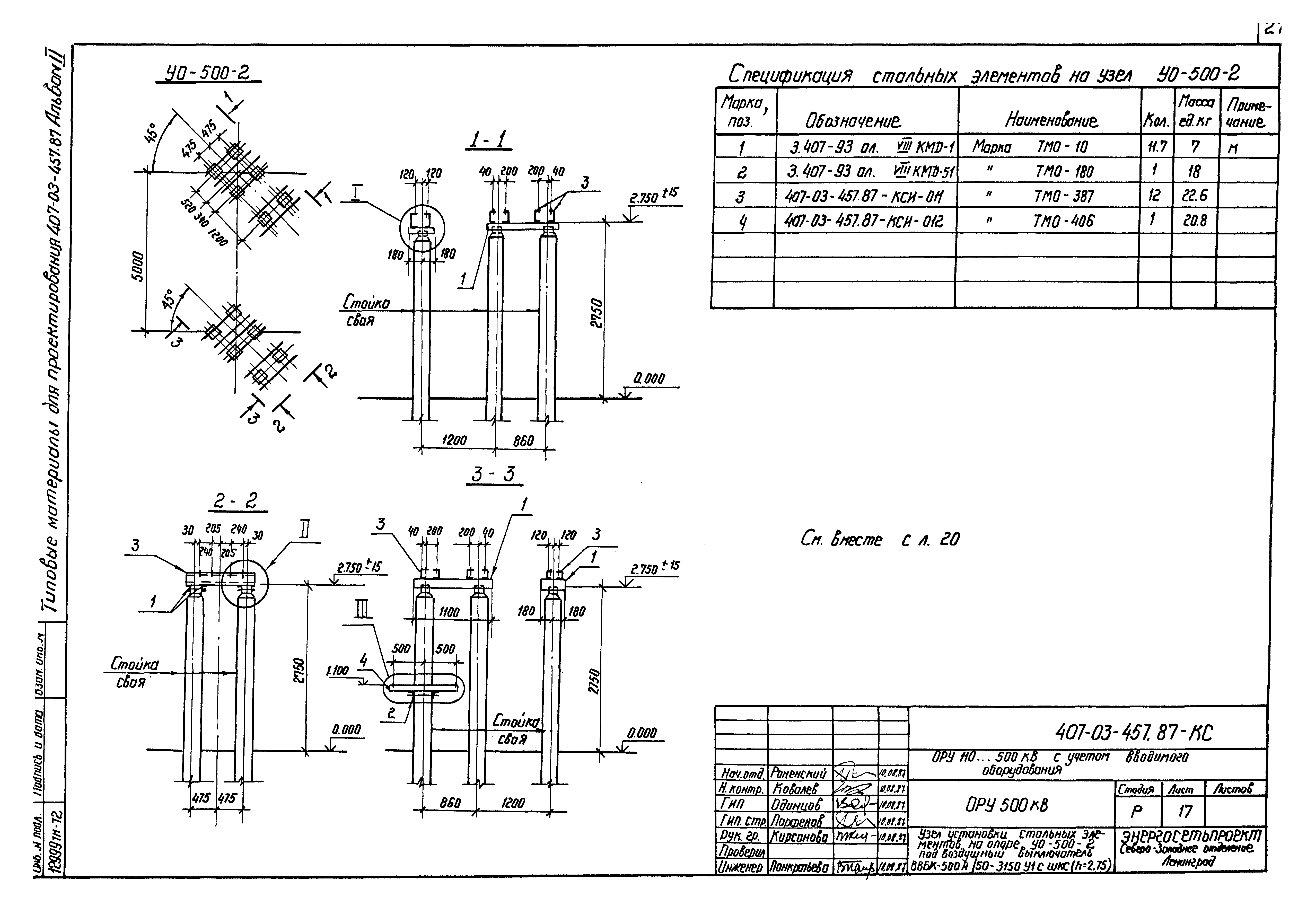
| Оглавление: | ТП 407-03-457.87 Содержание ТП 407-03-457.87-ПЗ Пояснительная записка ТП 407-03-457.87-КСл.1 Узел установки стальных элементов на опоре УО-110-4 под маломасляный выключатель ВМТ-110Б-25/1250УХЛ1 ТП 407-03-457.87-КСл.2 Узел установки стальных элементов на опоре УО-110-9 под элегазовый выключатель ВЭК-110Б-40/2000У1 ТП 407-03-457.87-КСл.3 Узлы установки стальных элементов на опорах УО-110-10,УО-110-11 под короткозамыкатель КЗ-110 УХЛ1 ТП 407-03-457.87-КСл.4 Узлы установки стальных элементов на опорах УО-110-10,УО-110-11 под короткозамыкатель КЗ-110 УХЛ1. Спецификация ТП 407-03-457.87-КСл.5 Узел установки стальных элементов на опоре УО-110-4 под маломасляный выключатель ВМТ-110Б-25/1250УХЛ1 ТП 407-03-457.87-КСл.6 Узел установки стальных элементов на опоре УО-110-44 под трехполюсный отделитель ОДЗ-1-110/1000УХЛ1 с приводами ПРО-1У1 и ПР-180У1 ТП 407-03-457.87-КСл.7 Узел установки стальных элементов на опоре УО-110-44 под трехполюсный отделитель ОДЗ-1-110/1000УХЛ1 с приводами ПРО-1У1 и ПР-180У1. Узлы ТП 407-03-457.87-КСл.8 Узел установки стальных элементов на опоре УО-150-1 под однополюсный разъединитель РДЗ-150/1000-2000У1 с ПРУ-У1 ТП 407-03-457.87-КСл.9 Узел установки стальных элементов на опоре УО-150-2 под однополюсный разъединитель РДЗ-150/1000-2000 с ПД-5У1 ТП 407-03-457.87-КСл.10 Узел установки стальных элементов на опоре УО-150-3 под 3-х полюсный разъединитель РДЗ-150/1000-2000У1 с ПР-У1 ТП 407-03-457.87-КСл.11 Узел установки стальных элементов на опоре УО-150-4 под трехполюсный разъединитель РДЗ-150/2000-2000-У1 с ПД-5У1 ТП 407-03-457.87-КСл.12 Узел установки стальных элементов на опоре УО-150-4 под трехполюсный разъединитель РДЗ-150/1000-2000-У1 с ПД-5У1. Узлы ТП 407-03-457.87-КСл.13 Узел установки стальных элементов на опоре УО-220-41 под масляный выключатель ВМТ-220Б-40/2000УХЛ1 ТП 407-03-457.87-КСл.14 Узел установки стальных элементов на опоре УО-220-42 под элегазовый выключатель ВЭК-220Б-40/2000У1 ТП 407-03-457.87-КСл.15 Узел установки стальных элементов на опоре УО-220-32 под однополюсный разъединитель РДЗ-330/3150У1с ПД-3У1 ТП 407-03-457.87-КСл.16 Узел установки стальных элементов на опоре УО-500-1 под воздушный выключатель ВВБК-500А/50-3150У1 (h=2.75м) ТП 407-03-457.87-КСл.17 Узел установки стальных элементов на опоре УО-500-2 под воздушный выключатель ВВБК-500А/50-3150У1 с ШКС(h=2.75) ТП 407-03-457.87-КСл.18 Узел установки стальных элементов на опоре УО-500-3 под воздушный выключатель ВВБК-500А/50-3150У1 (h=2.45) ТП 407-03-457.87-КСл.19 Узел установки стальных элементов на опоре УО-500-4 под воздушный выключатель ВВБК-500А/50-3150У1 с ШКС (h=2.45) ТП 407-03-457.87-КСл.20 Узел установки стальных элементов на опоре УО-500-2.4 под воздушный выключатель ВВБК-500А/50-3150У1 ТП 407-03-457.87-КСл.21 Узел установки стальных элементов на опоре УО-500-9 под разъединитель РНДЗ-500/3150У1 с приводом ПД-5У1 ТП 407-03-457.87-КСл.22 Узел установки стальных элементов на опоре УО-500-31 под выключатель ВНВ-500 ТП 407-03-457.87-КСл.23 Узел установки стальных элементов на опоре УО-500-32 под трансформатор тока ТФРМ-500У1 с ящиком зажимов (h=4,6м) ТП 407-03-457.87-КСл.24 Узел установки стальных элементов на опоре УО-500-33 под трансформатор тока ТФРМ-500БУ1 (h=4,6м) ТП 407-03-457.87-КСл.25 Узел установки стальных элементов на опоре УО-500-34 под трансформаторное устройство НДЕ-500 со шкафом ТП 407-03-457.87-КСл.26 Узел установки стальных элементов на опоре УО-500-35 под трансформаторное устройство НДЕ-500 ТП 407-03-457.87-КСл.27 Узел установки стальных элементов на опоре УО-500-36 под делитель напряжения ТП 407-03-457.87-КСл.28 Узел установки стальных элементов на опоре УО-500-37,УО-500-38 под выключатель ВВБ-500А ТП 407-03-457.87-КСл.29 Узел установки стальных элементов на опоре УО-500-39 под трансформатор тока ТФРМ-500БУ1 с ящиком зажимов (h=3,3м) ТП 407-03-457.87-КСл.30 Узел установки стальных элементов на опоре УО-500-40 под трансформатор тока ТФРМ-500БУ1 (h=3,3м) ТП 407-03-457.87-КСл.31 Узел установки стальных элементов на опоре УО-500-41 под однополюсный разъединитель РДЗ-500/3150У1 с ПД-5У1 ТП 407-03-457.87-КСл.32 Узел установки стальных элементов на опоре О-35-4 под однополюсный разъединитель РНДЗ-35 ТП 407-03-457.87-КСл.33 Узел установки стальных элементов на опоре УО-500-22 под разрядник РВМГ-500У1 |
| Разработан: | Северо-западное отделение института Энергосетьпроект |
| Утверждён: | 06.08.1987 Минэнерго СССР (USSR Minenergo 31) |
| Расположен в: |











































