Скачать Типовой проект 902-1-97.84 Альбом I. Общая пояснительная записка. Технологические решения. Отопление и вентиляция. Водопровод и канализация. Электрооборудование, автоматизация и технологический контрольДата актуализации: 10.08.2017 Типовой проект 902-1-97.84
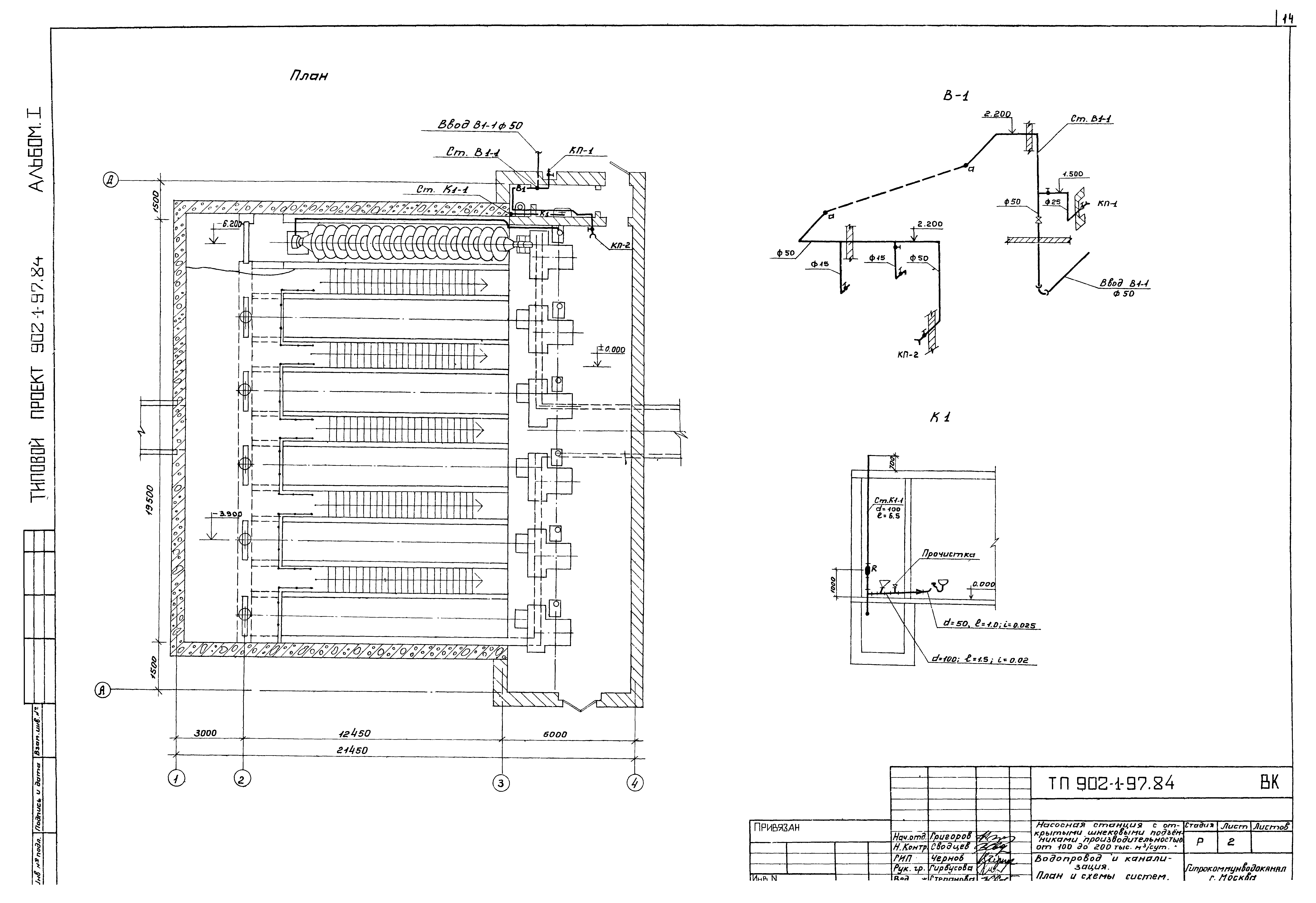
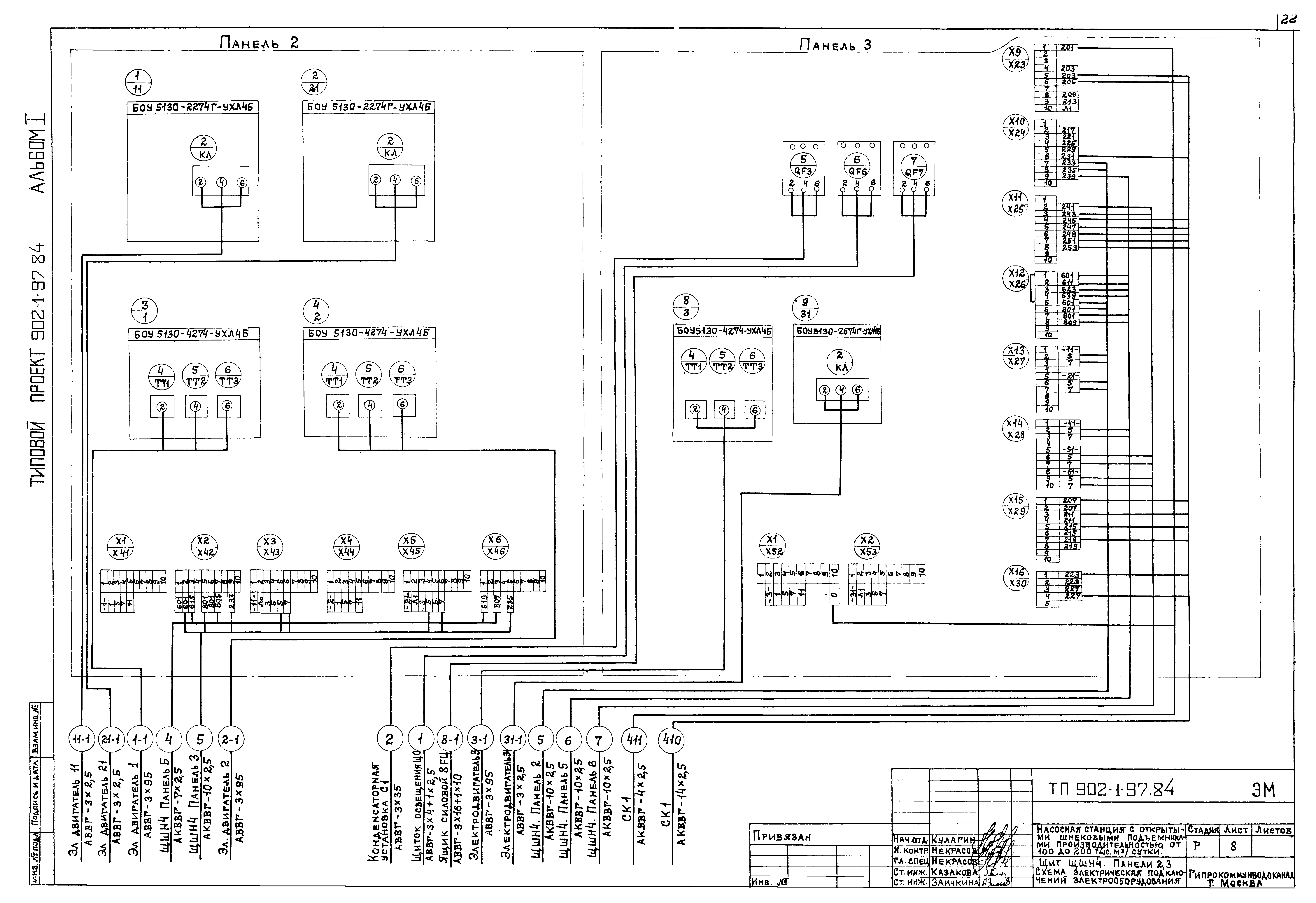
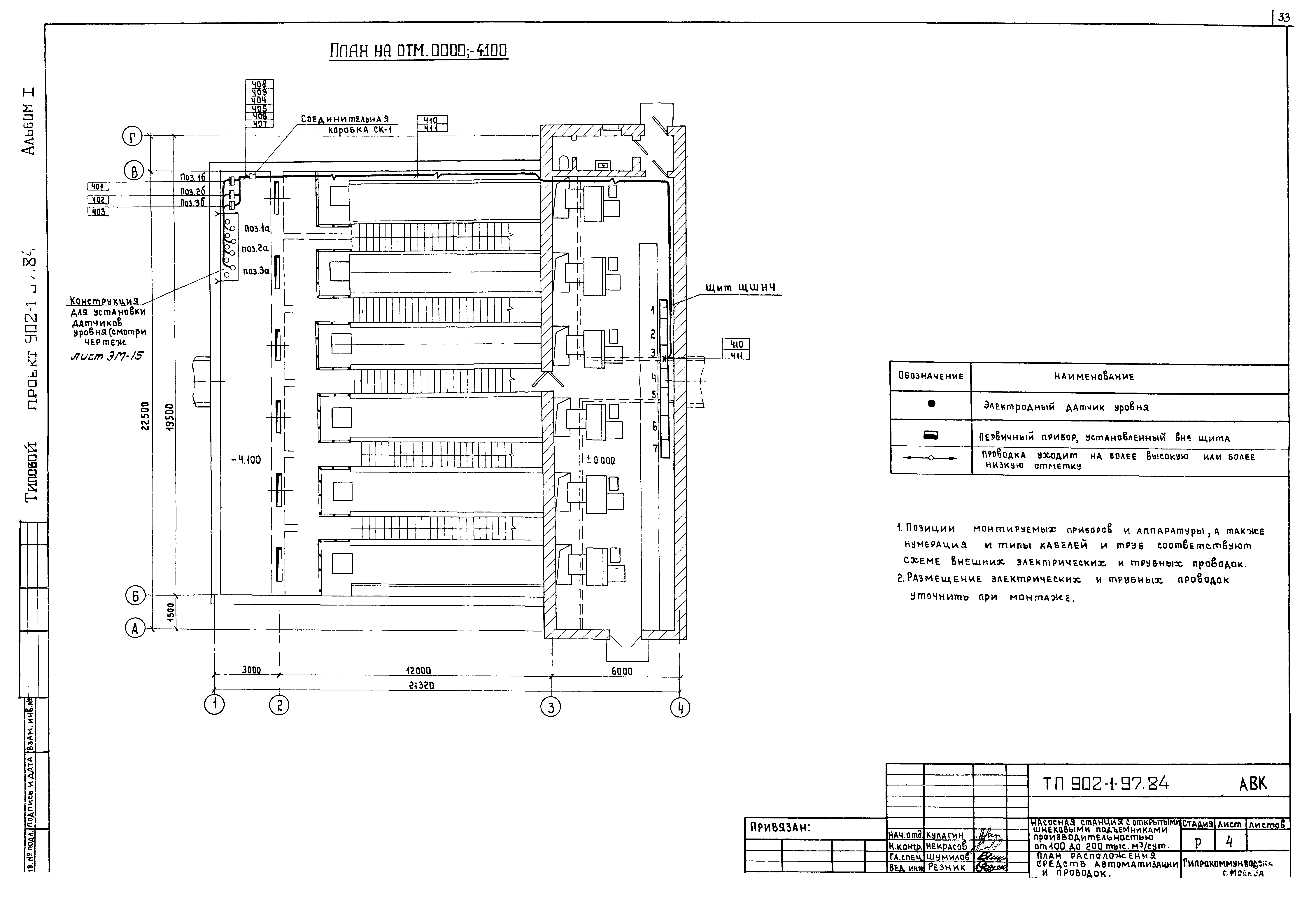
Альбом I. Общая пояснительная записка. Технологические решения. Отопление и вентиляция. Водопровод и канализация. Электрооборудование, автоматизация и технологический контрольОбозначение: | Типовой проект 902-1-97.84 | Обозначение англ: | 902-1-97.84 | Статус: | не действует | Название рус.: | Альбом I. Общая пояснительная записка. Технологические решения. Отопление и вентиляция. Водопровод и канализация. Электрооборудование, автоматизация и технологический контроль | Дата добавления в базу: | 01.09.2013 | Дата актуализации: | 05.05.2017 | Оглавление: | ТП 902-1-97.84 Содержание альбома ТП 902-1-97.84-ПЗ-1 Общая пояснительная записка (начало) ТП 902-1-97.84-ПЗ-2 Общая пояснительная записка (продолжение) ТП 902-1-97.84-ПЗ-3 Общая пояснительная записка (продолжение) ТП 902-1-97.84-ПЗ-4 Общая пояснительная записка (окончание) ТП 902-1-97.84-ТХ Технологические решения ТП 902-1-97.84-ТХ-1 Общие данные ТП 902-1-97.84-ТХ-2 План на отм. ±0.000 и -3.900 ТП 902-1-97.84-ТХ-3 Разрез 1-1 ТП 902-1-97.84-ТХ-4 Схема системы масляных трубопроводов ТП 902-1-97.84-ОВ Отопление и вентиляция ТП 902-1-97.84-ОВ-1 Общие данные ТП 902-1-97.84-ОВ-2 План на отм. 0.000;+4.500. Схема системы отопления. Схема системы ВЕ1 ТП 902-1-97.84-ВК Водопровод и канализация ТП 902-1-97.84-ВК-1 Общие данные ТП 902-1-97.84-ВК-2 Водопровод и канализация. План и схемы систем ТП 902-1-97.84-ЭМ Электрооборудование и автоматизация ТП 902-1-97.84-ЭМ-1 Общие данные ТП 902-1-97.84-ЭМ-2 Схема электрическая принципиальная однолинейная распределительной сети 380/220В ТП 902-1-97.84-ЭМ-3 Схема электрическая принципиальная АВР и учета электроэнергии ТП 902-1-97.84-ЭМ-4 Схема электрическая принципиальная управления шнековым подъемником №1(2,3,4,5,6) и дренажным насосом №7 ТП 902-1-97.84-ЭМ-5 Схема электрическая принципиальная автоматического управления шнеками ТП 902-1-97.84-ЭМ-6 Схема электрическая принципиальная аварийной и оперативной сигнализации ТП 902-1-97.84-ЭМ-7 Щит ЩШН4. Панели 1,4,7. Схема электрическая подключений электрооборудования ТП 902-1-97.84-ЭМ-8 Щит ЩШН4. Панели 2,3. Схема электрическая подключений электрооборудования ТП 902-1-97.84-ЭМ-9 Щит ЩШН4. Панели 5,6. Схема электрическая подключений электрооборудования ТП 902-1-97.84-ЭМ-10 Схема электрическая подключений отдельностоящего электрооборудования. Кабельный журнал. Сводка кабелей ТП 902-1-97.84-ЭМ-11 Расположение электрооборудования и прокладка кабелей ТП 902-1-97.84-ЭМ-12 Прокладка магистралей зануления и троллеев ТП 902-1-97.84-ЭМ-13 Схема расположения светильников и трасс электропроводок. План ТП 902-1-97.84-ЭМВОМВР-14 Ведомости электрооборудования, кабельных изделий, материалов; потребности в электромонтажных изделиях; объемов электромонтажных и строительных работ ТП 902-1-97.84-ЭМН-15 Щит ЩШН4. Общий вид. Эскиз ТП 902-1-97.84-АВК Технологический контроль ТП 902-1-97.84-АВК-1 Общие данные ТП 902-1-97.84-АВК-2 Схема функциональная ТП 902-1-97.84-АВК-3 Схема внешних электрических и трубных проводок ТП 902-1-97.84-АВК-4 План расположения средств автоматизации и проводок ТП 902-1-97.84-АВК-5 Конструкция для установки 8н датчиков уровня ЭРСУ-3 в приемной камере | Разработан: | Гипрокоммунводоканал Минжилкомхоза РСФСР
| Утверждён: | 25.05.1984 МЖКХ РСФСР (10-ТД)
| Расположен в: |
|
                                  
|