Информационная система
«Ёшкин Кот»

Скачать базу одним архивом
Скачать обновления
История создания базы
Карта сайта

Скачать Типовой проект 904-1-65.86 Альбом 3. Автоматизация и КИП

Дата актуализации: 10.08.2017

Типовой проект 904-1-65.86

Альбом 3. Автоматизация и КИП

Обозначение: Типовой проект 904-1-65.86
Обозначение англ: 904-1-65.86
Статус:не действует
Название рус.:Альбом 3. Автоматизация и КИП
Дата добавления в базу:01.09.2013
Дата актуализации:05.05.2017
Оглавление:ТП 904-1-65.86-АТХ-1 Общие данные (начало)
ТП 904-1-65.86-АТХ-2 Общие данные (продолжение)
ТП 904-1-65.86-АТХ-3 Общие данные (продолжение)
ТП 904-1-65.86-АТХ-4 Общие данные (продолжение)
ТП 904-1-65.86-АТХ-5 Общие данные (продолжение)
ТП 904-1-65.86-АТХ-6 Общие данные (продолжение)
ТП 904-1-65.86-АТХ-7 Общие данные (продолжение)
ТП 904-1-65.86-АТХ-8 Общие данные (окончание)
ТП 904-1-65.86-АТХ-9 Компрессор №1. Воздушный тракт. Схема автоматизации
ТП 904-1-65.86-АТХ-10 Компрессор №1. Система водопровода. Схема автоматизации
ТП 904-1-65.86-АТХ-11 Компрессор №1. Система маслопровода. Схема автоматизации
ТП 904-1-65.86-АТХ-12 Компрессорная станция. Схема автоматизации
ТП 904-1-65.86-АТХ-13 Компрессорная станция. Принципиальная электрическая схема питания
ТП 904-1-65.86-АТХ-14 Компрессорная станция. Элементы принципиальной электрической схемы регулирования производительности
ТП 904-1-65.86-АТХ-15 Компрессорная станция. Элементы принципиальной электрической схемы регулирования производительности
ТП 904-1-65.86-АТХ-16 Компрессорная станция. Элементы принципиальной электрической схемы управления
ТП 904-1-65.86-АТХ-17 Компрессорная станция. Элементы принципиальной электрической схемы управления
ТП 904-1-65.86-АТХ-18 Компрессор №1. Принципиальная электрическая схема теплового контроля электродвигателя
ТП 904-1-65.86-АТХ-19 Компрессор №1. Элемент принципиальной электрической схемы управления двигателем компрессора
ТП 904-1-65.86-АТХ-20 Компрессор №1. Панель теплового контроля. Общий вид
ТП 904-1-65.86-АТХ-21 Компрессор №1. Панель теплового контроля. Таблица технических данных аппаратов
ТП 904-1-65.86-АТХ-22 Компрессор №1. Панель теплового контроля. Перечень надписей
ТП 904-1-65.86-АТХ-23 Компрессор №1. Панель теплового контроля. Схема соединений и внешних подключений
ТП 904-1-65.86-АТХ-24 Компрессор №1. Схема внешних электрических и трубных проводок (начало)
ТП 904-1-65.86-АТХ-25 Компрессор №1. Схема внешних электрических и трубных проводок (продолжение)
ТП 904-1-65.86-АТХ-26 Компрессор №1. Схема внешних электрических и трубных проводок (окончание)
ТП 904-1-65.86-АТХ-27 Компрессорная станция. Схема внешних электрических и трубных проводок
ТП 904-1-65.86-АТХ-28 Компрессор №1. Щит контроля управления и регулирования ЩКУ. Схема внешних подключений
ТП 904-1-65.86-АТХ-29 Компрессорная станция. Щит оператора. Схема внешних подключений
ТП 904-1-65.86-АТХ-30 Компрессорная станция. Щит оператора. Схема внешних подключений
ТП 904-1-65.86-АТХ-31 Компрессоры №1,2. Щит автоматики №1. Схема внешних подключений
ТП 904-1-65.86-АТХ-32 Компрессоры №3,4. Щит автоматики №2. Схема внешних подключений
ТП 904-1-65.86-АТХ-33 Компрессоры №1,2,3. Щит автоматики. Схема внешних подключений
ТП 904-1-65.86-АТХ-34 Журнал кабельных проводок (начало)
ТП 904-1-65.86-АТХ-35 Журнал кабельных проводок (продолжение)
ТП 904-1-65.86-АТХ-36 Журнал кабельных проводок (продолжение)
ТП 904-1-65.86-АТХ-37 Журнал кабельных проводок (окончание)
ТП 904-1-65.86-АТХ-38 Журнал кабельных проводок (начало)
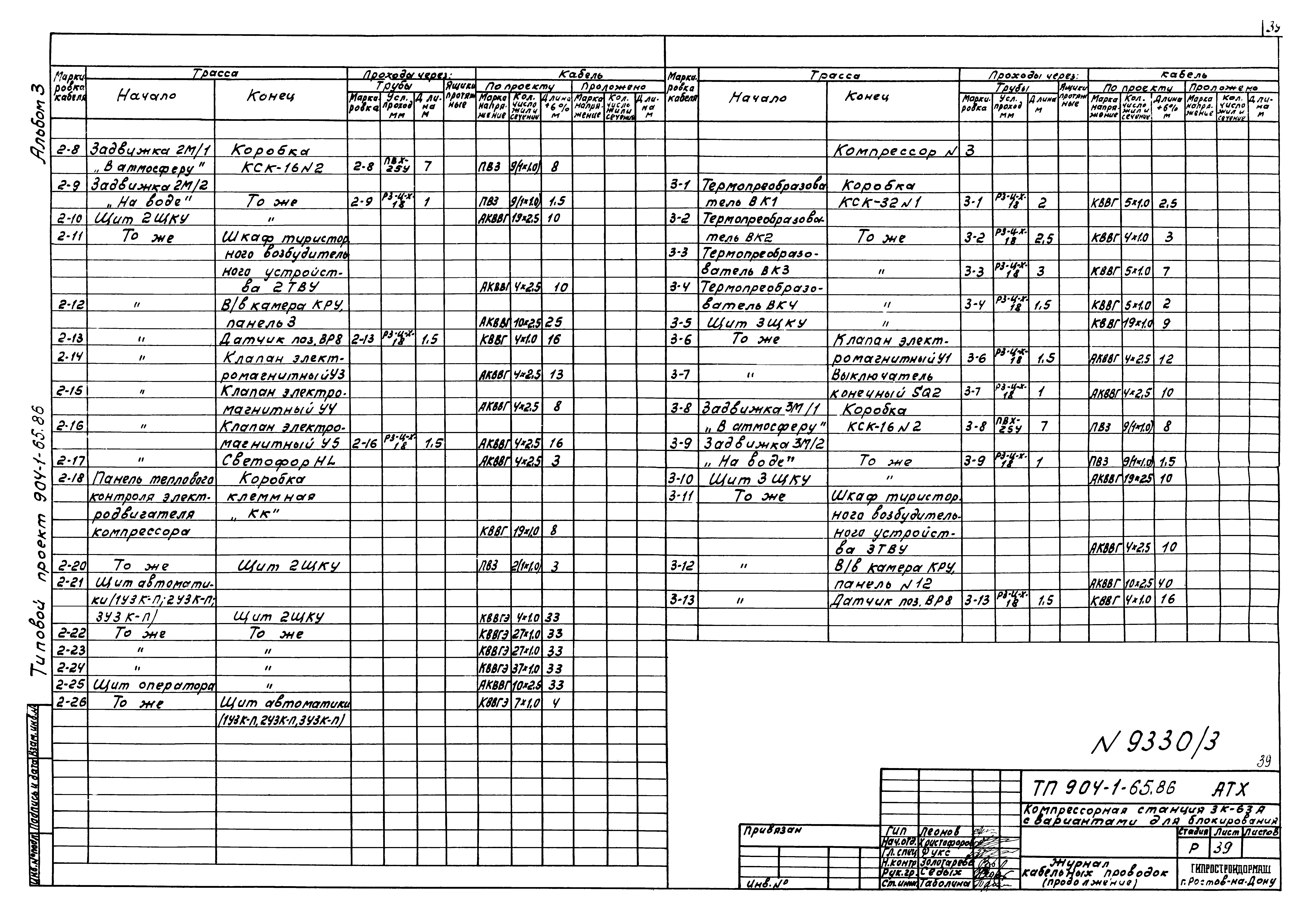
ТП 904-1-65.86-АТХ-39 Журнал кабельных проводок (продолжение)
ТП 904-1-65.86-АТХ-40 Журнал кабельных проводок (окончание)
ТП 904-1-65.86-АТХ-41 Журнал импульсных проводок
ТП 904-1-65.86-АТХ-42 Журнал импульсных проводок
ТП 904-1-65.86-АТХ-43 Компрессорная станция. План расположения средств автоматизации и проводок (начало)
ТП 904-1-65.86-АТХ-44 Компрессорная станция. План расположения средств автоматизации и проводок (окончание)
ТП 904-1-65.86-АТХ-45 Компрессорная станция. План расположения средств автоматизации и проводок (начало)
ТП 904-1-65.86-АТХ-46 Компрессорная станция. План расположения средств автоматизации и проводок (окончание)
ТП 904-1-65.86-АТХ-47 Компрессор №1. План расположения средств автоматизации и проводок
ТП 904-1-65.86-АТХ-48 Компрессорная станция. Вариант 1. План расположения средств автоматизации и проводок
ТП 904-1-65.86-АТХ-49 Компрессорная станция. Вариант 2. План расположения средств автоматизации и проводок
ТП 904-1-65.86-04.000 Панель теплового контроля
ТП 904-1-65.86-АОВ-1 Общие данные
ТП 904-1-65.86-АОВ-2 Отопительные агрегаты. Схема автоматизации
ТП 904-1-65.86-АОВ-3 Отопительные агрегаты. Схема автоматизации
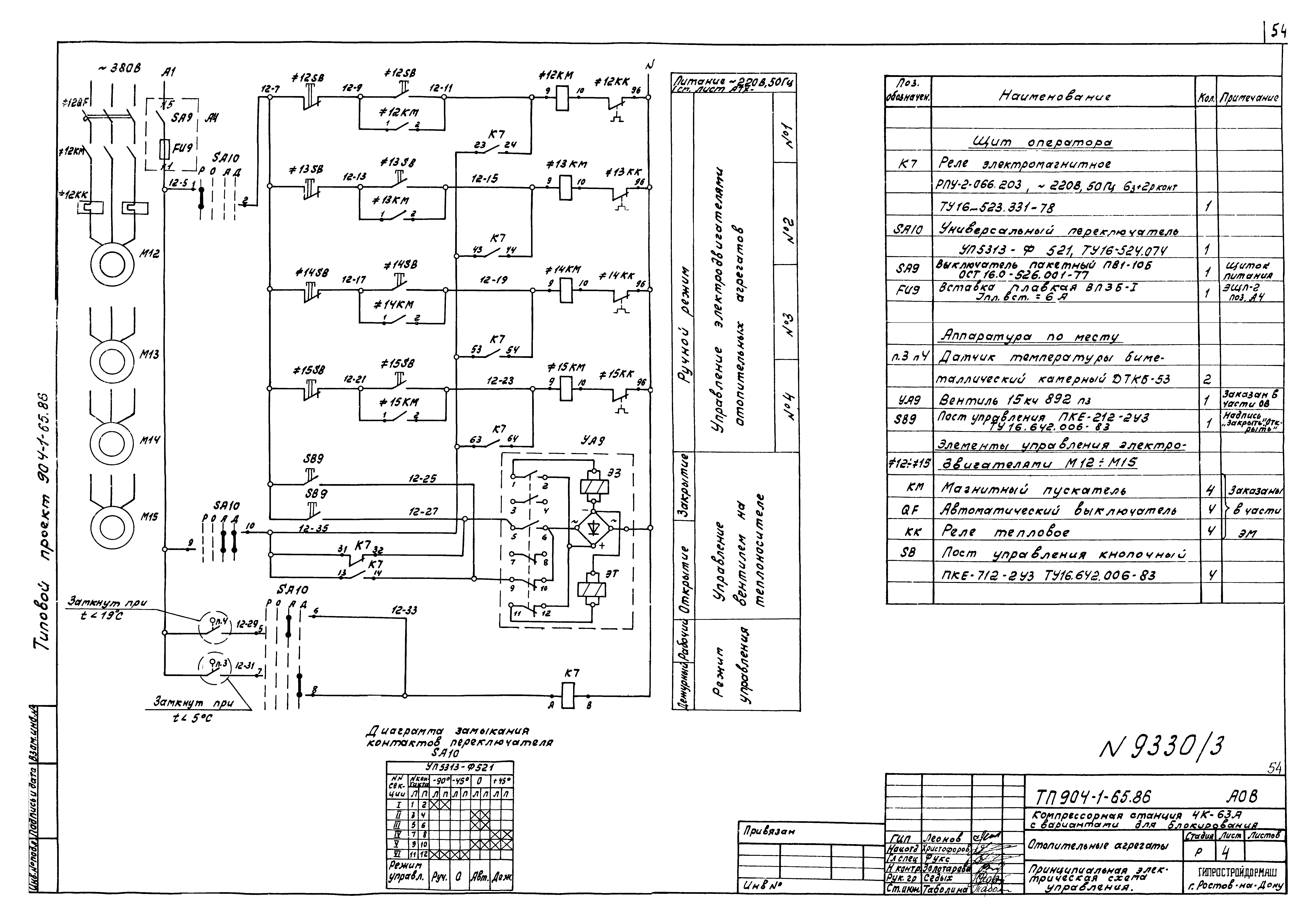
ТП 904-1-65.86-АОВ-4 Отопительные агрегаты. Принципиальная электрическая схема управления
ТП 904-1-65.86-АОВ-5 Отопительные агрегаты. Принципиальная электрическая схема управления
ТП 904-1-65.86-АОВ-6 Вентсистема В2. Электрические схемы
ТП 904-1-65.86-АОВ-7 Отопительные агрегаты. Схема внешних электрических и трубных проводок (начало)
ТП 904-1-65.86-АОВ-8 Отопительные агрегаты. Схема внешних электрических и трубных проводок (окончание)
ТП 904-1-65.86-АОВ-9 Отопительные агрегаты. Схема внешних электрических и трубных проводок (начало)
ТП 904-1-65.86-АОВ-10 Отопительные агрегаты. Схема внешних электрических и трубных проводок (окончание)
ТП 904-1-65.86-АОВ-11 Журнал кабельных проводок
ТП 904-1-65.86-АОВ-12 Журнал кабельных проводок
ТП 904-1-65.86-АОВ-13 План расположения средств автоматизации и проводок
ТП 904-1-65.86-АОВ-14 План расположения средств автоматизации и проводок
ТП 904-1-65.86-АВК-1 Общие данные (начало)
ТП 904-1-65.86-АВК-2 Общие данные (продолжение)
ТП 904-1-65.86-АВК-3 Общие данные (окончание)
ТП 904-1-65.86-АВК-4 Насосы охлажденной воды. Схема автоматизации
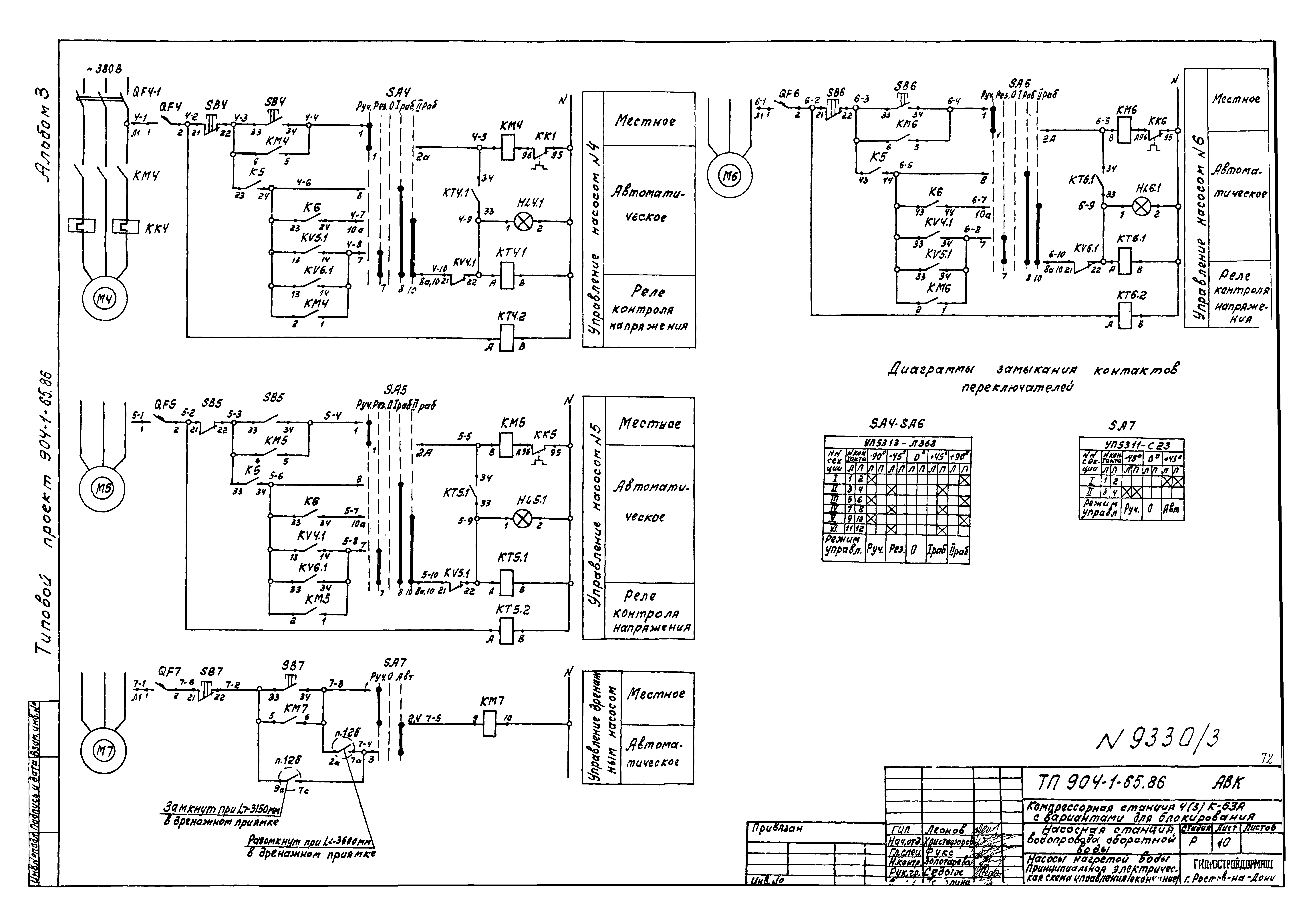
ТП 904-1-65.86-АВК-5 Насосы нагретой воды. Схема автоматизации
ТП 904-1-65.86-АВК-6 Принципиальная электрическая схема питания
ТП 904-1-65.86-АВК-7 Насосы охлажденной воды. Принципиальная электрическая схема управления (начало)
ТП 904-1-65.86-АВК-8 Насосы охлажденной воды. Принципиальная электрическая схема управления (окончание)
ТП 904-1-65.86-АВК-9 Насосы нагретой воды. Принципиальная электрическая схема управления (начало)
ТП 904-1-65.86-АВК-10 Насосы нагретой воды. Принципиальная электрическая схема управления (окончание)
ТП 904-1-65.86-АВК-11 Принципиальная электрическая схема аварийной сигнализации
ТП 904-1-65.86-АВК-12 Схема внешних электрических и трубных проводок (начало)
ТП 904-1-65.86-АВК-13 Схема внешних электрических и трубных проводок (продолжение)
ТП 904-1-65.86-АВК-14 Схема внешних электрических и трубных проводок (продолжение)
ТП 904-1-65.86-АВК-15 Схема внешних электрических и трубных проводок (окончание)
ТП 904-1-65.86-АВК-16 Щит насосной. Схема подключения
ТП 904-1-65.86-АВК-17 Журнал кабельных проводок
ТП 904-1-65.86-АВК-18 Журнал импульсных проводок
ТП 904-1-65.86-АВК-19 План расположения средств автоматизации и проводок
ТП 904-1-65.86-АВК.01.000 Насосная станция водопровода оборотной воды. Стенд №1 (№2)
ТП 904-1-65.86-АВК.02.000 Насосная станция водопровода оборотной воды. Стенд №3 (№4)
ТП 904-1-65.86-АВК.03.000 Насосная станция водопровода оборотной воды. Стенд №5
ТП 904-1-65.86-АВК.05.000 Установка кнопочного поста управления типа ПКЕ 212-2
ТП 904-1-65.86-АВК.06.000 Установка кнопочных постов управления ПКЕ 722-2,ПКЕ 222-1
ТП 904-1-65.86-АВК.05.000 СБ Установка кнопочного поста управления типа ПКЕ 212-2. Сборочный чертеж
ТП 904-1-65.86-АВК.06.000 СБ Установка кнопочных постов управления ПКЕ 722-2,ПКЕ 222-1. Сборочный чертеж
ТП 904-1-65.86-АОИ.00 Содержание альбома
ТП 904-1-65.86-АОИ.00.ТО Техническое описание к применению выпуска
ТП 904-1-65.86-АОИ.00.ДЩ Перечень технической документации
ТП 904-1-65.86 Компрессорная станция 4К-63А
ТП 904-1-65.86-АОИ.01.01 Щит оператора. Общий вид
ТП 904-1-65.86-АОИ.01.02 Щит оператора. Таблица соединений
ТП 904-1-65.86-АОИ.01.06 Щит оператора. Таблица подключения
ТП 904-1-65.86-АОИ.02.01 Щит автоматики №1. Общий вид
ТП 904-1-65.86-АОИ.02.02 Щит автоматики №1. Таблица соединений
ТП 904-1-65.86-АОИ.02.03 Щит автоматики №1. Таблица подключения
ТП 904-1-65.86-АОИ.03.01 Щит автоматики №2. Общий вид
ТП 904-1-65.86-АОИ.03.02 Щит автоматики №2. Таблица соединений
ТП 904-1-65.86-АОИ.03.03 Щит автоматики №2. Таблица подключения
ТП 904-1-65.86 Компрессорная станция 3К-63А
ТП 904-1-65.86-АОИ.04.01 Щит оператора. Общий вид
ТП 904-1-65.86-АОИ.04.02 Щит оператора. Таблица соединений
ТП 904-1-65.86-АОИ.04.03 Щит оператора. Таблица подключения
ТП 904-1-65.86-АОИ.05.01 Щит автоматики. Общий вид
ТП 904-1-65.86-АОИ.05.02 Щит автоматики. Таблица соединений
ТП 904-1-65.86-АОИ.05.03 Щит автоматики. Таблица подключения
ТП 904-1-65.86 Компрессорная станция 4(3)К-63А
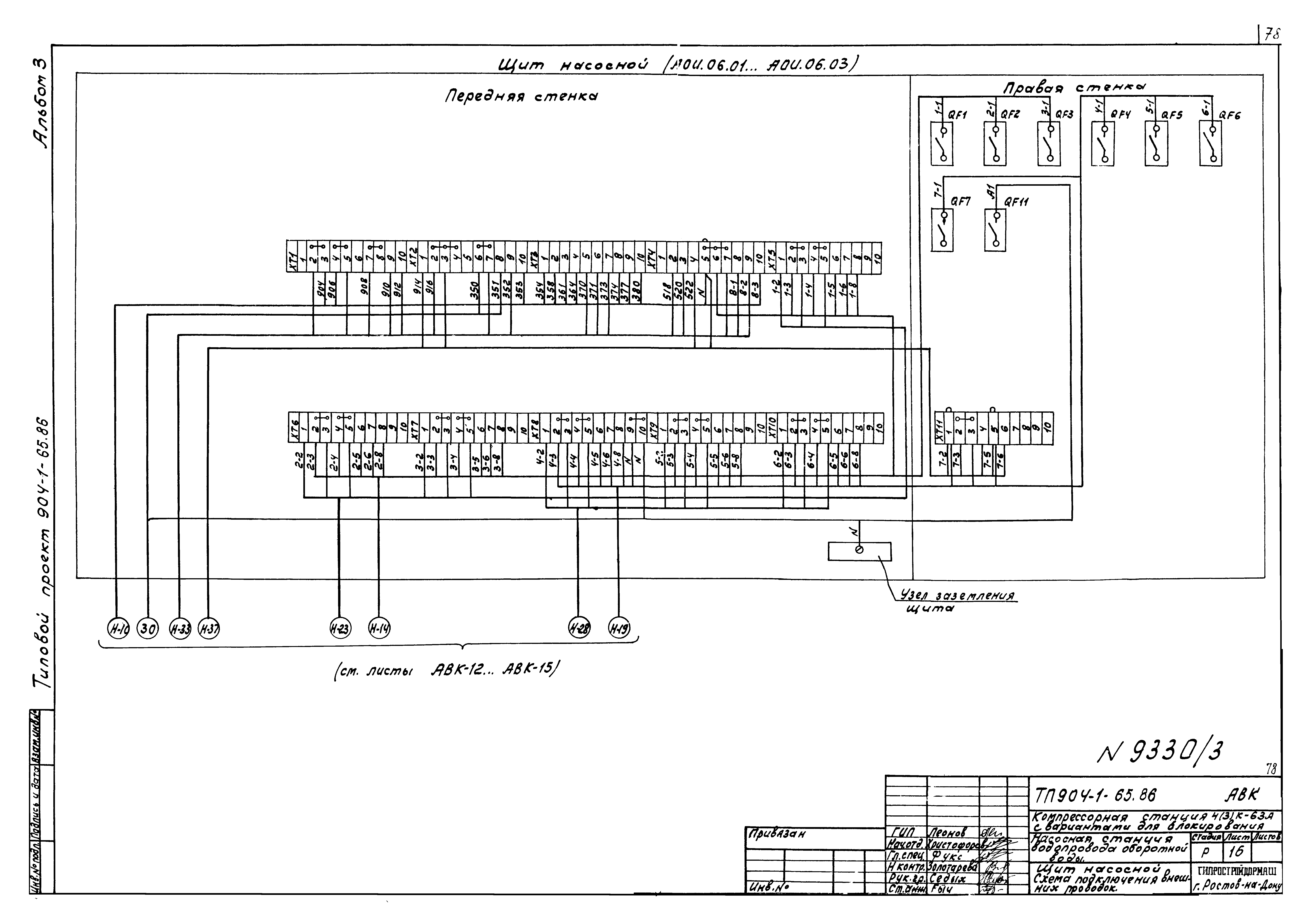
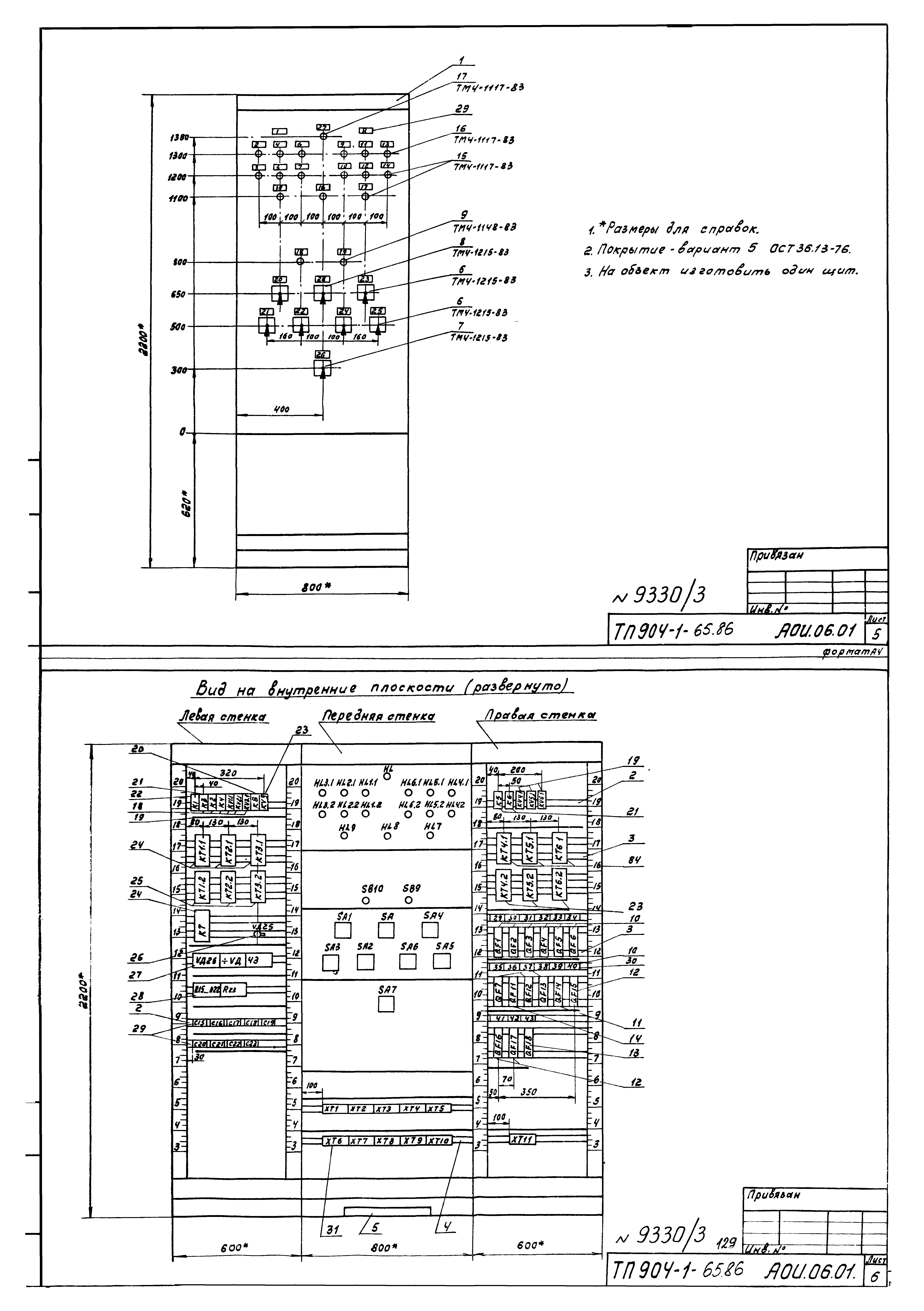
ТП 904-1-65.86-АОИ.06.01 Щит насосной. Общий вид
ТП 904-1-65.86-АОИ.06.02 Щит насосной. Таблица соединений
ТП 904-1-65.86-АОИ.06.03 Щит насосной. Таблица подключения
Разработан: Гипростройдормаш
Утверждён:16.07.1986 Минстройдормаш (Minstroydormash 26/86)
Расположен в:Техническая документация Строительство Справочные документы Типовые строительные конструкции, изделия и узлы Общероссийский строительный каталог Промышленные предприятия, здания и сооружения Здания и сооружения санитарно-технические Воздухоснабжение, вентиляция и кондиционирование воздуха Воздухоснабжение
Типовой проект 904-1-65.86Типовой проект 904-1-65.86Типовой проект 904-1-65.86Типовой проект 904-1-65.86Типовой проект 904-1-65.86Типовой проект 904-1-65.86Типовой проект 904-1-65.86Типовой проект 904-1-65.86Типовой проект 904-1-65.86Типовой проект 904-1-65.86Типовой проект 904-1-65.86Типовой проект 904-1-65.86Типовой проект 904-1-65.86Типовой проект 904-1-65.86Типовой проект 904-1-65.86Типовой проект 904-1-65.86Типовой проект 904-1-65.86Типовой проект 904-1-65.86Типовой проект 904-1-65.86Типовой проект 904-1-65.86Типовой проект 904-1-65.86Типовой проект 904-1-65.86Типовой проект 904-1-65.86Типовой проект 904-1-65.86Типовой проект 904-1-65.86Типовой проект 904-1-65.86Типовой проект 904-1-65.86Типовой проект 904-1-65.86Типовой проект 904-1-65.86Типовой проект 904-1-65.86Типовой проект 904-1-65.86Типовой проект 904-1-65.86Типовой проект 904-1-65.86Типовой проект 904-1-65.86Типовой проект 904-1-65.86Типовой проект 904-1-65.86Типовой проект 904-1-65.86Типовой проект 904-1-65.86Типовой проект 904-1-65.86Типовой проект 904-1-65.86Типовой проект 904-1-65.86Типовой проект 904-1-65.86Типовой проект 904-1-65.86Типовой проект 904-1-65.86Типовой проект 904-1-65.86Типовой проект 904-1-65.86Типовой проект 904-1-65.86Типовой проект 904-1-65.86Типовой проект 904-1-65.86Типовой проект 904-1-65.86Типовой проект 904-1-65.86Типовой проект 904-1-65.86Типовой проект 904-1-65.86Типовой проект 904-1-65.86Типовой проект 904-1-65.86Типовой проект 904-1-65.86Типовой проект 904-1-65.86Типовой проект 904-1-65.86Типовой проект 904-1-65.86Типовой проект 904-1-65.86Типовой проект 904-1-65.86Типовой проект 904-1-65.86Типовой проект 904-1-65.86Типовой проект 904-1-65.86Типовой проект 904-1-65.86Типовой проект 904-1-65.86Типовой проект 904-1-65.86Типовой проект 904-1-65.86Типовой проект 904-1-65.86Типовой проект 904-1-65.86Типовой проект 904-1-65.86Типовой проект 904-1-65.86Типовой проект 904-1-65.86Типовой проект 904-1-65.86Типовой проект 904-1-65.86Типовой проект 904-1-65.86Типовой проект 904-1-65.86Типовой проект 904-1-65.86Типовой проект 904-1-65.86Типовой проект 904-1-65.86Типовой проект 904-1-65.86Типовой проект 904-1-65.86Типовой проект 904-1-65.86Типовой проект 904-1-65.86Типовой проект 904-1-65.86Типовой проект 904-1-65.86Типовой проект 904-1-65.86Типовой проект 904-1-65.86Типовой проект 904-1-65.86Типовой проект 904-1-65.86Типовой проект 904-1-65.86Типовой проект 904-1-65.86Типовой проект 904-1-65.86Типовой проект 904-1-65.86Типовой проект 904-1-65.86Типовой проект 904-1-65.86Типовой проект 904-1-65.86Типовой проект 904-1-65.86Типовой проект 904-1-65.86Типовой проект 904-1-65.86Типовой проект 904-1-65.86Типовой проект 904-1-65.86Типовой проект 904-1-65.86Типовой проект 904-1-65.86Типовой проект 904-1-65.86Типовой проект 904-1-65.86Типовой проект 904-1-65.86Типовой проект 904-1-65.86Типовой проект 904-1-65.86Типовой проект 904-1-65.86Типовой проект 904-1-65.86Типовой проект 904-1-65.86Типовой проект 904-1-65.86Типовой проект 904-1-65.86Типовой проект 904-1-65.86Типовой проект 904-1-65.86Типовой проект 904-1-65.86Типовой проект 904-1-65.86Типовой проект 904-1-65.86Типовой проект 904-1-65.86Типовой проект 904-1-65.86Типовой проект 904-1-65.86Типовой проект 904-1-65.86Типовой проект 904-1-65.86Типовой проект 904-1-65.86Типовой проект 904-1-65.86Типовой проект 904-1-65.86Типовой проект 904-1-65.86Типовой проект 904-1-65.86Типовой проект 904-1-65.86Типовой проект 904-1-65.86Типовой проект 904-1-65.86Типовой проект 904-1-65.86Типовой проект 904-1-65.86Типовой проект 904-1-65.86Типовой проект 904-1-65.86Типовой проект 904-1-65.86Типовой проект 904-1-65.86Типовой проект 904-1-65.86Типовой проект 904-1-65.86Типовой проект 904-1-65.86Типовой проект 904-1-65.86

© 2013 Ёшкин Кот :-) Карта сайта