| ||||||||||||||||||||||||
Скачать Типовые проектные решения 904-02-6 Альбом 0. Часть 1. Рекомендации по применению. Пояснительная записка. Технологические схемыДата актуализации: 10.08.2017
|
| Обозначение: | Типовые проектные решения 904-02-6 |
| Обозначение англ: | 904-02-6 |
| Статус: | cправочные материалы, мп, тпр |
| Название рус.: | Альбом 0. Часть 1. Рекомендации по применению. Пояснительная записка. Технологические схемы |
| Дата добавления в базу: | 01.09.2013 |
| Дата актуализации: | 05.05.2017 |
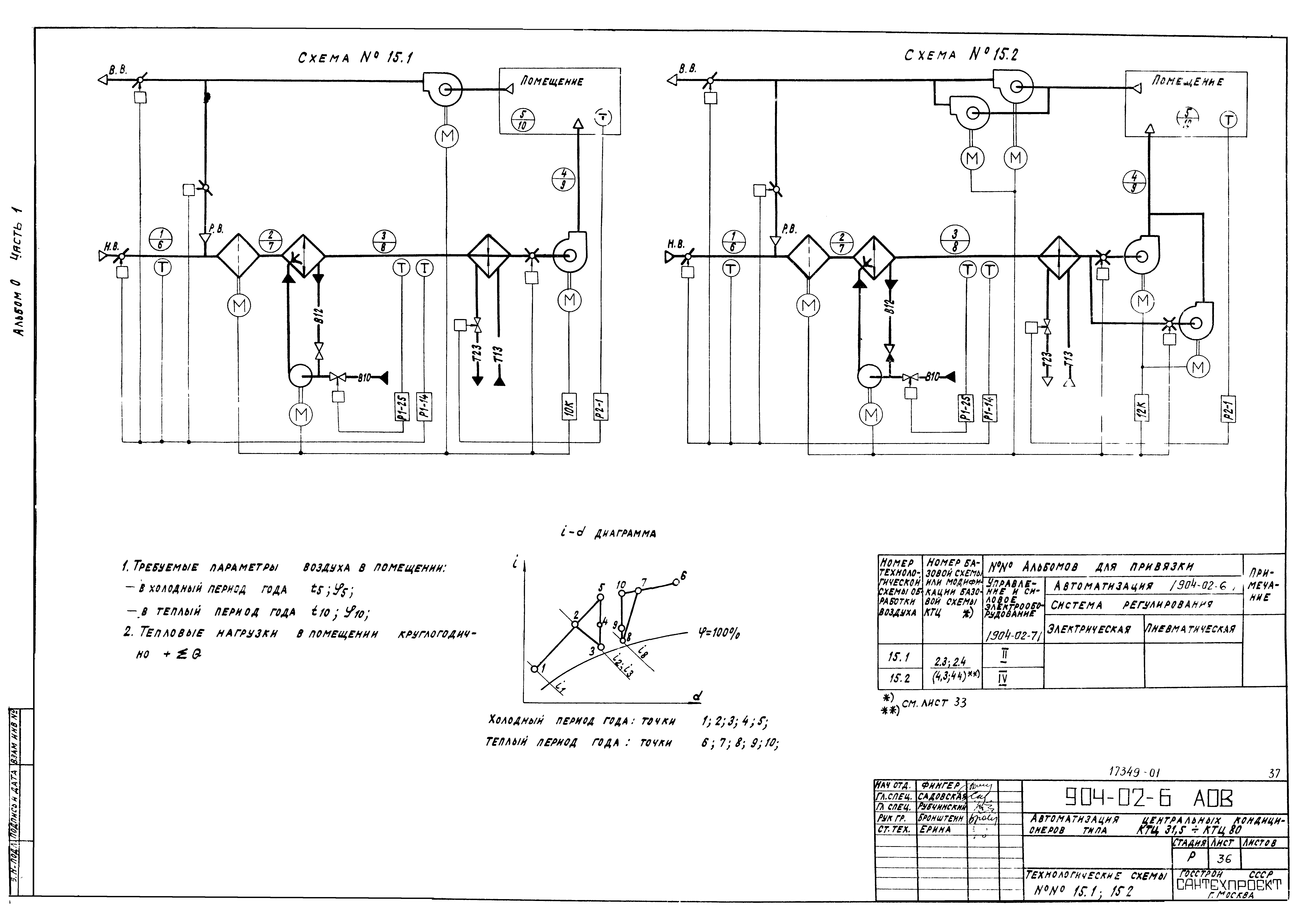
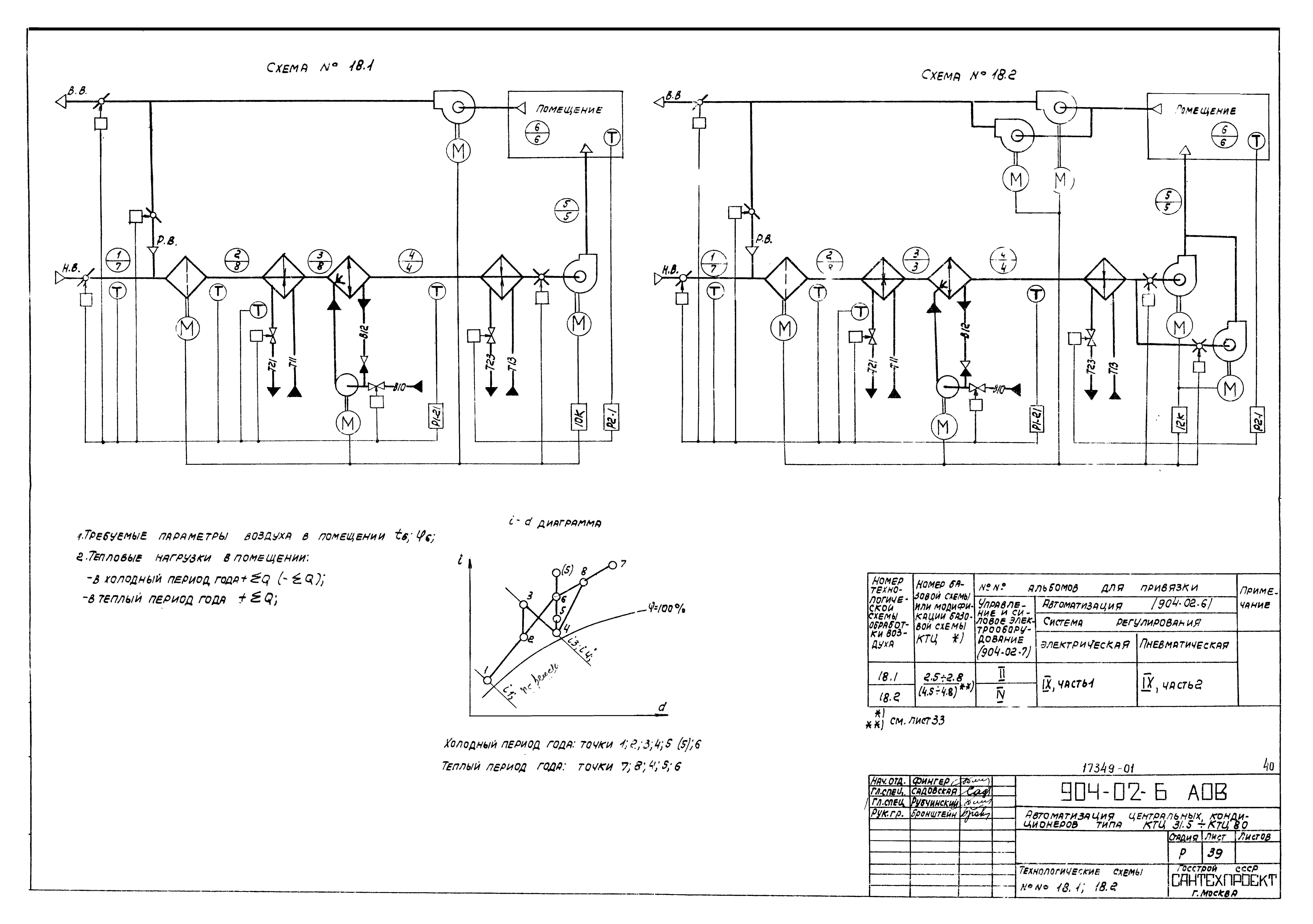
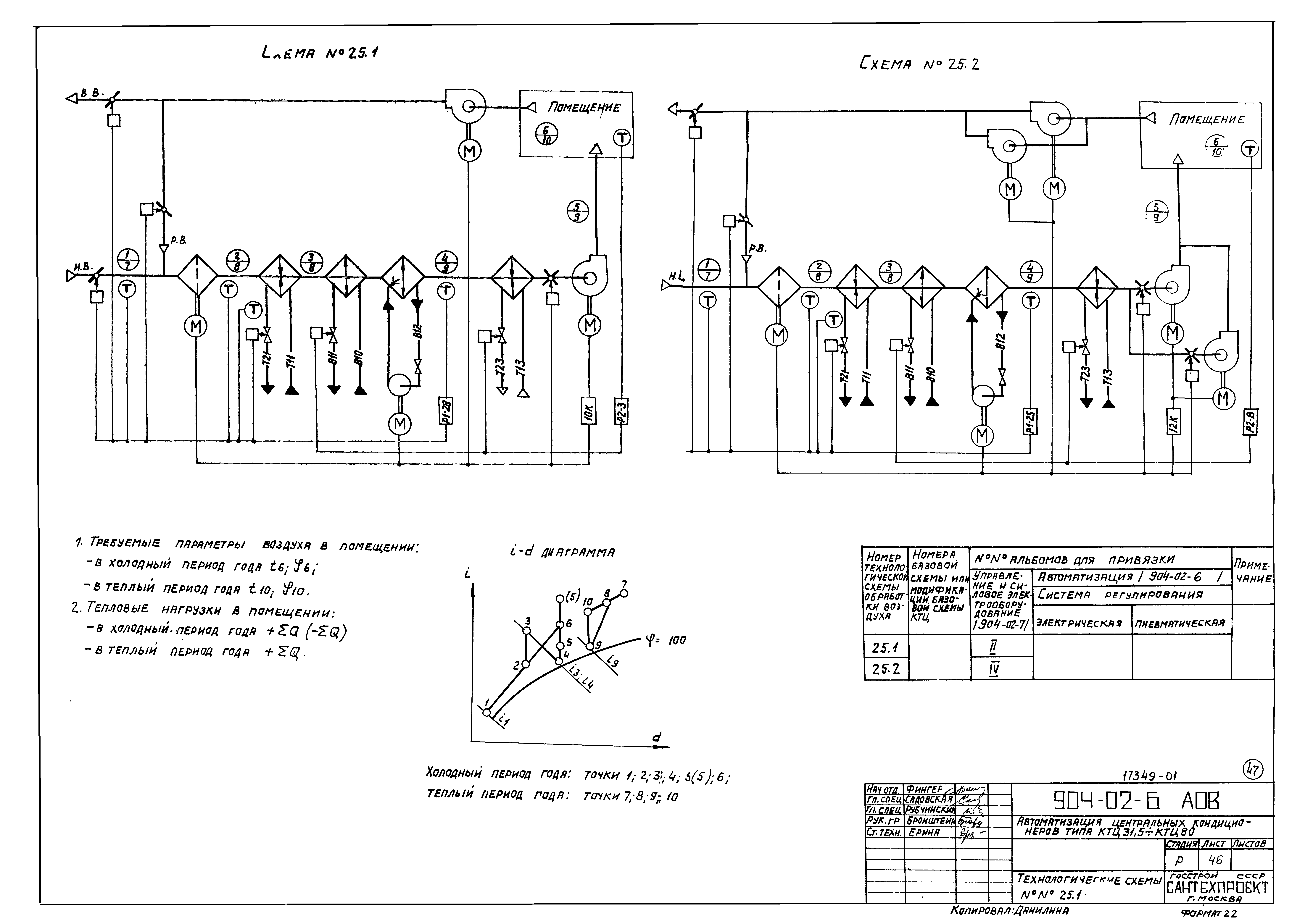
| Оглавление: | Часть 1 ТП 904-02-6 АОВ Общие данные ТП 904-02-6 АОВ Пояснительная записка ТП 904-02-6 АОВ 1. Технологические схемы обработки воздуха ТП 904-02-6 АОВ 2. Схемы регулирования ТП 904-02-6 АОВ 3. Схемы управления ТП 904-02-6 АОВ 4. Приборы и средства автоматизации и их размещение ТП 904-02-6 АОВ 5. Размещение аппаратуры управления и силового электрооборудования ТП 904-02-6 АОВ 6. Рекомендации по составлению заданий на проектирование автоматизации, управления и силового электрооборудования ТП 904-02-6 АОВ 7. Указания по привязке альбомов 1-12, части 1 и 2 раздела "Автоматизация" ТП 904-02-6 АОВ Технологические схемы (чертежи) |
| Разработан: | Сантехпроект Госстроя СССР |
| Утверждён: | 15.08.1981 Главпромстройпроект Госстроя СССР (47) |
| Расположен в: |














































