Информационная система
«Ёшкин Кот»

Скачать базу одним архивом
Скачать обновления
История создания базы
Карта сайта

Скачать Типовой проект 902-5-36.86 Альбом IV. Строительные изделия

Дата актуализации: 10.08.2017

Типовой проект 902-5-36.86

Альбом IV. Строительные изделия

Обозначение: Типовой проект 902-5-36.86
Обозначение англ: 902-5-36.86
Статус:не определен законодательством
Название рус.:Альбом IV. Строительные изделия
Дата добавления в базу:01.09.2013
Дата актуализации:05.05.2017
Дата введения:05.06.1986
Оглавление:ТП 902-5-36.86 Содержание альбома
ТП 902-5-36.86 КЖИ.01.00.00 Колонны К1-К7 (см. табл.исполнений)
ТП 902-5-36.86 КЖИ.02.00.00 Колонна 8КФ 109-1а (К-8)
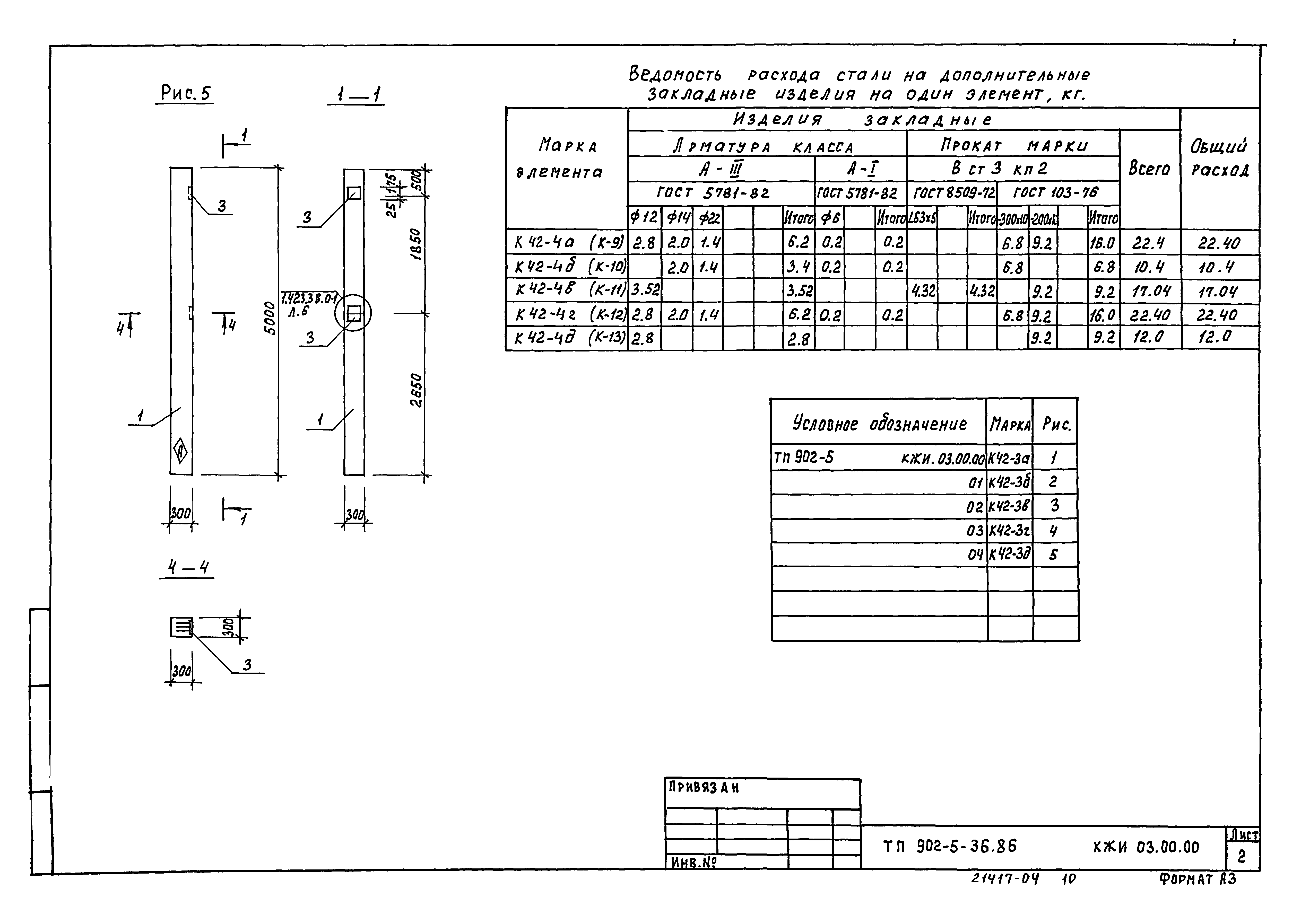
ТП 902-5-36.86 КЖИ.03.00.00 Колонны К9-К13 (см. таблицу исполнений)
ТП 902-5-36.86 КЖИ.04.00.00 Колонна 1КФ49-1а (К-14)
ТП 902-5-36.86 КЖИ.05.00.00 Колонны К15-К20 (см.табл.исполнений)
ТП 902-5-36.86 КЖИ.06.00.00 Колонны К1;К3;К9;К10;К12;К13 (см. табл.исполн.)
ТП 902-5-36.86 КЖИ.07.00.00 Колонны К4;К11;К14 (см.табл.исполн.)
ТП 902-5-36.86 КЖИ.08.00.00 Колонны 2К3.3б-1а;2К3.3б-1б(К-5;К-6)
ТП 902-5-36.86 КЖИ.09.00.00 Колонны 1К03.3б-2.1а,1К03.3б-2.1б(К-7,К-8)
ТП 902-5-36.86 КЖИ.10.00.00 Балка 1БДР18-2АIVто (Б-1)
ТП 902-5-36.86 КЖИ.11.00.00 Балка 1БДР18-3АIVто (Б-2)
ТП 902-5-36.86 КЖИ.12.00.00 Балка 2БСП12-7АТVа (Б-3)
ТП 902-5-36.86 КЖИ.13.00.00 Балка 1БСП12-5АТVа (Б-4)
ТП 902-5-36.86 КЖИ.14.00.00 Балка 1БСП12-2АТVа (Б-5)
ТП 902-5-36.86 КЖИ.15.00.00 Плита П1,П2,П4,П6-П10,П12(см.табл.исполн.)
ТП 902-5-36.86 КЖИ.16.00.00 Плита ПРС56.15-6АVта (П-4)
ТП 902-5-36.86 КЖИ.17.00.00 Плита ПРС56.15-6АVтб (П-10)
ТП 902-5-36.86 КЖИ.18.00.00 Диафрагма 1ДП30-36а(Д-5)
ТП 902-5-36.86 КЖИ.19.00.00 Диафрагма 1Д30-36б(Д-6)
ТП 902-5-36.86 КЖИ.20.00.00 Плита П19-15а(П-1)
ТП 902-5-36.86 КЖИ.21.00.00 Панель стеновая ПСР-1;ПСР-1а,ПСР-1б
ТП 902-5-36.86 КЖИ.22.00.00 Панель стеновая ПСР1-1,ПСР1-1а,ПСР1-1б,ПСР1-1б
ТП 902-5-36.86 КЖИ.23.00.00 Панель стеновая ПС1-30-Б2÷ПС1-30-Б2-3(ПС2-ПС4)
ТП 902-5-36.86 КЖИ.24.00.00 Колонна А СМ-1
ТП 902-5-36.86 КЖИ.25.00.00 Балка БМ-1
ТП 902-5-36.86 КЖИ.26.00.00 Стойка фахверка К-21
ТП 902-5-36.86 КЖИ.27.00.00 Решетка металлическая РМ1,РМ2
ТП 902-5-36.86 КЖИ.28.00.00 Металлический щит Щ-1
ТП 902-5-36.86 КЖИ.29.00.00 Металлический щит Щ-2
ТП 902-5-36.86 КЖИ.30.00.00 Металлический щит Щ-3
ТП 902-5-36.86 КЖИ.31.00.00 Металлический щит Щ-4
ТП 902-5-36.86 КЖИ.32.00.00 Рама РМ-3
ТП 902-5-36.86 КЖИ.33.00.00 Рама РМ-4
ТП 902-5-36.86 КЖИ.34.00.00 Решетка Р-1
ТП 902-5-36.86 КЖИ.35.00.00 Элемент соединения МС-1
ТП 902-5-36.86 КЖИ.36.00.00 Элемент соединения МС-2
ТП 902-5-36.86 КЖИ.37.00.00 Элемент соединения МС-3
ТП 902-5-36.86 КЖИ.38.00.00 Закладная деталь 3Д-1
ТП 902-5-36.86 КЖИ.39.00.00 Изделие закладное МН-1
ТП 902-5-36.86 КЖИ.40.00.00 Закладная деталь 3Д-2
ТП 902-5-36.86 КЖИ.41.00.00 Закладная деталь 3Д-3
ТП 902-5-36.86 КЖИ.42.00.00 Каркас пространственный КП1
ТП 902-5-36.86 КЖИ.43.00.00 Каркас плоский КР1
ТП 902-5-36.86 КЖИ.44.00.00 Каркас КР-1
ТП 902-5-36.86 КЖИ.45.00.00 Каркас КР-2
ТП 902-5-36.86 КЖИ.46.00.00 Анкер А-2
ТП 902-5-36.86 КЖИ.47.00.00 Анкер А-3
ТП 902-5-36.86 КЖИ.48.00.00 Анкера А-4,А-5,А-6
ТП 902-5-36.86 КЖИ.49.00.00 Изделие закладное МН-2
ТП 902-5-36.86 КЖИ.50.00.00 Анкер А-1
ТП 902-5-36.86 КЖИ.51.00.00 Закладная деталь ЗД-4
ТП 902-5-36.86 КЖИ.52.00.00 Плита перекрытия 2П1-4АIVа(П-2)
ТП 902-5-36.86 КЖИ.53.00.00 Изделие закладное РМ5
ТП 902-5-36.86 КЖИ.54.00.00 Изделие закладное РМ6
ТП 902-5-36.86 КЖИ.55.00.00 Стойка фахверка СФ1а
ТП 902-5-36.86 КЖИ.56.00.00 Стойка фахверка СФ1б
Разработан: ЦНИИЭП иженерного оборудования
Утверждён:14.03.1986 Госгражданстрой (Gosgrazhdanstroy 88)
Расположен в:Техническая документация Строительство Справочные документы Типовые строительные конструкции, изделия и узлы Общероссийский строительный каталог Промышленные предприятия, здания и сооружения Здания и сооружения санитарно-технические Канализация Сооружения для очистки производственных сточных вод Сооружения для обработки осадка
Типовой проект 902-5-36.86Типовой проект 902-5-36.86Типовой проект 902-5-36.86Типовой проект 902-5-36.86Типовой проект 902-5-36.86Типовой проект 902-5-36.86Типовой проект 902-5-36.86Типовой проект 902-5-36.86Типовой проект 902-5-36.86Типовой проект 902-5-36.86Типовой проект 902-5-36.86Типовой проект 902-5-36.86Типовой проект 902-5-36.86Типовой проект 902-5-36.86Типовой проект 902-5-36.86Типовой проект 902-5-36.86Типовой проект 902-5-36.86Типовой проект 902-5-36.86Типовой проект 902-5-36.86Типовой проект 902-5-36.86Типовой проект 902-5-36.86Типовой проект 902-5-36.86Типовой проект 902-5-36.86Типовой проект 902-5-36.86Типовой проект 902-5-36.86Типовой проект 902-5-36.86Типовой проект 902-5-36.86Типовой проект 902-5-36.86Типовой проект 902-5-36.86Типовой проект 902-5-36.86Типовой проект 902-5-36.86Типовой проект 902-5-36.86Типовой проект 902-5-36.86Типовой проект 902-5-36.86Типовой проект 902-5-36.86Типовой проект 902-5-36.86Типовой проект 902-5-36.86Типовой проект 902-5-36.86Типовой проект 902-5-36.86Типовой проект 902-5-36.86Типовой проект 902-5-36.86Типовой проект 902-5-36.86Типовой проект 902-5-36.86Типовой проект 902-5-36.86Типовой проект 902-5-36.86Типовой проект 902-5-36.86Типовой проект 902-5-36.86Типовой проект 902-5-36.86Типовой проект 902-5-36.86Типовой проект 902-5-36.86Типовой проект 902-5-36.86Типовой проект 902-5-36.86Типовой проект 902-5-36.86Типовой проект 902-5-36.86Типовой проект 902-5-36.86Типовой проект 902-5-36.86

© 2013 Ёшкин Кот :-) Карта сайта