Информационная система
«Ёшкин Кот»

Скачать базу одним архивом
Скачать обновления
История создания базы
Карта сайта

Скачать Типовой проект 903-1-244.87 Альбом 11. Автоматизация. Схемы функциональные

Дата актуализации: 10.08.2017

Типовой проект 903-1-244.87

Альбом 11. Автоматизация. Схемы функциональные

Обозначение: Типовой проект 903-1-244.87
Обозначение англ: 903-1-244.87
Статус:не определен законодательством
Название рус.:Альбом 11. Автоматизация. Схемы функциональные
Дата добавления в базу:01.09.2013
Дата актуализации:05.05.2017
Дата введения:17.04.1987
Оглавление:ТП 903-1-244.87-АТМ1 Титульный лист
ТП 903-1-244.87-АТМ1-1 Общие данные (начало)
ТП 903-1-244.87-АТМ1-2 Общие данные (продолжение)
ТП 903-1-244.87-АТМ1-3 Общие данные (продолжение)
ТП 903-1-244.87-АТМ1-4 Общие данные (окончание)
ТП 903-1-244.87-АТМ1-5 Котел ДЕ-10-14ГМ №1(2,3,4). Схема автоматизации функциональная (начало)
ТП 903-1-244.87-АТМ1-6 Котел ДЕ-10-14ГМ №1(2,3,4). Схема автоматизации функциональная (окончание)
ТП 903-1-244.87-АТМ1-7 Котел ДЕ-10-14ГМ №1(2,3,4). Щит котла ДЕ. Щит общих замеров. Схемы подключения
ТП 903-1-244.87-АТМ1-8 Котел ДЕ-10-14ГМ №1(2,3,4). Схема соединений внешних проводок (начало)
ТП 903-1-244.87-АТМ1-9 Котел ДЕ-10-14ГМ №1(2,3,4). Схема соединений внешних проводок (продолжение)
ТП 903-1-244.87-АТМ1-10 Котел ДЕ-10-14ГМ №1(2,3,4). Схема соединений внешних проводок (продолжение)
ТП 903-1-244.87-АТМ1-11 Котел ДЕ-10-14ГМ №1(2,3,4). Схема соединений внешних проводок (продолжение)
ТП 903-1-244.87-АТМ1-12 Котел ДЕ-10-14ГМ №1(2,3,4). Схема соединений внешних проводок (окончание)
ТП 903-1-244.87-АТМ1-13 Котел ДЕ-10-14ГМ №1(2,3,4). Блок местных приборов (Начало)
ТП 903-1-244.87-АТМ1-14 Котел ДЕ-10-14ГМ №1(2,3,4). Блок местных приборов (Окончание)
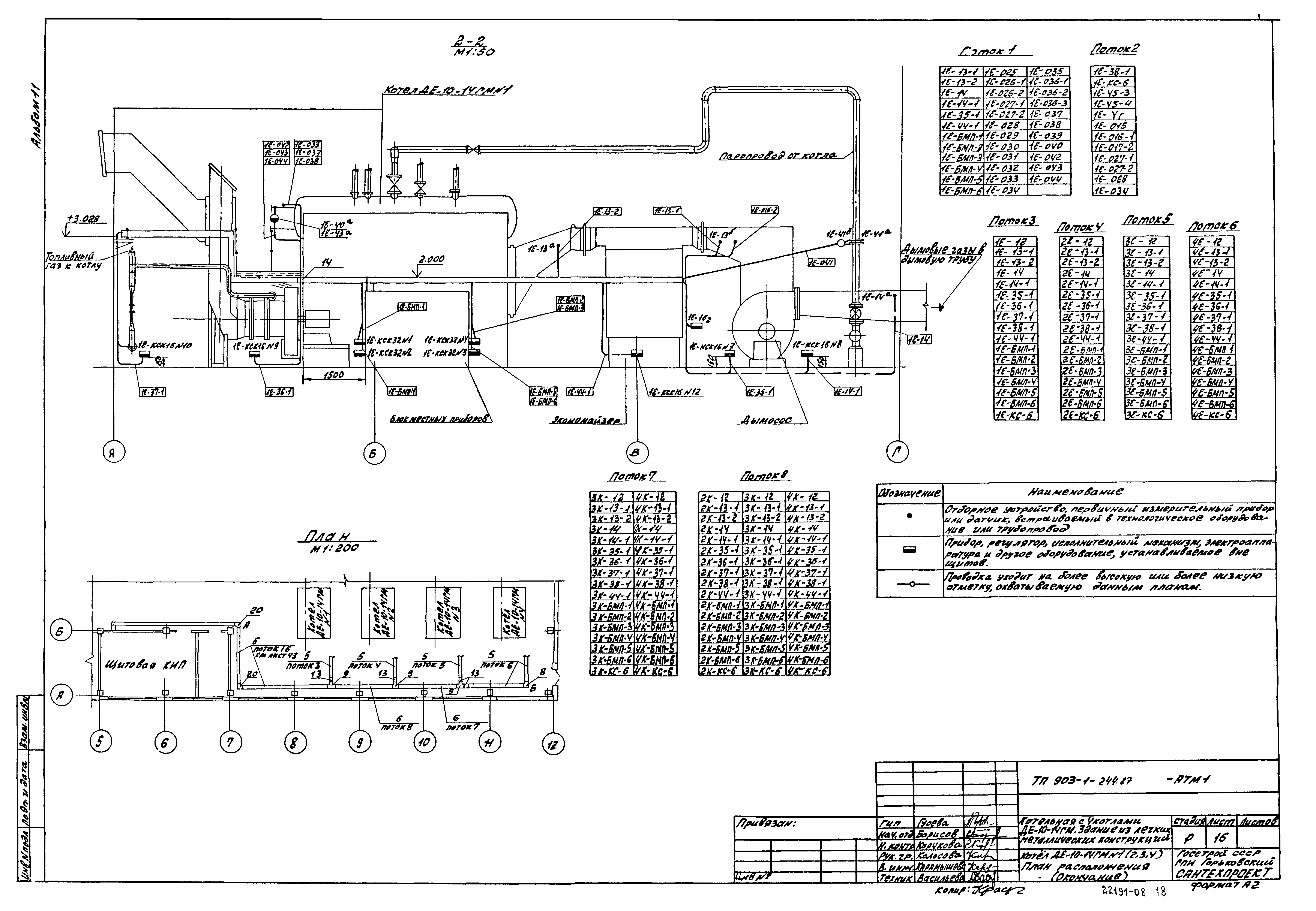
ТП 903-1-244.87-АТМ1-15 Котел ДЕ-10-14ГМ №1(2,3,4). План расположения (Начало)
ТП 903-1-244.87-АТМ1-16 Котел ДЕ-10-14ГМ №1(2,3,4). План расположения (Окончание)
ТП 903-1-244.87-АТМ1-17 Вспомогательное оборудование. Схема автоматизации функциональная (Начало)
ТП 903-1-244.87-АТМ1-18 Вспомогательное оборудование. Схема автоматизации функциональная (Продолжение)
ТП 903-1-244.87-АТМ1-19 Вспомогательное оборудование. Схема автоматизации функциональная (Продолжение)
ТП 903-1-244.87-АТМ1-20 Вспомогательное оборудование. Схема автоматизации функциональная (Окончание)
ТП 903-1-244.87-АТМ1-21 Вспомогательное оборудование. Схема соединений внешних проводок (Начало)
ТП 903-1-244.87-АТМ1-22 Вспомогательное оборудование. Схема соединений внешних проводок (Продолжение)
ТП 903-1-244.87-АТМ1-23 Вспомогательное оборудование. Схема соединений внешних проводок (Продолжение)
ТП 903-1-244.87-АТМ1-24 Вспомогательное оборудование. Схема соединений внешних проводок (Продолжение)
ТП 903-1-244.87-АТМ1-25 Вспомогательное оборудование. Схема соединений внешних проводок (Окончание)
ТП 903-1-244.87-АТМ1-26 Блок горячего водоснабжения. Схема автоматизации функциональная
ТП 903-1-244.87-АТМ1-27 Блок горячего водоснабжения. Схема соединений внешних проводок
ТП 903-1-244.87-АТМ1-28 Блок приготовления омагниченной воды. Схема автоматизации функциональная. Схема соединений внешних проводок
ТП 903-1-244.87-АТМ1-29 Блок сбора конденсата и обратного водоснабжения. Схема автоматизации функциональная
ТП 903-1-244.87-АТМ1-30 Блок сбора конденсата и обратного водоснабжения. Схема соединения внешних проводок
ТП 903-1-244.87-АТМ1-31 Блок Nа-катионитных фильтров 1ст. Поз.А1. Схема автоматизации функциональная. Схема соединений внешних проводок
ТП 903-1-244.87-АТМ1-32 Блок Nа-катионитных фильтров 2ст. Поз.А2. Схема автоматизации функциональная. Схема соединений внешних проводок
ТП 903-1-244.87-АТМ1-33 Блок Nа-катионитных фильтров 1ст. Поз.А3. Схема автоматизации функциональная. Схема соединений внешних проводок
ТП 903-1-244.87-АТМ1-34 Блок очистки конденсата. Схема автоматизации функциональная. Схема соединений внешних проводок
ТП 903-1-244.87-АТМ1-35 Узел управления. Схема автоматизации функциональная. Схема соединений внешних проводок
ТП 903-1-244.87-АТМ1-36 Щит управления вспомогательного оборудования №1. Схема подключения
ТП 903-1-244.87-АТМ1-37 Щит управления вспомогательного оборудования №2. Схема подключения
ТП 903-1-244.87-АТМ1-38 Вспомогательное оборудование. Блок местных приборов №1 (начало)
ТП 903-1-244.87-АТМ1-39 Вспомогательное оборудование. Блок местных приборов №1 (окончание)
ТП 903-1-244.87-АТМ1-40 Вспомогательное оборудование. Блок местных приборов №2
ТП 903-1-244.87-АТМ1-41 Вспомогательное оборудование. План расположения (начало)
ТП 903-1-244.87-АТМ1-42 Вспомогательное оборудование. План расположения (продолжение)
ТП 903-1-244.87-АТМ1-43 Вспомогательное оборудование. План расположения (продолжение)
ТП 903-1-244.87-АТМ1-44 Вспомогательное оборудование. План расположения (окончание)
ТП 903-1-244.87-АТМ1-45 Диафрагма с коническим входом на мазутопроводе к котлам поз. 49а
ТП 903-1-244.87-АТМ1-46 Сочленение МЭО-250/25-0.25р с заслонкой тройника газохода
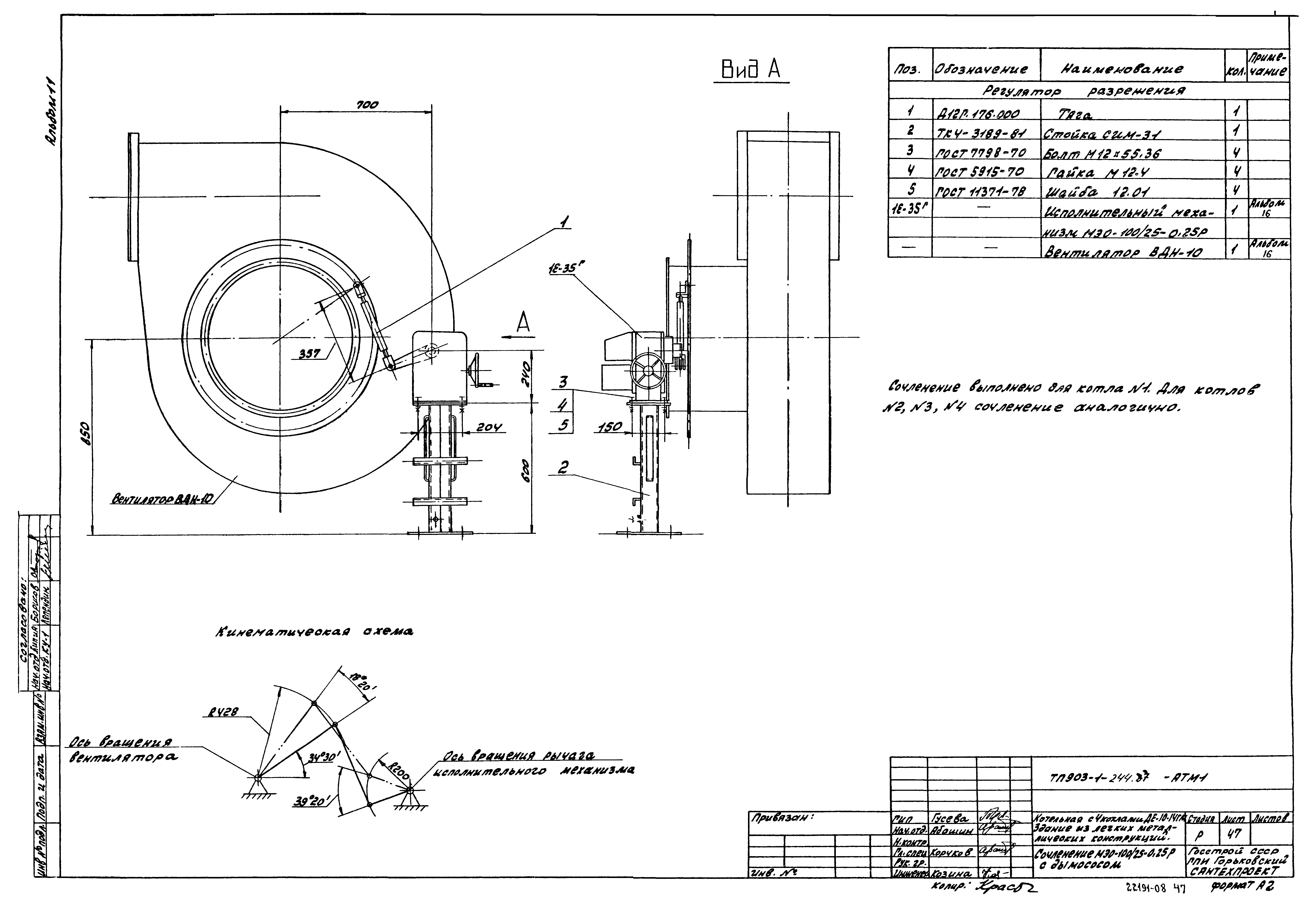
ТП 903-1-244.87-АТМ1-47 Сочленение МЭО-100/25-0.25р с дымососом
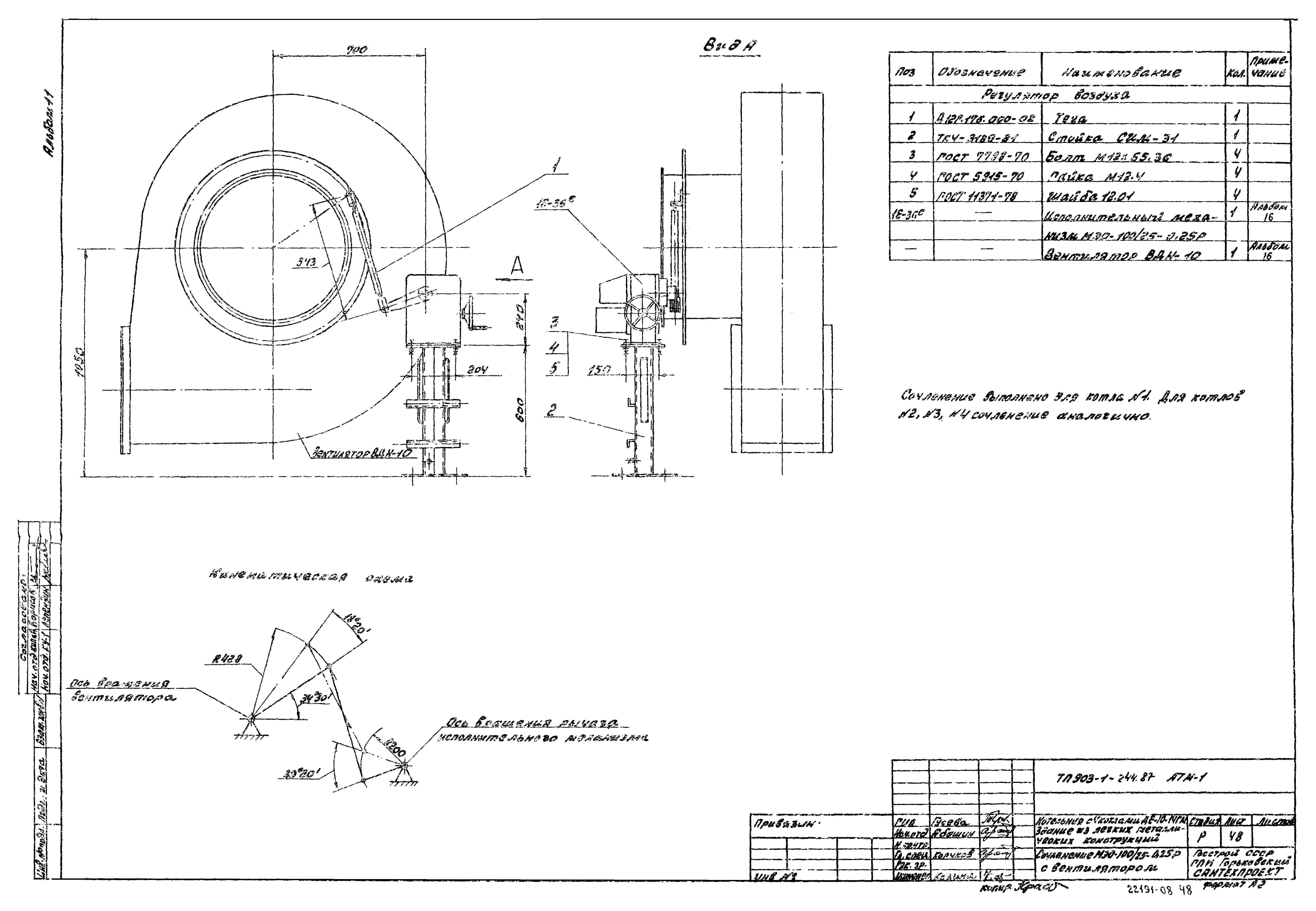
ТП 903-1-244.87-АТМ1-48 Сочленение МЭО-100/25-0.25р с вентилятором
ТП 903-1-244.87-АТМ1-49 Сочленение МЭО-16/25-0.25р с заслонкой ЗМС-70
ТП 903-1-244.87-АТМ1-50 Сочленение МЭО-16/25-0.25р с клапаном 9С-1-2
ТП 903-1-244.87-АТМ1-51 Сочленение МЭО-100/25-0.25р с клапаном Т-33б
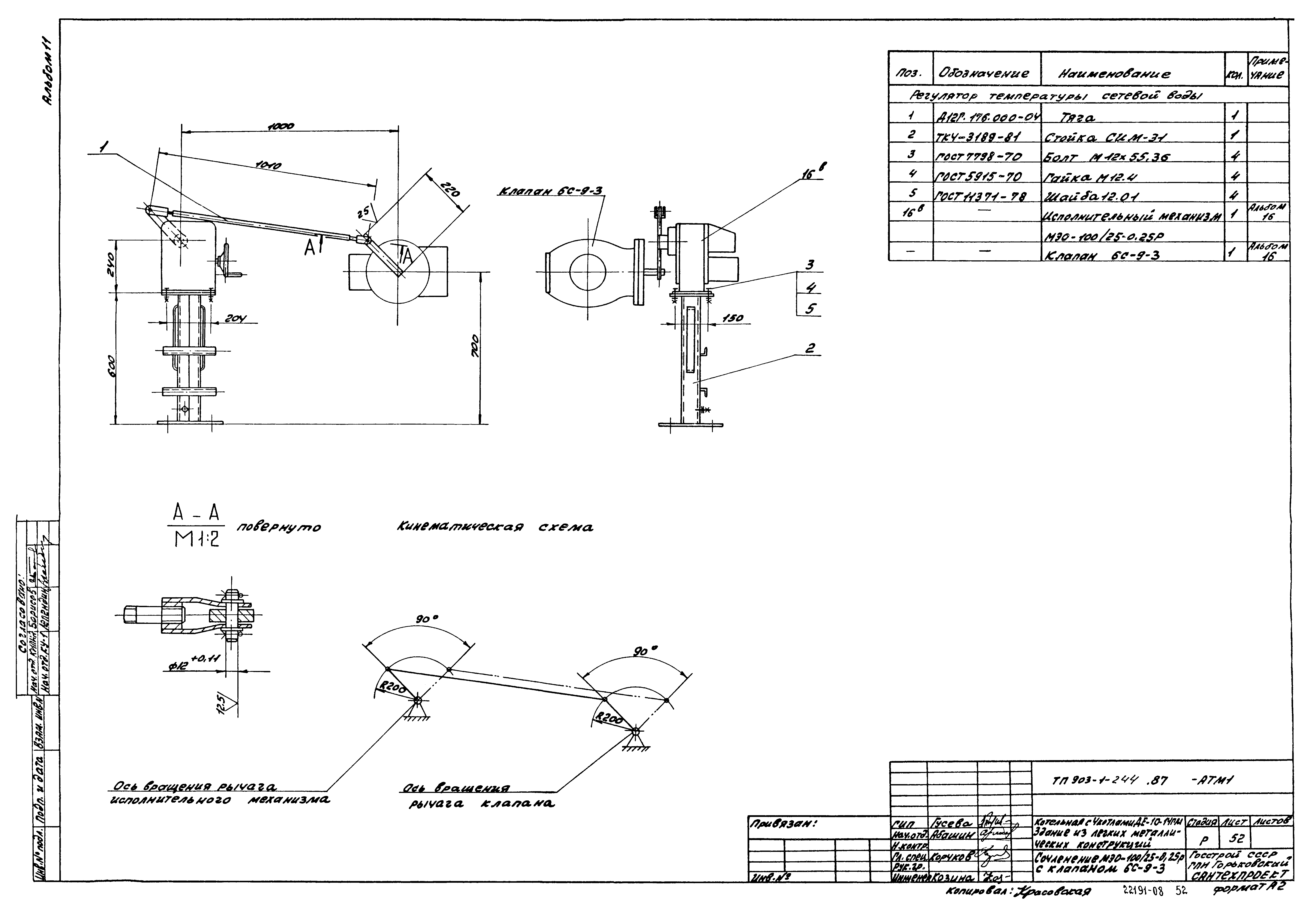
ТП 903-1-244.87-АТМ1-52 Сочленение МЭО-100/25-0.25р с клапаном 6С-9-3
ТП 903-1-244.87-АТМ1-53 Сочленение МЭО-100/25-0.25р с клапаном 9С-4-1-1
Разработан: Горьковский Сантехпроект
Утверждён:17.04.1987 Госстрой СССР (Государственный комитет Совета Министров СССР по делам строительства) (USSR Gosstroy А4-43)
Расположен в:Техническая документация Строительство Справочные документы Типовые строительные конструкции, изделия и узлы Общероссийский строительный каталог Промышленные предприятия, здания и сооружения Здания и сооружения санитарно-технические Теплоснабжение Котельные установки Закрытые системы теплоснабжения Топливо - газ, резерв - мазут
Типовой проект 903-1-244.87Типовой проект 903-1-244.87Типовой проект 903-1-244.87Типовой проект 903-1-244.87Типовой проект 903-1-244.87Типовой проект 903-1-244.87Типовой проект 903-1-244.87Типовой проект 903-1-244.87Типовой проект 903-1-244.87Типовой проект 903-1-244.87Типовой проект 903-1-244.87Типовой проект 903-1-244.87Типовой проект 903-1-244.87Типовой проект 903-1-244.87Типовой проект 903-1-244.87Типовой проект 903-1-244.87Типовой проект 903-1-244.87Типовой проект 903-1-244.87Типовой проект 903-1-244.87Типовой проект 903-1-244.87Типовой проект 903-1-244.87Типовой проект 903-1-244.87Типовой проект 903-1-244.87Типовой проект 903-1-244.87Типовой проект 903-1-244.87Типовой проект 903-1-244.87Типовой проект 903-1-244.87Типовой проект 903-1-244.87Типовой проект 903-1-244.87Типовой проект 903-1-244.87Типовой проект 903-1-244.87Типовой проект 903-1-244.87Типовой проект 903-1-244.87Типовой проект 903-1-244.87Типовой проект 903-1-244.87Типовой проект 903-1-244.87Типовой проект 903-1-244.87Типовой проект 903-1-244.87Типовой проект 903-1-244.87Типовой проект 903-1-244.87Типовой проект 903-1-244.87Типовой проект 903-1-244.87Типовой проект 903-1-244.87Типовой проект 903-1-244.87Типовой проект 903-1-244.87Типовой проект 903-1-244.87Типовой проект 903-1-244.87Типовой проект 903-1-244.87Типовой проект 903-1-244.87Типовой проект 903-1-244.87Типовой проект 903-1-244.87Типовой проект 903-1-244.87Типовой проект 903-1-244.87

© 2013 Ёшкин Кот :-) Карта сайта