Информационная система
«Ёшкин Кот»

Скачать базу одним архивом
Скачать обновления
История создания базы
Карта сайта

Скачать Типовой проект 901-8-12.83 Альбом I. Архитектурно-строительная часть

Дата актуализации: 10.08.2017

Типовой проект 901-8-12.83

Альбом I. Архитектурно-строительная часть

Обозначение: Типовой проект 901-8-12.83
Обозначение англ: 901-8-12.83
Статус:не определен законодательством
Название рус.:Альбом I. Архитектурно-строительная часть
Дата добавления в базу:01.09.2013
Дата актуализации:05.05.2017
Дата введения:17.12.1982
Оглавление:ТП 901-8-12.83 АР Листы марки АР
ТП 901-8-12.83 АР-1 Общие данные
ТП 901-8-12.83 АР-2 Ведомость отделки помещений. Спецификация элементов заполнения проемов
ТП 901-8-12.83 АР-3 План на отм. - 2.400;-0.500 и 0.000
ТП 901-8-12.83 АР-4 План на отм. 3.600. Узлы 1;2
ТП 901-8-12.83 АР-5 Разрезы 1-1;2-2;3-3. Узлы 3;4
ТП 901-8-12.83 АР-6 Фасады 1-8;8-1;Д-А;А-Д. Узел 5
ТП 901-8-12.83 АР-7 Ведомость и спецификация перемычек
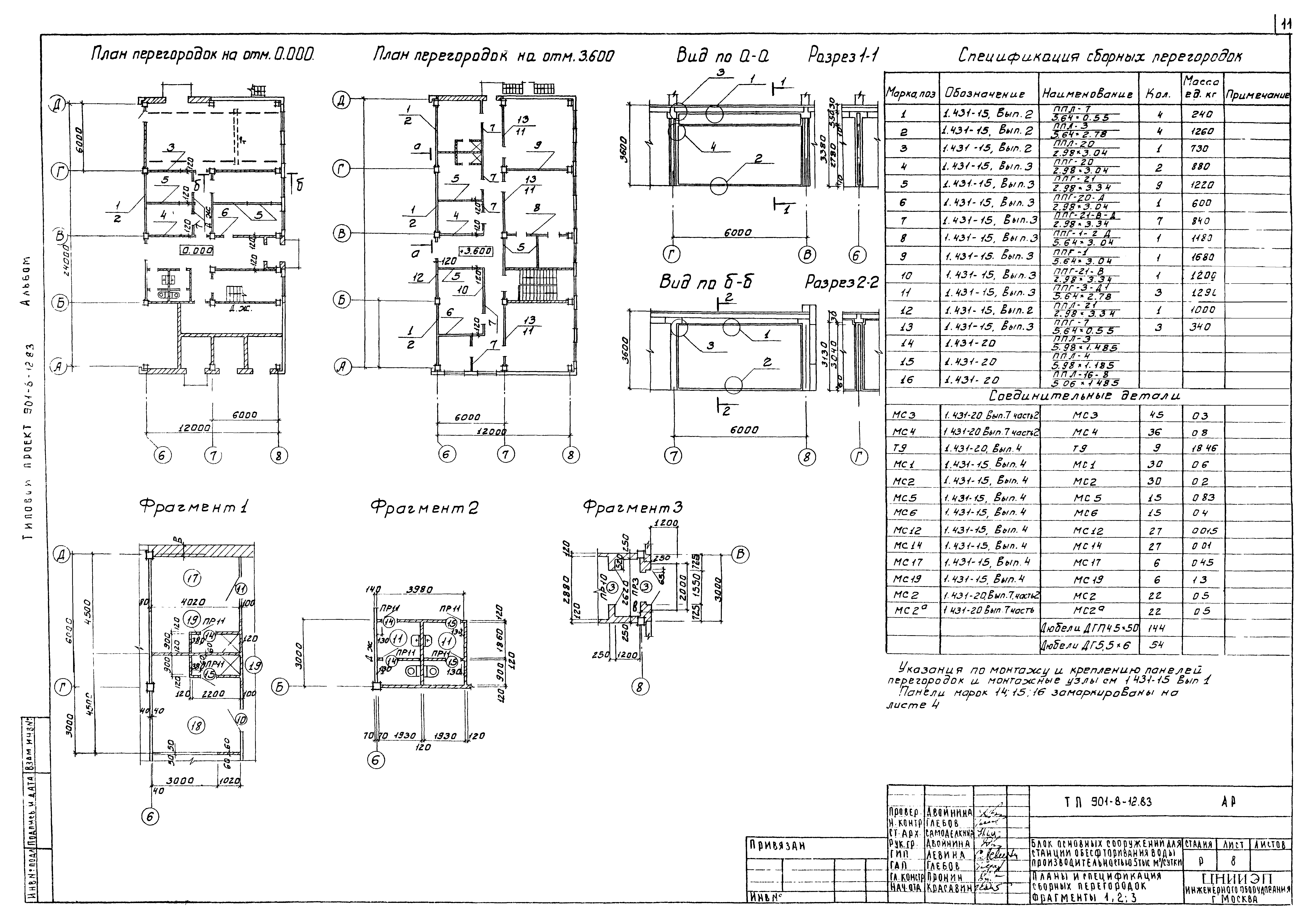
ТП 901-8-12.83 АР-8 Планы и спецификация сборных перегородок. Фрагменты 1,2,3
ТП 901-8-12.83 АР-9 План отверстий на отм. 0.000 и 3.600
ТП 901-8-12.83 АР-10 Планы полов и кровли. Экспликация полов
ТП 901-8-12.83 КЖ Листы марки КЖ
ТП 901-8-12.83 КЖ-1-3 Общие данные
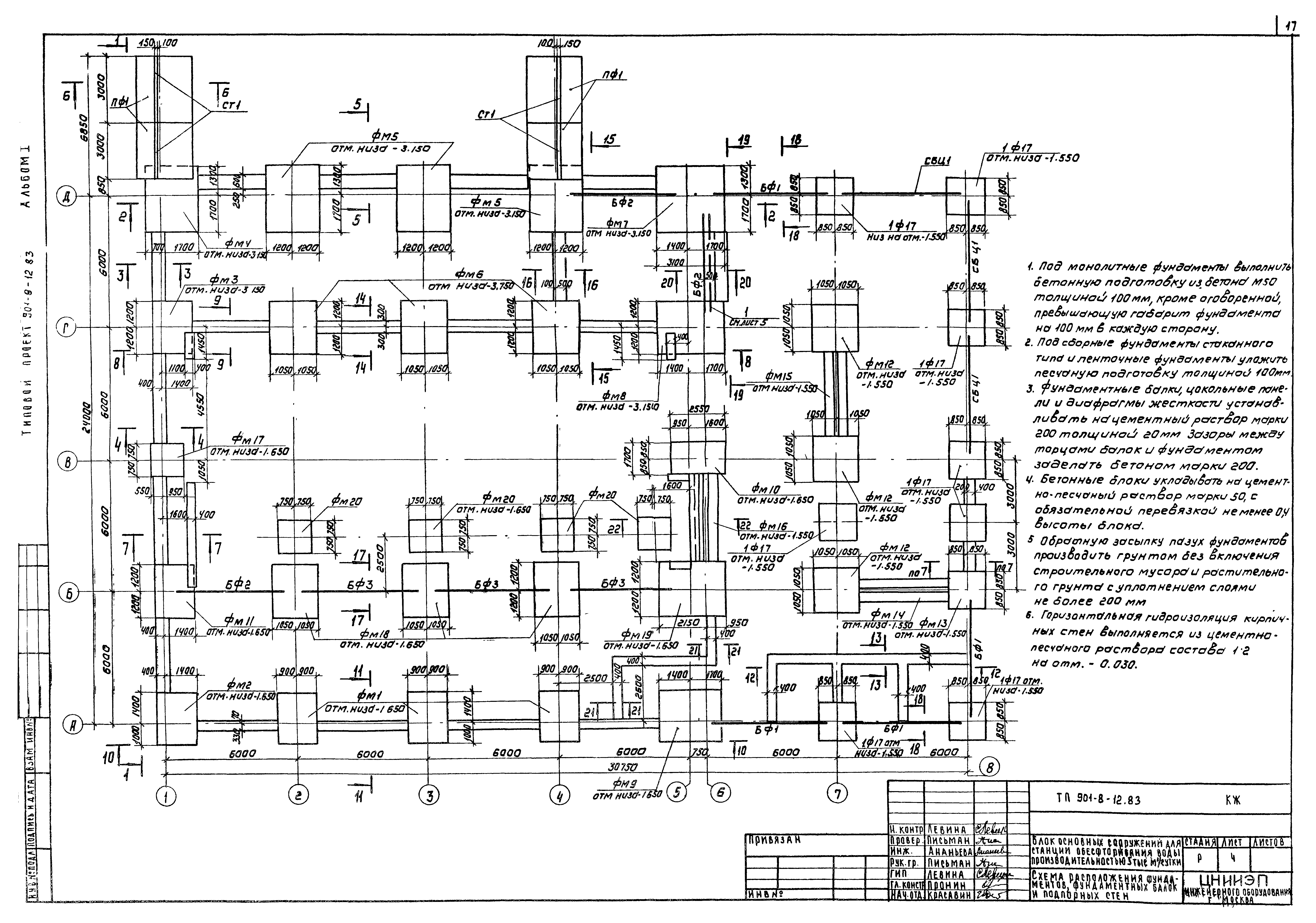
ТП 901-8-12.83 КЖ-4 Схема расположения фундаментов, фундаментных балок и подпорных стен
ТП 901-8-12.83 КЖ-5 Схема расположения фундаментов, фундаментных балок и подпорных стен. Вид 1-1. Развертка по 2-2, сечения 3-3,4-4,5-5,7-7
ТП 901-8-12.83 КЖ-6 Схема расположения фундаментов, фундаментных балок и подпорных стен. Развертки по 8-8;10-10. Сечения 6-6;9-9;11-11÷14-14;21-21;22-22
ТП 901-8-12.83 КЖ-7 Схема расположения фундаментов, фундаментных балок, подпорных стен. Развертка по 15-15. Сечения 16-16÷20-20
ТП 901-8-12.83 КЖ-8 Фундаменты ФМ1;ФМ2;ФМ3. Опалубочные чертежи. Армирование
ТП 901-8-12.83 КЖ-9 Фундаменты ФМ4;ФМ5;ФМ6. Опалубочные чертежи. Армирование
ТП 901-8-12.83 КЖ-10 Фундаменты ФМ7;ФМ8;ФМ9;ФМ10. Опалубочные чертежи
ТП 901-8-12.83 КЖ-11 Фундаменты ФМ7;ФМ8;ФМ9. Армирование
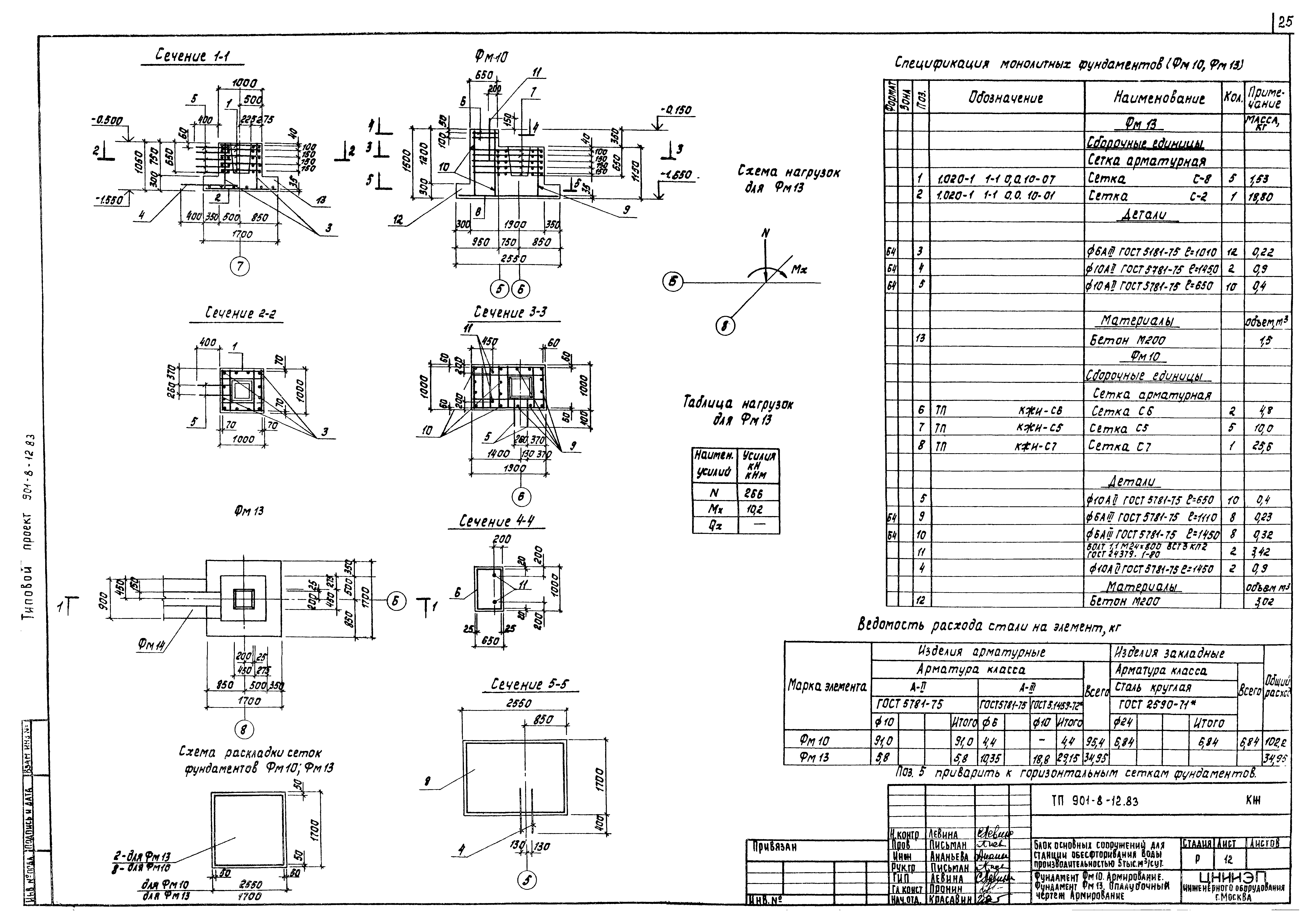
ТП 901-8-12.83 КЖ-12 Фундамент ФМ10. Армирование. Фундамент ФМ13. Опалубочный чертеж. Армирование
ТП 901-8-12.83 КЖ-13 Фундаменты ФМ11;ФМ18. Опалубочные чертежи. Армирование
ТП 901-8-12.83 КЖ-14 Фундаменты ФМ12;ФМ14. Опалубочные чертежи. Армирование
ТП 901-8-12.83 КЖ-15 Фундаменты ФМ15;ФМ16. Опалубочные чертежи. Армирование
ТП 901-8-12.83 КЖ-16 Фундамент ФМ19. Опалубочный чертеж. Армирование
ТП 901-8-12.83 КЖ-17 Фундаменты ФМ17;ФМ20. Опалубочные чертежи. Армирование
ТП 901-8-12.83 КЖ-18 Схема расположения емкостей, фундаментов под оборудование, каналов и приямков
ТП 901-8-12.83 КЖ-19 Разрезы 1-1÷4-4
ТП 901-8-12.83 КЖ-20 Фундаменты под оборудование ФО1-ФО8
ТП 901-8-12.83 КЖ-21 Схема расположения приямков и каналов в осях 7-8,А-Б
ТП 901-8-12.83 КЖ-22 Схема расположения труб и закладных деталей на отм.-2.400;-0.500;0.000;3.600
ТП 901-8-12.83 КЖ-23 Антикоррозионная защита каналов и фундаментов под оборудование
ТП 901-8-12.83 КЖ-24 Растворно-хранилищные баки коагулянта и соды (РЕ1). Схема расположения стеновых панелей и монолитных участков. Вид 1-1. Разрез2-2
ТП 901-8-12.83 КЖ-25 Растворно-хранилищные баки коагулянта и соды (РЕ1). Узлы 3,4. Разрез 3-3. Схема расположения монолитных участков стен
ТП 901-8-12.83 КЖ-26 Растворно-хранилищные баки коагулянта и соды (РЕ1). Армирование монолитных участков стен Ум1-Ум3
ТП 901-8-12.83 КЖ-27 Растворно-хранилищные баки коагулянта и соды (РЕ1). Армирование днища
ТП 901-8-12.83 КЖ-28 Схема расположения каркасов в зубе днища емкости РЕ1
ТП 901-8-12.83 КЖ-29 Антикоррозионная защита и схема деревянной обрешетки в емкости РЕ1
ТП 901-8-12.83 КЖ-30 Контактные осветители (РЕ2). Схема расположения стеновых панелей и монолитных участков. Вид 1-1
ТП 901-8-12.83 КЖ-31 Контактные осветители (РЕ2). Разрезы 2-2÷5-5. Узлы 3,4
ТП 901-8-12.83 КЖ-32 Контактные осветители (РЕ2). Узлы 1,2,5-8
ТП 901-8-12.83 КЖ-33 Контактные осветители (РЕ2). Схема расположения закладных изделий в монолитных участках. Армирование монолитных участков УМ1-УМ3
ТП 901-8-12.83 КЖ-34 Контактные осветители (РЕ2). Армирование днища
ТП 901-8-12.83 КЖ-35 Контактные осветители (РЕ2). Схема расположения каркасов в зубе днища емкости
ТП 901-8-12.83 КЖ-36 Контактные осветители (РЕ2). Армирование днища и монолитных участков
ТП 901-8-12.83 КЖ-37 Расходные баки коагулянта (РЕ3). Опалубочные чертежи
ТП 901-8-12.83 КЖ-38 Расходные баки коагулянта (РЕ3). Армирование
ТП 901-8-12.83 КЖ-39 Схема расположения стеновых панелей по осям "А,Д","1,5,6,8". Сечения 1-1÷3-3
ТП 901-8-12.83 КЖ-40 Спецификация стеновых панелей. Спецификация стальных элементов крепления каркаса
ТП 901-8-12.83 КЖ-41 Схемы расположения поит покрытия и перекрытия. Разрезы 1-1÷3-3
ТП 901-8-12.83 КЖ-42 Схемы расположения колонн, балок покрытия, ригелей. Разрезы 1-1;2-2. Вид 3-3
ТП 901-8-12.83 КЖ-43 Схемы расположения колонн, балок покрытия, ригелей. Разрезы 4-4÷6-6,8-8,9-9. Вид 7-7. Узел 1
ТП 901-8-12.83 КЖ-44 Схемы расположения лестничных маршей, проступей и верхней лестничной площадки
ТП 901-8-12.83 КЖ-45 Перекрытие на отм. 1.100. Разрезы 1-1÷6-6
ТП 901-8-12.83 КЖ-46 Перекрытие на отм. 1.100. Армирование монолитных участков УМ1-УМ3
ТП 901-8-12.83 КЖ-47 Перекрытие на отм. 1.100. Балки БМ1-БМ4. Разрезы 7-7÷11-11. Узлы 1-2
ТП 901-8-12.83 КЖ-48 Схема расположения перекрытия на отм. 3.600. Разрезы 1-1÷6-6,15-15
ТП 901-8-12.83 КЖ-49 Перекрытие на отм. 3.600. Разрезы 7-7;9-9. Монолитные участки УМ4-УМ14. Балка БМ5
ТП 901-8-12.83 КЖ-50 Перекрытие на отм. 3.600. Балки БМ5-БМ10
ТП 901-8-12.83 КЖ-51 Перекрытие на отм. 3.600. Спецификация к монолитным участкам и балкам
ТП 901-8-12.83 КЖ-52 Перекрытие на отм. 3.600. Схема армирования монолитных железобетонных поясов МП1-МП2
ТП 901-8-12.83 КЖ-53 Схема расположения перекрытия на отм. 3.600 в осях "Г-Д","4-6"
ТП 901-8-12.83 КЖ-54 Схема расположения перекрытия на отм. 3.600 в осях "А-Б","1-2"
ТП 901-8-12.83 КЖ-55 Схема расположения приточной венткамеры на отм. 3.600
ТП 901-8-12.83 КЖ-56 Схема расположения закладных деталей в полу
ТП 901-8-12.83 КМ Листы марки КМ
ТП 901-8-12.83 КМ-1 Общие данные. Техническая спецификация металла
ТП 901-8-12.83 КМ-2 Техническая спецификация стали
ТП 901-8-12.83 КМ-3 Техническая спецификация стали на типовые конструкции
ТП 901-8-12.83 КМ-4 Ведомость металлоконструкций по видам профилей
ТП 901-8-12.83 КМ-5 Схема расположения вертикальных связей
ТП 901-8-12.83 КМ-6 Схема расположения подкрановых путей и монорельсов
ТП 901-8-12.83 КМ-7 Узлы монорельсов 1-5
ТП 901-8-12.83 КМ-8 Схемы расположения металлических площадок на отм. 0.000;1.100;1.100;1.300
ТП 901-8-12.83 КМ-9 Схемы расположения металлических площадок на отм. 1.800;3.500. Разрезы 1-1÷8-9
ТП 901-8-12.83 КМ-10 Узлы 1-7
ТП 901-8-12.83 КМ-11 Схема расположения ограждений
ТП 901-8-12.83 КМ-12 Схема расположения элементов ограждения контактного осветителя
Разработан: ЦНИИЭП иженерного оборудования
Утверждён:22.07.1982 Госгражданстрой (Gosgrazhdanstroy 219)
Расположен в:Техническая документация Строительство Справочные документы Типовые строительные конструкции, изделия и узлы Общероссийский строительный каталог Промышленные предприятия, здания и сооружения Здания и сооружения санитарно-технические Водоснабжение Сооружения и установки по подготовке питьевой воды Станции обесфторивания воды
Типовой проект 901-8-12.83Типовой проект 901-8-12.83Типовой проект 901-8-12.83Типовой проект 901-8-12.83Типовой проект 901-8-12.83Типовой проект 901-8-12.83Типовой проект 901-8-12.83Типовой проект 901-8-12.83Типовой проект 901-8-12.83Типовой проект 901-8-12.83Типовой проект 901-8-12.83Типовой проект 901-8-12.83Типовой проект 901-8-12.83Типовой проект 901-8-12.83Типовой проект 901-8-12.83Типовой проект 901-8-12.83Типовой проект 901-8-12.83Типовой проект 901-8-12.83Типовой проект 901-8-12.83Типовой проект 901-8-12.83Типовой проект 901-8-12.83Типовой проект 901-8-12.83Типовой проект 901-8-12.83Типовой проект 901-8-12.83Типовой проект 901-8-12.83Типовой проект 901-8-12.83Типовой проект 901-8-12.83Типовой проект 901-8-12.83Типовой проект 901-8-12.83Типовой проект 901-8-12.83Типовой проект 901-8-12.83Типовой проект 901-8-12.83Типовой проект 901-8-12.83Типовой проект 901-8-12.83Типовой проект 901-8-12.83Типовой проект 901-8-12.83Типовой проект 901-8-12.83Типовой проект 901-8-12.83Типовой проект 901-8-12.83Типовой проект 901-8-12.83Типовой проект 901-8-12.83Типовой проект 901-8-12.83Типовой проект 901-8-12.83Типовой проект 901-8-12.83Типовой проект 901-8-12.83Типовой проект 901-8-12.83Типовой проект 901-8-12.83Типовой проект 901-8-12.83Типовой проект 901-8-12.83Типовой проект 901-8-12.83Типовой проект 901-8-12.83Типовой проект 901-8-12.83Типовой проект 901-8-12.83Типовой проект 901-8-12.83Типовой проект 901-8-12.83Типовой проект 901-8-12.83Типовой проект 901-8-12.83Типовой проект 901-8-12.83Типовой проект 901-8-12.83Типовой проект 901-8-12.83Типовой проект 901-8-12.83Типовой проект 901-8-12.83Типовой проект 901-8-12.83Типовой проект 901-8-12.83Типовой проект 901-8-12.83Типовой проект 901-8-12.83Типовой проект 901-8-12.83Типовой проект 901-8-12.83Типовой проект 901-8-12.83Типовой проект 901-8-12.83Типовой проект 901-8-12.83Типовой проект 901-8-12.83Типовой проект 901-8-12.83Типовой проект 901-8-12.83Типовой проект 901-8-12.83Типовой проект 901-8-12.83Типовой проект 901-8-12.83Типовой проект 901-8-12.83Типовой проект 901-8-12.83Типовой проект 901-8-12.83Типовой проект 901-8-12.83

© 2013 Ёшкин Кот :-) Карта сайта