| ||||||||||||||||||||||||||
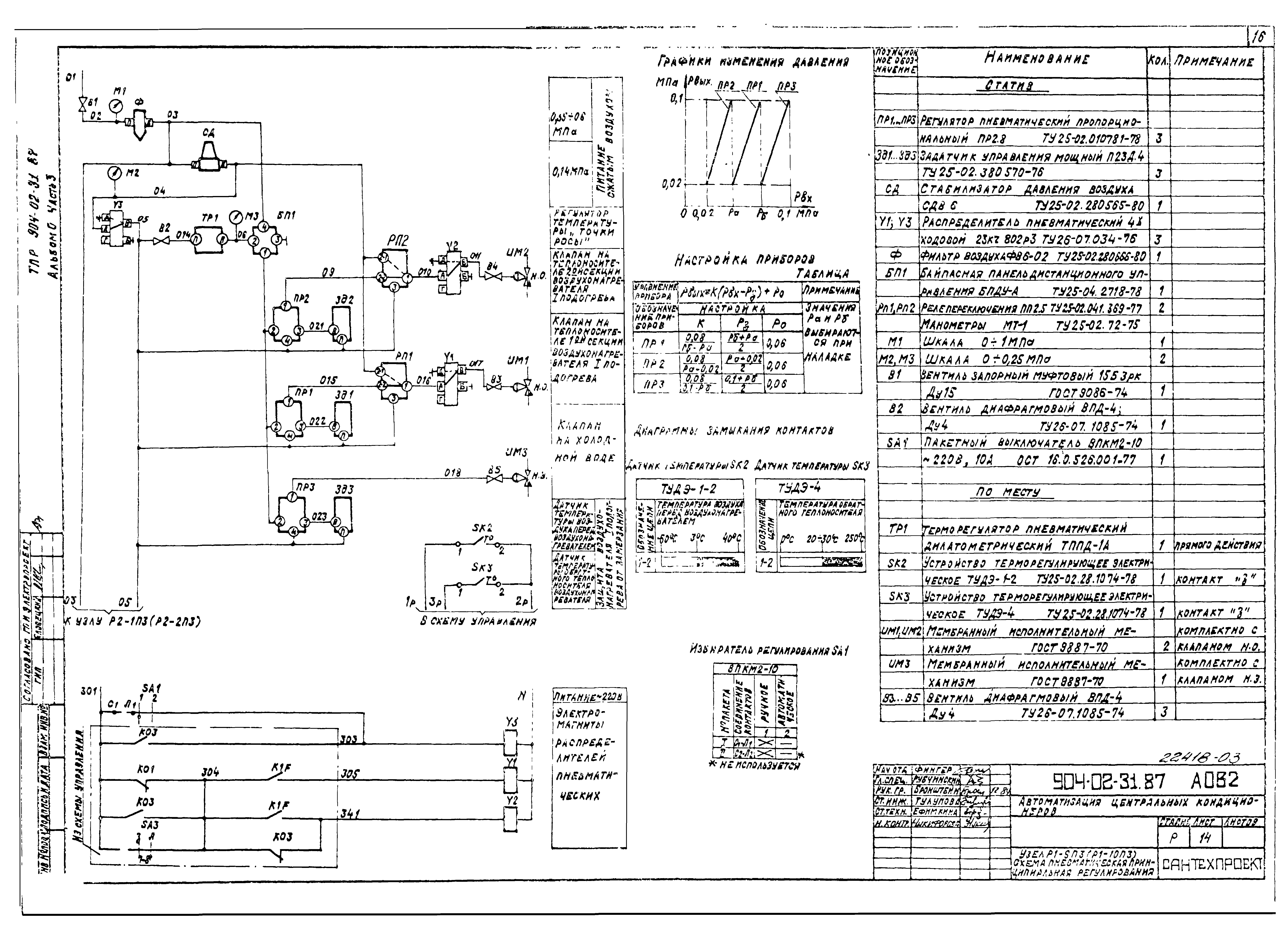
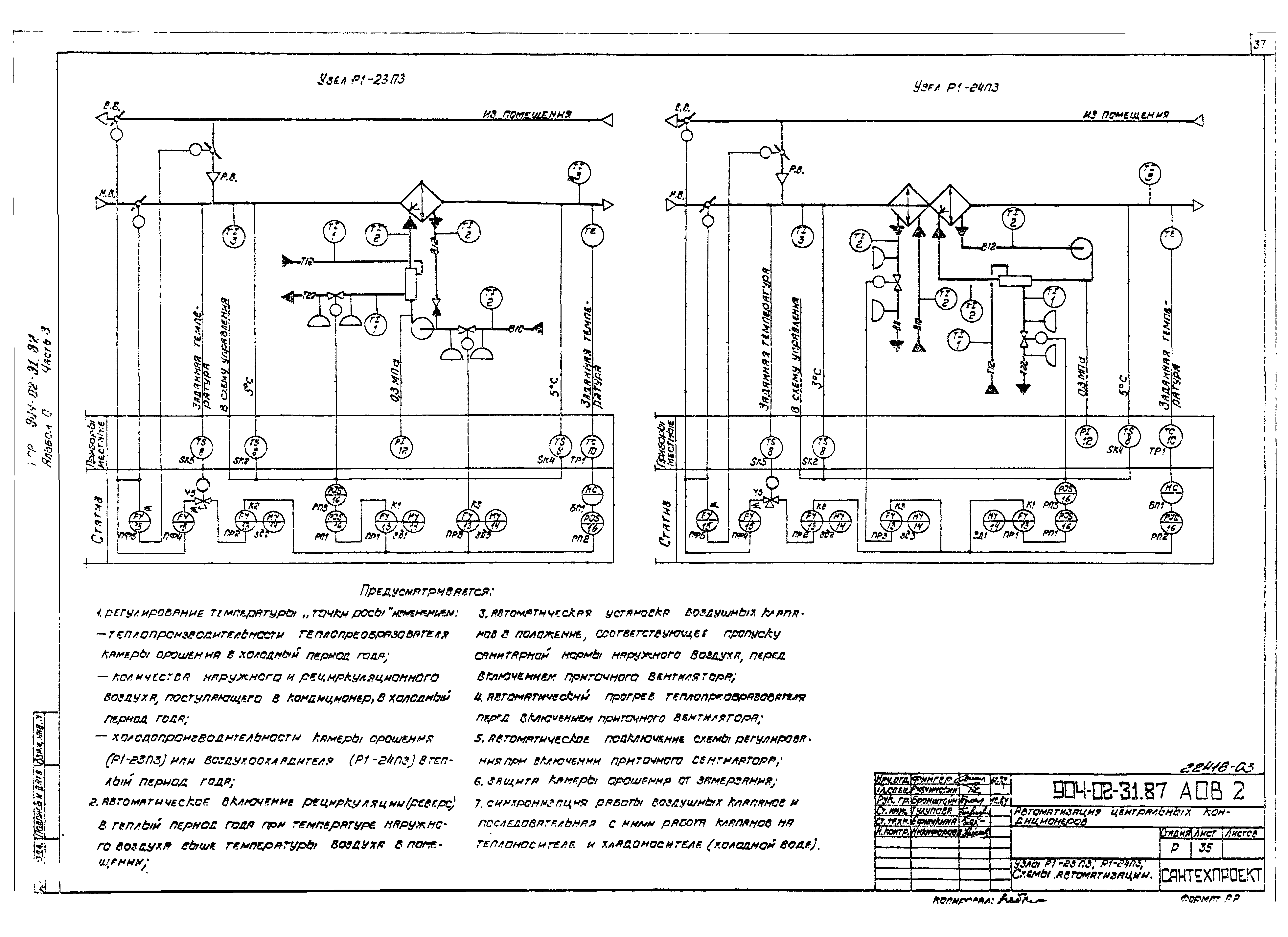
Скачать Типовые материалы для проектирования 904-02-31.87 Альбом 0. Часть 3. Рекомендации по применению. Узлы регулирования. Пневматическая системаДата актуализации: 10.08.2017
|
| Обозначение: | Типовые материалы для проектирования 904-02-31.87 |
| Обозначение англ: | 904-02-31.87 |
| Статус: | cправочные материалы, мп, тпр |
| Название рус.: | Альбом 0. Часть 3. Рекомендации по применению. Узлы регулирования. Пневматическая система |
| Дата добавления в базу: | 01.09.2013 |
| Дата актуализации: | 05.05.2017 |
| Дата введения: | 12.06.1986 |
| Оглавление: | Часть 2 Перечень узлов регулирования Узлы регулирования. Электрическая система (чертежи) Часть 3 Перечень узлов регулирования Узлы регулирования. Пневматическая система (чертежи) |
| Разработан: | Сантехпроект Госстроя СССР |
| Утверждён: | 12.06.1986 Главстройпроект Госстроя СССР (32) |
| Расположен в: |















































