Информационная система
«Ёшкин Кот»

Скачать базу одним архивом
Скачать обновления
История создания базы
Карта сайта

Скачать Типовой проект 901-8-10.83 Альбом V. Строительные изделия

Дата актуализации: 10.08.2017

Типовой проект 901-8-10.83

Альбом V. Строительные изделия

Обозначение: Типовой проект 901-8-10.83
Обозначение англ: 901-8-10.83
Статус:не определен законодательством
Название рус.:Альбом V. Строительные изделия
Дата добавления в базу:01.09.2013
Дата актуализации:05.05.2017
Дата введения:17.12.1982
Оглавление:ТП 901-8-10.83 КЖИ-С1 Сетка арматурная С1
ТП 901-8-10.83 КЖИ-С2 Сетка арматурная С2
ТП 901-8-10.83 КЖИ-С3 Сетка арматурная С3
ТП 901-8-10.83 КЖИ-С4 Сетка арматурная С4
ТП 901-8-10.83 КЖИ-С5 Сетка арматурная С5
ТП 901-8-10.83 КЖИ-С6 Сетка арматурная С6
ТП 901-8-10.83 КЖИ-С7 Сетка арматурная С7
ТП 901-8-10.83 КЖИ-КП10 Каркас пространственный КП10
ТП 901-8-10.83 КЖИ-С8 Сетка арматурная С8
ТП 901-8-10.83 КЖИ-С9 Сетка арматурная С9
ТП 901-8-10.83 КЖИ-КП1 Каркас пространственный КП1
ТП 901-8-10.83 КЖИ-С10 Сетка арматурная С10
ТП 901-8-10.83 КЖИ-КП2 Каркас пространственный КП2
ТП 901-8-10.83 КЖИ-С11 Сетка арматурная С11
ТП 901-8-10.83 КЖИ-С13 Сетка арматурная С13
ТП 901-8-10.83 КЖИ-КП3 Каркас пространственный КП3
ТП 901-8-10.83 КЖИ-С12 Сетка арматурная С12
ТП 901-8-10.83 КЖИ-С14 Сетка арматурная С14
ТП 901-8-10.83 КЖИ-С15 Сетка арматурная С15
ТП 901-8-10.83 КЖИ-С16 Сетка арматурная С16
ТП 901-8-10.83 КЖИ-КР3 Каркас плоский КР3
ТП 901-8-10.83 КЖИ-С17 Сетка арматурная С17
ТП 901-8-10.83 КЖИ-С25 Сетка арматурная С25
ТП 901-8-10.83 КЖИ-С18 Сетка арматурная С18
ТП 901-8-10.83 КЖИ-С19 Сетка арматурная С19
ТП 901-8-10.83 КЖИ-КП5 Каркас пространственный КП5
ТП 901-8-10.83 КЖИ-С20 Сетка арматурная С20
ТП 901-8-10.83 КЖИ-КП6 Каркас пространственный КП6
ТП 901-8-10.83 КЖИ-С21 Сетка арматурная С21
ТП 901-8-10.83 КЖИ-С23 Сетка арматурная С23
ТП 901-8-10.83 КЖИ-С22 Сетка арматурная С22
ТП 901-8-10.83 КЖИ-КП7 Каркас пространственный КП7
ТП 901-8-10.83 КЖИ-КП9 Каркас пространственный КП9
ТП 901-8-10.83 КЖИ-С24 Сетка арматурная С24
ТП 901-8-10.83 КЖИ-ПС-1-СБ Панель стеновая ПС-1 СБ
ТП 901-8-10.83 КЖИ-ПС-1 Панель стеновая ПС-1
ТП 901-8-10.83 КЖИ-ПС-2-СБ Панель стеновая ПС-2 СБ
ТП 901-8-10.83 КЖИ-ПС-2 Панель стеновая ПС-2
ТП 901-8-10.83 КЖИ-ПС-2-ВС Панель стеновая ПС-2
ТП 901-8-10.83 КЖИ-ЛТ1-СБ Лоток ЛТ1
ТП 901-8-10.83 КЖИ-Л1 Лоток Л1
ТП 901-8-10.83 КЖИ-ЛТ2 Лоток ЛТ2
ТП 901-8-10.83 КЖИ-ПГ1 Плита перекрытия ПГ1
ТП 901-8-10.83 КЖИ-ПГ2 Плита перекрытия ПГ2
ТП 901-8-10.83 КЖИ-ПГ3 Плита перекрытия ПГ3
ТП 901-8-10.83 КЖИ-ПГ4 Плита перекрытия ПГ4
ТП 901-8-10.83 КЖИ-ПГ5 Плита перекрытия ПГ5
ТП 901-8-10.83 КЖИ-ПГ6 Плита перекрытия ПГ6
ТП 901-8-10.83 КЖИ-ПГ7 Плита перекрытия ПГ7
ТП 901-8-10.83 КЖИ-ПГ8 Плита перекрытия ПГ8
ТП 901-8-10.83 КЖИ-ПГ9 Плита перекрытия ПГ9
ТП 901-8-10.83 КЖИ-Б1 Балка Б1
ТП 901-8-10.83 КЖИ-Б2 Балка Б2
ТП 901-8-10.83 КЖИ-Б3 Балка Б3
ТП 901-8-10.83 КЖИ-Б4 Балка Б4
ТП 901-8-10.83 КЖИ-Б5 Балка Б5
ТП 901-8-10.83 КЖИ-Р1 Ригель Р1
ТП 901-8-10.83 КЖИ-Р2 Ригель Р2
ТП 901-8-10.83 КЖИ-Р3 Ригель Р3
ТП 901-8-10.83 КЖИ-Р; Ригель Р4
ТП 901-8-10.83 КЖИ-К1 Колонна К1
ТП 901-8-10.83 КЖИ-К2 Колонна К2
ТП 901-8-10.83 КЖИ-К4 Колонна К4
ТП 901-8-10.83 КЖИ-К5 Колонна К5
ТП 901-8-10.83 КЖИ-К7 Колонна К7
ТП 901-8-10.83 КЖИ-К9 Колонна К9
ТП 901-8-10.83 КЖИ-К10 Колонна К10
ТП 901-8-10.83 КЖИ-К11 Колонна К11
ТП 901-8-10.83 КЖИ-К12 Колонна К12
ТП 901-8-10.83 КЖИ-К13 Колонна К13
ТП 901-8-10.83 КЖИ-К14 Колонна К14
ТП 901-8-10.83 КЖИ-К15 Колонна К15
ТП 901-8-10.83 КЖИ-К17 Колонна К17
ТП 901-8-10.83 КЖИ-К18 Колонна К18
ТП 901-8-10.83 КЖИ-К20 Колонна К20
ТП 901-8-10.83 КЖИ-Д1 Диафрагма Д1
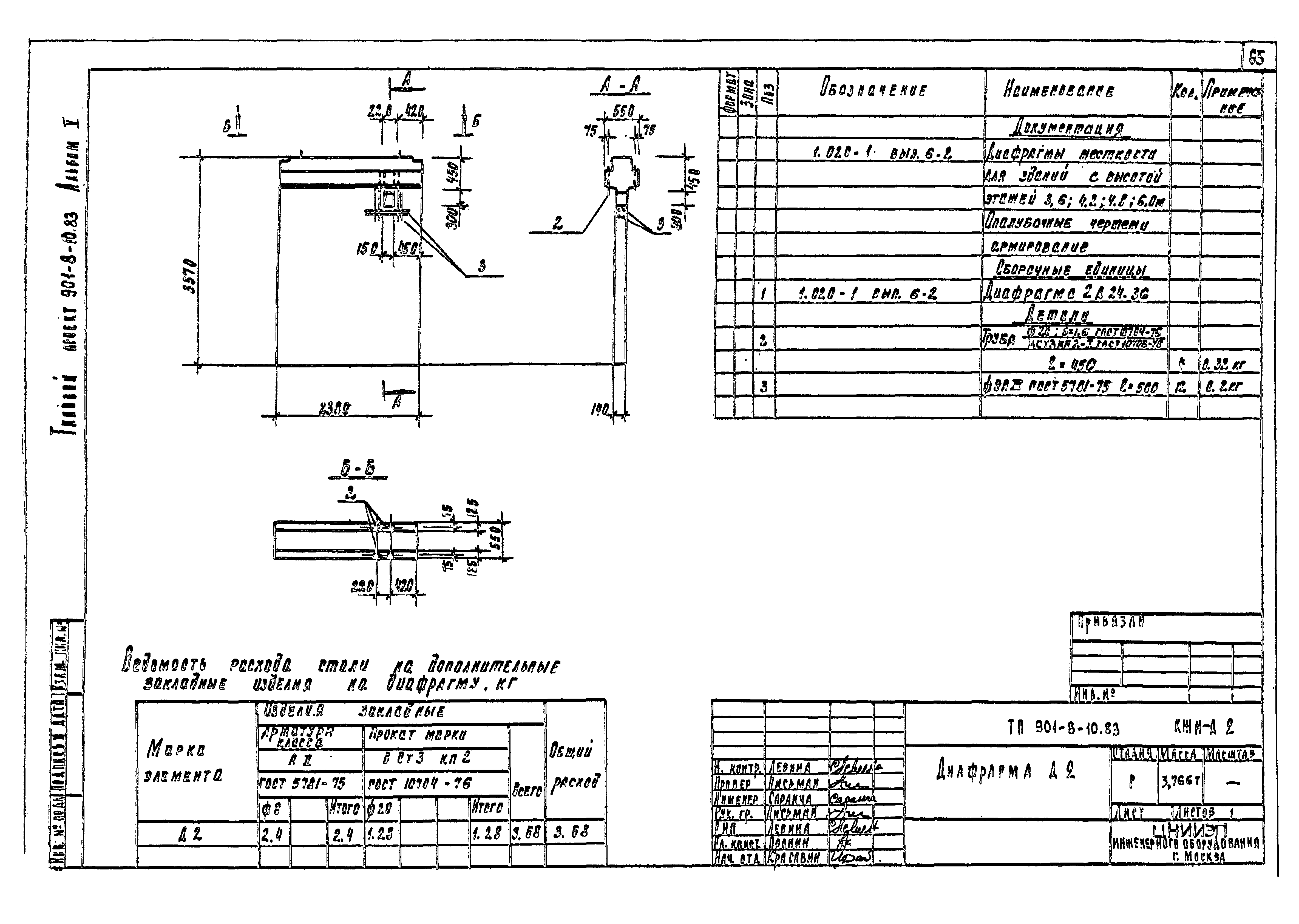
ТП 901-8-10.83 КЖИ-Д2 Диафрагма Д2
ТП 901-8-10.83 КЖИ-РМ1 Рама металлическая РМ1
ТП 901-8-10.83 КЖИ-РМ2 Рама металлическая РМ2
ТП 901-8-10.83 КЖИ-Щ1 Металлический съемный щит Щ1
ТП 901-8-10.83 КЖИ-Щ2 Металлический съемный щит Щ1
ТП 901-8-10.83 КЖИ-МС1 Соединительный элемент МС1
ТП 901-8-10.83 КЖИ-МС2 Соединительный элемент МС2
ТП 901-8-10.83 КЖИ-МС3 Соединительный элемент МС3
ТП 901-8-10.83 КЖИ-КР1 Каркас плоский КР1
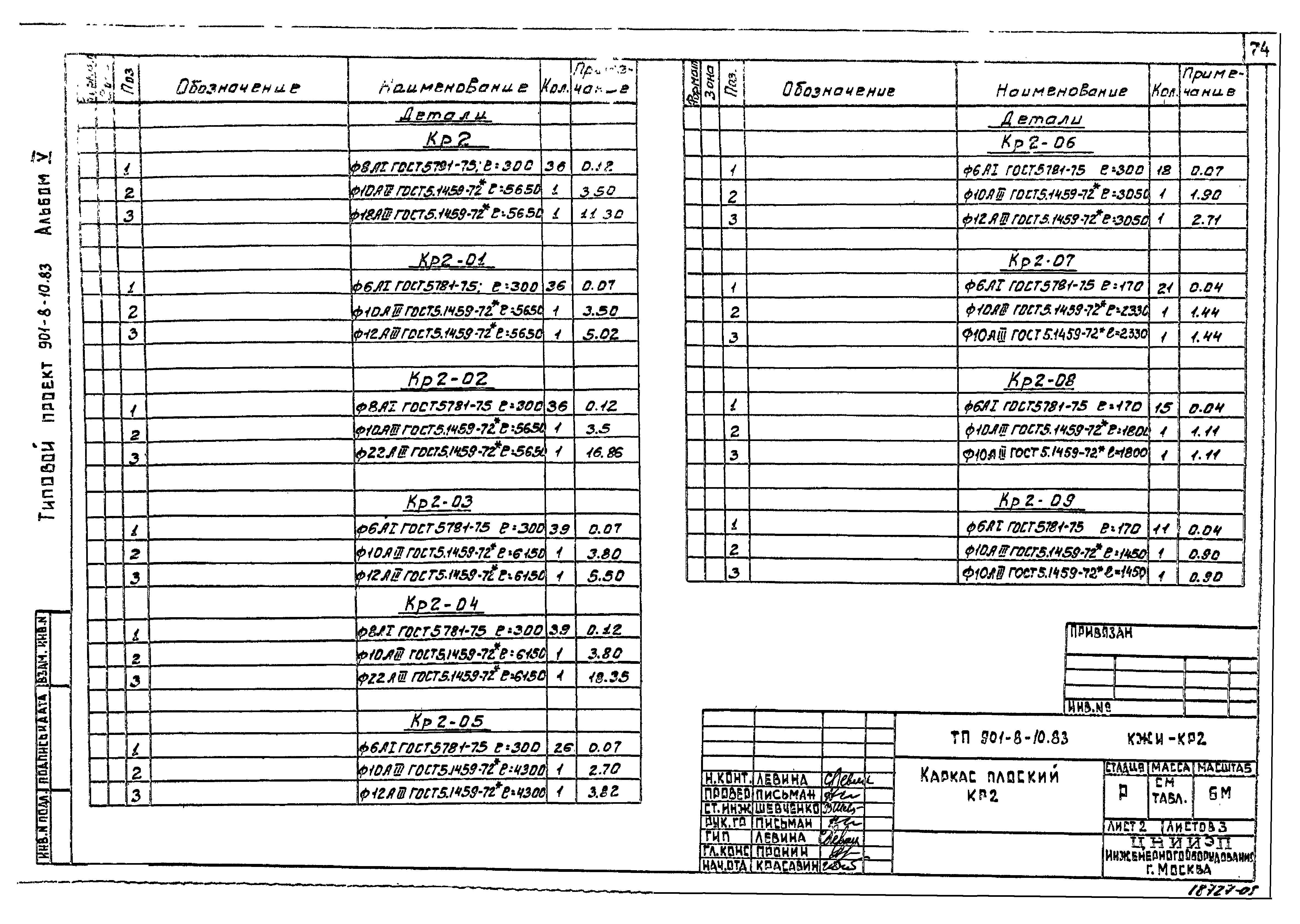
ТП 901-8-10.83 КЖИ-КР2 Каркас плоский КР2
Разработан: ЦНИИЭП иженерного оборудования
Утверждён:22.07.1981 Госгражданстрой (Gosgrazhdanstroy 219)
Расположен в:Техническая документация Строительство Справочные документы Типовые строительные конструкции, изделия и узлы Общероссийский строительный каталог Промышленные предприятия, здания и сооружения Здания и сооружения санитарно-технические Водоснабжение Сооружения и установки по подготовке питьевой воды Станции обесфторивания воды
Типовой проект 901-8-10.83Типовой проект 901-8-10.83Типовой проект 901-8-10.83Типовой проект 901-8-10.83Типовой проект 901-8-10.83Типовой проект 901-8-10.83Типовой проект 901-8-10.83Типовой проект 901-8-10.83Типовой проект 901-8-10.83Типовой проект 901-8-10.83Типовой проект 901-8-10.83Типовой проект 901-8-10.83Типовой проект 901-8-10.83Типовой проект 901-8-10.83Типовой проект 901-8-10.83Типовой проект 901-8-10.83Типовой проект 901-8-10.83Типовой проект 901-8-10.83Типовой проект 901-8-10.83Типовой проект 901-8-10.83Типовой проект 901-8-10.83Типовой проект 901-8-10.83Типовой проект 901-8-10.83Типовой проект 901-8-10.83Типовой проект 901-8-10.83Типовой проект 901-8-10.83Типовой проект 901-8-10.83Типовой проект 901-8-10.83Типовой проект 901-8-10.83Типовой проект 901-8-10.83Типовой проект 901-8-10.83Типовой проект 901-8-10.83Типовой проект 901-8-10.83Типовой проект 901-8-10.83Типовой проект 901-8-10.83Типовой проект 901-8-10.83Типовой проект 901-8-10.83Типовой проект 901-8-10.83Типовой проект 901-8-10.83Типовой проект 901-8-10.83Типовой проект 901-8-10.83Типовой проект 901-8-10.83Типовой проект 901-8-10.83Типовой проект 901-8-10.83Типовой проект 901-8-10.83Типовой проект 901-8-10.83Типовой проект 901-8-10.83Типовой проект 901-8-10.83Типовой проект 901-8-10.83Типовой проект 901-8-10.83Типовой проект 901-8-10.83Типовой проект 901-8-10.83Типовой проект 901-8-10.83Типовой проект 901-8-10.83Типовой проект 901-8-10.83Типовой проект 901-8-10.83Типовой проект 901-8-10.83Типовой проект 901-8-10.83Типовой проект 901-8-10.83Типовой проект 901-8-10.83Типовой проект 901-8-10.83Типовой проект 901-8-10.83Типовой проект 901-8-10.83Типовой проект 901-8-10.83Типовой проект 901-8-10.83Типовой проект 901-8-10.83Типовой проект 901-8-10.83Типовой проект 901-8-10.83Типовой проект 901-8-10.83Типовой проект 901-8-10.83Типовой проект 901-8-10.83Типовой проект 901-8-10.83Типовой проект 901-8-10.83Типовой проект 901-8-10.83Типовой проект 901-8-10.83Типовой проект 901-8-10.83

© 2013 Ёшкин Кот :-) Карта сайта