Информационная система
«Ёшкин Кот»

Скачать базу одним архивом
Скачать обновления
История создания базы
Карта сайта

Скачать Типовой проект 902-2-381.84 Альбом III. Строительные изделия

Дата актуализации: 10.08.2017

Типовой проект 902-2-381.84

Альбом III. Строительные изделия

Обозначение: Типовой проект 902-2-381.84
Обозначение англ: 902-2-381.84
Статус:не действует
Название рус.:Альбом III. Строительные изделия
Дата добавления в базу:01.09.2013
Дата актуализации:05.05.2017
Оглавление:ТП 902-2-381.84-ТТ Технические требования
ТП 902-2-381.84-КЖИ-ПСЦЗ-54-1а Панель стеновая ПСЦЗ-54-1а
ТП 902-2-381.84-КЖИ-ПСЦЗ-54-1а/1 Панель стеновая ПСЦЗ-54-1а/1
ТП 902-2-381.84-КЖИ-ПСЦ1-36-54б Панель стеновая ПСЦ1-36-54б
ТП 902-2-381.84-КЖИ-Л2-8а Лоток Л2-8а
ТП 902-2-381.84-КЖИ-Л2-8б Лоток Л2-8б
ТП 902-2-381.84-КЖИ-Л18-8а Лоток Л18-8а
ТП 902-2-381.84-КЖИ-РС1 Стойка РС1
ТП 902-2-381.84-КЖИ-РП1 Ригель РП1
ТП 902-2-381.84-КЖИ-К1 Колонка К1
ТП 902-2-381.84-КЖИ-П1 Плита П1
ТП 902-2-381.84-КЖИ-2П1-6А Плита 2П1-6А
ТП 902-2-381.84-КЖИ-СП1 Плита СП1
ТП 902-2-381.84-КЖИ-КР1 Каркас плоский КР1
ТП 902-2-381.84-КЖИ-КР2 Каркас плоский КР2
ТП 902-2-381.84-КЖИ-КР3 Каркас плоский КР3
ТП 902-2-381.84-КЖИ-КР4 Каркас плоский КР4
ТП 902-2-381.84-КЖИ-КР5 Каркас плоский КР5
ТП 902-2-381.84-КЖИ-КР11 Каркас плоский КР11
ТП 902-2-381.84-КЖИ-КР12 Каркас плоский КР12
ТП 902-2-381.84-КЖИ-КР13 Каркас плоский КР13
ТП 902-2-381.84-КЖИ-КР14 Каркас плоский КР14
ТП 902-2-381.84-КЖИ-КР15 Каркас плоский КР15
ТП 902-2-381.84-КЖИ-КР16 Каркас плоский КР16
ТП 902-2-381.84-КЖИ-С1 Сетка С1
ТП 902-2-381.84-КЖИ-С2 Сетка С2
ТП 902-2-381.84-КЖИ-С3 Сетка С3
ТП 902-2-381.84-КЖИ-С4 Сетка С4
ТП 902-2-381.84-КЖИ-С5 Сетка С5
ТП 902-2-381.84-КЖИ-С6 Сетка С6
ТП 902-2-381.84-КЖИ-С7 Сетка С7
ТП 902-2-381.84-КЖИ-С8 Сетка С8
ТП 902-2-381.84-КЖИ-С9 Сетка С9
ТП 902-2-381.84-КЖИ-С10 Сетка С10
ТП 902-2-381.84-КЖИ-С11 Сетка С11
ТП 902-2-381.84-КЖИ-С12 Сетка С12
ТП 902-2-381.84-КЖИ-С13 Сетка С13
ТП 902-2-381.84-КЖИ-М1-1 Изделие закладное М1-1
ТП 902-2-381.84-КЖИ-М1-2 Изделие закладное М1-2
ТП 902-2-381.84-КЖИ-М2-1 Изделие закладное М2-1
ТП 902-2-381.84-КЖИ-М2-2 Изделие закладное М2-2
ТП 902-2-381.84-КЖИ-М2-3 Изделие закладное М2-3
ТП 902-2-381.84-КЖИ-М2-4 Изделие закладное М2-4
ТП 902-2-381.84-КЖИ-М2-5 Изделие закладное М2-5
ТП 902-2-381.84-КЖИ-М3-1 Изделие закладное М3-1
ТП 902-2-381.84-КЖИ-М4-1 Изделие закладное М4-1
ТП 902-2-381.84-КЖИ-М5-1 Изделие закладное М5-1
ТП 902-2-381.84-КЖИ-М6-1 Изделие закладное М6-1
ТП 902-2-381.84-КЖИ-М7-1 Изделие закладное М7-1
ТП 902-2-381.84-КЖИ-М8-1 Изделие закладное М8-1
ТП 902-2-381.84-КЖИ-М8-2 Изделие закладное М8-2
ТП 902-2-381.84-КЖИ-М8-3 Изделие закладное М8-3
ТП 902-2-381.84-КЖИ-МН1 Изделие закладное МН1
ТП 902-2-381.84-КЖИ-МН2 Изделие закладное МН2
ТП 902-2-381.84-КЖИ-МН3 Изделие закладное МН3
ТП 902-2-381.84-КЖИ-МН4 Изделие закладное МН4
ТП 902-2-381.84-КЖИ-МН5 Изделие закладное МН5
ТП 902-2-381.84-КЖИ-МН6 Изделие закладное МН6
ТП 902-2-381.84-КЖИ-МН7 Изделие закладное МН7
ТП 902-2-381.84-КЖИ-МН10 Изделие закладное МН10
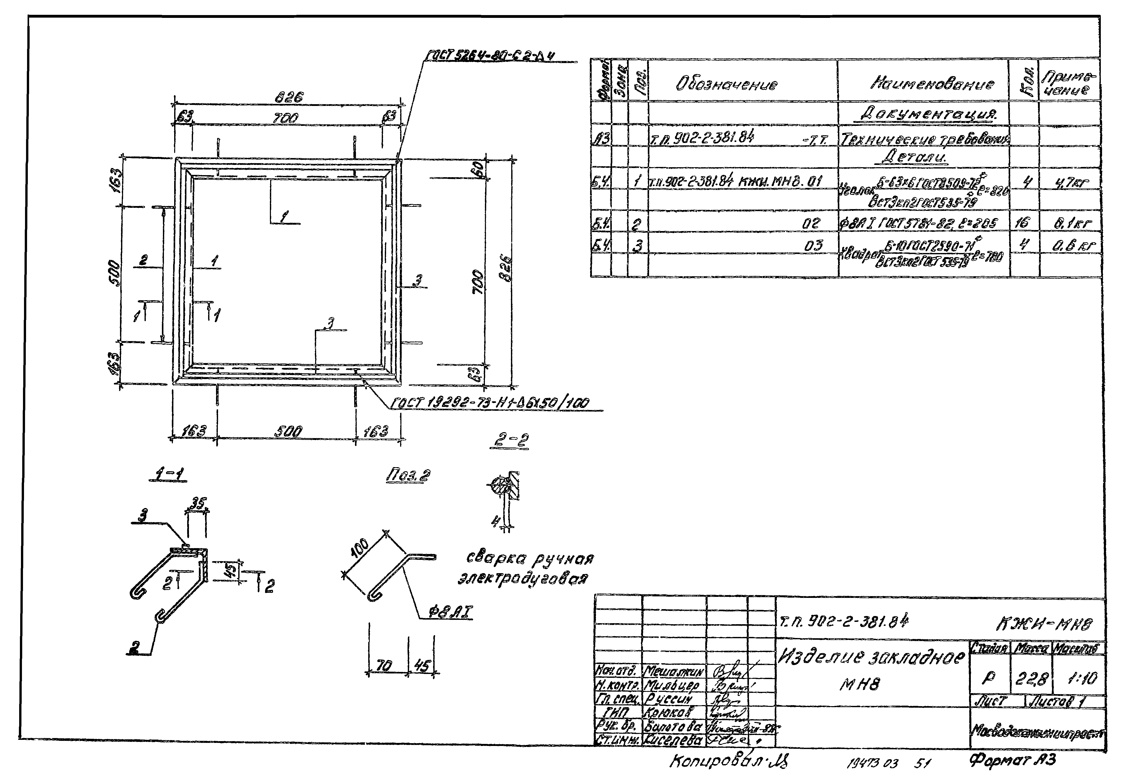
ТП 902-2-381.84-КЖИ-МН8 Изделие закладное МН8
ТП 902-2-381.84-КЖИ-МН11 Изделие закладное МН11
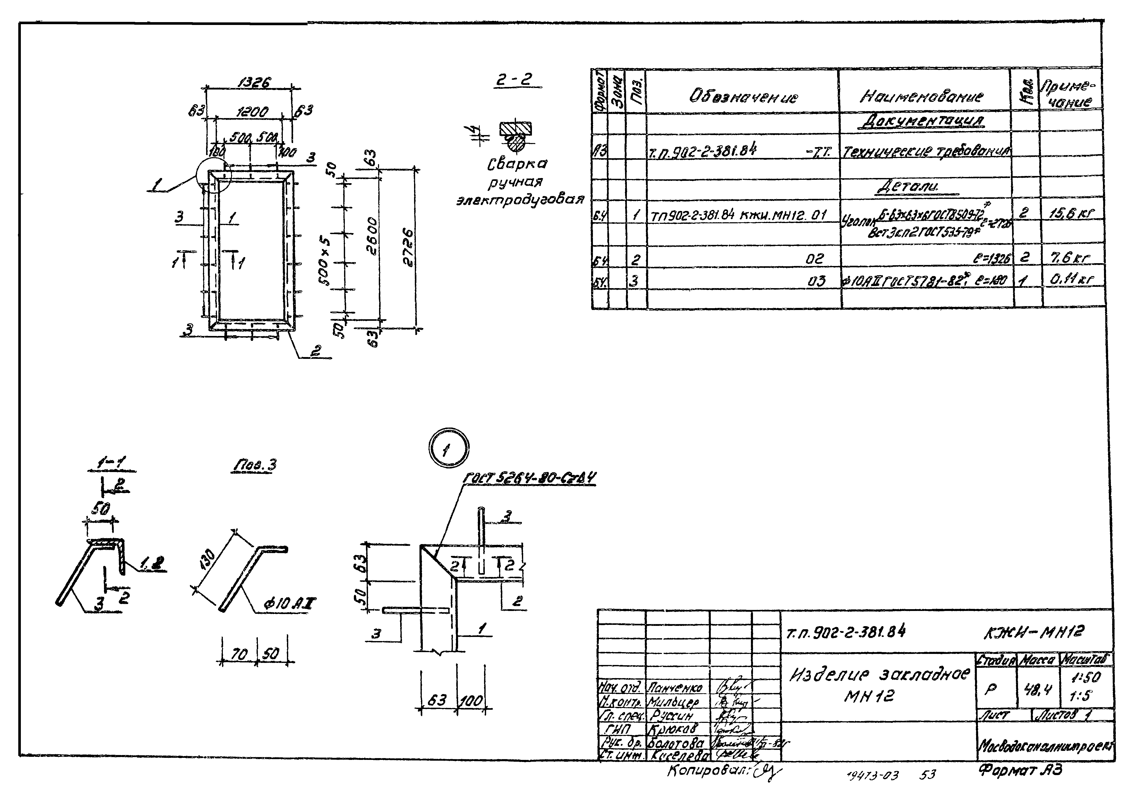
ТП 902-2-381.84-КЖИ-МН12 Изделие закладное МН12
ТП 902-2-381.84-КЖИ-МН13 Изделие закладное МН13
ТП 902-2-381.84-КЖИ-МН14 Изделие закладное МН14
ТП 902-2-381.84-КЖИ-МН15 Изделие закладное МН15
ТП 902-2-381.84-КЖИ-МН16 Изделие закладное МН16
ТП 902-2-381.84-КЖИ-МН17 Изделие закладное МН17
ТП 902-2-381.84-КЖИ-МН18 Изделие закладное МН18
ТП 902-2-381.84-КЖИ-МН19 Изделие закладное МН19
ТП 902-2-381.84-КЖИ-Р1 Рама Р1
ТП 902-2-381.84-КЖИ-Р2 Рама Р2
ТП 902-2-381.84-КЖИ-РШ3 Рама РШ3
ТП 902-2-381.84-КЖИ-К1 Крышка К1
ТП 902-2-381.84-КЖИ-К2 Крышка К2
ТП 902-2-381.84-КЖИ-РП2 Подкос РП2
ТП 902-2-381.84-КЖИ-В1 Водослив В1
Разработан: МосводоканалНИИпроект
Утверждён:20.12.1983 МосводоканалНИИпроект (312)
Расположен в:Техническая документация Строительство Справочные документы Типовые строительные конструкции, изделия и узлы Общероссийский строительный каталог Промышленные предприятия, здания и сооружения Здания и сооружения санитарно-технические Канализация Сооружения механической очистки Отстойники Отстойники радиальные первичные
Типовой проект 902-2-381.84Типовой проект 902-2-381.84Типовой проект 902-2-381.84Типовой проект 902-2-381.84Типовой проект 902-2-381.84Типовой проект 902-2-381.84Типовой проект 902-2-381.84Типовой проект 902-2-381.84Типовой проект 902-2-381.84Типовой проект 902-2-381.84Типовой проект 902-2-381.84Типовой проект 902-2-381.84Типовой проект 902-2-381.84Типовой проект 902-2-381.84Типовой проект 902-2-381.84Типовой проект 902-2-381.84Типовой проект 902-2-381.84Типовой проект 902-2-381.84Типовой проект 902-2-381.84Типовой проект 902-2-381.84Типовой проект 902-2-381.84Типовой проект 902-2-381.84Типовой проект 902-2-381.84Типовой проект 902-2-381.84Типовой проект 902-2-381.84Типовой проект 902-2-381.84Типовой проект 902-2-381.84Типовой проект 902-2-381.84Типовой проект 902-2-381.84Типовой проект 902-2-381.84Типовой проект 902-2-381.84Типовой проект 902-2-381.84Типовой проект 902-2-381.84Типовой проект 902-2-381.84Типовой проект 902-2-381.84Типовой проект 902-2-381.84Типовой проект 902-2-381.84Типовой проект 902-2-381.84Типовой проект 902-2-381.84Типовой проект 902-2-381.84Типовой проект 902-2-381.84Типовой проект 902-2-381.84Типовой проект 902-2-381.84Типовой проект 902-2-381.84Типовой проект 902-2-381.84Типовой проект 902-2-381.84Типовой проект 902-2-381.84Типовой проект 902-2-381.84Типовой проект 902-2-381.84Типовой проект 902-2-381.84Типовой проект 902-2-381.84Типовой проект 902-2-381.84Типовой проект 902-2-381.84Типовой проект 902-2-381.84Типовой проект 902-2-381.84Типовой проект 902-2-381.84Типовой проект 902-2-381.84Типовой проект 902-2-381.84Типовой проект 902-2-381.84Типовой проект 902-2-381.84Типовой проект 902-2-381.84Типовой проект 902-2-381.84Типовой проект 902-2-381.84

© 2013 Ёшкин Кот :-) Карта сайта