Информационная система
«Ёшкин Кот»

Скачать базу одним архивом
Скачать обновления
История создания базы
Карта сайта

Скачать Типовой проект 902-2-394.86 Альбом III. Конструкции железобетонные

Дата актуализации: 10.08.2017

Типовой проект 902-2-394.86

Альбом III. Конструкции железобетонные

Обозначение: Типовой проект 902-2-394.86
Обозначение англ: 902-2-394.86
Статус:не определен законодательством
Название рус.:Альбом III. Конструкции железобетонные
Дата добавления в базу:01.09.2013
Дата актуализации:05.05.2017
Дата введения:09.01.1986
Оглавление:ТП 902-2-394.86-КЖ-1 Секции "А,Б". Общие данные
ТП 902-2-394.86-КЖ-2 Секции "А,Б". Компоновочный чертеж на 2,3 секции
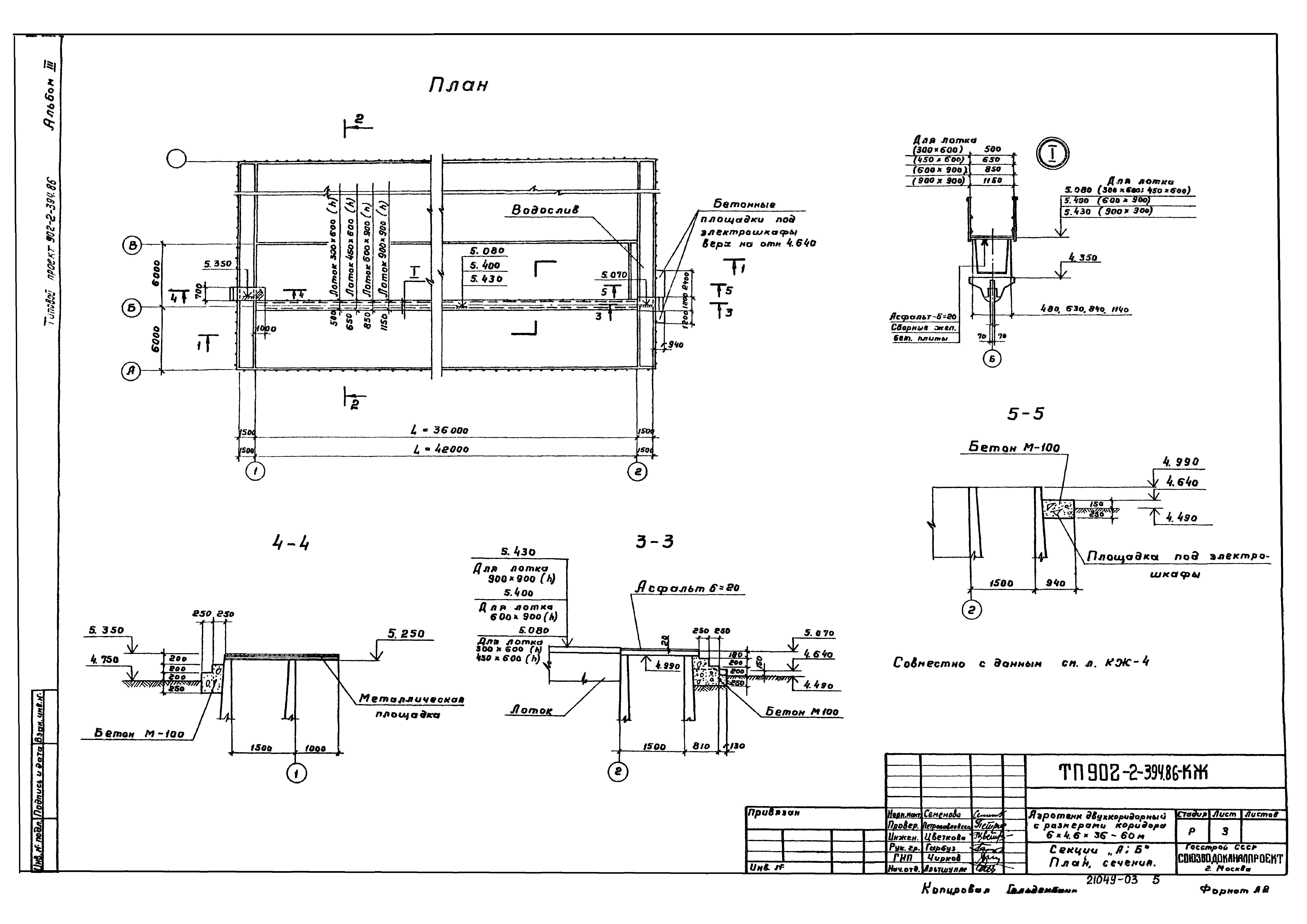
ТП 902-2-394.86-КЖ-3 Секции "А,Б". План, сечения
ТП 902-2-394.86-КЖ-4 Секции "А,Б". Разрезы
ТП 902-2-394.86-КЖ-5 Секция "А". Днище. Опалубочный чертеж. План, разрезы
ТП 902-2-394.86-КЖ-6 Секция "А". Днище. Спецификация элементов
ТП 902-2-394.86-КЖ-7 Секция "А". Днище. Арматурный чертеж
ТП 902-2-394.86-КЖ-8 Секция "Б". Днище. Опалубочный чертеж. План, разрезы
ТП 902-2-394.86-КЖ-9 Секция "Б". Днище. Спецификация элементов
ТП 902-2-394.86-КЖ-10 Секция "Б". Днище. Арматурный чертеж. Раскладка нижней арматуры
ТП 902-2-394.86-КЖ-11 Секция "Б". Днище. Арматурный чертеж. Раскладка верхней арматуры
ТП 902-2-394.86-КЖ-12 Секция "А". Схема расположения элементов стен. План
ТП 902-2-394.86-КЖ-13 Секция "Б". Схема расположения элементов стен. План
ТП 902-2-394.86-КЖ-14 Секции "А;Б". Схема расположения элементов стен. Виды 1-1÷6-6
ТП 902-2-394.86-КЖ-15 Секции "А;Б". Схема расположения элементов стен. Виды 7-7÷12-12
ТП 902-2-394.86-КЖ-16 Секции "А,Б". Схема расположения балок, лотков, плит на одну технологическую секцию (Lаэротенка=36м)
ТП 902-2-394.86-КЖ-17 Секции "А,Б" Схема расположения балок, лотков, плит на одну технологическую секцию (Lаэротенка=42м)
Разработан: Союзводоканалпроект
Утверждён:20.09.1984 Союзводоканалпроект (Soyuzvodokanalproject 46)
Расположен в:Техническая документация Строительство Справочные документы Типовые строительные конструкции, изделия и узлы Общероссийский строительный каталог Промышленные предприятия, здания и сооружения Здания и сооружения санитарно-технические Канализация Сооружения биологической (биохимической) очистки Аэротенки, аэрируемые биопруды, аэроакселаторы
Заменяет собой:
Типовой проект 902-2-394.86Типовой проект 902-2-394.86Типовой проект 902-2-394.86Типовой проект 902-2-394.86Типовой проект 902-2-394.86Типовой проект 902-2-394.86Типовой проект 902-2-394.86Типовой проект 902-2-394.86Типовой проект 902-2-394.86Типовой проект 902-2-394.86Типовой проект 902-2-394.86Типовой проект 902-2-394.86Типовой проект 902-2-394.86Типовой проект 902-2-394.86Типовой проект 902-2-394.86Типовой проект 902-2-394.86Типовой проект 902-2-394.86Типовой проект 902-2-394.86Типовой проект 902-2-394.86Типовой проект 902-2-394.86

© 2013 Ёшкин Кот :-) Карта сайта