| ||||||||||||||||||||||||||
Скачать Типовые проектные решения 904-02-16.85 Альбом 0. Часть 2. Рекомендации по применению. Узлы регулированияДата актуализации: 10.08.2017
|
| Обозначение: | Типовые проектные решения 904-02-16.85 |
| Обозначение англ: | 904-02-16.85 |
| Статус: | cправочные материалы, мп, тпр |
| Название рус.: | Альбом 0. Часть 2. Рекомендации по применению. Узлы регулирования |
| Дата добавления в базу: | 01.09.2013 |
| Дата актуализации: | 05.05.2017 |
| Дата введения: | 12.06.1986 |
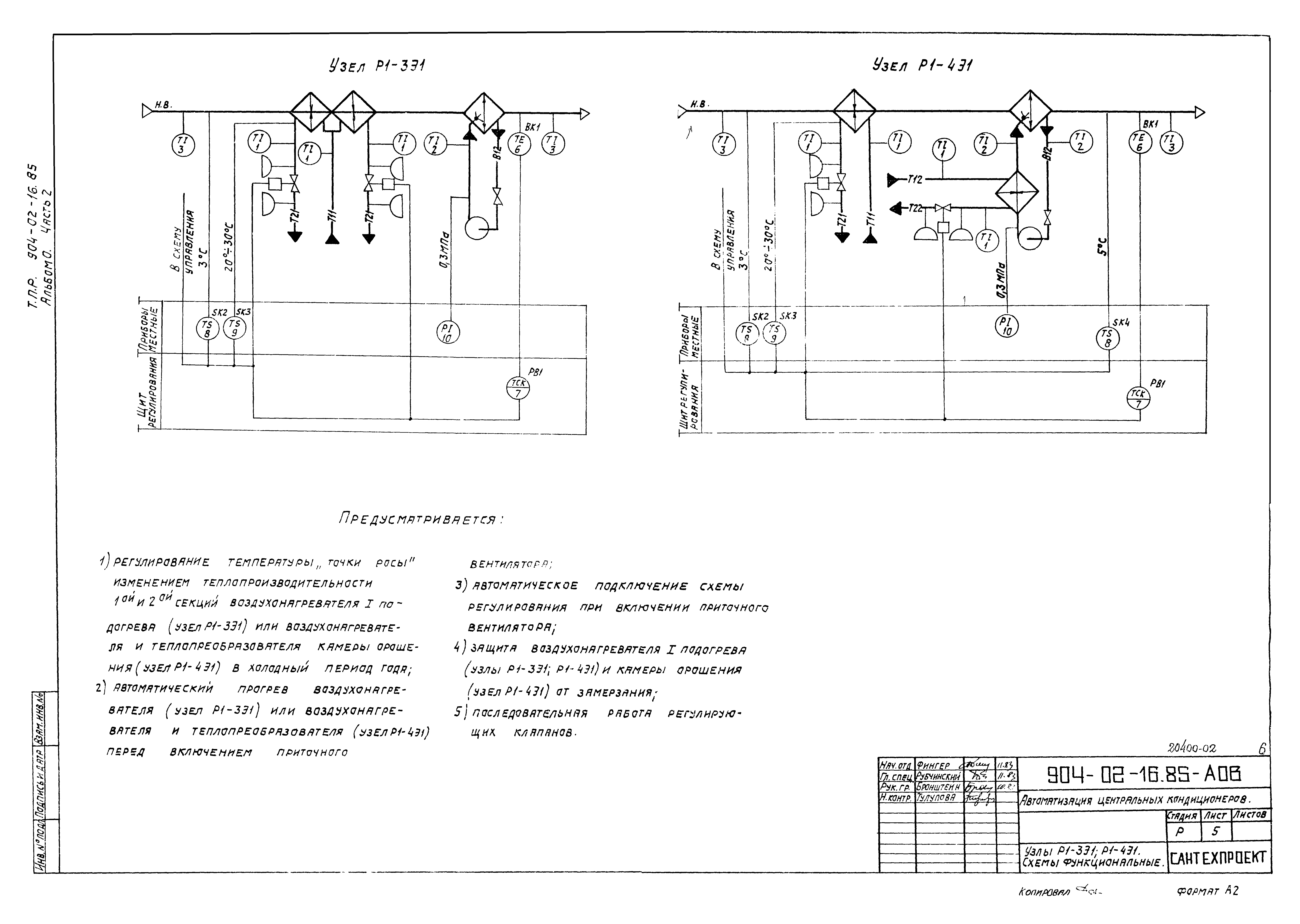
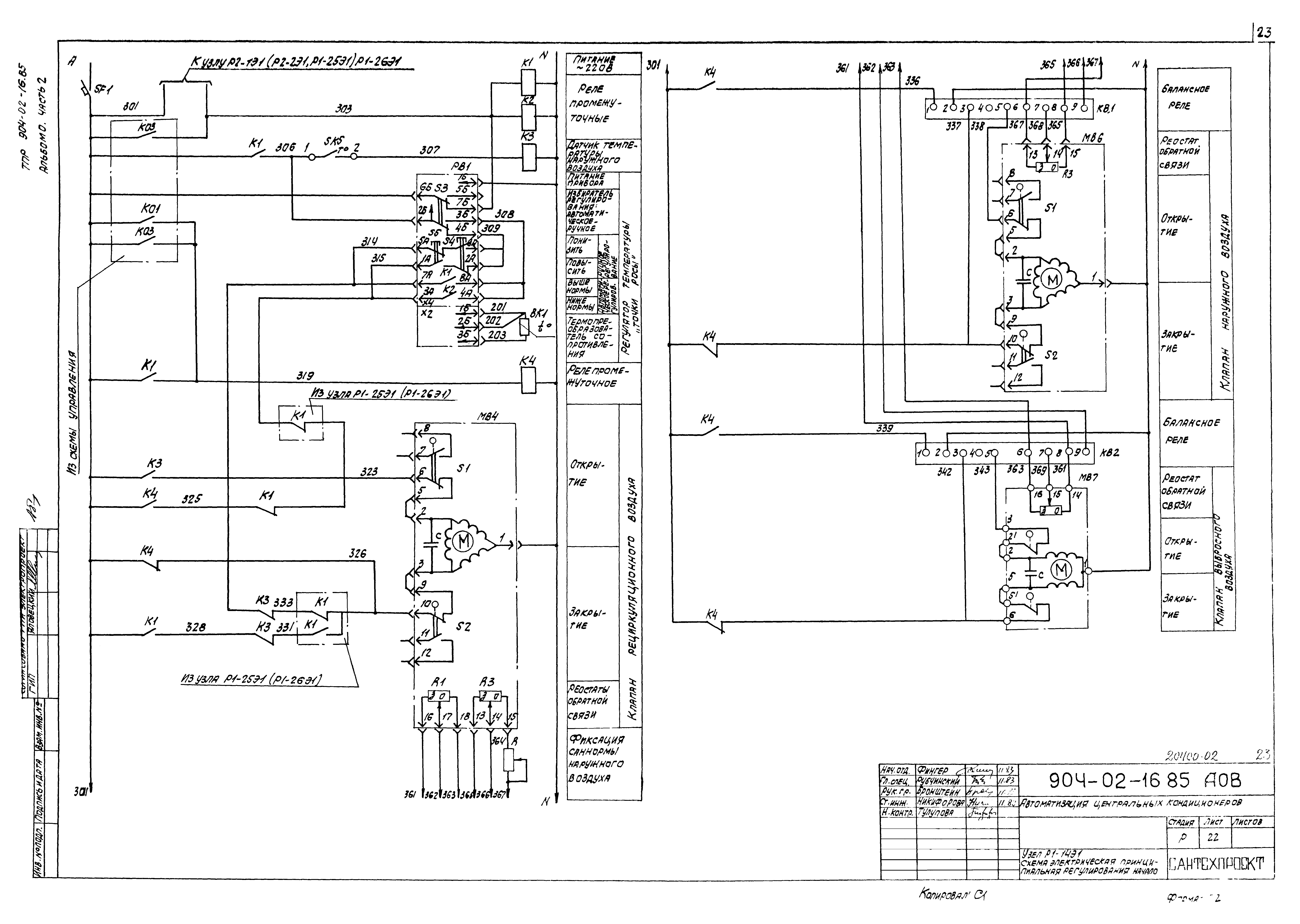
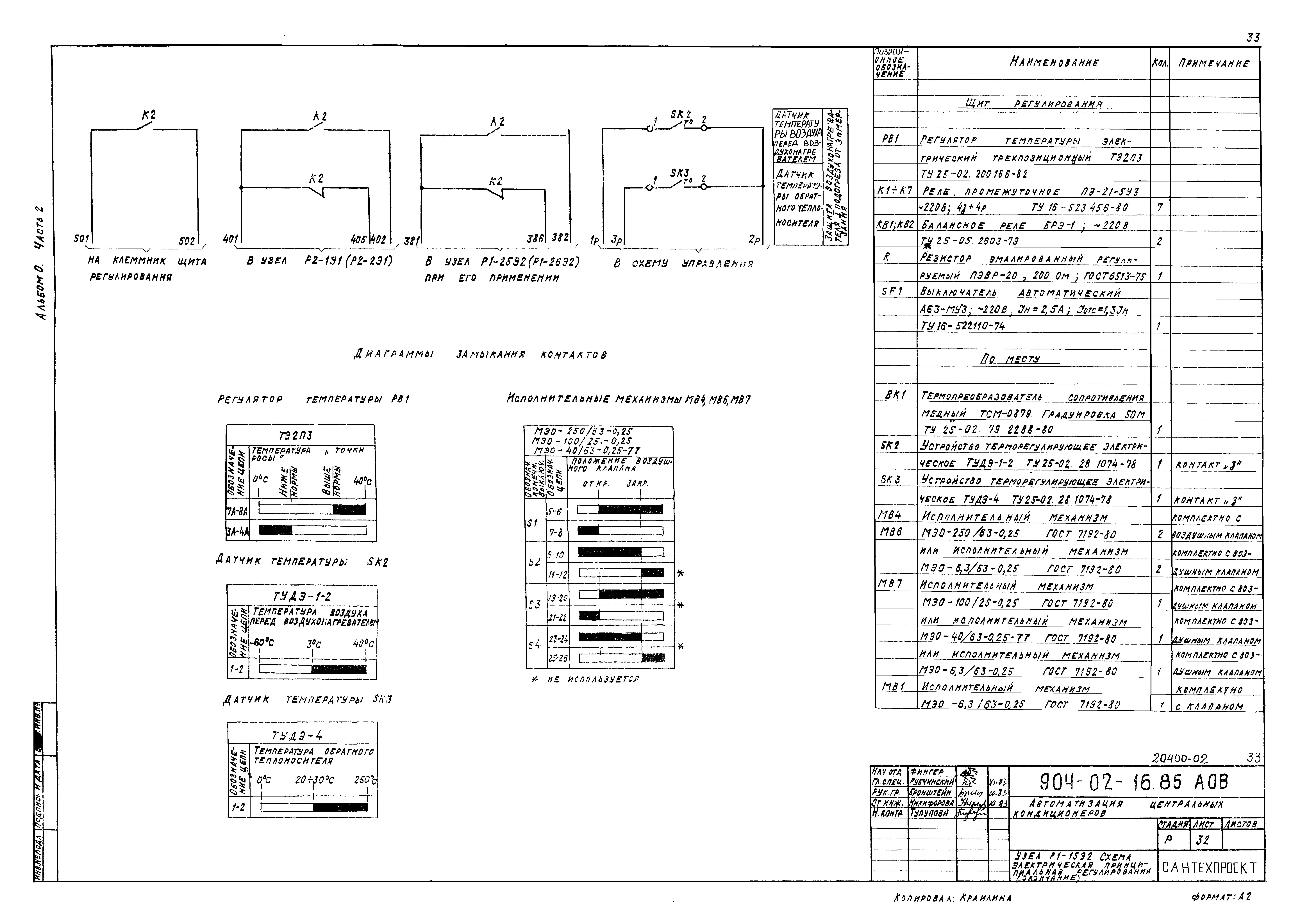
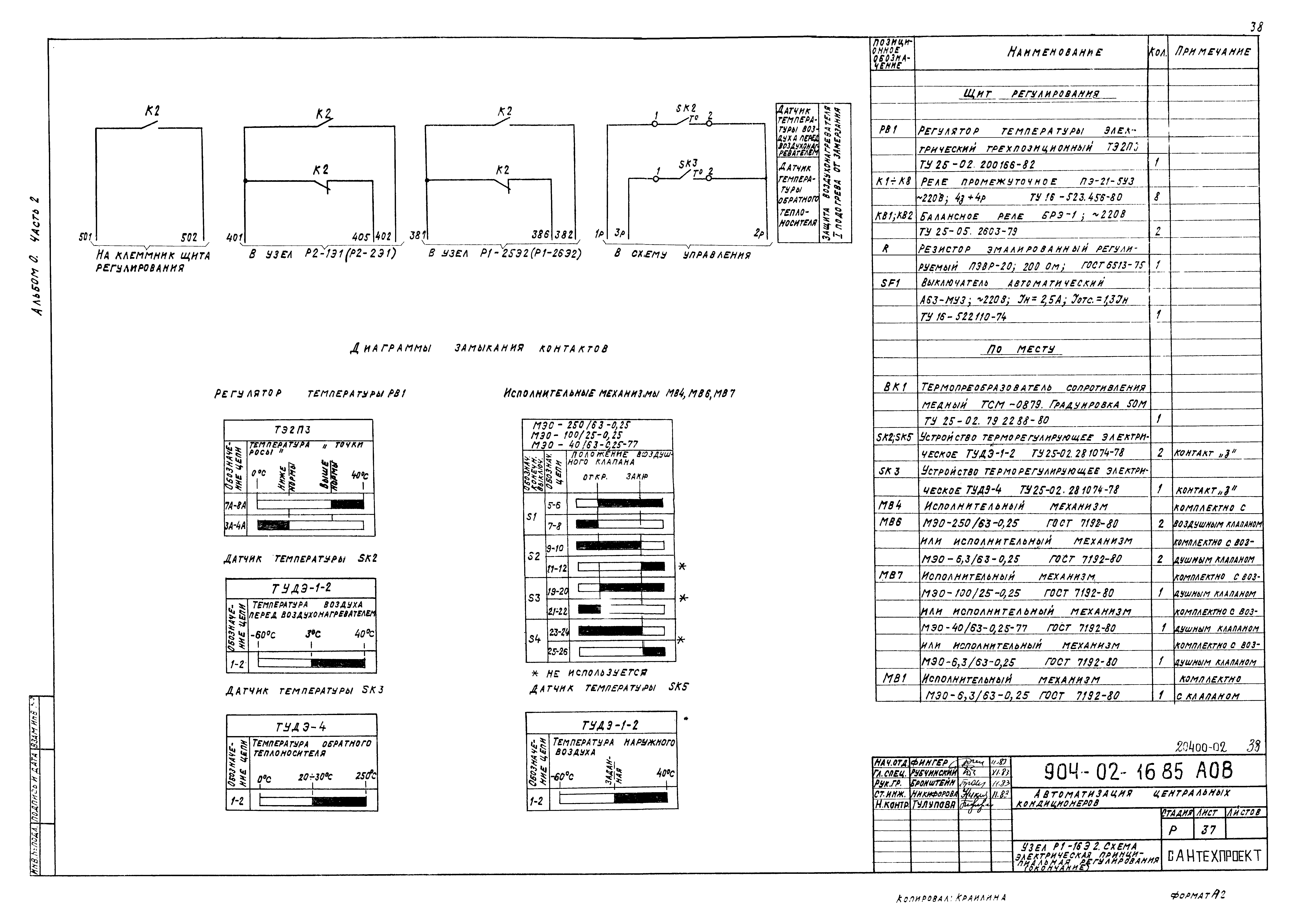
| Оглавление: | Часть 2 I. Общие данные II. Узлы регулирования (чертежи) |
| Разработан: | Сантехпроект Госстроя СССР |
| Утверждён: | 12.06.1986 Главстройпроект Госстроя СССР (33) |
| Расположен в: |



















































































