Информационная система
«Ёшкин Кот»

Скачать базу одним архивом
Скачать обновления
История создания базы
Карта сайта

Скачать Типовой проект 902-1-104.86 Альбом 7. Электротехническая часть. Технологический контроль. Связь

Дата актуализации: 10.08.2017

Типовой проект 902-1-104.86

Альбом 7. Электротехническая часть. Технологический контроль. Связь

Обозначение: Типовой проект 902-1-104.86
Обозначение англ: 902-1-104.86
Статус:не определен законодательством
Название рус.:Альбом 7. Электротехническая часть. Технологический контроль. Связь
Дата добавления в базу:01.09.2013
Дата актуализации:05.05.2017
Дата введения:27.10.1986
Оглавление:ТП 902-1-104.86 Содержание альбома
ТП 902-1-104.86-ЭМ Комплект марки ЭМ
ТП 902-1-104.86-ЭМ Общие данные (начало)
ТП 902-1-104.86-ЭМ Общие данные (окончание)
ТП 902-1-104.86-ЭМ Выбор высоковольтных кабелей. Расчет токов К3. Проверка работы блоков питания
ТП 902-1-104.86-ЭМ Расчет прямого пуска двигателя
ТП 902-1-104.86-ЭМ Расчет релейной защиты. Проверка устойчивости трансформаторов тока к токам К3
ТП 902-1-104.86-ЭМ Схема принципиальная однолинейная сети 6 кВ
ТП 902-1-104.86-ЭМ Ввод №1(№2) и секционный выключатель. Схема принципиальная (начало)
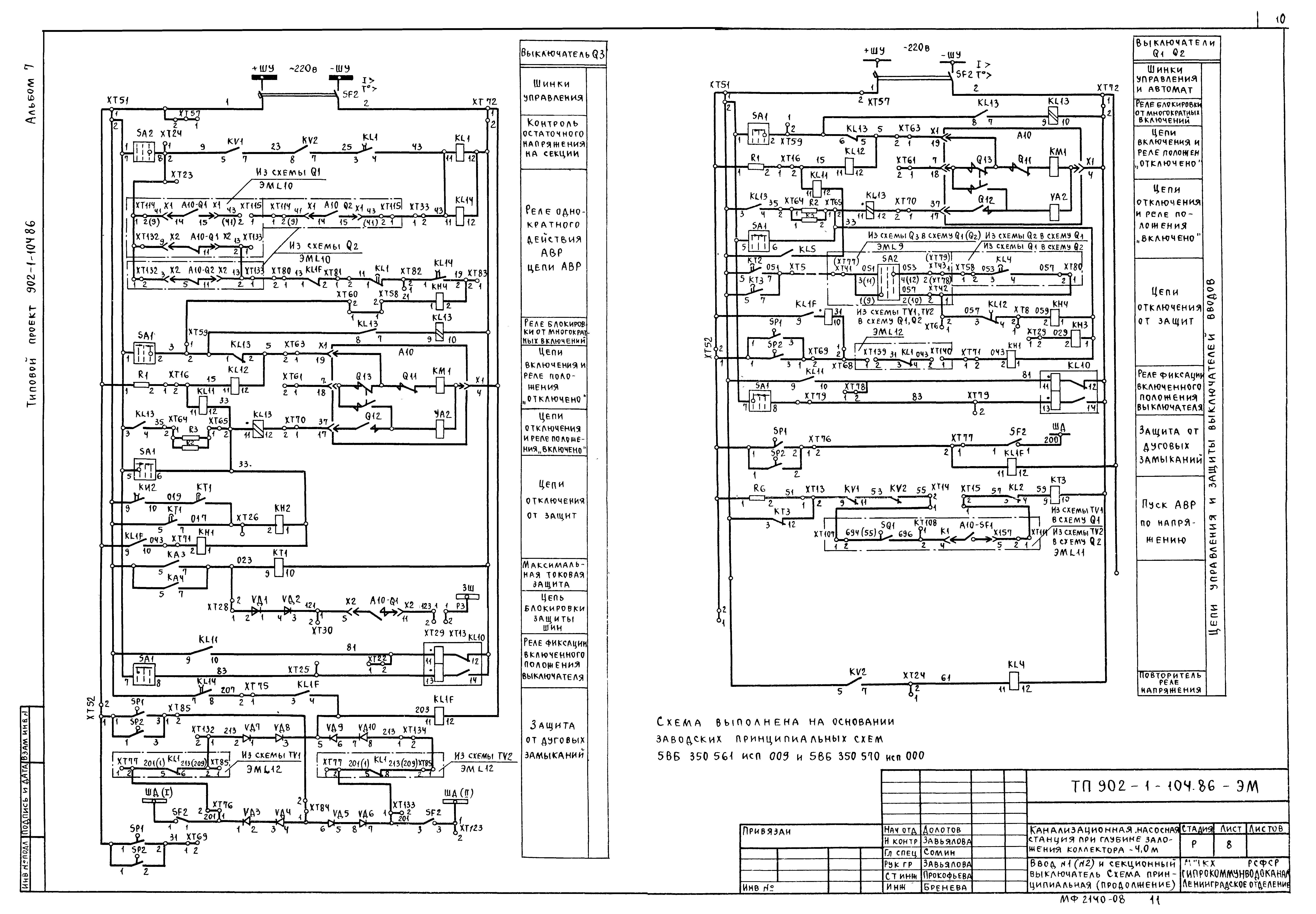
ТП 902-1-104.86-ЭМ Ввод №1(№2) и секционный выключатель. Схема принципиальная (продолжение)
ТП 902-1-104.86-ЭМ Ввод №1(№2) и секционный выключатель. Схема принципиальная (окончание)
ТП 902-1-104.86-ЭМ Трансформатор напряжения. Схема принципиальная (начало)
ТП 902-1-104.86-ЭМ Трансформатор напряжения. Схема принципиальная (окончание)
ТП 902-1-104.86-ЭМ Конденсаторная установка I(II) секции. Схема принципиальная (начало)
ТП 902-1-104.86-ЭМ Конденсаторная установка I(II) секции. Схема принципиальная (окончание)
ТП 902-1-104.86-ЭМ Секционный разъединитель и трансформатор I(II) секции. Схема принципиальная
ТП 902-1-104.86-ЭМ Шкаф низковольтной аппаратуры. Схема принципиальная (начало)
ТП 902-1-104.86-ЭМ Шкаф низковольтной аппаратуры. Схема принципиальная (окончание)
ТП 902-1-104.86-ЭМ Навесной релейный шкаф ОРШ1,ОРШ2 и выпрямительное устройство VZ1,VZ2. Схема принципиальная
ТП 902-1-104.86-ЭМ Схема принципиальная оперативной блокировки
ТП 902-1-104.86-ЭМ Схема подключения шинок выпрямленного тока
ТП 902-1-104.86-ЭМ РУ. Шкафы 1,2. Схема подключения
ТП 902-1-104.86-ЭМ РУ. Шкафы 3,4,12,13,15. Схема подключения
ТП 902-1-104.86-ЭМ РУ. Шкафы 5,6,7. ОРШ1(2).Схема подключения
ТП 902-1-104.86-ЭМ РУ. Шкафы 9,10. ОРШ1(2).Схема подключения
ТП 902-1-104.86-ЭМ РУ. Шкафы 14,16. ОРШ1(2).Схема подключения
ТП 902-1-104.86-ЭМ Схема принципиальная однолинейная ~380/220В (начало)
ТП 902-1-104.86-ЭМ Схема принципиальная однолинейная ~380/220В (продолжение)
ТП 902-1-104.86-ЭМ Схема принципиальная однолинейная ~380/220В (окончание)
ТП 902-1-104.86-ЭМ Схема принципиальная вводов ~380/220В с АВР
ТП 902-1-104.86-ЭМ Насосы 1-5. Схема принципиальная (начало)
ТП 902-1-104.86-ЭМ Насосы 1-5. Схема принципиальная (продолжение)
ТП 902-1-104.86-ЭМ Насосы 1-5. Схема принципиальная (окончание)
ТП 902-1-104.86-ЭМ Общие цепи управления насосами 1-5. Схема принципиальная (начало)
ТП 902-1-104.86-ЭМ Общие цепи управления насосами 1-5. Схема принципиальная (окончание)
ТП 902-1-104.86-ЭМ Задвижки 1-1÷5-1. Схема принципиальная
ТП 902-1-104.86-ЭМ Насосы технической воды 6,7. Схема принципиальная
ТП 902-1-104.86-ЭМ Задвижки 6-1,7-1. Схема принципиальная
ТП 902-1-104.86-ЭМ Дренажные насосы 10,11. Схема принципиальная
ТП 902-1-104.86-ЭМ Задвижки 1-1÷5-2,15-17,21-24. Насосы 8,9. Дробилка 18. Транспортеры 26,27.Схема принципиальная
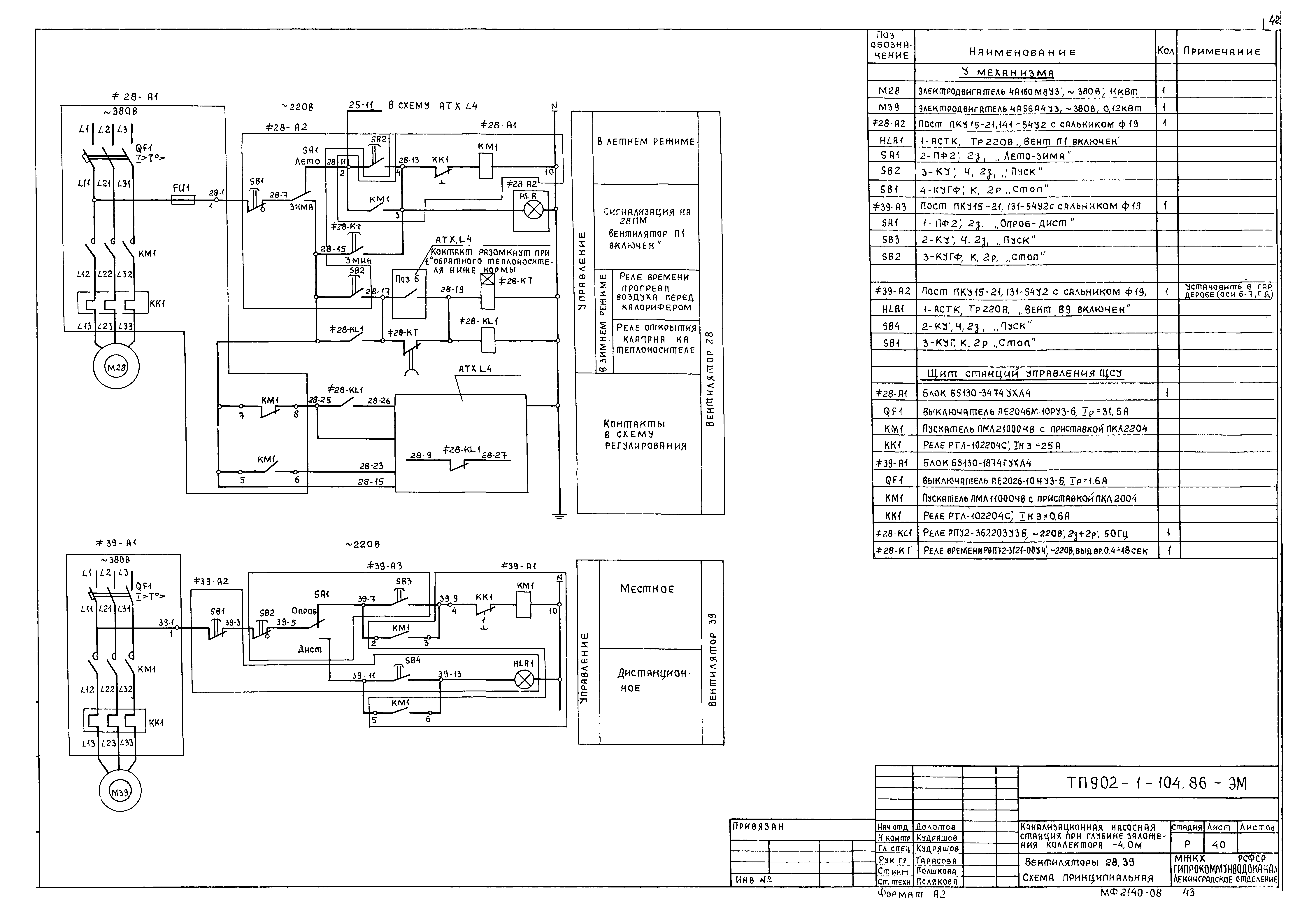
ТП 902-1-104.86-ЭМ Вентиляторы 28,39. Схема принципиальная
ТП 902-1-104.86-ЭМ Вентиляторы 29,31-38. Схема принципиальная
ТП 902-1-104.86-ЭМ Вентиляторы 30-1,30-2. Схема принципиальная
ТП 902-1-104.86-ЭМ Схема принципиальная сигнализации (начало)
ТП 902-1-104.86-ЭМ Схема принципиальная сигнализации (продолжение)
ТП 902-1-104.86-ЭМ Схема принципиальная сигнализации (окончание)
ТП 902-1-104.86-ЭМ Отдельностоящее оборудование. Схема подключения (начало)
ТП 902-1-104.86-ЭМ Отдельностоящее оборудование. Схема подключения (продолжение)
ТП 902-1-104.86-ЭМ Отдельностоящее оборудование. Схема подключения (окончание)
ТП 902-1-104.86-ЭМ Щит ЩУС. Щит ЩСУ. Панели 1,2. Схема подключения
ТП 902-1-104.86-ЭМ Щит ЩУС, панели 3-5. Схема подключения
ТП 902-1-104.86-ЭМ Щит ЩУС, панели 6-9. Схема подключения
ТП 902-1-104.86-ЭМ Кабельный журнал (начало)
ТП 902-1-104.86-ЭМ Кабельный журнал (продолжение)
ТП 902-1-104.86-ЭМ Кабельный журнал (окончание)
ТП 902-1-104.86-ЭМ Расположение электрооборудования и прокладка кабелей. План электропомещений
ТП 902-1-104.86-ЭМ Расположение электрооборудования и прокладка кабелей. План на отм. 0.00
ТП 902-1-104.86-ЭМ Расположение электрооборудования и прокладка кабелей. План на отм. -4.60;-5.30
ТП 902-1-104.86-ЭМ Расположение электрооборудования и прокладка кабелей. План на отм. -8.60
ТП 902-1-104.86-ЭМ Расположение электрооборудования и прокладка кабелей. План на отм. -11.50
ТП 902-1-104.86-ЭМ Расположение электрооборудования и прокладка кабелей. Сечения
ТП 902-1-104.86-ЭМ Заземление
ТП 902-1-104.86-ЭМ План электроосвещения (начало)
ТП 902-1-104.86-ЭМ План электроосвещения (окончание)
ТП 902-1-104.86-ЭМН Щиты ЩСУ,ЩУС. Ящики ЯУП,35ПМ. Эскизы общих видов
ТП 902-1-104.86-ЭМ.ЛО Опросный лист для заказа КРУ серии КМ-1Ф ЭМ.ЛО
ТП 902-1-104.86-ЭМ.И Конструкция для установки контактора в камере ЭМ.И
ТП 902-1-104.86-ЭМ.ВР Ведомость объемов строительный и монтажных работ ЭМ.ВР
ТП 902-1-104.86-АТХ Комплект марки АТХ
ТП 902-1-104.86-АТХ Общие данные
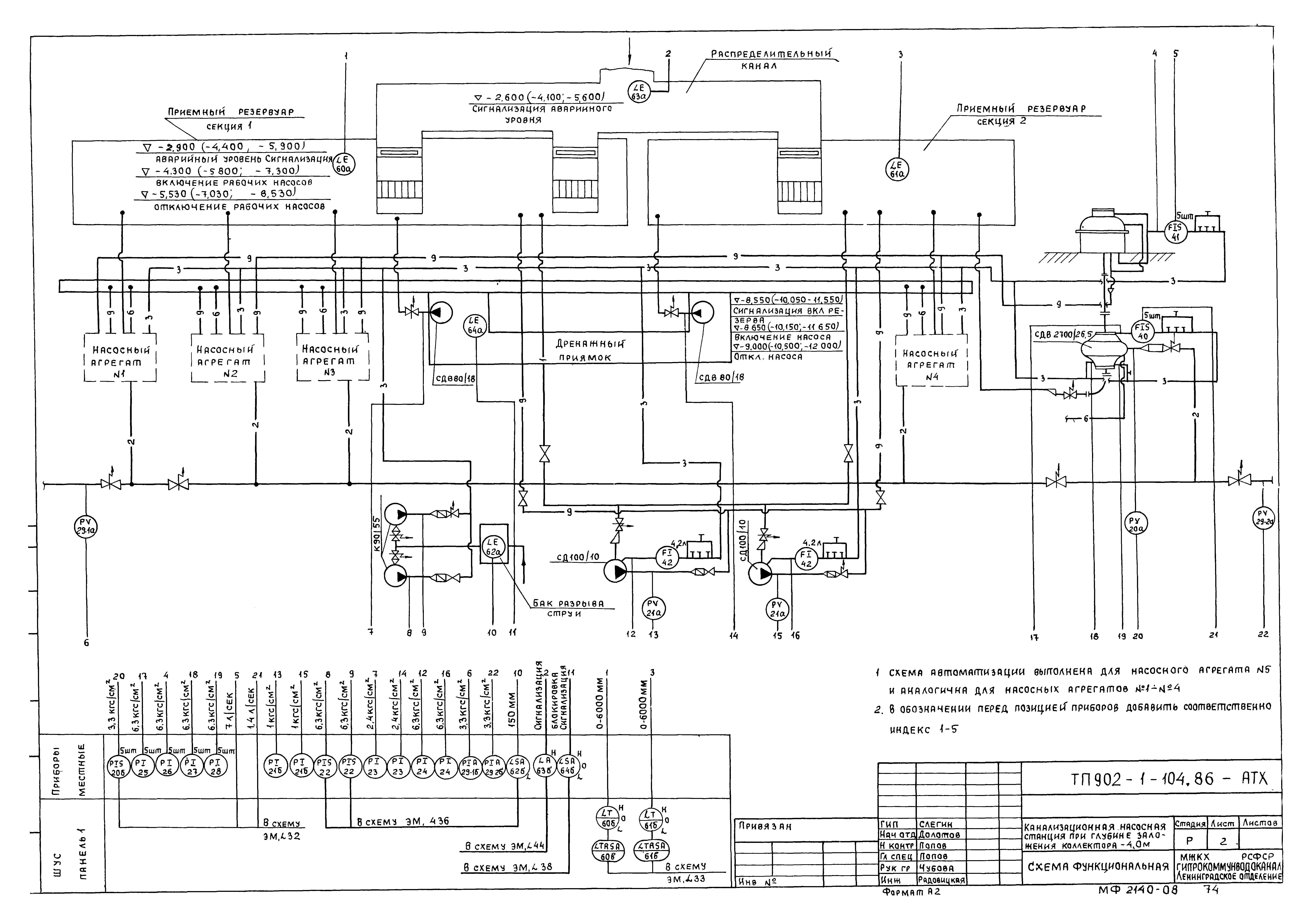
ТП 902-1-104.86-АТХ Схема функциональная
ТП 902-1-104.86-АТХ Приточная установка П1(П3). Схема функциональная
ТП 902-1-104.86-АТХ Приточная установка П1. Схема регулирования
ТП 902-1-104.86-АТХ Приточная установка П3. Схема регулирования
ТП 902-1-104.86-АТХ Схема питания
ТП 902-1-104.86-АТХ Схема соединения внешних проводок (начало)
ТП 902-1-104.86-АТХ Схема соединения внешних проводок (продолжение)
ТП 902-1-104.86-АТХ Схема соединения внешних проводок (окончание)
ТП 902-1-104.86-АТХ Кабельный журнал
ТП 902-1-104.86-АТХ План расположения (начало)
ТП 902-1-104.86-АТХ План расположения (продолжение)
ТП 902-1-104.86-АТХ План расположения (окончание)
ТП 902-1-104.86-АТХ Установка разделителя мембранного РМ5320. Общий вид
ТП 902-1-104.86-СС Комплект марки СС
ТП 902-1-104.86-СС Общие данные
ТП 902-1-104.86-СС План расположения сетей связи и радиофикации на отм. 0.000
Разработан: Ленинградское отделение Гипрокоммунводоканала
Утверждён:27.10.1986 МЖКХ РСФСР (462)
Расположен в:Техническая документация Строительство Справочные документы Типовые строительные конструкции, изделия и узлы Общероссийский строительный каталог Промышленные предприятия, здания и сооружения Здания и сооружения санитарно-технические Канализация Станции насосные Станции насосные для перекачки бытовых сточных вод
Типовой проект 902-1-104.86Типовой проект 902-1-104.86Типовой проект 902-1-104.86Типовой проект 902-1-104.86Типовой проект 902-1-104.86Типовой проект 902-1-104.86Типовой проект 902-1-104.86Типовой проект 902-1-104.86Типовой проект 902-1-104.86Типовой проект 902-1-104.86Типовой проект 902-1-104.86Типовой проект 902-1-104.86Типовой проект 902-1-104.86Типовой проект 902-1-104.86Типовой проект 902-1-104.86Типовой проект 902-1-104.86Типовой проект 902-1-104.86Типовой проект 902-1-104.86Типовой проект 902-1-104.86Типовой проект 902-1-104.86Типовой проект 902-1-104.86Типовой проект 902-1-104.86Типовой проект 902-1-104.86Типовой проект 902-1-104.86Типовой проект 902-1-104.86Типовой проект 902-1-104.86Типовой проект 902-1-104.86Типовой проект 902-1-104.86Типовой проект 902-1-104.86Типовой проект 902-1-104.86Типовой проект 902-1-104.86Типовой проект 902-1-104.86Типовой проект 902-1-104.86Типовой проект 902-1-104.86Типовой проект 902-1-104.86Типовой проект 902-1-104.86Типовой проект 902-1-104.86Типовой проект 902-1-104.86Типовой проект 902-1-104.86Типовой проект 902-1-104.86Типовой проект 902-1-104.86Типовой проект 902-1-104.86Типовой проект 902-1-104.86Типовой проект 902-1-104.86Типовой проект 902-1-104.86Типовой проект 902-1-104.86Типовой проект 902-1-104.86Типовой проект 902-1-104.86Типовой проект 902-1-104.86Типовой проект 902-1-104.86Типовой проект 902-1-104.86Типовой проект 902-1-104.86Типовой проект 902-1-104.86Типовой проект 902-1-104.86Типовой проект 902-1-104.86Типовой проект 902-1-104.86Типовой проект 902-1-104.86Типовой проект 902-1-104.86Типовой проект 902-1-104.86Типовой проект 902-1-104.86Типовой проект 902-1-104.86Типовой проект 902-1-104.86Типовой проект 902-1-104.86Типовой проект 902-1-104.86Типовой проект 902-1-104.86Типовой проект 902-1-104.86Типовой проект 902-1-104.86Типовой проект 902-1-104.86Типовой проект 902-1-104.86Типовой проект 902-1-104.86Типовой проект 902-1-104.86Типовой проект 902-1-104.86Типовой проект 902-1-104.86Типовой проект 902-1-104.86Типовой проект 902-1-104.86Типовой проект 902-1-104.86Типовой проект 902-1-104.86Типовой проект 902-1-104.86Типовой проект 902-1-104.86Типовой проект 902-1-104.86Типовой проект 902-1-104.86Типовой проект 902-1-104.86Типовой проект 902-1-104.86Типовой проект 902-1-104.86Типовой проект 902-1-104.86Типовой проект 902-1-104.86Типовой проект 902-1-104.86Типовой проект 902-1-104.86Типовой проект 902-1-104.86

© 2013 Ёшкин Кот :-) Карта сайта