Скачать Типовой проект 903-2-19.83 Альбом 4.2. Резервуарный парк с металлическими резервуарами. Части: тепломеханическая, архитектурно-строительная, автоматизация, электротехническая, отопление и вентиляцияДата актуализации: 10.08.2017 Типовой проект 903-2-19.83
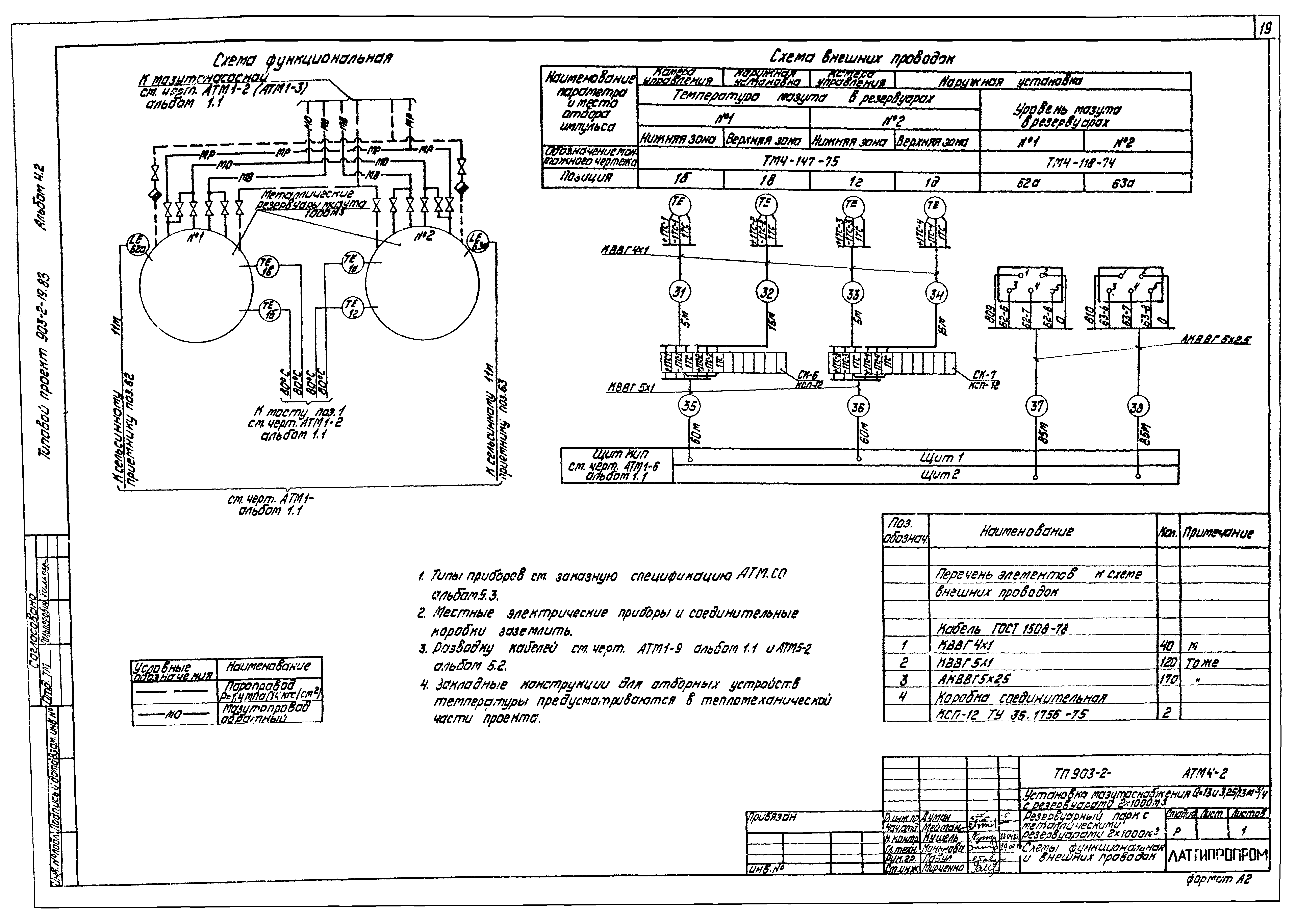
Альбом 4.2. Резервуарный парк с металлическими резервуарами. Части: тепломеханическая, архитектурно-строительная, автоматизация, электротехническая, отопление и вентиляцияОбозначение: | Типовой проект 903-2-19.83 | Обозначение англ: | 903-2-19.83 | Статус: | не действует | Название рус.: | Альбом 4.2. Резервуарный парк с металлическими резервуарами. Части: тепломеханическая, архитектурно-строительная, автоматизация, электротехническая, отопление и вентиляция | Дата добавления в базу: | 01.09.2013 | Дата актуализации: | 05.05.2017 | Оглавление: | ТП 903-2-19.83 Содержание альбома ТП 903-2-19.83 Тепломеханическая часть ТП 903-2-19.83 ТМ7-1 Оборудование мазутного резервуара. Общие данные ТП 903-2-19.83 ТМ7-2 Оборудование мазутного резервуара. Перечень изолируемых поверхностей ТП 903-2-19.83 ТМ7-3 Оборудование мазутного резервуара. Общий вид резервуара V=1000м³ ТП 903-2-19.83 ТМ7-4 Оборудование мазутного резервуара. Трубопроводы местного подогрева, заполнения и рециркуляции резервуара V=1000³ ТП 903-2-19.83 ТМ7-5 Оборудование мазутного резервуара. Трубопроводы камеры управления арматурой ТП 903-2-19.83 ТМ7-6 Оборудование мазутного резервуара. Установка вентиляционного патрубка ВП-150 ТП 903-2-19.83 ТМ7-7 Оборудование мазутного резервуара. Установка пробоотборника сниженного ПСР-4 ТП 903-2-19.83 ТМ7-8 Оборудование мазутного резервуара. Установка люка Ду700 с датчиком уровня ДСУ-2М ТП 903-2-19.83 ТМ7-9 Оборудование мазутного резервуара. Установка термометров сопротивления ТП 903-2-19.83 ТМ7-10 Оборудование мазутного резервуара. Установка подогревательного элемента F=3.93м² ТП 903-2-19.83 Архитектурно-строительная часть ТП 903-2-19.83 АС-1 Камеры управления №1,№2. Общие данные ТП 903-2-19.83 АС-2 Камеры управления №1,№2. Планы, разрезы, фасады ТП 903-2-19.83 АС-3 Камеры управления №1,№2. Схема расположения камер и переходов через обвалку ТП 903-2-19.83 АС-4 Камеры управления №1,№2. Схема расположения фундаментных блоков и балок покрытия ТП 903-2-19.83 АС-5 Камеры управления №1,№2. Схема расположения молниеприемника ТП 903-2-19.83 Автоматизация ТП 903-2-19.83 АТМ4-1 Общие данные ТП 903-2-19.83 АТМ4-2 Схема функциональная и внешних проводок ТП 903-2-19.83 Электротехническая часть ТП 903-2-19.83 Э-1 Общие данные ТП 903-2-19.83 Э-2 План силовой и осветительной электроустановок камер управления ТП 903-2-19.83 Э-3 Молниезащита резервуара ТП 903-2-19.83 Отопление и вентиляция ТП 903-2-19.83 ОВ-1 Камера управления №1,№2. Общие данные ТП 903-2-19.83 ОВ-2 Камера управления №1,№2. План. Фасад. Схема | Разработан: | Латгипропром
| Утверждён: | 07.12.1982 Латгипропром (249)
| Расположен в: |
| Чем заменён: | |
                      
|