Информационная система
«Ёшкин Кот»

Скачать базу одним архивом
Скачать обновления
История создания базы
Карта сайта

Скачать Типовой проект 903-1-250.87 Альбом 27. Задание заводу-изготовителю на щиты силовые

Дата актуализации: 10.08.2017

Типовой проект 903-1-250.87

Альбом 27. Задание заводу-изготовителю на щиты силовые

Обозначение: Типовой проект 903-1-250.87
Обозначение англ: 903-1-250.87
Статус:не определен законодательством
Название рус.:Альбом 27. Задание заводу-изготовителю на щиты силовые
Дата добавления в базу:01.09.2013
Дата актуализации:05.05.2017
Дата введения:29.09.1987
Оглавление:ТП 903-1-250.87 Э2-1 Щиты силовые управления. Задание заводу-изготовителю. Перечень документации
ТП 903-1-250.87 Э2-2 Перечень комплектных устройств
ТП 903-1-250.87 Э2-3.ВО Щит открытый 5Щ. Чертеж общего вида
ТП 903-1-250.87 Э2.3 Щит открытый 5Щ. Технические данные аппаратов
ТП 903-1-250.87 Э2-3.ТБ Щит открытый 5Щ. Перечень надписей
ТП 903-1-250.87 Э2-3Э4 Щит открытый 5Щ. Схема электрическая соединений
ТП 903-1-250.87 Э2-4.ВО Щит открытый 6Щ. Чертеж общего вида
ТП 903-1-250.87 Э2-4 Щит открытый 6Щ. Технические данные аппаратов
ТП 903-1-250.87 Э2-4.ТБ Щит открытый 6Щ. Перечень надписей
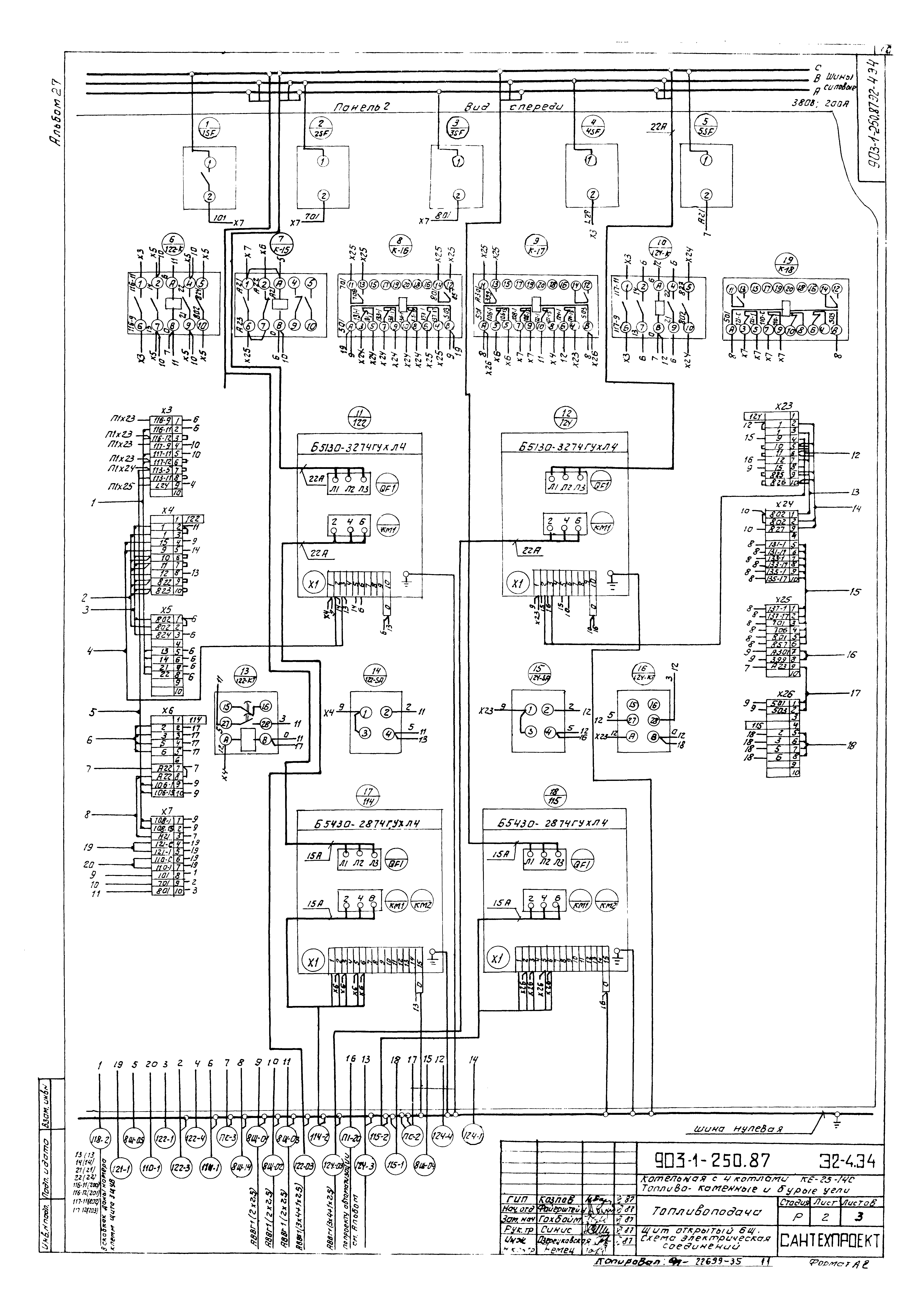
ТП 903-1-250.87 Э2-4Э4 Щит открытый 6Щ. Схема электрическая соединений
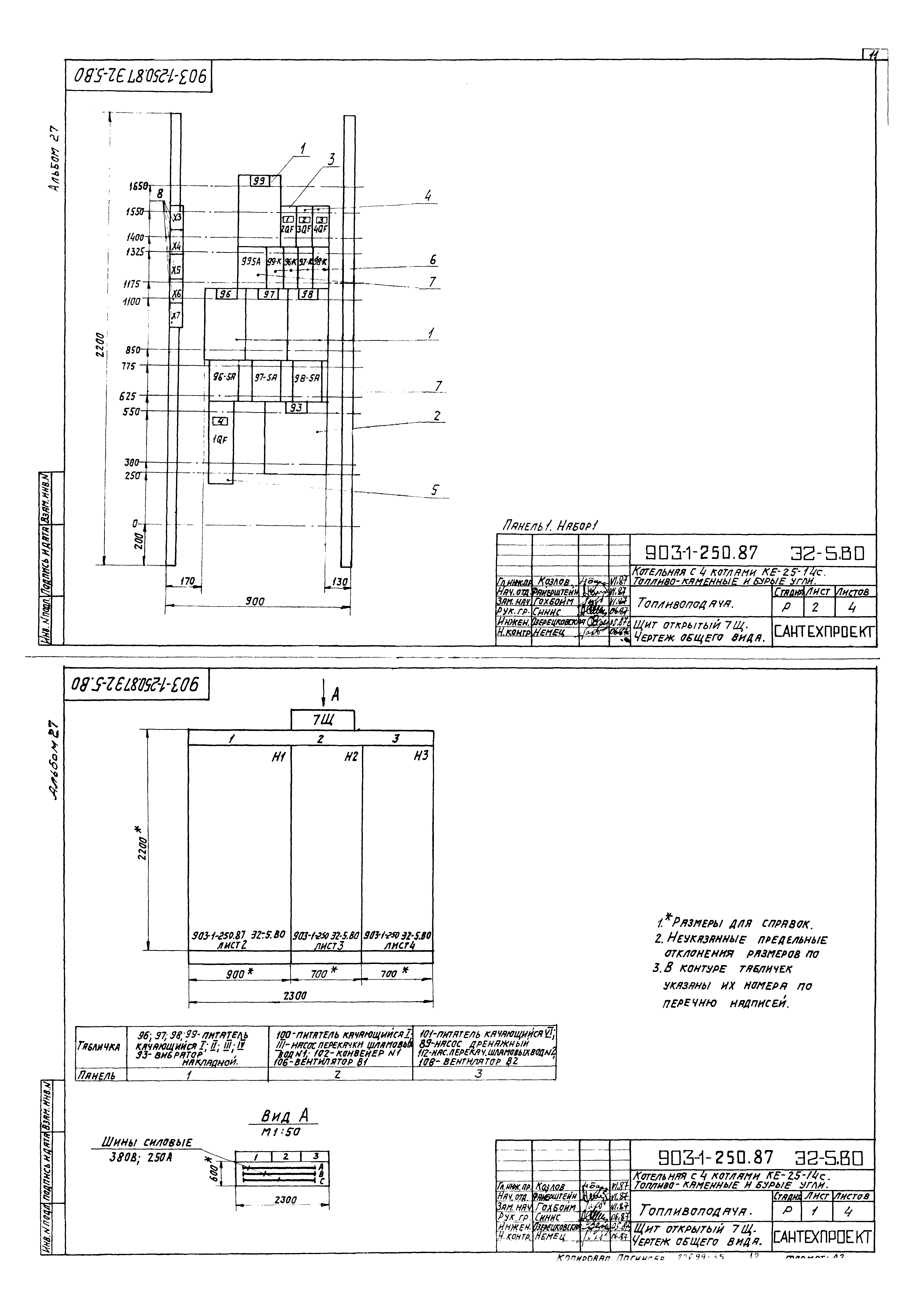
ТП 903-1-250.87 Э2-5.ВО Щит открытый 7Щ. Чертеж общего вида
ТП 903-1-250.87 Э2-5 Щит открытый 7Щ. Технические данные аппаратов
ТП 903-1-250.87 Э2-5.ТБ Щит открытый 7Щ. Перечень надписей
ТП 903-1-250.87 Э2-5.Э4 Щит открытый 7Щ. Схема электрическая соединений
ТП 903-1-250.87 Э2-6.ВО Щит открытый 8Щ. Чертеж общего вида
ТП 903-1-250.87 Э2-6 Щит открытый 8Щ. Технические данные аппаратов
ТП 903-1-250.87 Э2-6.ТБ Щит открытый 8Щ. Перечень надписей
ТП 903-1-250.87 Э2-6Э4 Щит открытый 8Щ. Схема электрическая соединений
Разработан: ГПИ Сантехпроект Госстроя СССР
Утверждён:29.09.1987 Госстрой СССР (Государственный комитет Совета Министров СССР по делам строительства) (USSR Gosstroy 78)
Расположен в:Техническая документация Строительство Справочные документы Типовые строительные конструкции, изделия и узлы Общероссийский строительный каталог Промышленные предприятия, здания и сооружения Здания и сооружения санитарно-технические Теплоснабжение Котельные установки Открытые системы теплоснабжения Топливо - каменные и бурые угли
Заменяет собой:
Типовой проект 903-1-250.87Типовой проект 903-1-250.87Типовой проект 903-1-250.87Типовой проект 903-1-250.87Типовой проект 903-1-250.87Типовой проект 903-1-250.87Типовой проект 903-1-250.87Типовой проект 903-1-250.87Типовой проект 903-1-250.87Типовой проект 903-1-250.87Типовой проект 903-1-250.87Типовой проект 903-1-250.87Типовой проект 903-1-250.87Типовой проект 903-1-250.87Типовой проект 903-1-250.87Типовой проект 903-1-250.87Типовой проект 903-1-250.87Типовой проект 903-1-250.87Типовой проект 903-1-250.87Типовой проект 903-1-250.87Типовой проект 903-1-250.87Типовой проект 903-1-250.87Типовой проект 903-1-250.87Типовой проект 903-1-250.87Типовой проект 903-1-250.87Типовой проект 903-1-250.87Типовой проект 903-1-250.87Типовой проект 903-1-250.87Типовой проект 903-1-250.87

© 2013 Ёшкин Кот :-) Карта сайта