| ||||||||||||||||||||||||||
Скачать Типовые материалы для проектирования 407-03-473.87 Альбом III. Открытое распределительное устройство 110 кВ. Строительная частьДата актуализации: 10.08.2017
|
| Обозначение: | Типовые материалы для проектирования 407-03-473.87 |
| Обозначение англ: | 407-03-473.87 |
| Статус: | cправочные материалы, мп, тпр |
| Название рус.: | Альбом III. Открытое распределительное устройство 110 кВ. Строительная часть |
| Дата добавления в базу: | 01.09.2013 |
| Дата актуализации: | 05.05.2017 |
| Дата введения: | 23.12.1987 |
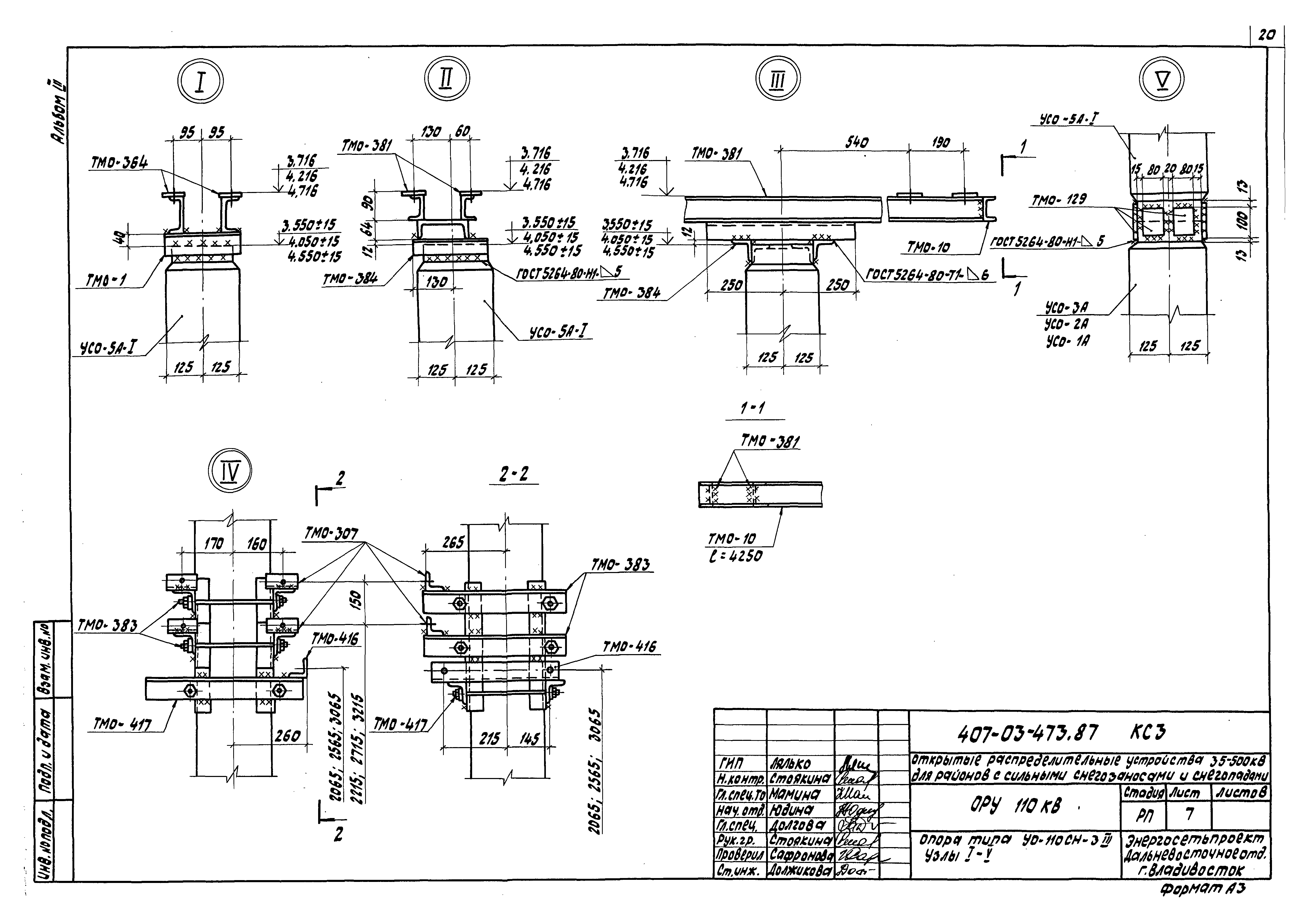
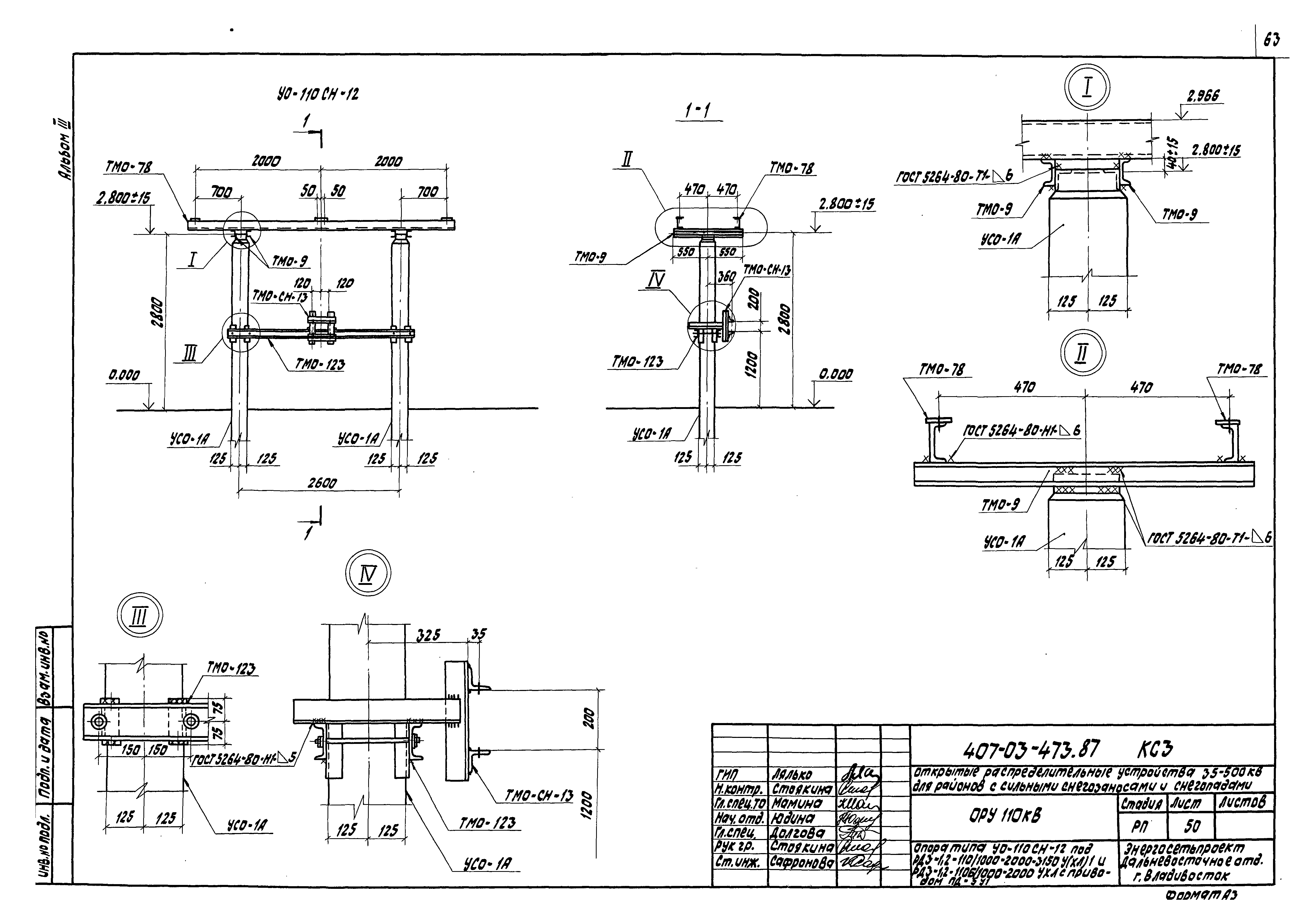
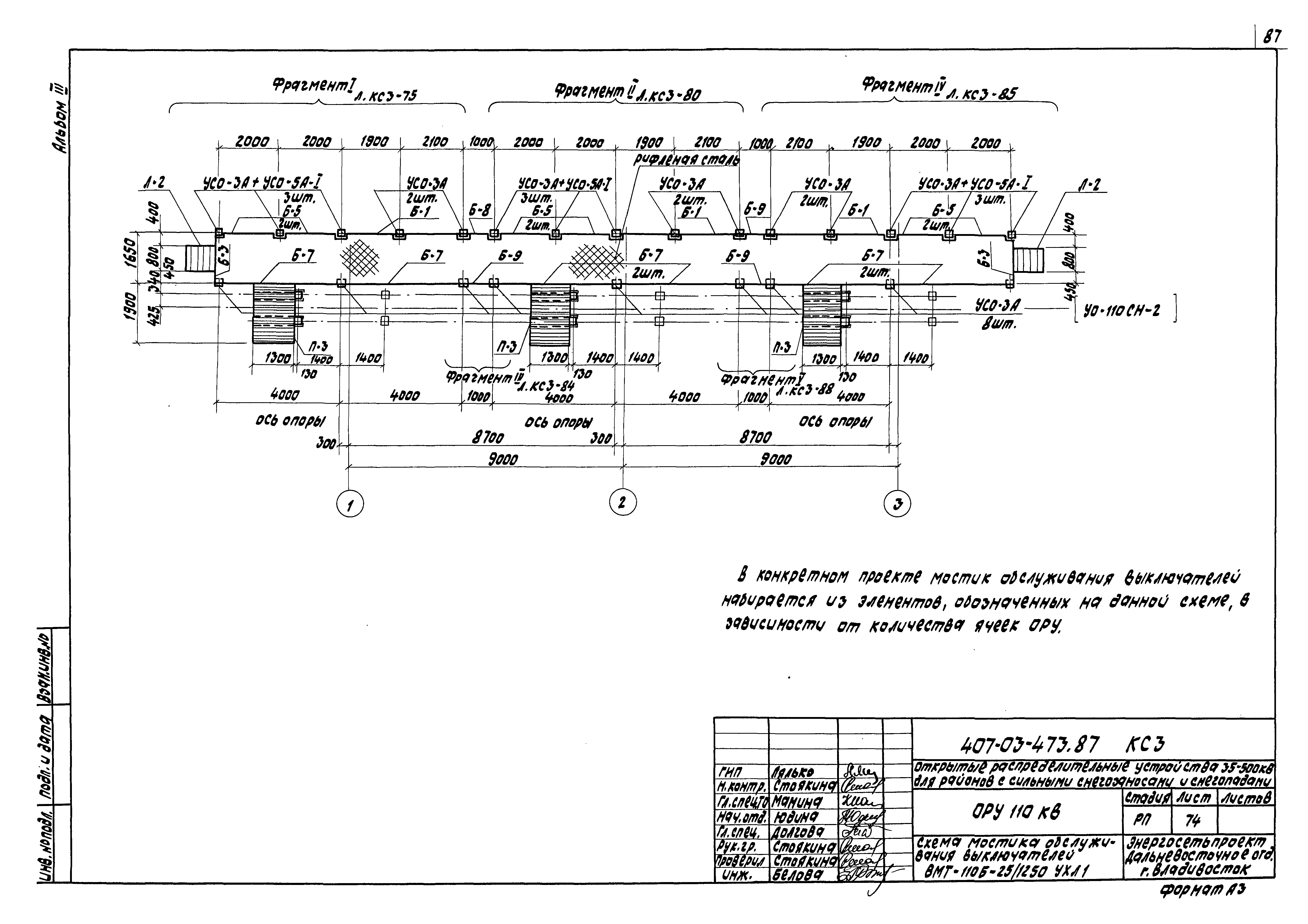
| Оглавление: | ТП 407-03-473.87 Содержание альбома ТП 407-03-473.87 ПЗ1-8 Пояснительная записка ТП 407-03-473.87 КС3-1 Опора типа УО-110СН-1 под элегазовый выключатель ВЭК-110Б-40/2000У1 ТП 407-03-473.87 КС3-2 Опора типа УО-110СН-1. Спецификация элементов конструкций ТП 407-03-473.87 КС3-3 Опора типа УО-110СН-1. Таблица закрепления опор в грунте ТП 407-03-473.87 КС3-4 Опора типа УО-110СН-2 под масляный выключатель ВМТ-110Б25/1250УХЛ1 ТП 407-03-473.87 КС3-5 Опора типа УО-110СН-2. Спецификация элементов конструкций ТП 407-03-473.87 КС3-6 Опора типа УО-110СН-3III под отделитель ОДЗ-110/1000 УХЛ1 и ОД-110Б/1000У1 с приводом ПРО-1У1 ТП 407-03-473.87 КС3-7 Опора типа УО-110СН-3III. Узлы I-V ТП 407-03-473.87 КС3-8 Опора типа УО-110СН-3III. Спецификация элементов конструкций ТП 407-03-473.87 КС3-9 Опора типа УО-110СН-3III. Спецификация элементов конструкций ТП 407-03-473.87 КС3-10 Опора типа УО-110СН-3III. Спецификация элементов конструкций ТП 407-03-473.87 КС3-11 Опора типа УО-110СН-3VI под отделитель ОДЗ-110/1000 УХЛ1 и ОД-110Б/1000У1 с приводом ПРО-1У1 ТП 407-03-473.87 КС3-12 Опора типа УО-110СН-3VI. Узлы I-V ТП 407-03-473.87 КС3-13 Опора типа УО-110СН-3VI. Спецификация элементов конструкций ТП 407-03-473.87 КС3-14 Опора типа УО-110СН-3VI. Спецификация элементов конструкций ТП 407-03-473.87 КС3-15 Опора типа УО-110СН-3VI. Таблица закреплений опоры в грунте ТП 407-03-473.87 КС3-16 Опора типа УО-110СН-4,УО-110СН-5 под короткозамыкатель КЗ-110УХЛ1 с одним и двумя трансформаторами ТП 407-03-473.87 КС3-17 Опора типа УО-110СН-4,УО-110СН-5. Узлы I-IV ТП 407-03-473.87 КС3-18 Опора типа УО-110СН-4,УО-110СН-5. Спецификация элементов конструкций ТП 407-03-473.87 КС3-19 Опора типа УО-110СН-4,УО-110СН-5. Спецификация элементов конструкций ТП 407-03-473.87 КС3-20 Опора типа УО-110СН-4,УО-110СН-5. Спецификация элементов конструкций ТП 407-03-473.87 КС3-21 Опора типа УО-110СН-6 под однополюсный заземлитель ЗОН-110М с разрядниками РВС-35+РВС-15 ТП 407-03-473.87 КС3-22 Опора типа УО-110СН-6. Узлы I,II ТП 407-03-473.87 КС3-23 Опора типа УО-110СН-6. Спецификация элементов конструкций ТП 407-03-473.87 КС3-24 Опора типа УО-110СН-6. Спецификация элементов конструкций ТП 407-03-473.87 КС3-25 Опора типа УО-110СН-7III под однополюсный разъединитель РДЗ-1,2-110/1000-УХЛ1,РДЗ-1,2-110Б/1000УХЛ1 с приводом ПРУХЛ1 ТП 407-03-473.87 КС3-26 Опора типа УО-110СН-7III. Узлы I-III ТП 407-03-473.87 КС3-27 Опора типа УО-110СН-7III. Спецификация элементов конструкций ТП 407-03-473.87 КС3-28 Опора типа УО-110СН-7III. Спецификация элементов конструкций ТП 407-03-473.87 КС3-29 Опора типа УО-110СН-8 под однополюсный разъединитель РДЗ-1,2-110/2000-3150УХЛ1,РДЗ-1,2-110Б/2000УХЛ1 с приводом ПР-УХЛ1 ТП 407-03-473.87 КС3-30 Опора типа УО-110СН-8. Узлы I-III ТП 407-03-473.87 КС3-31 Опора типа УО-110СН-8. Спецификация элементов конструкций ТП 407-03-473.87 КС3-32 Опора типа УО-110СН-8. Спецификация элементов конструкций ТП 407-03-473.87 КС3-33 Опора типа УО-110СН-8. Таблица закреплений опоры в грунте ТП 407-03-473.87 КС3-34 Опора типа УО-110СН-9III под трехполюсный разъединитель РДЗ-1,2-110/1000-2000-3150УХЛ1 с приводом ПРУ(ХЛ)1 ТП 407-03-473.87 КС3-35 Опора типа УО-110СН-9III. Узлы I-IV ТП 407-03-473.87 КС3-36 Опора типа УО-110СН-9III. Спецификация элементов конструкций ТП 407-03-473.87 КС3-37 Опора типа УО-110СН-9III. Спецификация элементов конструкций ТП 407-03-473.87 КС3-38 Опора типа УО-110СН-9III. Таблица закреплений опор в грунте ТП 407-03-473.87 КС3-39 Опора типа УО-110СН-9VI под трехполюсный разъединитель РДЗ-1,2-110/1000-2000-3150 УХЛ1 и РДЗ-1,2-110Б/1000-2000УХЛ1 с приводом ПРУ(ХЛ)1 ТП 407-03-473.87 КС3-40 Опора типа УО-110СН-9VI. Узлы I-V ТП 407-03-473.87 КС3-41 Опора типа УО-110СН-9VI. Спецификация элементов конструкций ТП 407-03-473.87 КС3-42 Опора типа УО-110СН-9VI. Спецификация элементов конструкций ТП 407-03-473.87 КС3-43 Опора типа УО-110СН-10 под трехполюсный разъединитель РДЗ-1,2-110(Б)1000УХЛ1 с приводом ПР-УХЛ1 ТП 407-03-473.87 КС3-44 Опора типа УО-110СН-10. Узлы I-IV ТП 407-03-473.87 КС3-45 Опора типа УО-110СН-10. Спецификация элементов конструкций ТП 407-03-473.87 КС3-46 Опора типа УО-110СН-10. Спецификация элементов конструкций ТП 407-03-473.87 КС3-47 Опора типа УО-110СН-10. Таблица закреплений опор в грунте ТП 407-03-473.87 КС3-48 Опора типа УО-110СН-11 под однополюсный разъединитель РДЗ-1,2-110(Б)/1000-2000-3150 УХЛ с приводом ПД-5У(ХЛ)1 ТП 407-03-473.87 КС3-49 Опора типа УО-110СН-11. Спецификация элементов конструкций ТП 407-03-473.87 КС3-50 Опора типа УО-110СН-12 под РДЗ-1,2-110/1000/2000-3150 У(ХЛ)1 и РДЗ-1,2-110Б/1000-2000УХЛ с приводом ПД-5У1 ТП 407-03-473.87 КС3-51 Опора типа УО-110СН-12. Спецификация элементов конструкций ТП 407-03-473.87 КС3-52 Опора типа УО-110СН-13 под трехполюсный разъединитель РДЗ-1,2-110(Б)/1000 УХЛ с приводом ПД-5У1 ТП 407-03-473.87 КС3-53 Опора типа УО-110СН-13. Спецификация элементов конструкций ТП 407-03-473.87 КС3-54 Опора типа УО-110СН-14 под однополюсный разъединитель РНДЗ-1б,2-110Б/1000-2000 У1 с приводом ПР-У1 ТП 407-03-473.87 КС3-55 Опора типа УО-110СН-14. Узлы I-III ТП 407-03-473.87 КС3-56 Опора типа УО-110СН-14. Спецификация элементов конструкций ТП 407-03-473.87 КС3-57 Опора типа УО-110СН-14. Спецификация элементов конструкций ТП 407-03-473.87 КС3-58 Опора типа УО-110СН-14. Таблица закреплений опор в грунте ТП 407-03-473.87 КС3-59 Опора типа УО-110СН-15III под трехполюсный разъединитель РНДЗ-110Б/1000-2000У1 с приводом ПР-У1 ТП 407-03-473.87 КС3-60 Опора типа УО-110СН-15III. Узлы I-IV ТП 407-03-473.87 КС3-61 Опора типа УО-110СН-15III. Спецификация элементов конструкций ТП 407-03-473.87 КС3-62 Опора типа УО-110СН-15III. Спецификация элементов конструкций ТП 407-03-473.87 КС3-63 Опора типа УО-110СН-15VI под трехполюсный разъединитель РНДЗ-110Б/1000-2000У1 с приводом ПР-У1 ТП 407-03-473.87 КС3-64 Опора типа УО-110СН-15VI. Узлы I-V ТП 407-03-473.87 КС3-65 Опора типа УО-110СН-15VI. Спецификация элементов конструкций ТП 407-03-473.87 КС3-66 Опора типа УО-110СН-15VI. Спецификация элементов конструкций ТП 407-03-473.87 КС3-67 Опора типа УО-110СН-15VI. Таблица закреплений опоры в грунте ТП 407-03-473.87 КС3-68 Опора типа УО-110СН-16 под однополюсный разъединитель РНДЗ-1,2-110/1000-2000У1 с приводом ПД-5У1 ТП 407-03-473.87 КС3-69 Опора типа УО-110СН-16. Спецификация элементов конструкций ТП 407-03-473.87 КС3-70 Опора типа УО-110СН-17 под трехполюсный разъединитель РНДЗ-1б,2-110Б/1000-2000У1 с приводом ПД-5У1 ТП 407-03-473.87 КС3-71 Опора типа УО-110СН-17. Спецификация элементов конструкций ТП 407-03-473.87 КС3-72 Таблица закрепления опор под оборудование в грунте ТП 407-03-473.87 КС3-73 Площадки обслуживания приводов. Узлы А,Б,В,Г ТП 407-03-473.87 КС3-74 Схема мостика обслуживания выключателей ВМТ-110Б-25/1250УХЛ1 ТП 407-03-473.87 КС3-75 Фрагмент I. Концевой участок мостика обслуживания выключателей ВМТ-110Б-25/1250 УХЛ1 ТП 407-03-473.87 КС3-76 Фрагмент I. Концевой участок мостика обслуживания выключателей ВМТ-110Б-25/1250 УХЛ1. Разрез 1-1 ТП 407-03-473.87 КС3-77 Фрагмент I. Концевой участок мостика обслуживания выключателей ВМТ-110Б-25/1250 УХЛ1. Разрез 2-2 ТП 407-03-473.87 КС3-78 Фрагмент I. Концевой участок мостика обслуживания выключателей ВМТ-110Б-25/1250 УХЛ1. Разрез 3-3,4-4 ТП 407-03-473.87 КС3-79 Фрагмент I. Концевой участок мостика обслуживания выключателей ВМТ-110Б-25/1250 УХЛ1. Спецификация элементов ТП 407-03-473.87 КС3-80 Фрагмент II. Рядовой участок мостика обслуживания выключателя ВМТ-110Б-25/1250УХЛ1 ТП 407-03-473.87 КС3-81 Фрагмент II. Рядовой участок мостика обслуживания выключателя ВМТ-110Б-25/1250УХЛ1. Разрез 5-5 ТП 407-03-473.87 КС3-82 Фрагмент II. Рядовой участок мостика обслуживания выключателя ВМТ-110Б-25/1250УХЛ1. Разрез 6-6 ТП 407-03-473.87 КС3-83 Фрагмент II. Рядовой участок мостика обслуживания выключателя ВМТ-110Б-25/1250УХЛ1. Спецификация элементов ТП 407-03-473.87 КС3-84 Фрагмент III. Доборный участок мостика обслуживания выключателей ВМТ-110Б-25/1250 УХЛ1. Разрезы 1-1,2-2 ТП 407-03-473.87 КС3-85 Фрагмент IV. Концевой участок мостика обслуживания выключателей ВМТ-110Б-25/1250 УХЛ1 ТП 407-03-473.87 КС3-86 Фрагмент IV. Разрез 7-7 ТП 407-03-473.87 КС3-87 Фрагмент IV. Спецификация элементов ТП 407-03-473.87 КС3-88 Фрагмент V. Доборный участок мостика обслуживания выключателей ВМТ110Б-25/1250УХЛ1. Разрезы 1-1,2-2 ТП 407-03-473.87 КС3-89 Узлы VII,VIII ТП 407-03-473.87 КС3-90 Мостик обслуживания элегазового выключателя ВЭК-110Б-40/2000У1 ТП 407-03-473.87 КС3-91 Мостик обслуживания элегазового выключателя ВЭК-110Б-40/2000У1. Фрагмент I ТП 407-03-473.87 КС3-92 Мостик обслуживания элегазового выключателя ВЭК-110Б-40/2000У1. Разрезы 1-1;2-2;3-3 ТП 407-03-473.87 КС3-93 Мостик обслуживания элегазового выключателя ВЭК-110Б-40/2000У1. Разрез 4-4 ТП 407-03-473.87 КС3-94 Мостик обслуживания элегазового выключателя ВЭК-110Б-40/2000У1. Спецификация элементов ТП 407-03-473.87 КС3-95 Мостик обслуживания элегазового выключателя ВЭК-110Б-40/2000У1. Фрагмент II ТП 407-03-473.87 КС3-96 Мостик обслуживания элегазового выключателя ВЭК-110Б-40/2000У1. Спецификация элементов ТП 407-03-473.87 КС3-97 Мостик обслуживания элегазового выключателя ВЭК-110Б-40/2000У1. Фрагмент III ТП 407-03-473.87 КС3-98 Мостик обслуживания элегазового выключателя ВЭК-110Б-40/2000У1. Спецификация элементов ТП 407-03-473.87 КС3-99 Мостик обслуживания элегазового выключателя ВЭК-110Б-40/2000У1. Таблица закреплений стоек в грунте ТП 407-03-473.87 КСИ3-001 Площадка П-1 ТП 407-03-473.87 КСИ3-002 Лестницы Л-1;Л-2;Л-3;Л-4 ТП 407-03-473.87 КСИ3-003 Металлоконструкция ТМО-СН-10 ТП 407-03-473.87 КСИ3-004 Металлоконструкция ТМО-СН-11 ТП 407-03-473.87 КСИ3-005 Металлоконструкция ТМО-СН-13 ТП 407-03-473.87 КСИ3-006 Металлоконструкция ТМО-СН-14 ТП 407-03-473.87 КСИ3-007 Металлоконструкция ТМО-СН-15 ТП 407-03-473.87 КСИ3-008 Металлоконструкция ТМО-СН-16 ТП 407-03-473.87 КСИ3-009 Металлоконструкция ТМО-СН-19 ТП 407-03-473.87 КСИ3-010 Площадка П-3 ТП 407-03-473.87 КСИ3-011 Площадка П-8 ТП 407-03-473.87 КСИ3-012 Площадка П-9 ТП 407-03-473.87 КСИ3-013 Площадка П-10 |
| Разработан: | Энергосетьпроект |
| Утверждён: | 23.12.1987 Минэнерго СССР (USSR Minenergo 50) |
| Расположен в: |





























































































































