Информационная система
«Ёшкин Кот»

Скачать базу одним архивом
Скачать обновления
История создания базы
Карта сайта

Скачать Типовой проект 810-1-35.90 Альбом 5. Автоматизация технологических процессов. Автоматизация отопления и вентиляции. Автоматизация холодоснабжения

Дата актуализации: 10.08.2017

Типовой проект 810-1-35.90

Альбом 5. Автоматизация технологических процессов. Автоматизация отопления и вентиляции. Автоматизация холодоснабжения

Обозначение: Типовой проект 810-1-35.90
Обозначение англ: 810-1-35.90
Статус:не определен законодательством
Название рус.:Альбом 5. Автоматизация технологических процессов. Автоматизация отопления и вентиляции. Автоматизация холодоснабжения
Дата добавления в базу:01.09.2013
Дата актуализации:05.05.2017
Дата введения:25.09.1990
Оглавление:ТП810-1-35.90 Содержание альбома №5
ТП810-1-35.90 АТХ Автоматизация технологических процессов АТХ
ТП810-1-35.90 АТХ Общие данные (начало)
ТП810-1-35.90 АТХ Общие данные (окончание)
ТП810-1-35.90 АТХ Регулирование температуры воздуха в отделении 1. Схема автоматизации (начало)
ТП810-1-35.90 АТХ Регулирование температуры воздуха в отделении 1. Схема автоматизации (продолжение)
ТП810-1-35.90 АТХ Регулирование температуры воздуха в отделении 1. Схема автоматизации (окончание)
ТП810-1-35.90 АТХ Управление газогенераторами СО2 и доувлажнения воздуха в отделении 1. Схема автоматизации
ТП810-1-35.90 АТХ Управление капельным поливом в отделениях 1...6. Схема автоматизации
ТП810-1-35.90 АТХ Управление орошением в отделениях 19 и 20. Метеомачта. Схема автоматизации
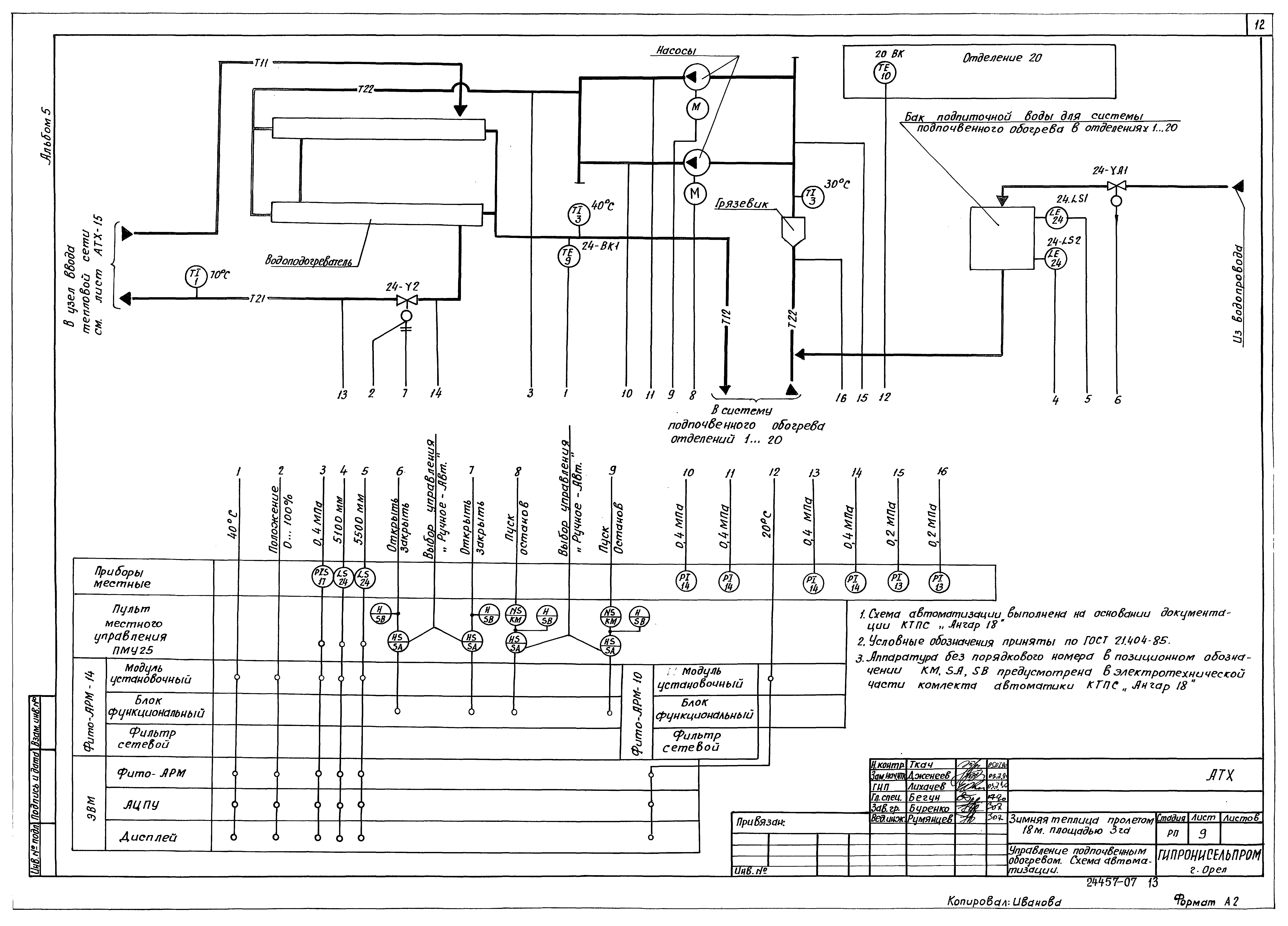
ТП810-1-35.90 АТХ Управление подпочвенным обогревом. Схема автоматизации
ТП810-1-35.90 АТХ Приготовление воды для доувлажнения воздуха в отделениях. Схема автоматизации
ТП810-1-35.90 АТХ Приготовление воды для орошения в рассадных отделениях. Схема автоматизации
ТП810-1-35.90 АТХ Приготовление маточных растворов А и Б. Схема автоматизации
ТП810-1-35.90 АТХ Установка приготовления растворов для систем капельного полива в отделениях 1...6. Схема автоматизации (начало)
ТП810-1-35.90 АТХ Установка приготовления растворов для систем капельного полива в отделениях 1...6. Схема автоматизации (окончание)
ТП810-1-35.90 АТХ Узел ввода тепловой сети. Схема автоматизации
ТП810-1-35.90 АТХ Приготовление воды для горячего водоснабжения и теплоносителя для отопления бытовых помещений. Схема автоматизации
ТП810-1-35.90 АТХ Метеомачта. Схема соединений внешних проводок
ТП810-1-35.90 АТХ Датчики температуры воздуха в отделении 1 и отделении 2. Схема соединений внешних проводок
ТП810-1-35.90 АТХ Управление обогревом отделения 1. Схема соединений внешних проводок
ТП810-1-35.90 АТХ Датчики положения форточек в отделении 1. Схема соединений внешних проводок
ТП810-1-35.90 АТХ Контроль положения "закрыто"-"открыто", форточек и шторного экрана в отделении 1. Схема соединений внешних проводок
ТП810-1-35.90 АТХ Управление доувлажнением воздуха и капельным поливом в отделениях 1 и 2. Схема соединений внешних проводок
ТП810-1-35.90 АТХ Управление доувлажнением воздуха в отделениях 19 и 20. Схема соединений внешних проводок
ТП810-1-35.90 АТХ Управление газогенераторами СО2, вентиляторами орошения в отделении 20. Схема соединений внешних проводок
ТП810-1-35.90 АТХ Управление газогенераторами СО2 в отделении 1. Схема соединений внешних проводок
ТП810-1-35.90 АТХ Узел ввода тепловой сети. Схема соединений внешних проводок
ТП810-1-35.90 АТХ Управление подпочвенным обогревом. Схема соединений внешних проводок
ТП810-1-35.90 АТХ Приготовление воды для орошения в рассадных отделениях. Схема соединений внешних проводок
ТП810-1-35.90 АТХ Приготовление воды для доувлажнения воздуха в отделениях. Схема соединений внешних проводок
ТП810-1-35.90 АТХ Приготовление маточного и питательных растворов. Схема соединений внешних проводок
ТП810-1-35.90 АТХ Контрольно-измерительные приборы. Отделение 1. Схема соединений внешних проводок
ТП810-1-35.90 АТХ Приготовление воды для горячего водоснабжения и теплоносителя для обогрева бытовых помещений. Схема соединений внешних проводок
ТП810-1-35.90 АТХ Контрольно-измерительные приборы. Узел ввода тепловой сети. Схема соединений внешних проводок
ТП810-1-35.90 АТХ Управление микроклиматом в отделении 1. План расположения
ТП810-1-35.90 АТХ Управление микроклиматом в отделении 2. План расположения
ТП810-1-35.90 АТХ Управление микроклиматом в отделении 19. План расположения
ТП810-1-35.90 АТХ Управление микроклиматом в отделении 20. План расположения
ТП810-1-35.90 АТХ Управление газогенераторами СО2 вентилями полива и доувлажнения в отделении 1. План расположения
ТП810-1-35.90 АТХ Управление газогенераторами СО2, вентилями полива и доувлажнения в отделении 2. План расположения
ТП810-1-35.90 АТХ Управление газогенераторами СО2, вентилями полива и доувлажнения в отделении 9. План расположения
ТП810-1-35.90 АТХ Управление газогенераторами СО2, вентилями полива и доувлажнения в отделении 10. План расположения
ТП810-1-35.90 АТХ Управление газогенераторами СО2, вентилями орошения и доувлажнения в отделении 19. План расположения
ТП810-1-35.90 АТХ Управление газогенераторами СО2, вентилями орошения и доувлажнения в отделении 20. План расположения
ТП810-1-35.90 АТХ Соединительный коридор. План расположения
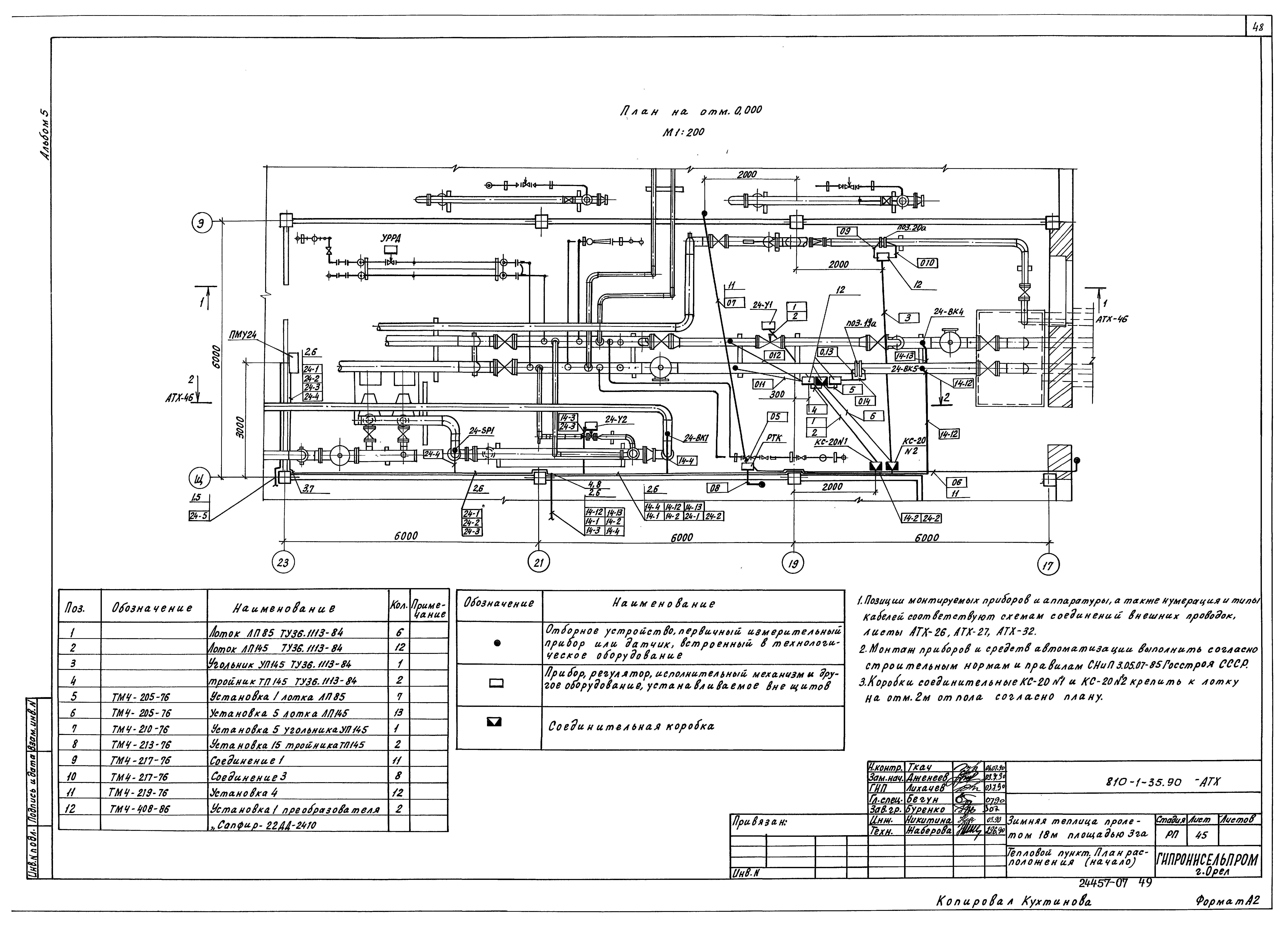
ТП810-1-35.90 АТХ Тепловой пункт. План расположения (начало)
ТП810-1-35.90 АТХ Тепловой пункт. План расположения (окончание)
ТП810-1-35.90 АТХ Приготовление питательных растворов. План расположения
ТП810-1-35.90 АТХ Узел крепления соединительной коробки КС-20 к лотку. Узел крепления соединительной коробки КС-10 к лотку
ТП810-1-35.90 АТХ Узел крепления соединительной коробки КС-10 к ферме
ТП810-1-35.90 АТХ Опросный лист № 1 (начало)
ТП810-1-35.90 АТХ Опросный лист № 1 (окончание)
ТП810-1-35.90 АТХ Опросный лист № 2 (начало)
ТП810-1-35.90 АТХ Опросный лист № 2 (окончание)
ТП810-1-35.90 АОВ Автоматизация отопления и вентиляции АОВ
ТП810-1-35.90 АОВ Общие данные
ТП810-1-35.90 АОВ Приточно-рециркуляционный агрегат П1. Схема автоматизации
ТП810-1-35.90 АОВ Приточно-рециркуляционный агрегат П1. Схема электрическая
ТП810-1-35.90 АОВ Приточно-рециркуляционный агрегат П1. Схема соединений внешних проводок (начало)
ТП810-1-35.90 АОВ Приточно-рециркуляционный агрегат П1. Схема соединений внешних проводок (окончание)
ТП810-1-35.90 АОВ Венткамеры. Планы расположения
ТП810-1-35.90 АХС Автоматизация холодоснабжения АХС
ТП810-1-35.90 АХС Общие данные
ТП810-1-35.90 АХС Управление холодильной машиной 1МКВ9-1-2. Схема автоматизации
ТП810-1-35.90 АХС Контроль работы насоса. Управление вентилятором градирни. Схемы электрические принципиальные. Схема соединений внешних проводок
ТП810-1-35.90 АХС Управление холодильной машиной 1МКВ9-1-2. Схема соединений внешних проводок
ТП810-1-35.90 АХС Холодильная камера. Машинное отделение. План расположения
Разработан: Институт Гипронисельпром Минсельхозпрода СССР
Утверждён:21.09.1990 Главное научно-проектное управление по строительству Госкомиссии Совмина СССР по продовольствию и закупкам (11)
Расположен в:Техническая документация Строительство Справочные документы Типовые строительные конструкции, изделия и узлы Общероссийский строительный каталог Сельскохозяйственные предприятия, здания и сооружения Тепличные комбинаты, теплицы и парники Тепличные комбинаты и теплицы
Типовой проект 810-1-35.90Типовой проект 810-1-35.90Типовой проект 810-1-35.90Типовой проект 810-1-35.90Типовой проект 810-1-35.90Типовой проект 810-1-35.90Типовой проект 810-1-35.90Типовой проект 810-1-35.90Типовой проект 810-1-35.90Типовой проект 810-1-35.90Типовой проект 810-1-35.90Типовой проект 810-1-35.90Типовой проект 810-1-35.90Типовой проект 810-1-35.90Типовой проект 810-1-35.90Типовой проект 810-1-35.90Типовой проект 810-1-35.90Типовой проект 810-1-35.90Типовой проект 810-1-35.90Типовой проект 810-1-35.90Типовой проект 810-1-35.90Типовой проект 810-1-35.90Типовой проект 810-1-35.90Типовой проект 810-1-35.90Типовой проект 810-1-35.90Типовой проект 810-1-35.90Типовой проект 810-1-35.90Типовой проект 810-1-35.90Типовой проект 810-1-35.90Типовой проект 810-1-35.90Типовой проект 810-1-35.90Типовой проект 810-1-35.90Типовой проект 810-1-35.90Типовой проект 810-1-35.90Типовой проект 810-1-35.90Типовой проект 810-1-35.90Типовой проект 810-1-35.90Типовой проект 810-1-35.90Типовой проект 810-1-35.90Типовой проект 810-1-35.90Типовой проект 810-1-35.90Типовой проект 810-1-35.90Типовой проект 810-1-35.90Типовой проект 810-1-35.90Типовой проект 810-1-35.90Типовой проект 810-1-35.90Типовой проект 810-1-35.90Типовой проект 810-1-35.90Типовой проект 810-1-35.90Типовой проект 810-1-35.90Типовой проект 810-1-35.90Типовой проект 810-1-35.90Типовой проект 810-1-35.90Типовой проект 810-1-35.90Типовой проект 810-1-35.90Типовой проект 810-1-35.90Типовой проект 810-1-35.90Типовой проект 810-1-35.90Типовой проект 810-1-35.90Типовой проект 810-1-35.90Типовой проект 810-1-35.90Типовой проект 810-1-35.90Типовой проект 810-1-35.90Типовой проект 810-1-35.90Типовой проект 810-1-35.90Типовой проект 810-1-35.90Типовой проект 810-1-35.90Типовой проект 810-1-35.90

© 2013 Ёшкин Кот :-) Карта сайта