| ||||||||||||||||||||||||
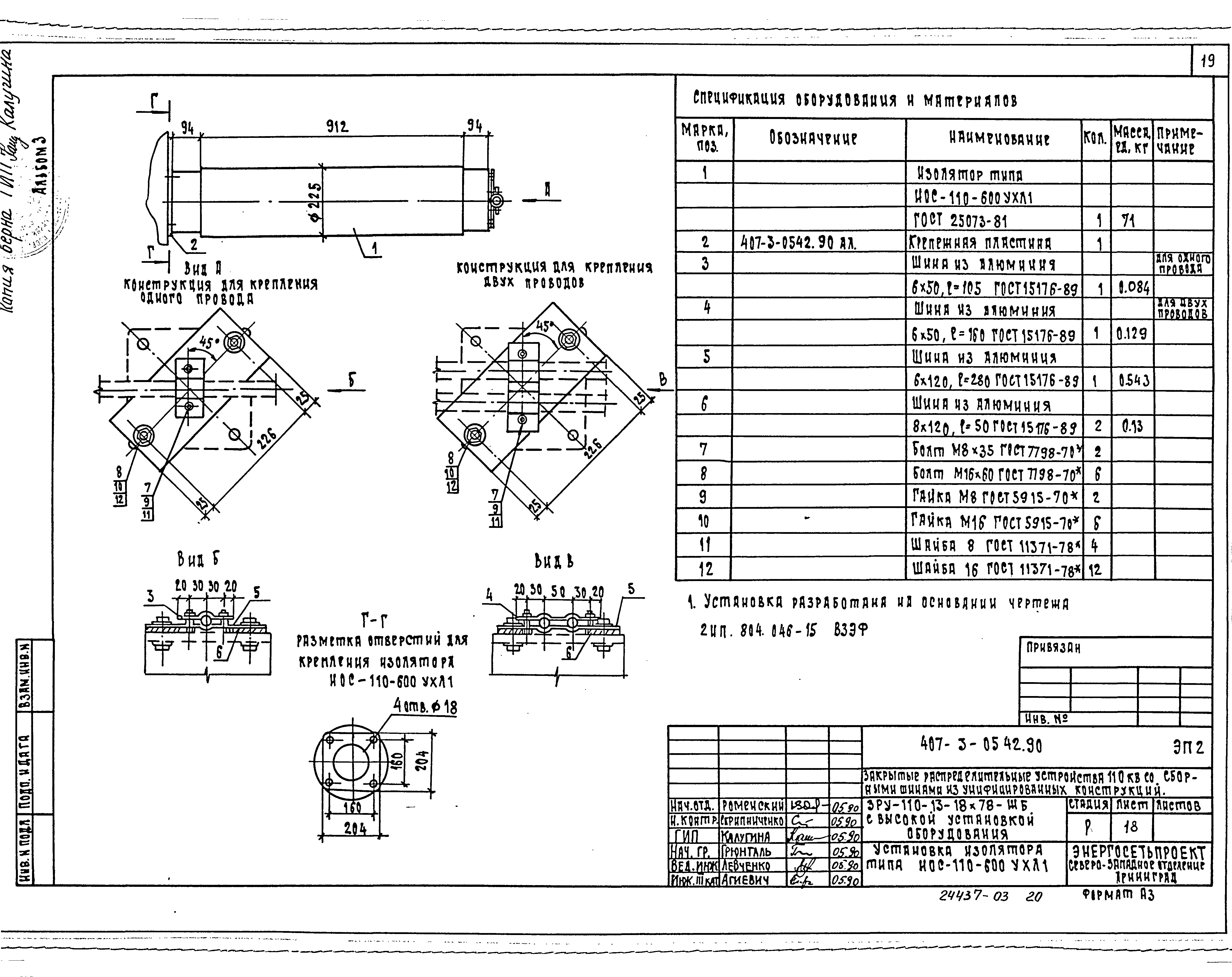
Скачать Типовые проектные решения 407-3-0540.90 Альбом 3. Электротехнические решения. Установка оборудования и детали (из ТП 407-3-0542.90)Дата актуализации: 10.08.2017
|
| Обозначение: | Типовые проектные решения 407-3-0540.90 |
| Обозначение англ: | 407-3-0540.90 |
| Статус: | cправочные материалы, мп, тпр |
| Название рус.: | Альбом 3. Электротехнические решения. Установка оборудования и детали (из ТП 407-3-0542.90) |
| Дата добавления в базу: | 01.09.2013 |
| Дата актуализации: | 05.05.2017 |
| Дата введения: | 15.06.1990 |
| Разработан: | Северо-западное отделение института Энергосетьпроект |
| Утверждён: | 15.06.1990 Минэнерго СССР (USSR Minenergo 38) |
| Расположен в: |



































