Информационная система
«Ёшкин Кот»

Скачать базу одним архивом
Скачать обновления
История создания базы
Карта сайта

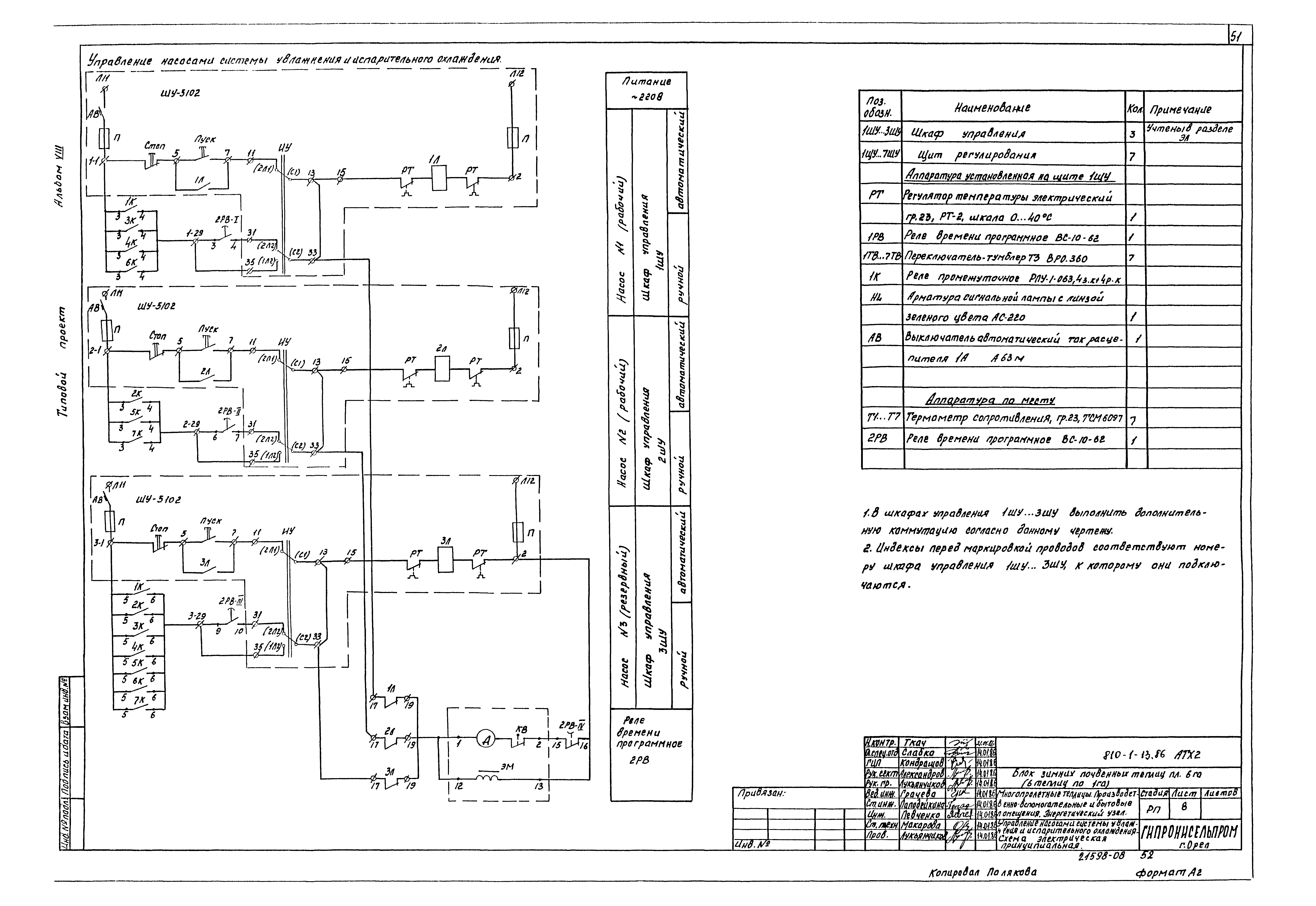
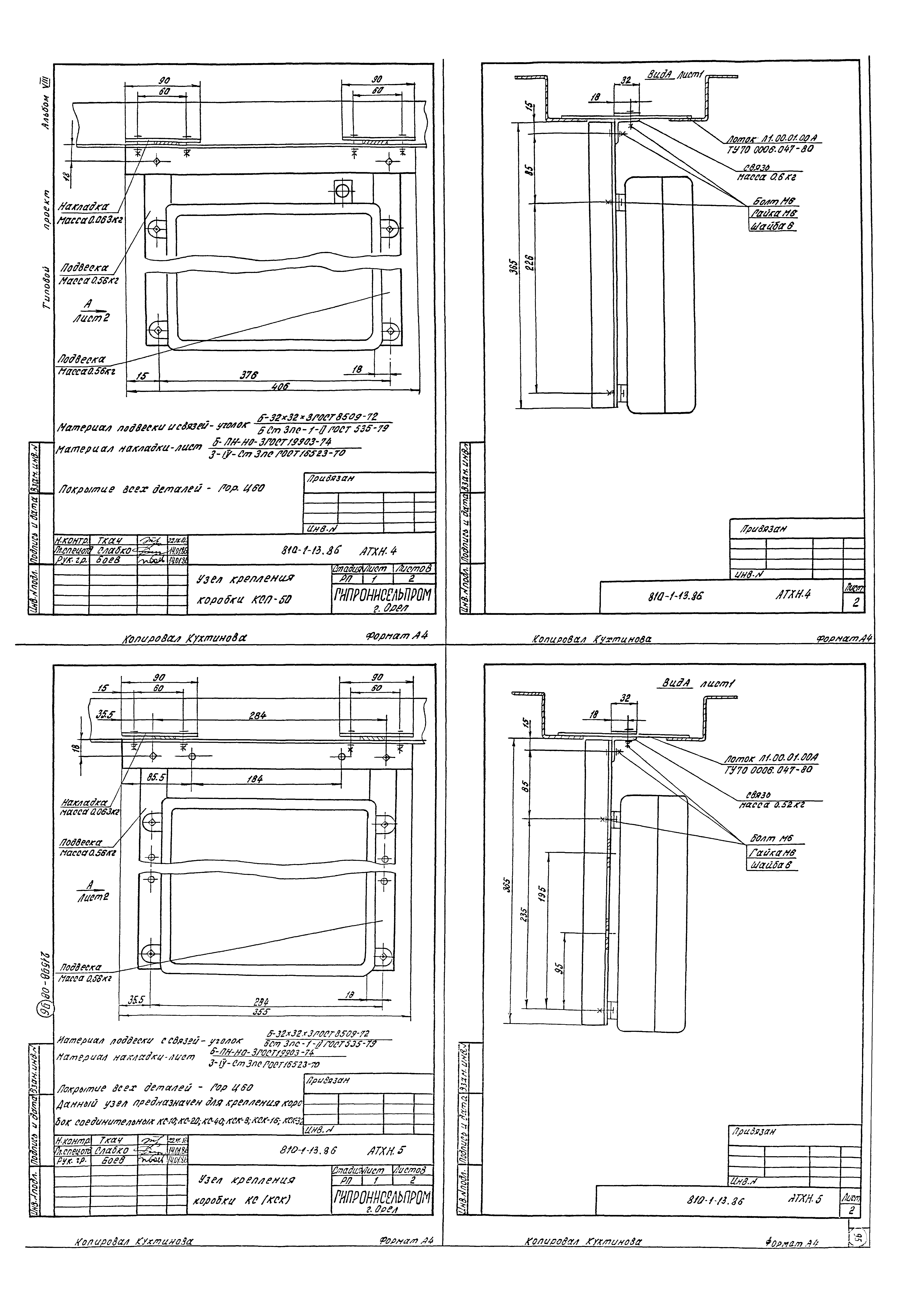
Скачать Типовой проект 810-1-13.86 Альбом VIII. Многопролетные теплицы. Энергетический узел. Автоматизация технологических процессов (вариант с теплоснабжением от внешнего источника тепла)

Дата актуализации: 10.08.2017

Типовой проект 810-1-13.86

Альбом VIII. Многопролетные теплицы. Энергетический узел. Автоматизация технологических процессов (вариант с теплоснабжением от внешнего источника тепла)

Обозначение: Типовой проект 810-1-13.86
Обозначение англ: 810-1-13.86
Статус:не определен законодательством
Название рус.:Альбом VIII. Многопролетные теплицы. Энергетический узел. Автоматизация технологических процессов (вариант с теплоснабжением от внешнего источника тепла)
Дата добавления в базу:01.09.2013
Дата актуализации:05.05.2017
Дата введения:18.12.1985
Разработан: Гипронисельхоз Минплодовоощхоза СССР
Утверждён:18.12.1985 Минплодоовощхоз СССР (03-32-51/7657)
Издан: ГУП ЦПП (CPP GUP 2002 г. )
Расположен в:Техническая документация Строительство Справочные документы Типовые строительные конструкции, изделия и узлы Общероссийский строительный каталог Сельскохозяйственные предприятия, здания и сооружения Тепличные комбинаты, теплицы и парники Тепличные комбинаты и теплицы
Типовой проект 810-1-13.86Типовой проект 810-1-13.86Типовой проект 810-1-13.86Типовой проект 810-1-13.86Типовой проект 810-1-13.86Типовой проект 810-1-13.86Типовой проект 810-1-13.86Типовой проект 810-1-13.86Типовой проект 810-1-13.86Типовой проект 810-1-13.86Типовой проект 810-1-13.86Типовой проект 810-1-13.86Типовой проект 810-1-13.86Типовой проект 810-1-13.86Типовой проект 810-1-13.86Типовой проект 810-1-13.86Типовой проект 810-1-13.86Типовой проект 810-1-13.86Типовой проект 810-1-13.86Типовой проект 810-1-13.86Типовой проект 810-1-13.86Типовой проект 810-1-13.86Типовой проект 810-1-13.86Типовой проект 810-1-13.86Типовой проект 810-1-13.86Типовой проект 810-1-13.86Типовой проект 810-1-13.86Типовой проект 810-1-13.86Типовой проект 810-1-13.86Типовой проект 810-1-13.86Типовой проект 810-1-13.86Типовой проект 810-1-13.86Типовой проект 810-1-13.86Типовой проект 810-1-13.86Типовой проект 810-1-13.86Типовой проект 810-1-13.86Типовой проект 810-1-13.86Типовой проект 810-1-13.86Типовой проект 810-1-13.86Типовой проект 810-1-13.86Типовой проект 810-1-13.86Типовой проект 810-1-13.86Типовой проект 810-1-13.86Типовой проект 810-1-13.86Типовой проект 810-1-13.86Типовой проект 810-1-13.86Типовой проект 810-1-13.86Типовой проект 810-1-13.86Типовой проект 810-1-13.86Типовой проект 810-1-13.86Типовой проект 810-1-13.86Типовой проект 810-1-13.86Типовой проект 810-1-13.86Типовой проект 810-1-13.86Типовой проект 810-1-13.86Типовой проект 810-1-13.86Типовой проект 810-1-13.86Типовой проект 810-1-13.86Типовой проект 810-1-13.86Типовой проект 810-1-13.86Типовой проект 810-1-13.86Типовой проект 810-1-13.86Типовой проект 810-1-13.86Типовой проект 810-1-13.86Типовой проект 810-1-13.86Типовой проект 810-1-13.86Типовой проект 810-1-13.86Типовой проект 810-1-13.86Типовой проект 810-1-13.86Типовой проект 810-1-13.86Типовой проект 810-1-13.86Типовой проект 810-1-13.86Типовой проект 810-1-13.86Типовой проект 810-1-13.86Типовой проект 810-1-13.86Типовой проект 810-1-13.86Типовой проект 810-1-13.86Типовой проект 810-1-13.86Типовой проект 810-1-13.86Типовой проект 810-1-13.86Типовой проект 810-1-13.86Типовой проект 810-1-13.86Типовой проект 810-1-13.86Типовой проект 810-1-13.86Типовой проект 810-1-13.86Типовой проект 810-1-13.86Типовой проект 810-1-13.86Типовой проект 810-1-13.86Типовой проект 810-1-13.86Типовой проект 810-1-13.86Типовой проект 810-1-13.86Типовой проект 810-1-13.86Типовой проект 810-1-13.86Типовой проект 810-1-13.86Типовой проект 810-1-13.86Типовой проект 810-1-13.86

© 2013 Ёшкин Кот :-) Карта сайта