Информационная система
«Ёшкин Кот»

Скачать базу одним архивом
Скачать обновления
История создания базы
Карта сайта

Скачать Типовой проект 901-1-91.88 Альбом VI. Электротехническая часть

Дата актуализации: 10.08.2017

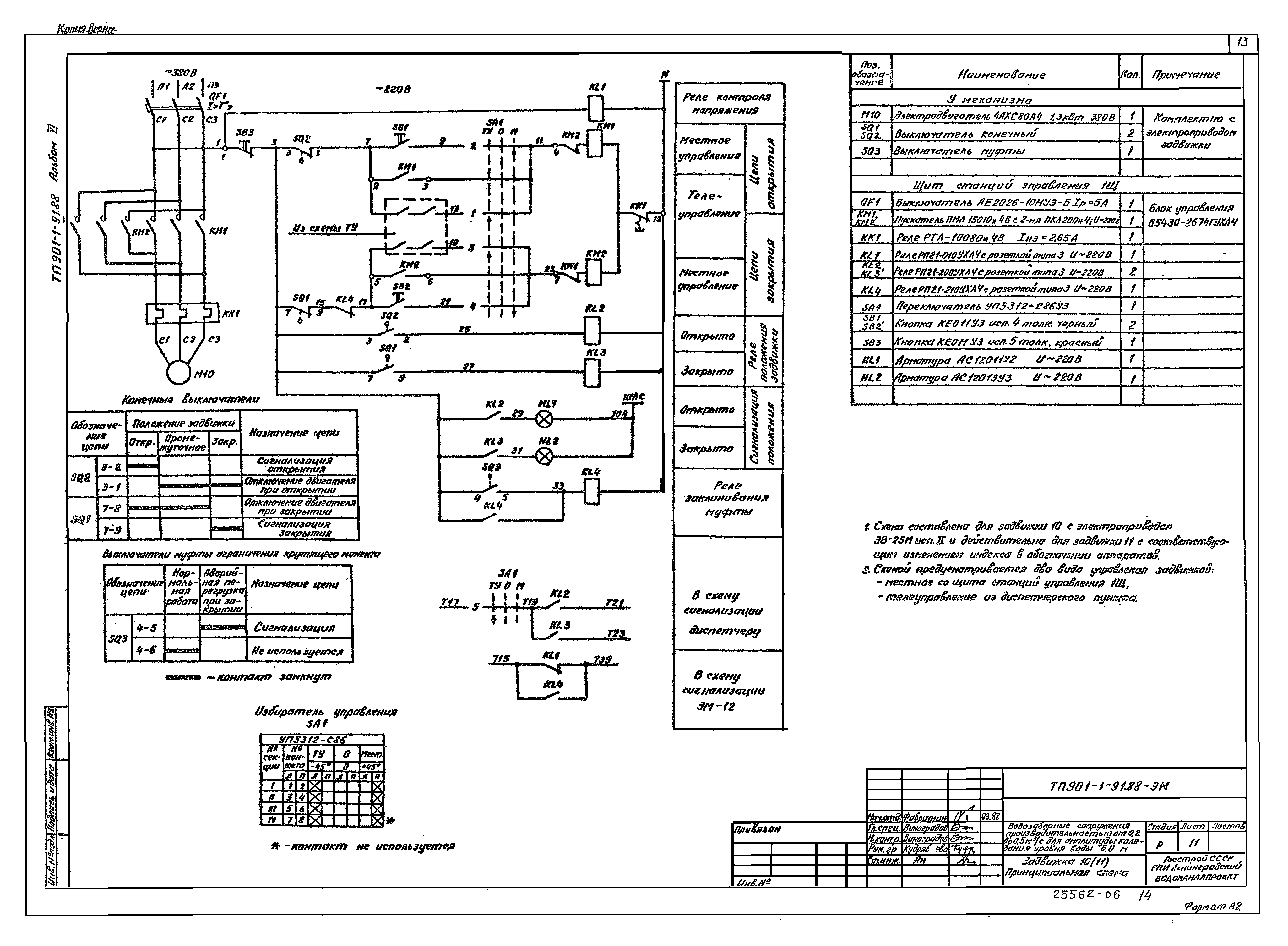
Типовой проект 901-1-91.88

Альбом VI. Электротехническая часть

Обозначение: Типовой проект 901-1-91.88
Обозначение англ: 901-1-91.88
Статус:не определен законодательством
Название рус.:Альбом VI. Электротехническая часть
Дата добавления в базу:01.09.2013
Дата актуализации:05.05.2017
Дата введения:05.07.1988
Оглавление:Основной комплект марки ЭМ
   Общие данные
   Гидромеханическая схема и ведомость электропроводов
   Подстанция. Щит станций управления 1Щ. Принципиальная однолинейная схема
   Насос 1 (2…6). Принципиальная схема
   Вакуум-насос 7 (8). Клапан 15 (16). Принципиальная схема
   Задвижка 10 (11). Насос 12(13). Принципиальная схема
   Сигнализация. Принципиальная схема
   Электропривода. РУ-6 (10) кВ. Схема подключений
   Щит станций управления 1Щ. Щит сигнализации 2Щ. Схема подключения
   Кабельный журнал
   План расположения электрооборудования и прокладка кабелей
   Сеть заземления и зануления. План
   Камеры трансформаторов. Подвод шин 6 (10) кВ к трансформаторам
Основной комплект марки ЭО
   Общие данные
   Электрическое освещение. План
   Установка светильников РСП11-400 и ПВЛМ-2х40 на кронштейне, на стене
Основной комплект марки АТХ
   Общие данные
   Схема автоматизации
   Схема электрическая принципиальная распределительной сети
   Схема электрическая принципиальная измерения уровня и перепада на сетках
   Схема соединений внешних проводок
   Схема подключения внешних проводок
   Щитовая. План расположения
   Машзал. План расположения
Разработан: Ленинградский Водоканалпроект
Утверждён:06.04.1988 Госстрой СССР (Государственный комитет Совета Министров СССР по делам строительства) (USSR Gosstroy 25)
Расположен в:Техническая документация Строительство Справочные документы Типовые строительные конструкции, изделия и узлы Общероссийский строительный каталог Промышленные предприятия, здания и сооружения Здания и сооружения санитарно-технические Водоснабжение Водозаборные сооружения
Заменяет собой:
Типовой проект 901-1-91.88Типовой проект 901-1-91.88Типовой проект 901-1-91.88Типовой проект 901-1-91.88Типовой проект 901-1-91.88Типовой проект 901-1-91.88Типовой проект 901-1-91.88Типовой проект 901-1-91.88Типовой проект 901-1-91.88Типовой проект 901-1-91.88Типовой проект 901-1-91.88Типовой проект 901-1-91.88Типовой проект 901-1-91.88Типовой проект 901-1-91.88Типовой проект 901-1-91.88Типовой проект 901-1-91.88Типовой проект 901-1-91.88Типовой проект 901-1-91.88Типовой проект 901-1-91.88Типовой проект 901-1-91.88Типовой проект 901-1-91.88Типовой проект 901-1-91.88Типовой проект 901-1-91.88Типовой проект 901-1-91.88Типовой проект 901-1-91.88Типовой проект 901-1-91.88Типовой проект 901-1-91.88Типовой проект 901-1-91.88Типовой проект 901-1-91.88Типовой проект 901-1-91.88Типовой проект 901-1-91.88Типовой проект 901-1-91.88Типовой проект 901-1-91.88Типовой проект 901-1-91.88Типовой проект 901-1-91.88Типовой проект 901-1-91.88Типовой проект 901-1-91.88

© 2013 Ёшкин Кот :-) Карта сайта