| ||||||||||||||||||||||||||||
Скачать Шифр А11-92 Прокладка многоамперных кабелей марок АВВ и АВТВ. Материалы для проектирования и рабочие чертежиДата актуализации: 10.08.2017
|
| Обозначение: | Шифр А11-92 |
| Обозначение англ: | А11-92 |
| Статус: | cправочные материалы, мп, тпр |
| Название рус.: | Прокладка многоамперных кабелей марок АВВ и АВТВ. Материалы для проектирования и рабочие чертежи |
| Дата добавления в базу: | 01.10.2014 |
| Дата актуализации: | 05.05.2017 |
| Дата введения: | 01.02.1993 |
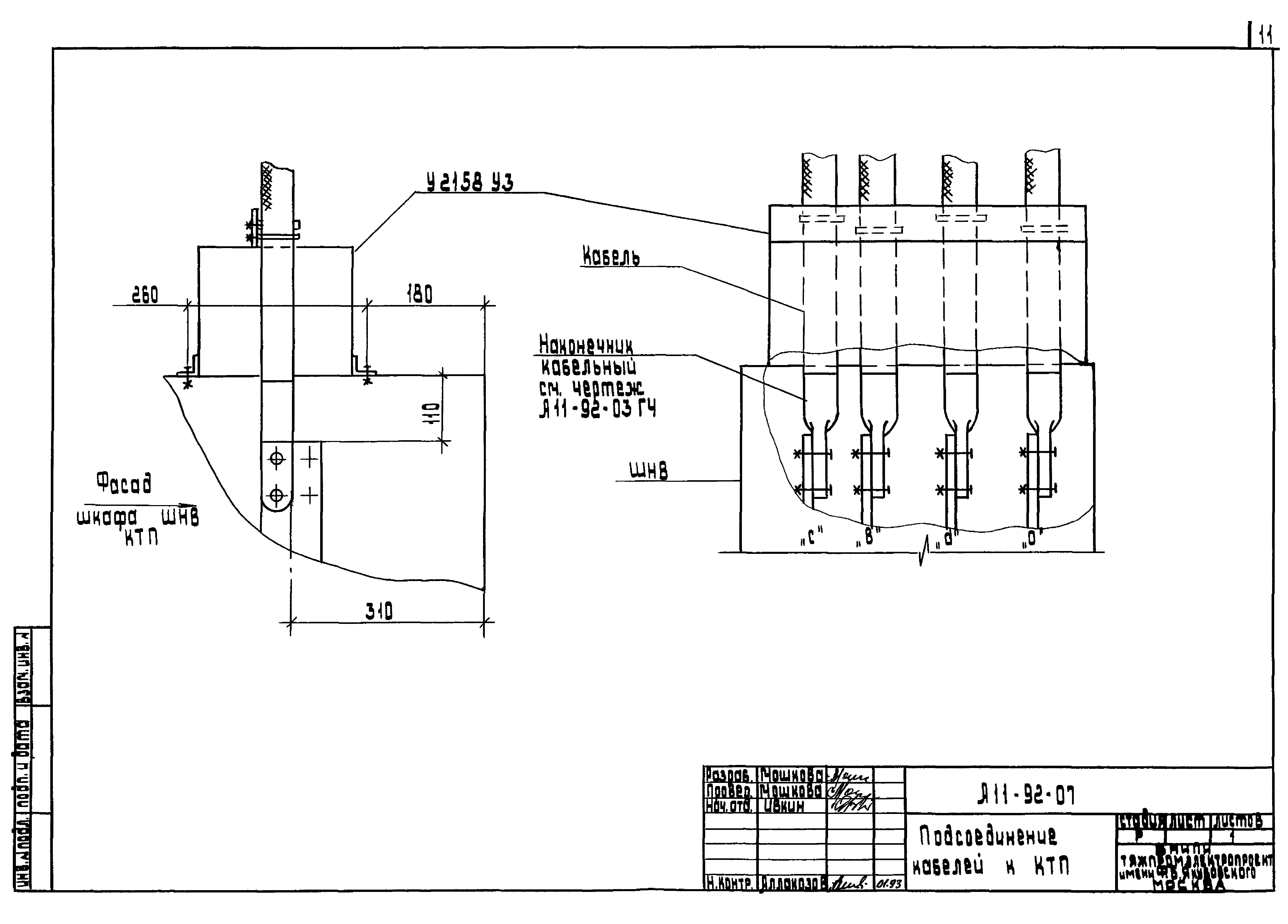
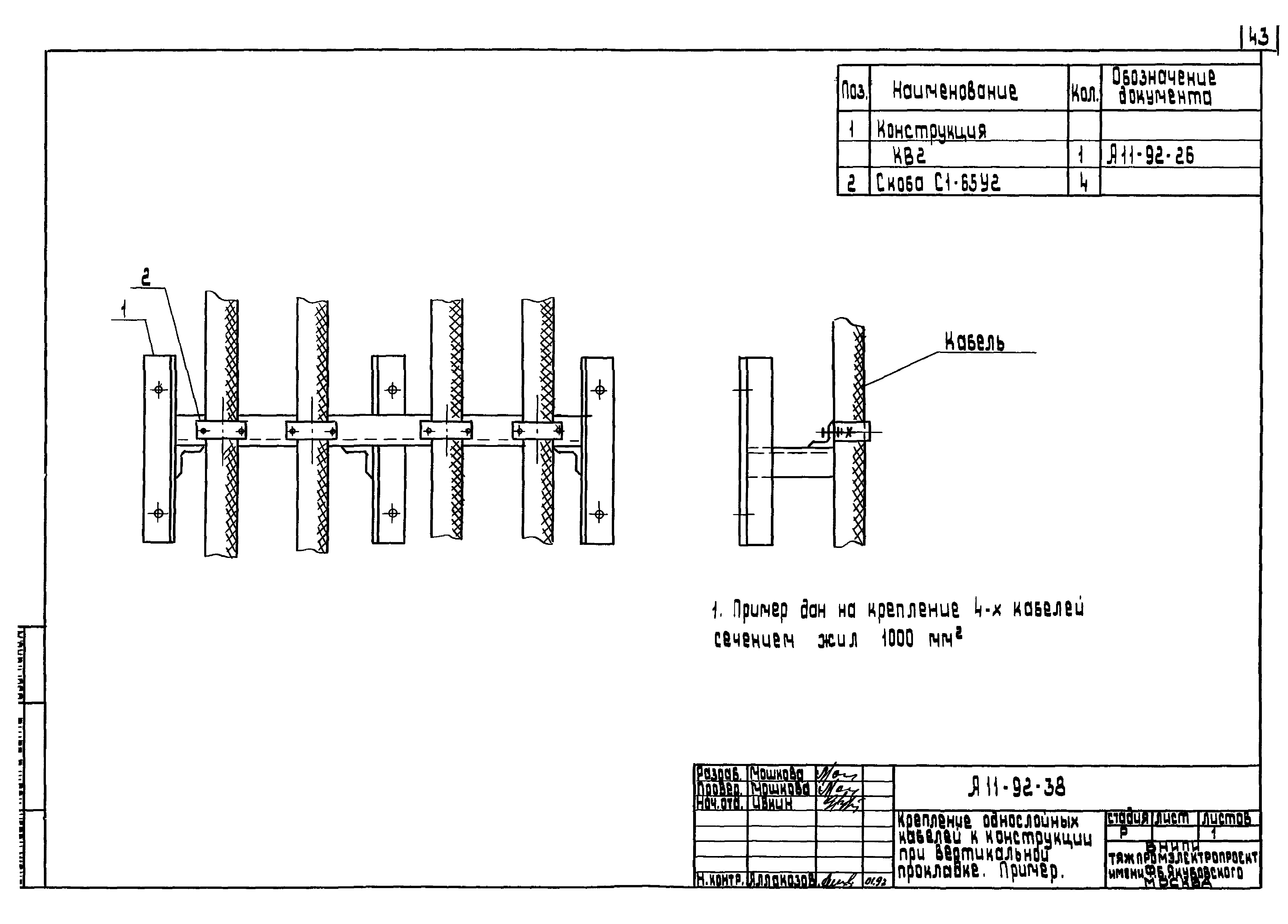
| Оглавление: | А11-92 Содержание А11-92-01ПЗ Пояснительная записка А11-92-02ТБ Таблица выбора чертежей конструкций А11-92-03ГЧ Габаритные чертежи наконечников А11-92-04 Подсоединение кабелей к шинопроводу ШМА4 А11-92-05 Узел ответвления от кабельной линии. Вариант 1 А11-92-06 Узел ответвления от кабельной линии. Вариант 2 А11-92-07 Подсоединение кабелей к КТП А11-92-08 Конструкция КН1 А11-92-09 Конструкция КН2 А11-92-10 Конструкция КН3 А11-92-11 Конструкция КН4 А11-92-12 Конструкция КН5 А11-92-13 Конструкция КН6 А11-92-14 Конструкция КН7 А11-92-15 Конструкция КН8 А11-92-16 Конструкция КН9 А11-92-17 Конструкция КП1 А11-92-18 Конструкция КП2 А11-92-19 Конструкция КП3 А11-92-20 Конструкция КП4 А11-92-21 Конструкция КП5 А11-92-22 Конструкция КП6 А11-92-23 Конструкция КП7 А11-92-24 Конструкция КП8 А11-92-25 Конструкция КВ1 А11-92-26 Конструкция КВ2 А11-92-27 Конструкция КВ3 А11-92-28 Конструкция КВ4 А11-92-29 Обхват А11-92-30 Скоба А11-92-31 Скоба нижняя А11-92-32 Скоба верхняя А11-92-33 Защитный кожух А11-92-34 Крепление кабельной конструкции. Пример А11-92-35 Крепление кабелей пучком к конструкции при горизонтальной прокладке. Пример А11-92-36 Крепление кабелей пучком к конструкции при вертикальной прокладке. Пример А11-92-37 Крепление однослойных кабелей к конструкции при горизонтальной прокладке. Пример А11-92-38 Крепление однослойных кабелей к конструкции при вертикальной прокладке. Пример А11-92-39 Прокладка кабелей по стене горизонтально и под перекрытием. Пример А11-92-40 Прокладка кабелей под перекрытием. Пример А11-92-41 Прокладка кабелей с обходом внутреннего угла. Пример А11-92-42 Прокладка кабелей по стене вертикально. Пример |
| Разработан: | ВНИПИ Тяжпромэлектропроект им. Ф.Б. Якубовского |
| Утверждён: | 05.01.1993 ВНИПИ Тяжпромэлектропроект им. Ф.Б. Якубовского (F.B.Yakubovskiy Tyazhpromelektroproject VNIPI 1) |
| Расположен в: | |
| Заменяет собой: |














































