| ||||||||||||||||||||||||||
Скачать Шифр А4-92 Установка комплектных трансформаторных подстанций с масляным заполнением на 630 и 1000 кВА смешанного исполнения Хмельницкого завода трансформаторных подстанций. Материалы для проектирования и рабочие чертежиДата актуализации: 10.08.2017
|
| Обозначение: | Шифр А4-92 |
| Обозначение англ: | А4-92 |
| Статус: | cправочные материалы, мп, тпр |
| Название рус.: | Установка комплектных трансформаторных подстанций с масляным заполнением на 630 и 1000 кВА смешанного исполнения Хмельницкого завода трансформаторных подстанций. Материалы для проектирования и рабочие чертежи |
| Дата добавления в базу: | 01.10.2014 |
| Дата актуализации: | 05.05.2017 |
| Дата введения: | 01.09.1992 |
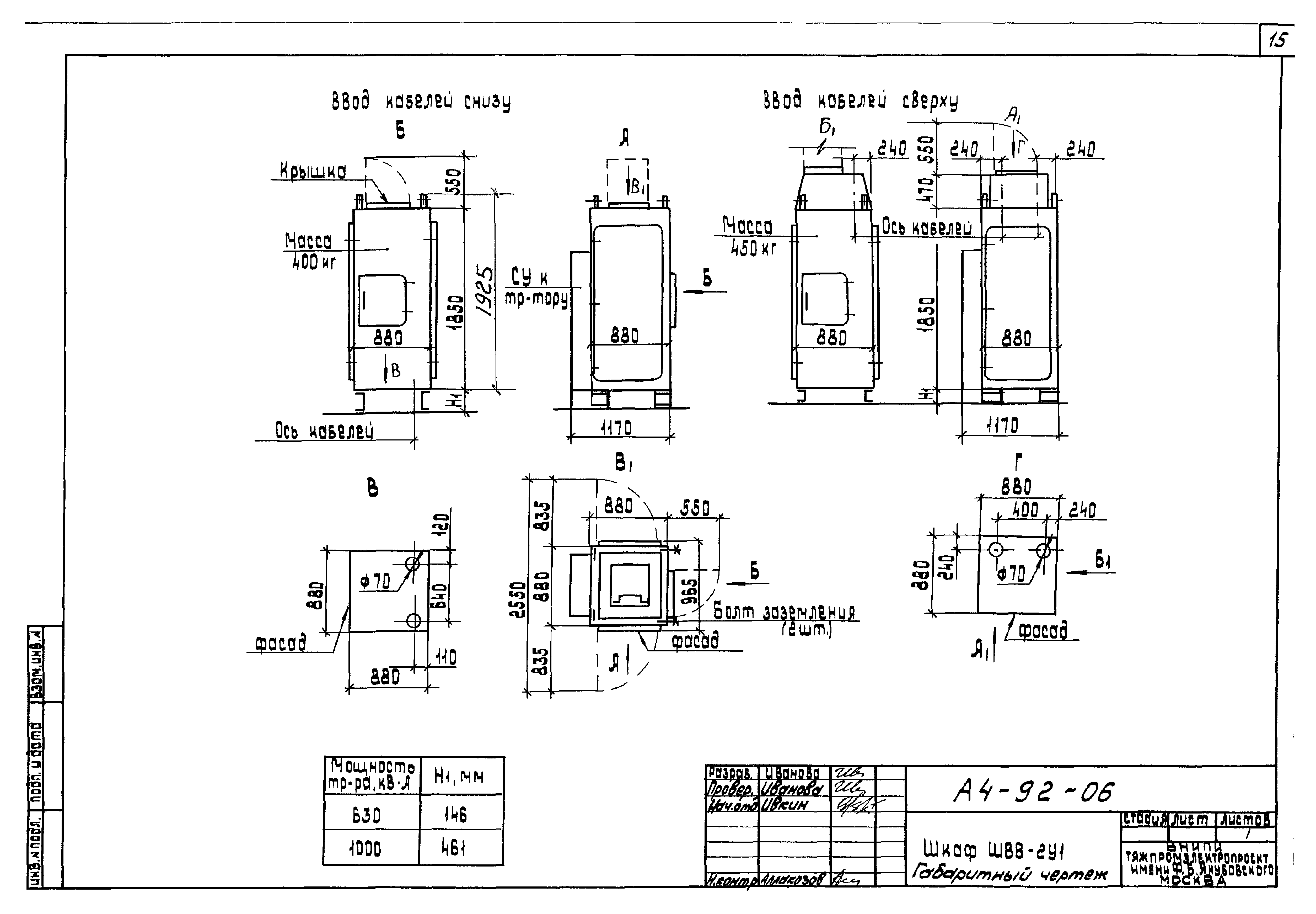
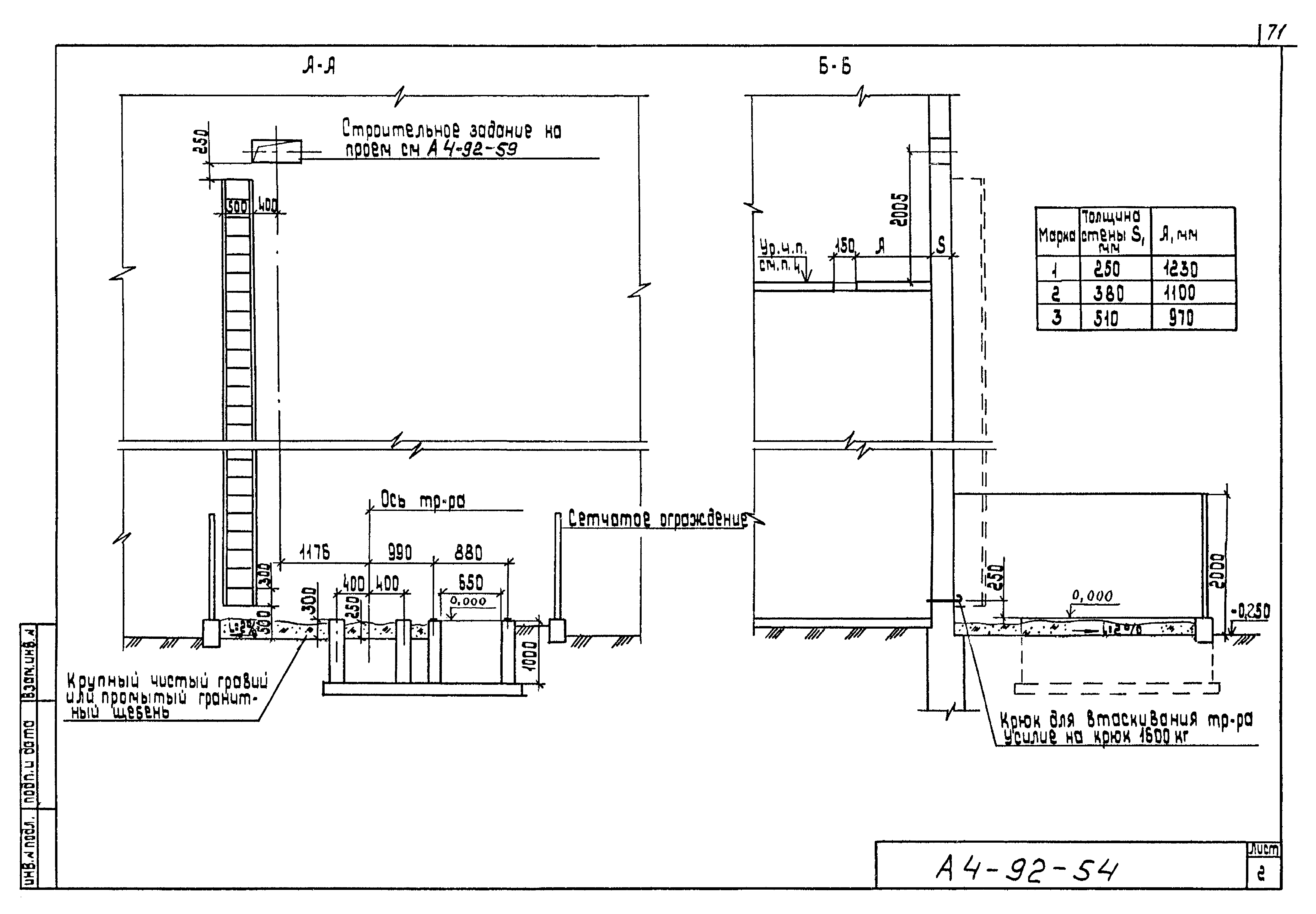
| Оглавление: | А4-92 Содержание А4-92-01ПЗ Пояснительная записка А4-92-02 Подстанция трансформаторная КТП-630-1000/10/0,4-84-У1 (РУНН-3) с напольным шкафом ввода ШВВ-2У1. Вариант 1. Габаритный чертеж А4-92-03 Подстанция трансформаторная КТП-630-1000/10/0,4-84-У1 (РУНН-3) с навесным шкафом ввода ВВ-1. Вариант 1. Габаритный чертеж А4-92-04 Подстанция трансформаторная КТП-630-1000/10/0,4-84-У1 (РУНН-3) с напольным шкафом ввода ШВВ-2У1. Вариант 2. Габаритный чертеж А4-92-05 Подстанция трансформаторная КТП-630-1000/10/0,4-84-У1 (РУНН-3) с навесным шкафом ввода ВВ-1. Вариант 2. Габаритный чертеж А4-92-06 Шкаф ШВВ-2У1. Габаритный чертеж А4-92-07 Шкафы ШВН и ШНЛ. Габаритный чертеж А4-92-08 Таблица выбора чертежей установки КТП А4-92-09 Установка КТП-630 кВА со шкафом ввода ШВВ-2У1. Правое исполнение. Вариант 1 А4-92-10 Установка КТП-630 кВА со шкафом ввода ШВВ-2У1. Левое исполнение. Вариант 1 А4-92-11 Установка КТП-630 кВА с глухим вводом. Правое исполнение. Вариант 1 А4-92-12 Установка КТП-630 кВА с глухим вводом. Левое исполнение. Вариант 1 А4-92-13 Установка КТП-630 кВА со шкафом ввода ШВВ-2У1. Правое исполнение. Вариант 2 А4-92-14 Установка КТП-630 кВА со шкафом ввода ШВВ-2У1. Левое исполнение. Вариант 2 А4-92-15 Установка КТП-630 кВА с глухим вводом. Правое исполнение. Вариант 2 А4-92-16 Установка КТП-630 кВА с глухим вводом. Левое исполнение. Вариант 2 А4-92-17 Установка КТП-1000 кВА со шкафом ввода ШВВ-2У1. Правое исполнение. Вариант 1 А4-92-18 Установка КТП-1000 кВА со шкафом ввода ШВВ-2У1. Левое исполнение. Вариант 1 А4-92-19 Установка КТП-1000 кВА с глухим вводом. Правое исполнение. Вариант 1 А4-92-20 Установка КТП-1000 кВА с глухим вводом. Левое исполнение. Вариант 1 А4-92-21 Установка КТП-1000 кВА со шкафом ввода ШВВ-2У1. Правое исполнение. Вариант 2 А4-92-22 Установка КТП-1000 кВА со шкафом ввода ШВВ-2У1. Левое исполнение. Вариант 2 А4-92-23 Установка КТП-1000 кВА с глухим вводом. Правое исполнение. Вариант 2 А4-92-24 Установка КТП-1000 кВА с глухим вводом. Левое исполнение. Вариант 2 А4-92-25 Установка шкафа ШВВ-2У1 А4-92-26 Установка шкафов РУНН А4-92-27 Проход шинопровода через стену А4-92-28 Конструкция А4-92-29 Конструкция А4-92-30 Конструкция А4-92-39 Требования к строительным заданиям А4-92-40 Расположение электрооборудования в осях 7…9; 13…15 (пример) А4-92-41 Таблица выбора чертежей строительных заданий А4-92-42 Строительное задание на установку КТП-630 кВА со шкафом ввода ШВВ-2У1. Правое исполнение. Вариант 1 А4-92-43 Строительное задание на установку КТП-630 кВА со шкафом ввода ШВВ-2У1. Левое исполнение. Вариант 1 А4-92-44 Строительное задание на установку КТП-630 кВА с глухим вводом. Правое исполнение. Вариант 1 А4-92-45 Строительное задание на установку КТП-630 кВА с глухим вводом. Левое исполнение. Вариант 1 А4-92-46 Строительное задание на установку КТП-630 кВА со шкафом ввода ШВВ-2У1. Правое исполнение. Вариант 2 А4-92-47 Строительное задание на установку КТП-630 кВА со шкафом ввода ШВВ-2У1. Левое исполнение. Вариант 2 А4-92-48 Строительное задание на установку КТП-630 кВА с глухим вводом. Правое исполнение. Вариант 2 А4-92-49 Строительное задание на установку КТП-630 кВА с глухим вводом. Левое исполнение. Вариант 2 А4-92-50 Строительное задание на установку КТП-1000 кВА со шкафом ввода ШВВ-2У1. Правое исполнение. Вариант 1 А4-92-51 Строительное задание на установку КТП-1000 кВА со шкафом ввода ШВВ-2У1. Левое исполнение. Вариант 1 А4-92-52 Строительное задание на установку КТП-1000 кВА с глухим вводом. Правое исполнение. Вариант 1 А4-92-53 Строительное задание на установку КТП-1000 кВА с глухим вводом. Левое исполнение. Вариант 1 А4-92-54 Строительное задание на установку КТП-1000 кВА со шкафом ввода ШВВ-2У1. Правое исполнение. Вариант 2 А4-92-55 Строительное задание на установку КТП-1000 кВА со шкафом ввода ШВВ-2У1. Левое исполнение. Вариант 2 А4-92-56 Строительное задание на установку КТП-1000 кВА с глухим вводом. Правое исполнение. Вариант 2 А4-92-57 Строительное задание на установку КТП-1000 кВА с глухим вводом. Левое исполнение. Вариант 2 А4-92-58 Разрезы В-В - Ж-Ж и нагрузки от оборудования КТП А4-92-59 Строительное задание на проем для шинопровода А4-92-60 Строительное задание на заглубленный маслоприемник под трансформатор 630 и 1000 кВА |
| Разработан: | ВНИПИ Тяжпромэлектропроект им. Ф.Б. Якубовского |
| Утверждён: | 27.08.1992 ВНИПИ Тяжпромэлектропроект им. Ф.Б. Якубовского (F.B.Yakubovskiy Tyazhpromelektroproject VNIPI 62) |
| Расположен в: |















































































