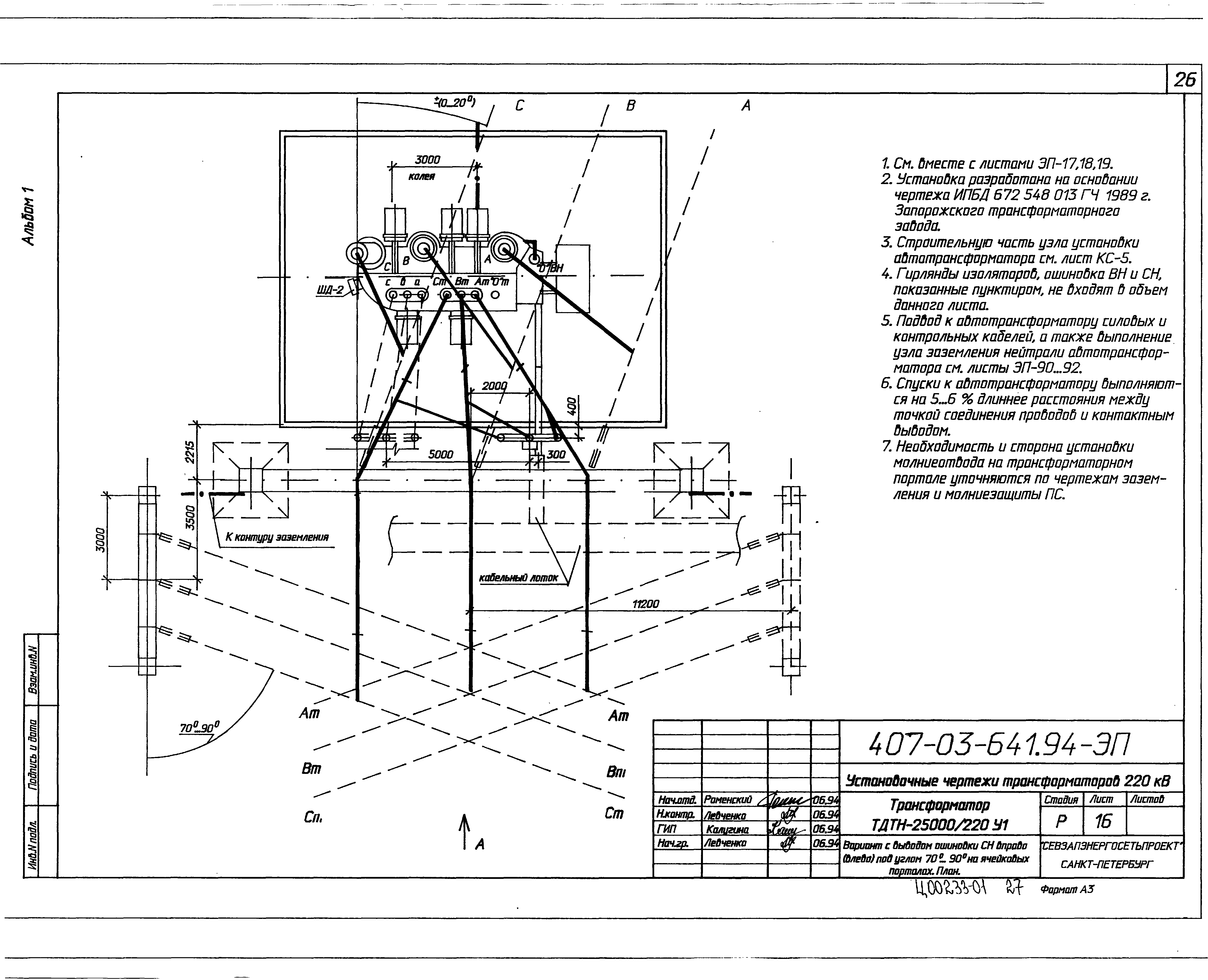
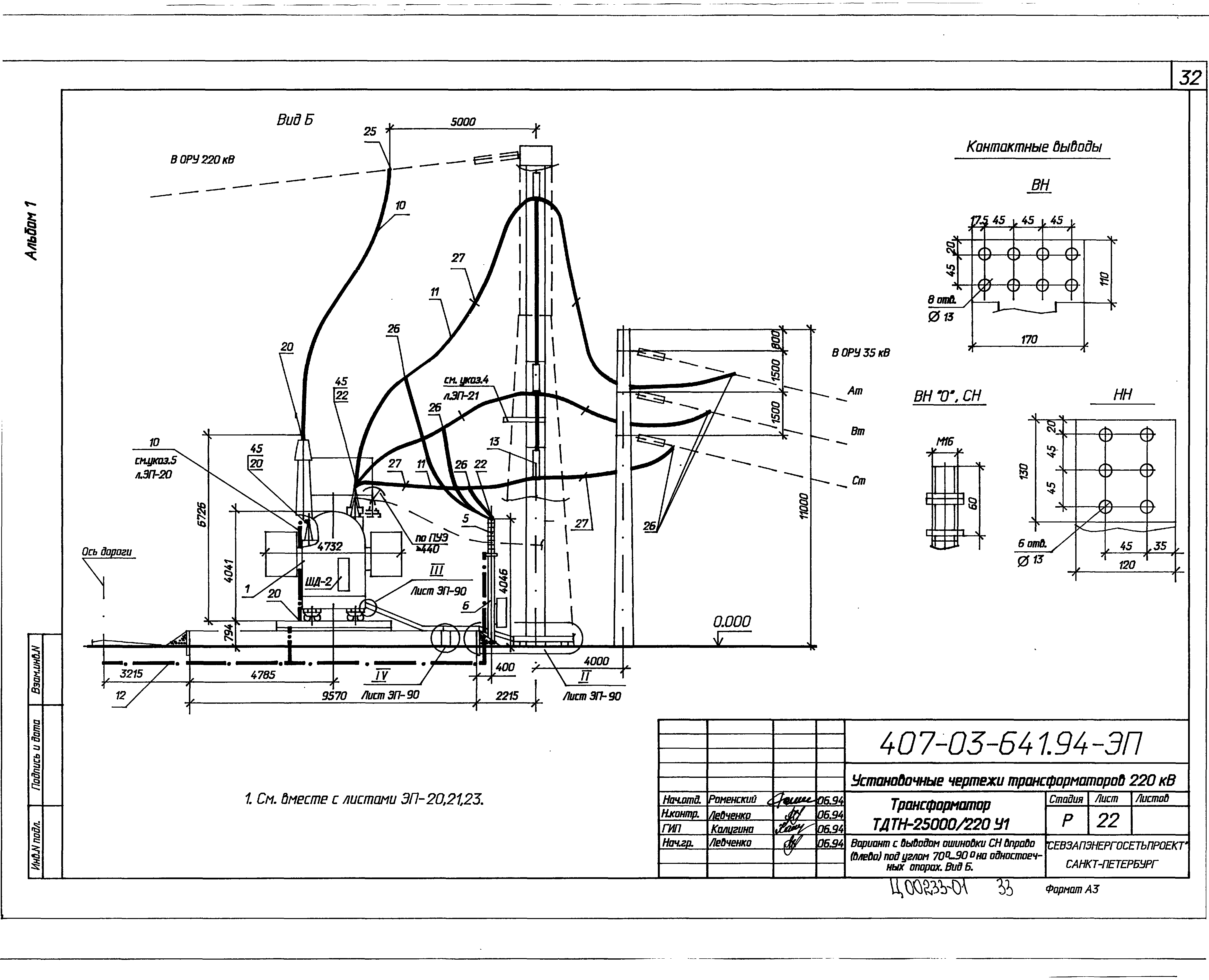
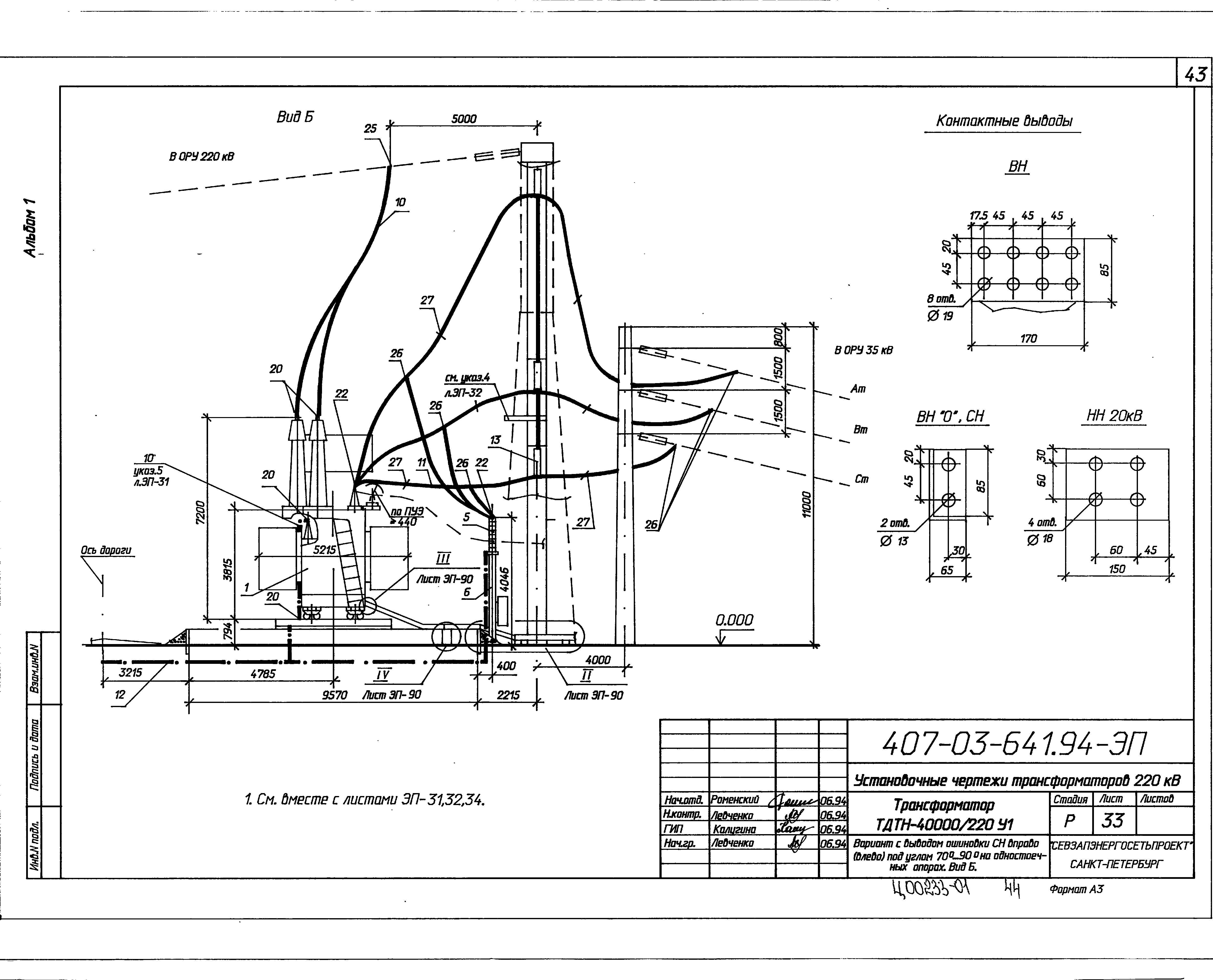
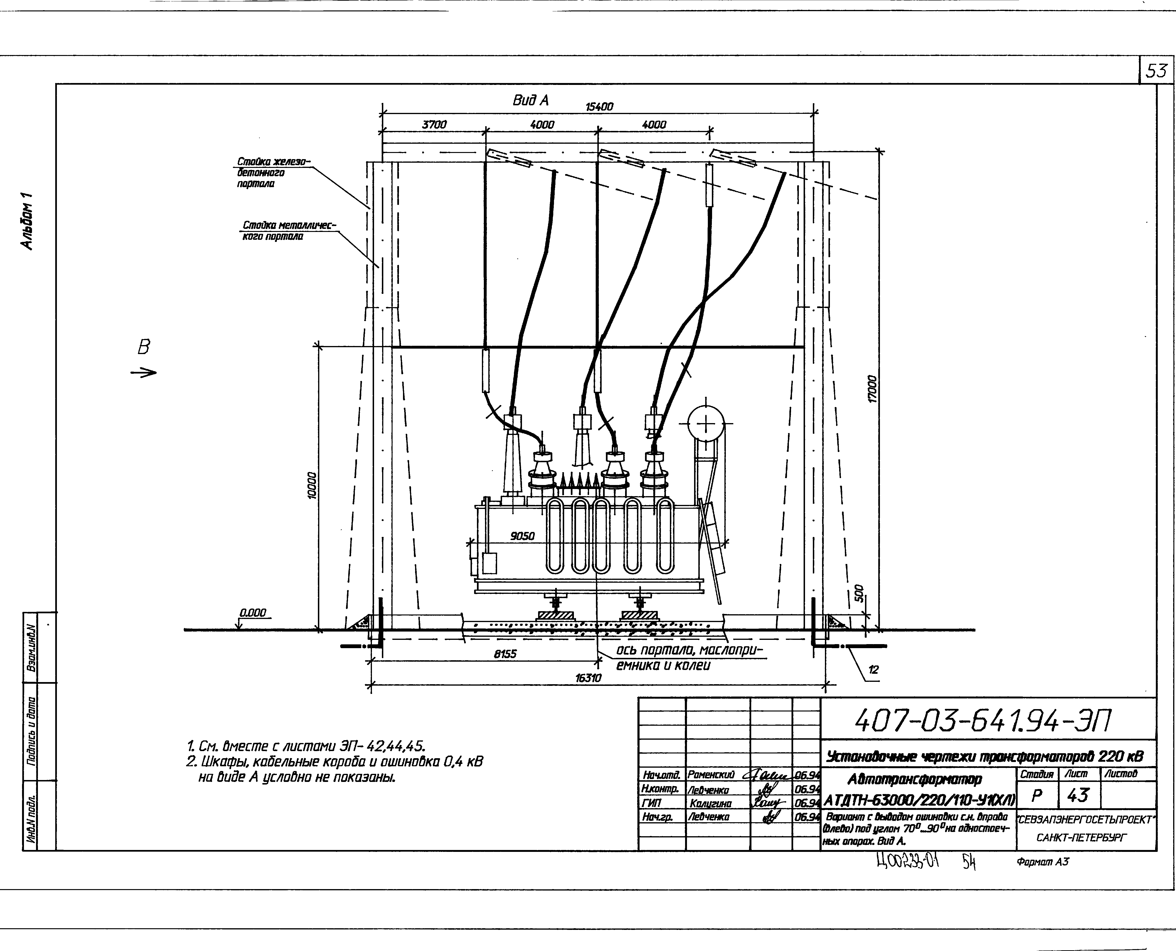
Скачать Типовые материалы для проектирования 407-03-641.94 Альбом 1. Пояснительная записка. Электротехнические чертежиДата актуализации: 10.08.2017 Типовые материалы для проектирования 407-03-641.94
Альбом 1. Пояснительная записка. Электротехнические чертежи| Обозначение: | Типовые материалы для проектирования 407-03-641.94 | | Обозначение англ: | 407-03-641.94 | | Статус: | cправочные материалы, мп, тпр | | Название рус.: | Альбом 1. Пояснительная записка. Электротехнические чертежи | | Дата добавления в базу: | 01.09.2013 | | Дата актуализации: | 05.05.2017 | | Дата введения: | 05.07.1994 | | Разработан: | Севзапэнергосетьпроект
| | Утверждён: | 05.07.1994 Минтопэнерго России (Russian Federation Mintopenergo 2)
| | Расположен в: |
|
                                                                                                                           
|