Информационная система
«Ёшкин Кот»

Скачать базу одним архивом
Скачать обновления
История создания базы
Карта сайта

Скачать Типовой проект 902-2-429.87 Альбом 2. Технологическая и электротехническая часть

Дата актуализации: 10.08.2017

Типовой проект 902-2-429.87

Альбом 2. Технологическая и электротехническая часть

Обозначение: Типовой проект 902-2-429.87
Обозначение англ: 902-2-429.87
Статус:не определен законодательством
Название рус.:Альбом 2. Технологическая и электротехническая часть
Дата добавления в базу:01.09.2013
Дата актуализации:05.05.2017
Дата введения:01.07.1987
Оглавление:Содержание альбома
Технологическая часть
   Общие данные
   Монтажный чертеж. План одной секции аэротенка в осях 1…4. Разрезы В-В, Г-Г, Д-Д. Узел 1
   Монтажный чертеж. План одной секции отстойника в осях 4…5. Разрезы Е-Е, Ж-Ж. Узел 2
   Монтажный чертеж. Разрезы А-А, Б-Б. Узлы 3, 4
   Аксонометрическая схема воздуховодов и аэраторов из пористых керамических труб
   Аксонометрическая схема воздуховодов и аэраторов из пористых керамических пластин
   Монтажный чертеж. Камера распределения ила. План. Разрезы И-И, К-К. Узлы 5, 6
   Отопление шкафов КИП сжатым воздухом. План, детали и узлы
   Аэратор из пористых керамических труб. Эскизный чертеж общего вида
Электротехническая часть
   Общие данные
   Схема принципиальная управления тележкой илососа отстойника
   Схема принципиальная технологического контроля
   Схема электрических проводок
   Шкафы 1А1…3А1. Схема электрических и трубных проводок
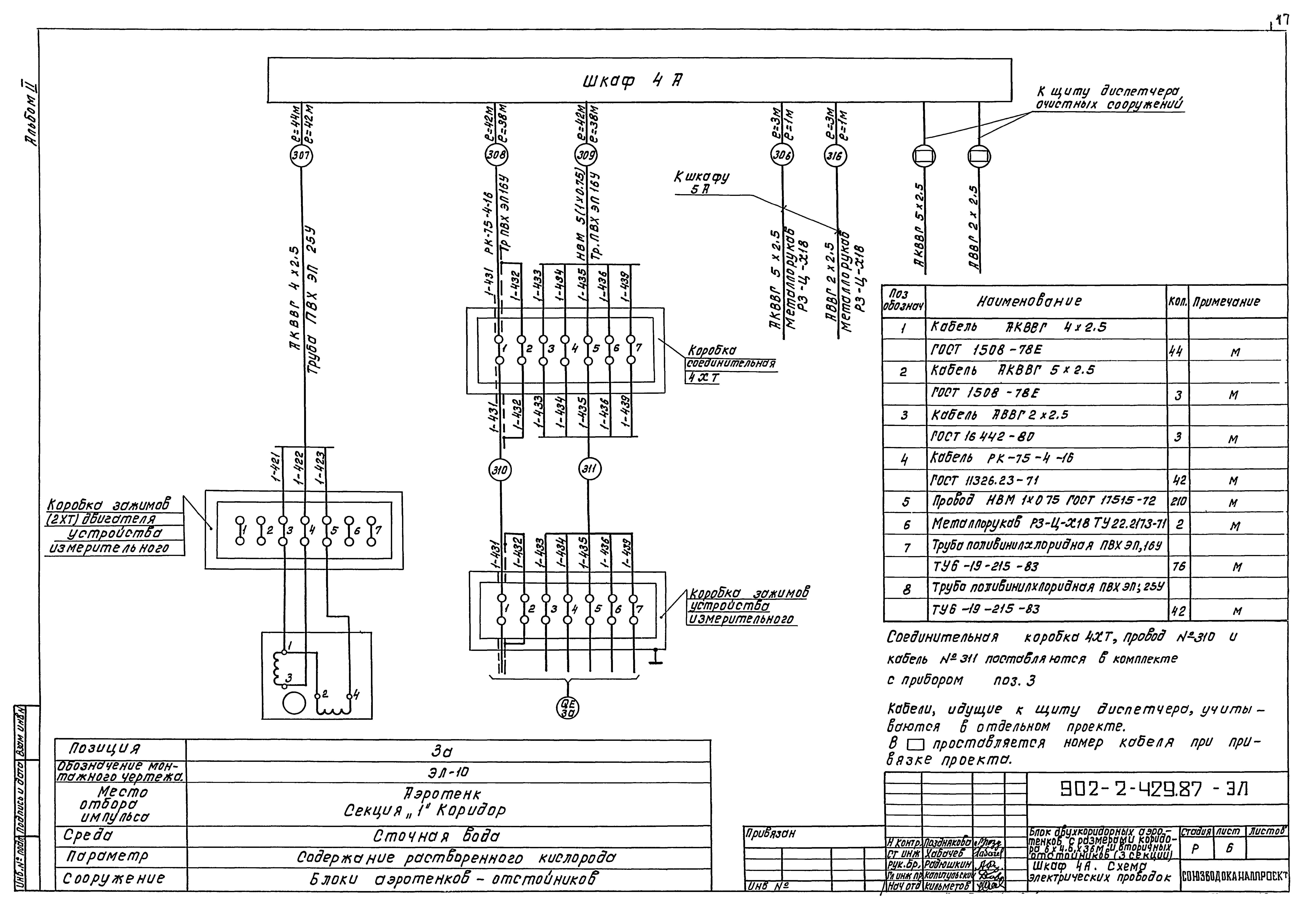
   Шкаф 4А. Схема электрических проводок
   Шкаф 5А. Схема электрических проводок
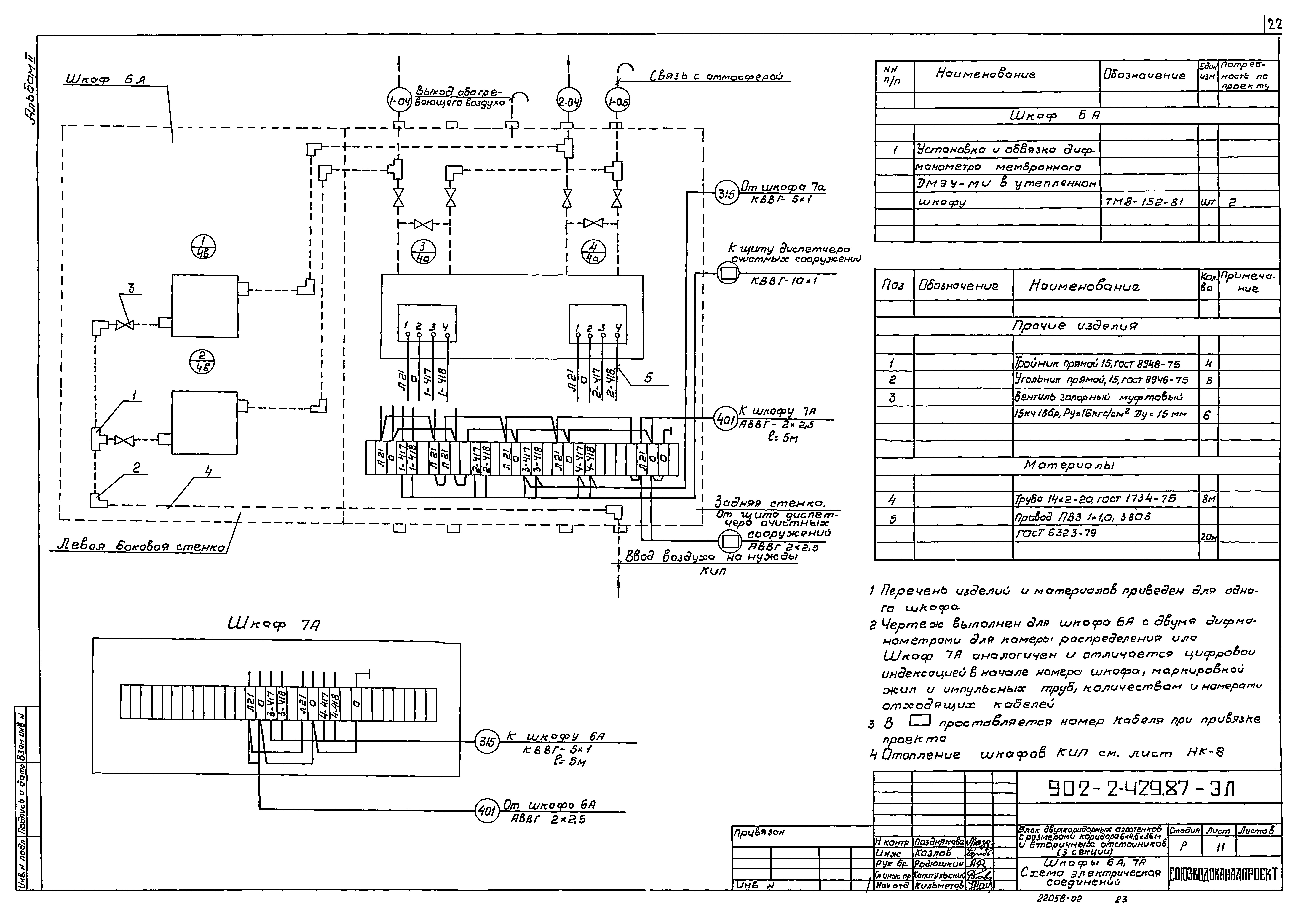
   Шкафы 6А, 7А. Схема электрических и трубных проводок
   Шкафы 1А1…3А1. Схема электрическая соединений
   Шкафы 4А, 5А. Схема электрическая соединений
   Шкафы 6А, 7А. Схема электрическая соединений
   Пост 1А2…3А2. Общий вид
   Пост 1А2 (2А2, 3А2). Схема электрическая соединений
   Кабельный журнал
   Расположение оборудования и прокладка кабелей и труб
   Установка преобразователя К-215 и блока управления БУ-1 в обогреваемом шкафу
Разработан: Союзводоканалпроект
Утверждён:13.01.1987 Госстрой СССР (Государственный комитет Совета Министров СССР по делам строительства) (USSR Gosstroy А4-5)
Расположен в:Техническая документация Строительство Справочные документы Типовые строительные конструкции, изделия и узлы Общероссийский строительный каталог Промышленные предприятия, здания и сооружения Здания и сооружения санитарно-технические Канализация Сооружения биологической (биохимической) очистки Аэротенки, аэрируемые биопруды, аэроакселаторы
Типовой проект 902-2-429.87Типовой проект 902-2-429.87Типовой проект 902-2-429.87Типовой проект 902-2-429.87Типовой проект 902-2-429.87Типовой проект 902-2-429.87Типовой проект 902-2-429.87Типовой проект 902-2-429.87Типовой проект 902-2-429.87Типовой проект 902-2-429.87Типовой проект 902-2-429.87Типовой проект 902-2-429.87Типовой проект 902-2-429.87Типовой проект 902-2-429.87Типовой проект 902-2-429.87Типовой проект 902-2-429.87Типовой проект 902-2-429.87Типовой проект 902-2-429.87Типовой проект 902-2-429.87Типовой проект 902-2-429.87Типовой проект 902-2-429.87Типовой проект 902-2-429.87Типовой проект 902-2-429.87Типовой проект 902-2-429.87Типовой проект 902-2-429.87Типовой проект 902-2-429.87Типовой проект 902-2-429.87Типовой проект 902-2-429.87Типовой проект 902-2-429.87Типовой проект 902-2-429.87

© 2013 Ёшкин Кот :-) Карта сайта