Скачать Типовой проект 902-1-54 Альбом 12. Электрооборудование, автоматизация и технологический контроль. Чертежи монтажной зоныДата актуализации: 10.08.2017 Типовой проект 902-1-54
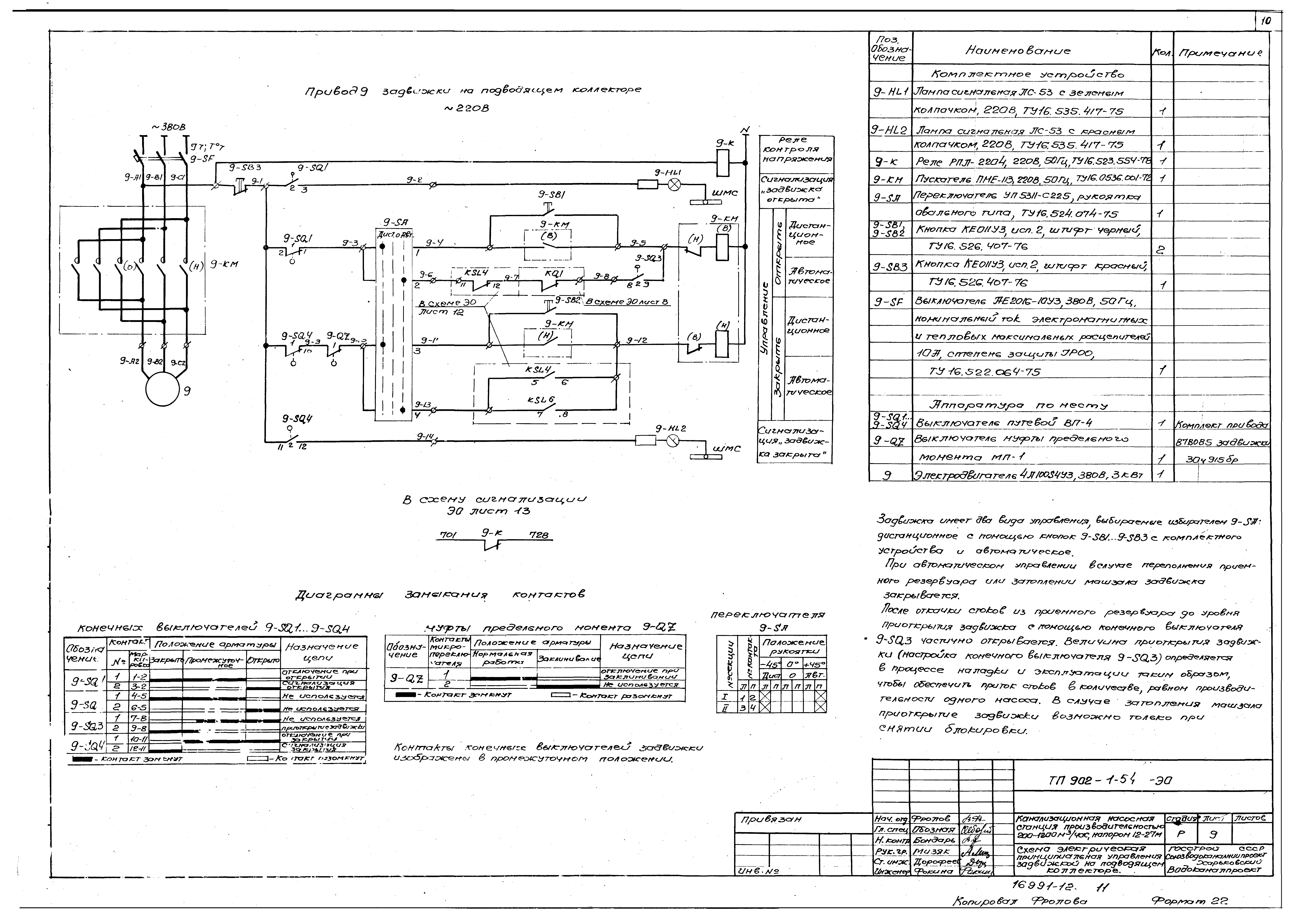
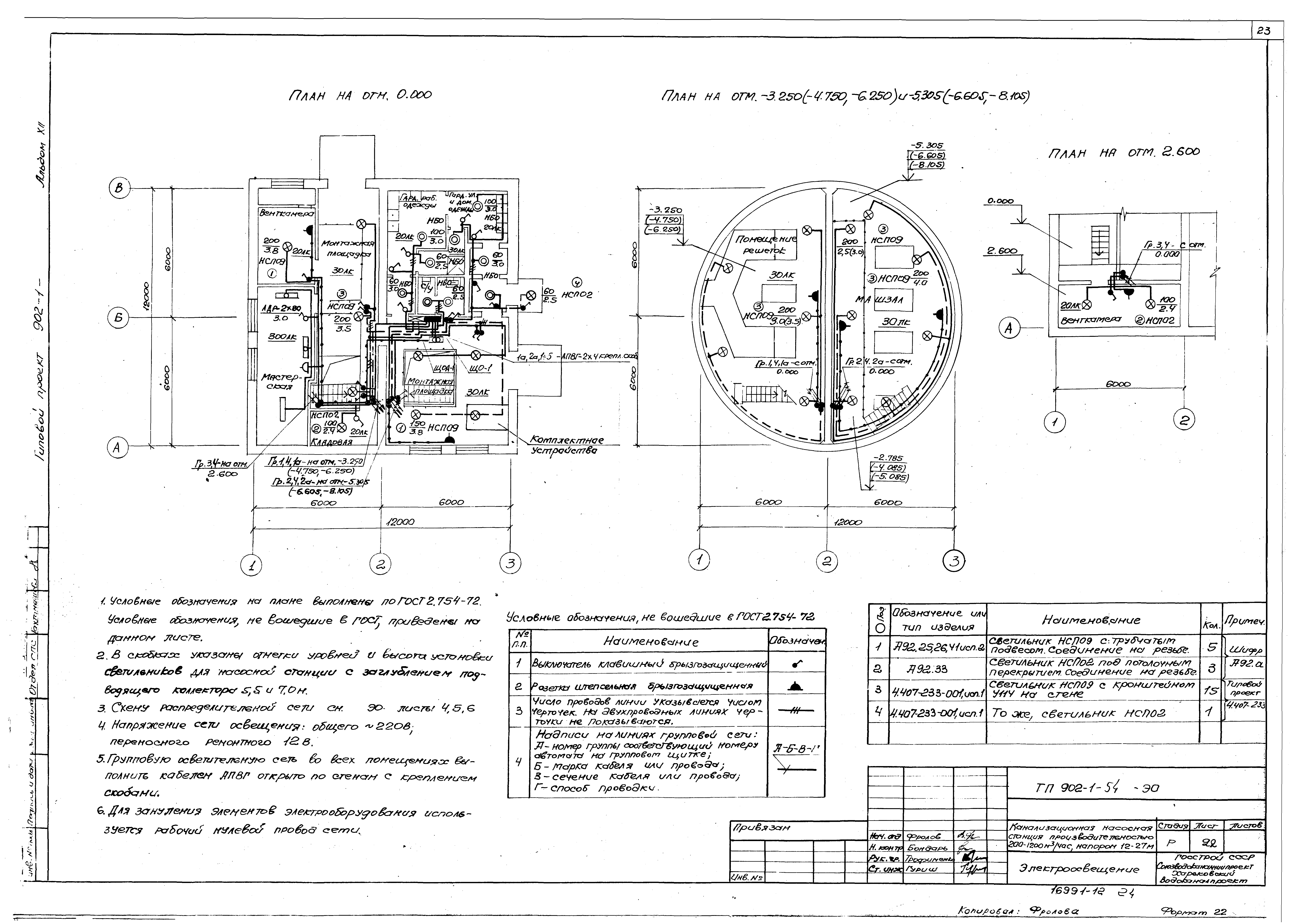
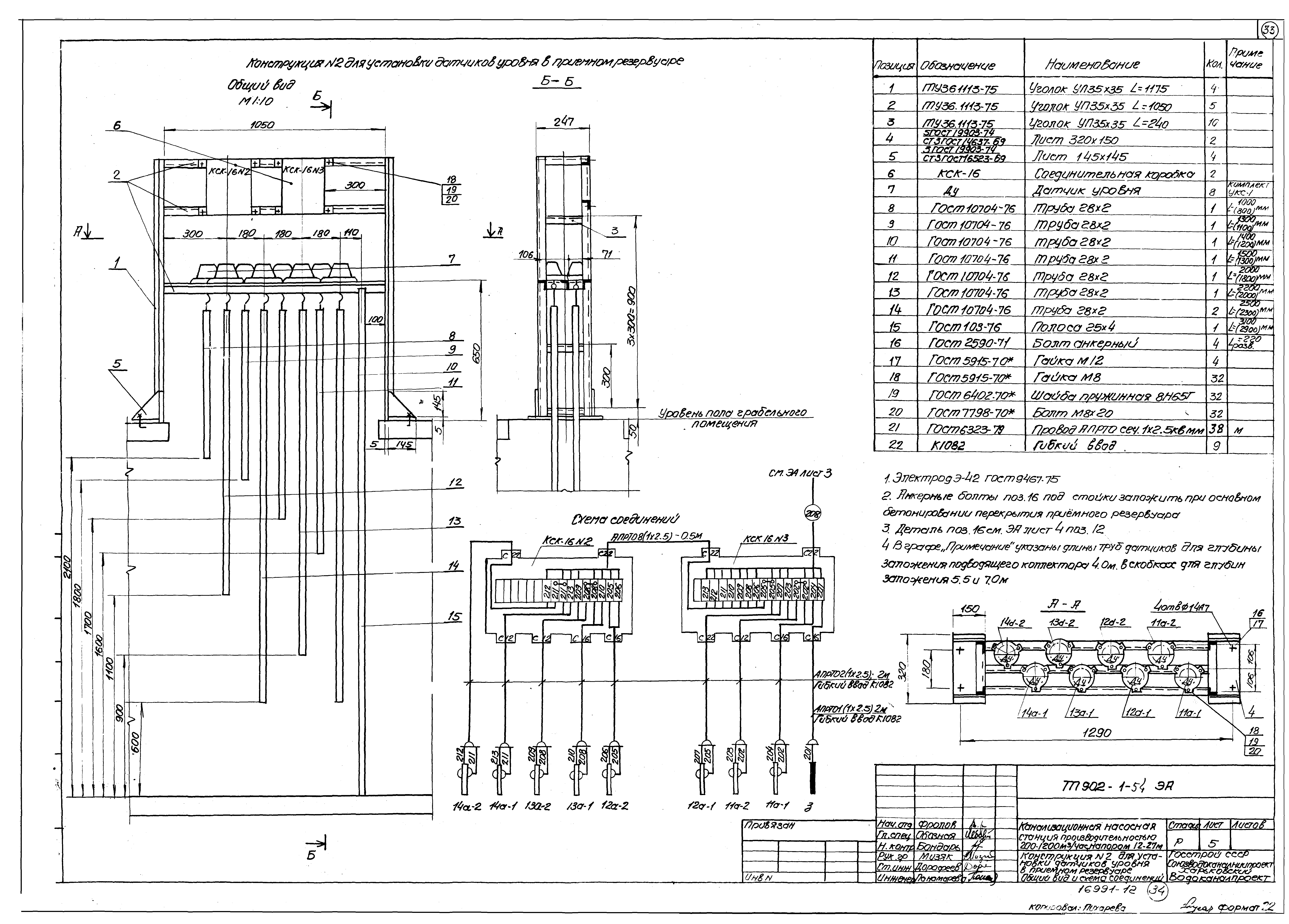
Альбом 12. Электрооборудование, автоматизация и технологический контроль. Чертежи монтажной зоныОбозначение: | Типовой проект 902-1-54 | Обозначение англ: | 902-1-54 | Статус: | не определен законодательством | Название рус.: | Альбом 12. Электрооборудование, автоматизация и технологический контроль. Чертежи монтажной зоны | Дата добавления в базу: | 01.09.2013 | Дата актуализации: | 05.05.2017 | Дата введения: | 01.12.1980 | Оглавление: | Общие данные Схема электрическая принципиальная однолинейная распределительной сети ~380/220 В (с двумя вводами) Схема электрическая принципиальная однолинейная распределительной сети ~380/220 В (с одним вводом) Схемы электрические принципиальные переключения III секции, АВР оперативного тока и учета электроэнергии (с двумя вводами) Схема электрическая принципиальная управления насосами перекачки стоков Схема электрическая принципиальная управления задвижкой на подводящем коллекторе Схемы электрические принципиальные управления насосом гидроуплотнения, дренажным насосом и решетками Схемы электрические принципиальные управления вентиляторами Схема электрическая принципиальная контроля уровней Схема электрическая принципиальная сигнализации Схема подключения электрооборудования Схема подключения комплектного устройства (с двумя вводами) Схема подключения комплектного устройства (с одним вводом) Кабельный журнал План расположения электрооборудования. Прокладка кабелей Электроосвещение Зануление Уточненные ведомости и ведомости объемов электромонтажных работ Задание МЭЗ Комплектные устройства. Общие виды. Перечни надписей (чертеж для справок) | Разработан: | Харьковский Водоканалпроект
| Утверждён: | 19.06.1980 Союзводоканалпроект (Soyuzvodokanalproject 43)
| Расположен в: |
| Заменяет собой: | - Типовой проект 902-1-22 «Канализационная насосная станция на 3 насоса 8Ф-12 при глубине заложения подводящего коллектора 4,0; 5,50 и 7,0 м»
|
                                
|