| ||||||||||||||||||||||||||
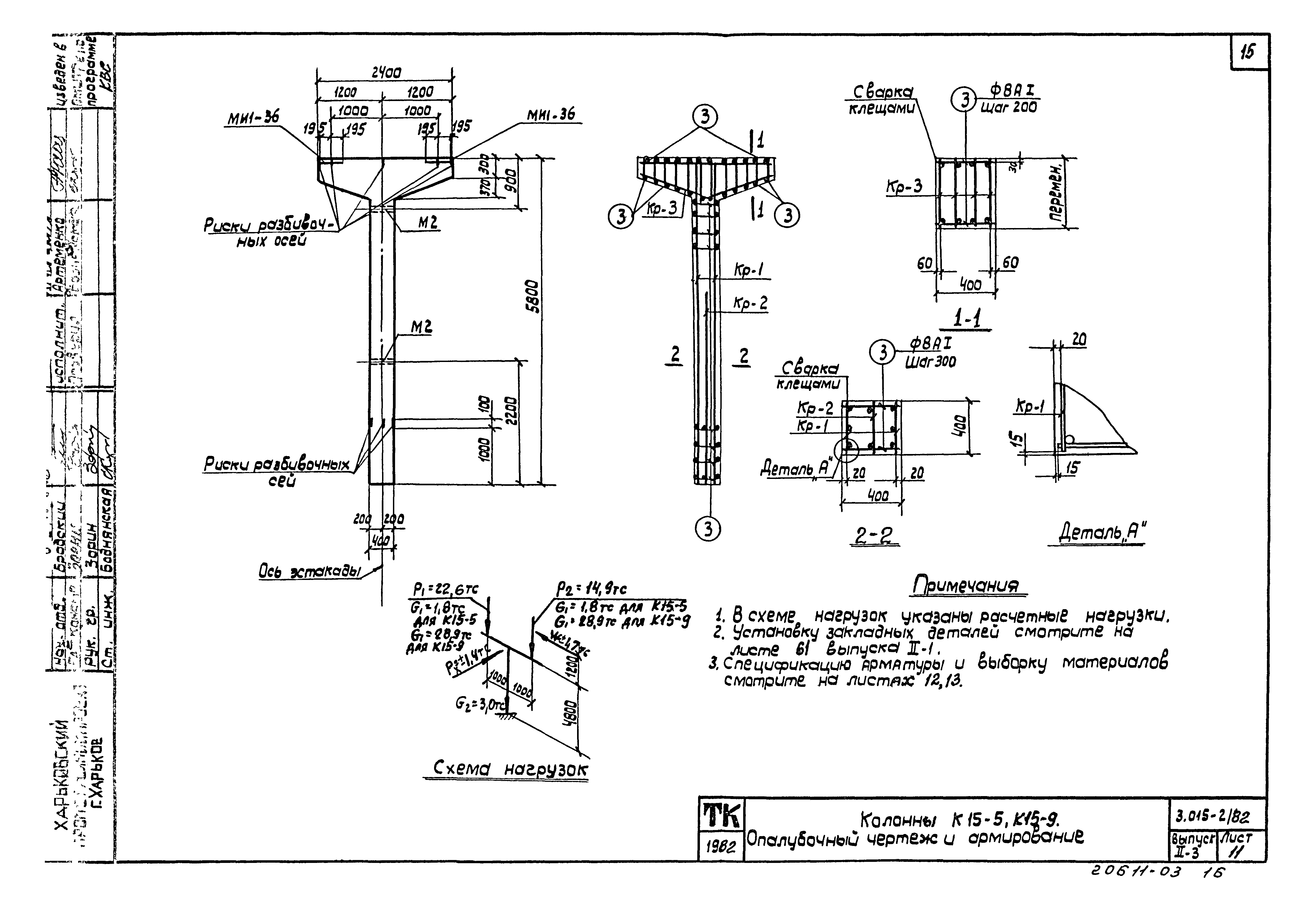
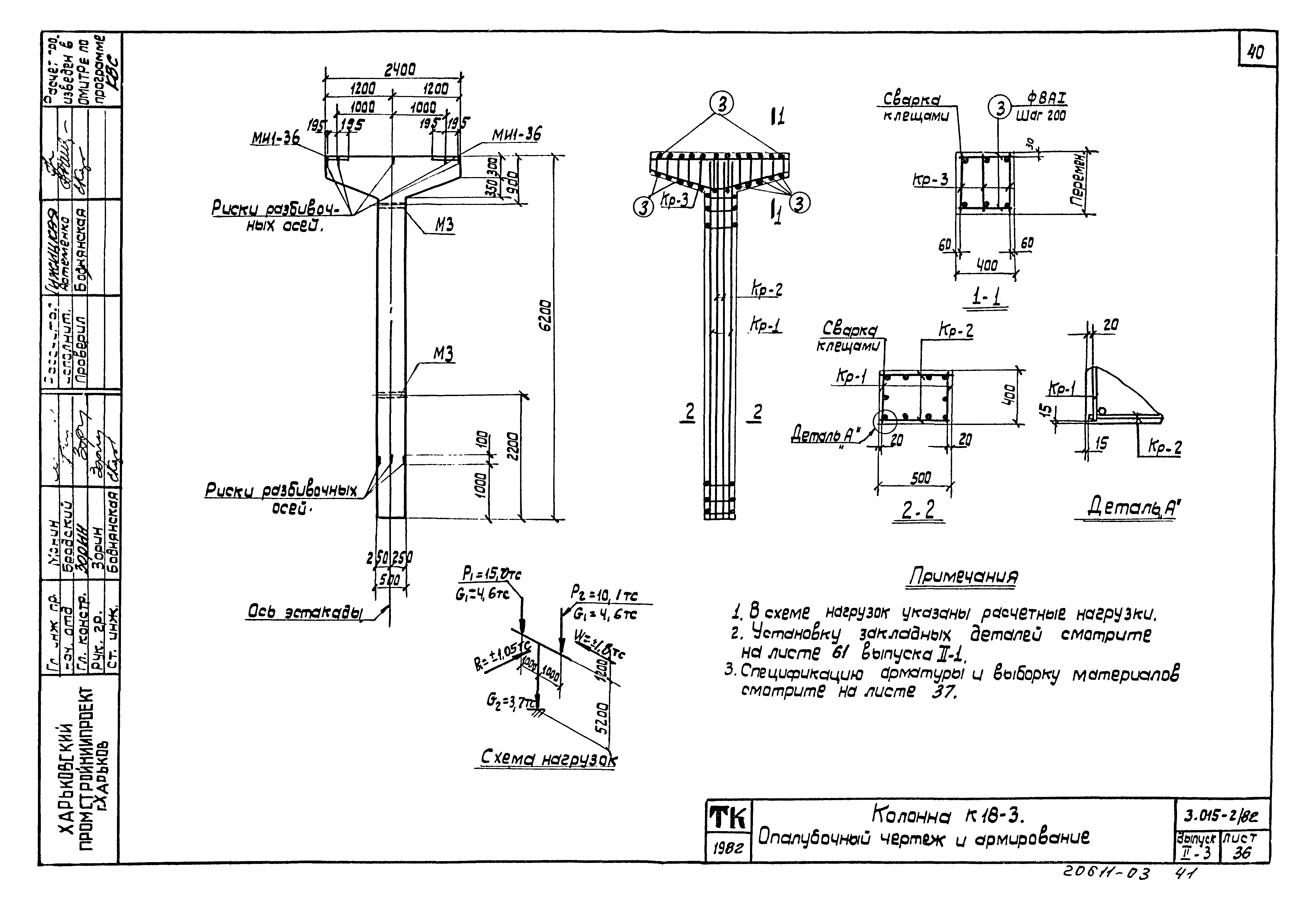
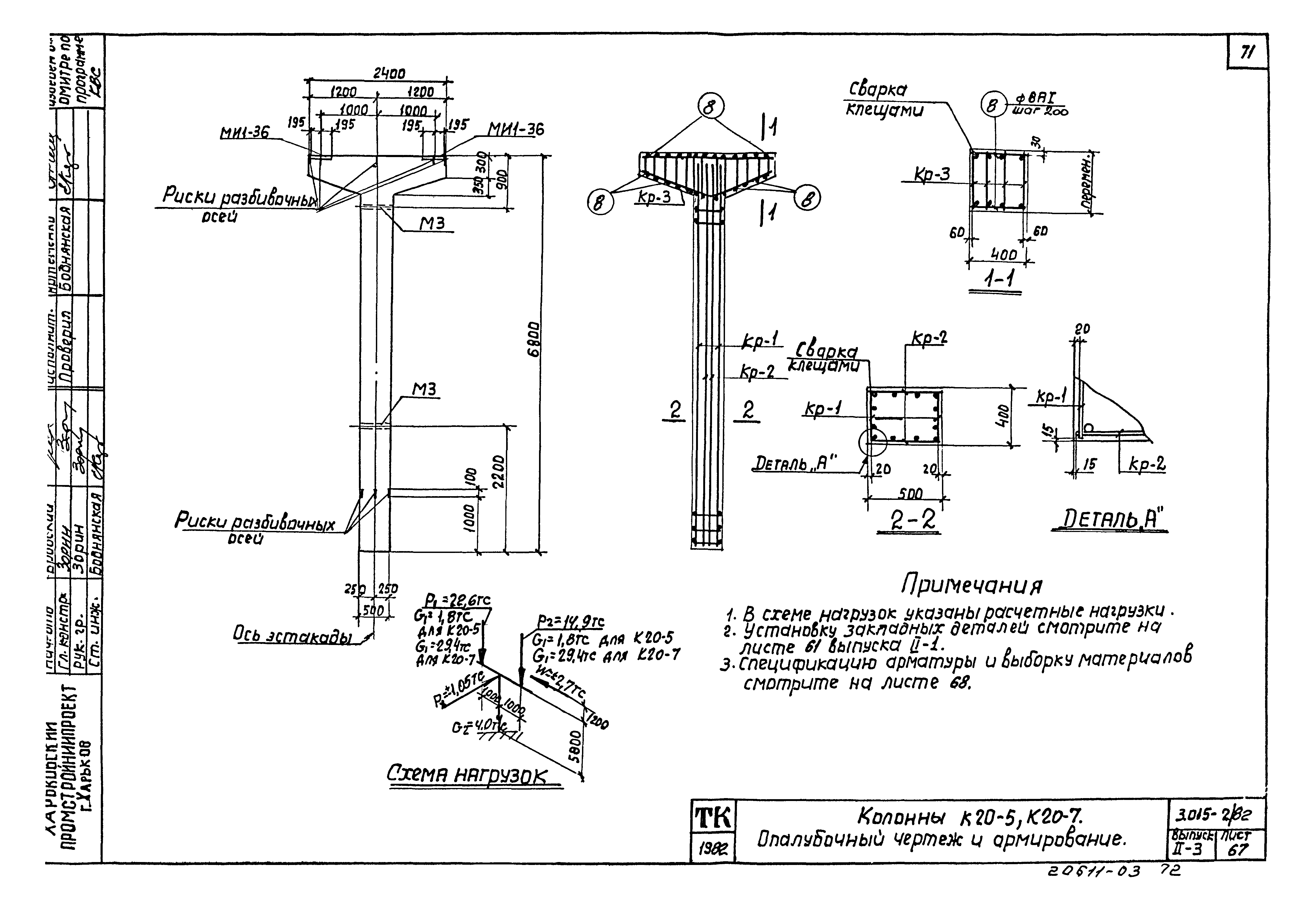
Скачать Серия 3.015-2/82 Выпуск II-3. Сборные железобетонные колонны для эстакад типов IVк; Vк; IVж; Vж. Рабочие чертежиДата актуализации: 10.08.2017
|
| Обозначение: | Серия 3.015-2/82 |
| Обозначение англ: | Series 3.015-2/82 |
| Статус: | заменен |
| Название рус.: | Выпуск II-3. Сборные железобетонные колонны для эстакад типов IVк; Vк; IVж; Vж. Рабочие чертежи |
| Дата добавления в базу: | 21.05.2015 |
| Дата актуализации: | 05.05.2017 |
| Дата введения: | 01.02.1995 |
| Разработан: | Харьковский Промстройниипроект |
| Утверждён: | 10.06.1985 Госстрой СССР (Государственный комитет Совета Министров СССР по делам строительства) (USSR Gosstroy 81) |
| Расположен в: | |
| Чем заменён: |




























































































































