| ||||||||||||||||||||||||||
Скачать Типовые материалы для проектирования 407-03-642.94 Альбом 2. Строительные конструкции. Строительные изделияДата актуализации: 10.08.2017
|
| Обозначение: | Типовые материалы для проектирования 407-03-642.94 |
| Обозначение англ: | 407-03-642.94 |
| Статус: | cправочные материалы, мп, тпр |
| Название рус.: | Альбом 2. Строительные конструкции. Строительные изделия |
| Дата добавления в базу: | 01.09.2013 |
| Дата актуализации: | 05.05.2017 |
| Дата введения: | 05.07.1994 |
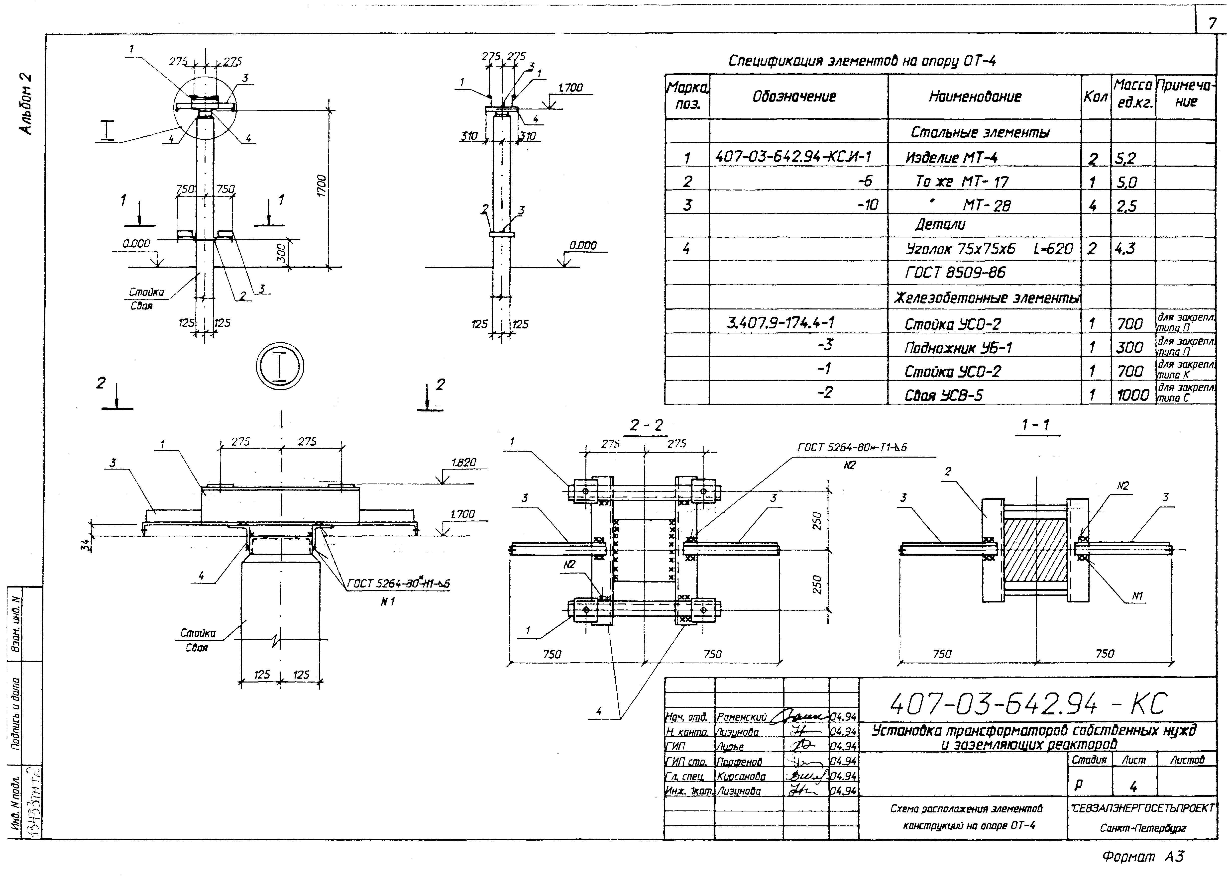
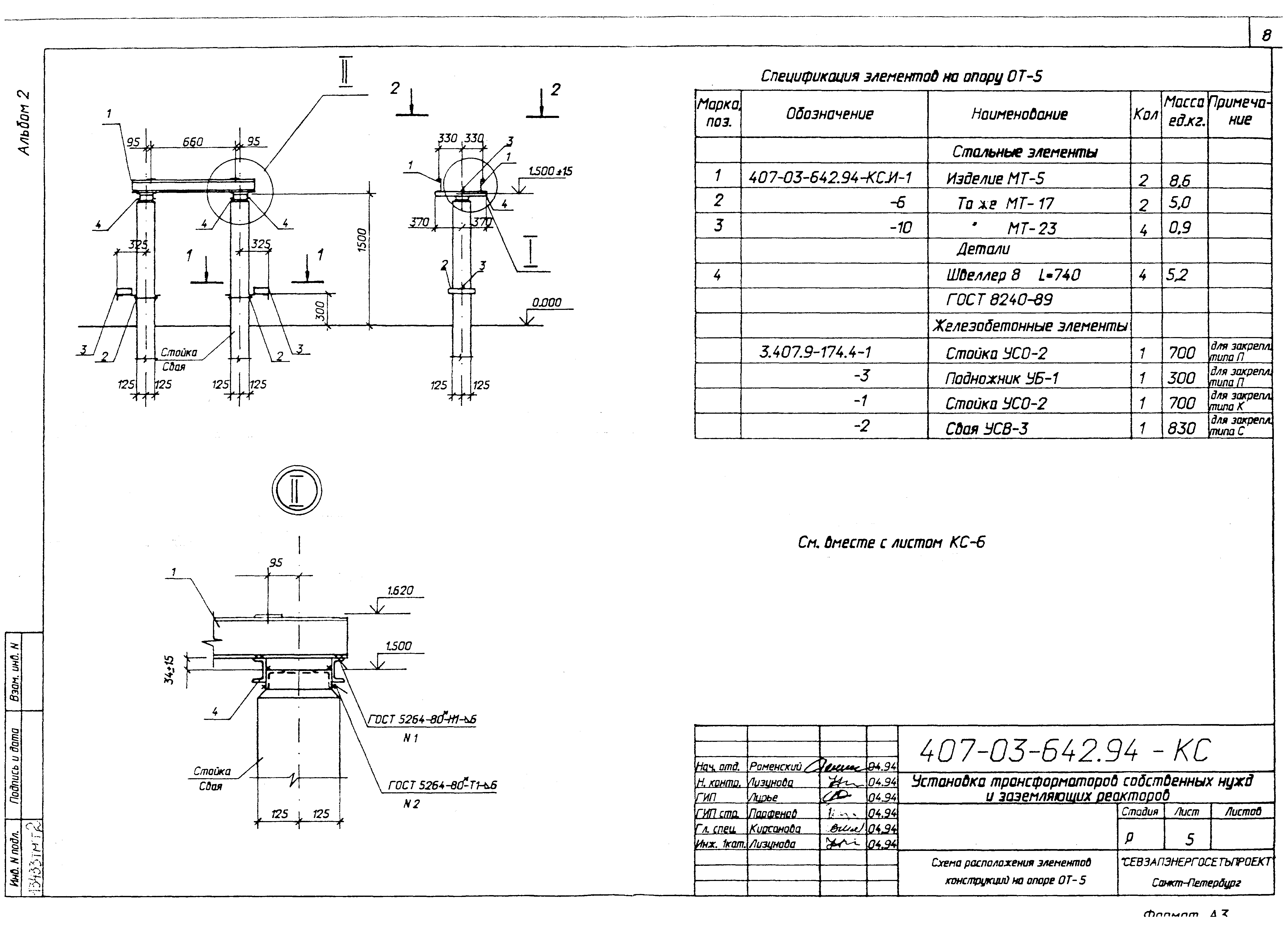
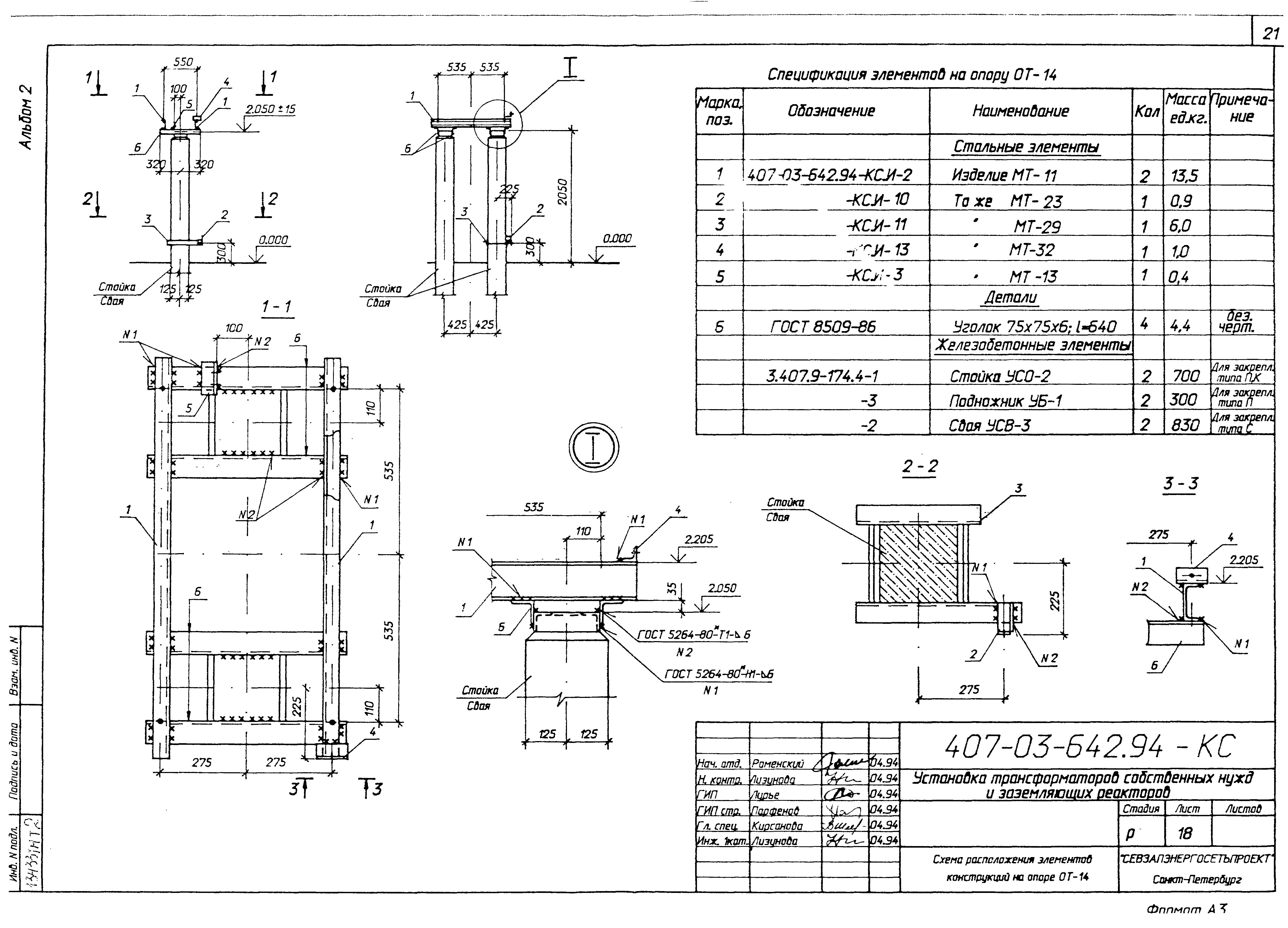
| Оглавление: | ТП 407-03-642.94-ОД Общие данные ТП 407-03-642.94-КС Строительные конструкции ТП 407-03-642.94-КС Схема расположения элементов конструкции на опоре ОТ-1 ТП 407-03-642.94-КС Схема расположения элементов конструкций на опоре ОТ-2 ТП 407-03-642.94-КС Схема расположения элементов конструкций на опаре ОТ-3 ТП 407-03-642.94-КС Схема расположения элементов конструкций на опаре ОТ-4 ТП 407-03-642.94-КС Схема расположения элементов конструкций на опаре ОТ-5 ТП 407-03-642.94-КС Схема расположения элементов конструкций на опоре ОТ-5. Узлы ТП 407-03-642.94-КС Схема расположения элементов конструкций на опоре ОТ-6 ТП 407-03-642.94-КС Схема расположения элементов конструкций на опоре ОТ-6. Узлы ТП 407-03-642.94-КС Схема расположения элементов конструкций на опоре ОТ-7 ТП 407-03-642.94-КС Схема расположения элементов конструкций на опоре ОТ-7. Узлы ТП 407-03-642.94-КС Схема расположения элементов конструкций на опоре ОТ-8 ТП 407-03-642.94-КС Схема расположения элементов конструкций на опоре ОТ-9 ТП 407-03-642.94-КС Схема расположения элементов конструкций на опоре ОТ-10 ТП 407-03-642.94-КС Схема расположения элементов конструкций на опоре ОТ-11 ТП 407-03-642.94-КС Схема расположения элементов конструкций на опоре ОТ-12 ТП 407-03-642.94-КС Схема расположения элементов конструкций на опоре 0Т-12. Узлы ТП 407-03-642.94-КС Схема расположения элементов конструкций на опоре ОТ-13 ТП 407-03-642.94-КС Схема расположения элементов конструкций на опоре ОТ-14 ТП 407-03-642.94-КС Схема расположения элементов конструкций на опоре ОТ-15 ТП 407-03-642.94-КС Схема расположения элементов конструкций на опоре ОТ-16 ТП 407-03-642.94-КС Схема расположения элементов конструкций на опоре ОТ-17 ТП 407-03-642.94-КС Схема расположения элементов конструкций на опоре ОТ-18 ТП 407-03-642.94-КС Схема расположения элементов конструкций на опоре ОТ-18. Узлы ТП 407-03-642.94-КС Схема расположения элементов конструкций на опоре ОТ-19 ТП 407-03-642.94-КС Схема расположения элементов конструкций на опоре ОТ-19. Узлы ТП 407-03-642.94-КС Схема расположения элементов конструкций на опоре ОТ-20 ТП 407-03-642.94-КС Схема расположения элементов конструкций на опоре ОТ-20. Узлы ТП 407-03-642.94-КС Приямок маслоприемника ТП 407-03-642.94-КС Типы закреплений опор над оборудование в грунте ТП 407-03-642.94-КС.И Строительные изделия ТП 407-03-642.94-КС.И-1 Изделие МТ (MT-1_T-6 ) ТП 407-03-642.94-КС.И-2 Изделие МТ (MT-7_MT-12, MT-35) ТП 407-03-642.94-КС.И-3 Изделия МТ-13, МТ-14 ТП 407-03-642.94-КС.И-4 Изделие МТ (МТ-15, МТ-33) ТП 407-03-642.94-КС.И-5 Изделие МТ-16 ТП 407-03-642.94-КС.И-6 Изделие МТ-17 ТП 407-03-642.94-КС.И-7 Изделие МТ-18 ТП 407-03-642.94-КС.И-8 Изделие МТ (МТ-19, МТ-20) ТП 407-03-642.94-КС.И-9 Изделие МТ-21 ТП 407-03-642.94-КС.И-10 Изделие МТ (MT-22_MT-28 ) ТП 407-03-642.94-КС.И-11 Изделие МТ (МТ-29, МТ-30 ) ТП 407-03-642.94-КС.И-12 Изделие МТ-31 ТП 407-03-642.94-КС.И-13 Изделие МТ-32 ТП 407-03-642.94-КС.И-14 Изделие МТ-34 |
| Разработан: | Севзапэнергосетьпроект |
| Утверждён: | 05.07.1994 Минтопэнерго России (Russian Federation Mintopenergo 3) |
| Расположен в: |









































