Скачать Типовой проект 901-5-22/70 Альбом 1. Архитектурно-строительная, технологическая, электротехническая части и автоматикаДата актуализации: 10.08.2017 Типовой проект 901-5-22/70
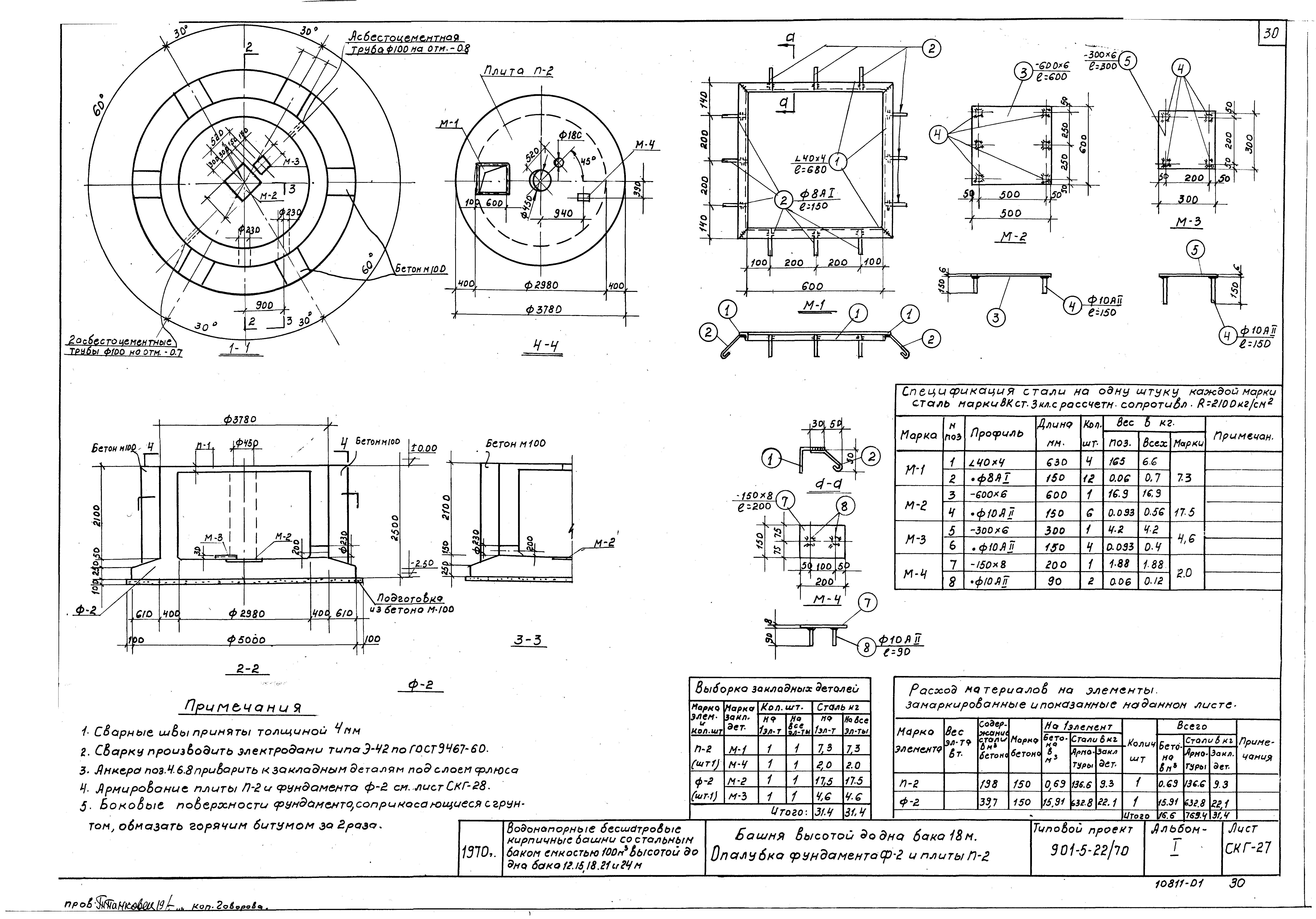
Альбом 1. Архитектурно-строительная, технологическая, электротехническая части и автоматикаОбозначение: | Типовой проект 901-5-22/70 | Обозначение англ: | 901-5-22/70 | Статус: | не определен законодательством | Название рус.: | Альбом 1. Архитектурно-строительная, технологическая, электротехническая части и автоматика | Дата добавления в базу: | 01.09.2013 | Дата актуализации: | 05.05.2017 | Дата введения: | 01.12.1970 | Оглавление: | Содержание альбома Архитектурно-строительная часть Пояснительная записка Расчетные схемы и величины нагрузок Башни высотой до дна бака 12 и 15 м. Заглавный лист. Выборки материалов Башни высотой до дна бака 12 и 15 м. Планы, разрезы. Узел 1 Башни высотой до дна бака 18 м. Заглавный лист. Выборки материалов Башни высотой до дна бака 18 м. Планы, разрезы Башни высотой до дна бака 21 м. Заглавный лист. Выборки материалов Башни высотой до дна бака 21 м. Планы, разрезы Башни высотой до дна бака 24 м. Заглавный лист. Выборки материалов Башни высотой до дна бака 24 м. Планы, разрезы Узлы 2…14 Фасады. Архитектурные детали Детали утепления Стальной бак емкостью 100 куб. м. Лист 1 Стальной бак емкостью 100 куб. м. Лист 2 Стальной бак емкостью 100 куб. м. Лист 3 Стальной бак емкостью 100 куб. м. Лист 4 Лестницы Л-1, Л-2 Лестница Л-3. Деталь перил Лестница Л-4 Лестницы Л-5, Л-6 Площадка ПЛ-1 Площадки ПЛ-2, ПЛ-3. Люк Оголовок ствола; перемычки БП-1, БП-2. Закладные детали ЗД-1, ЗД-2 Башни высотой до дна бака 12 и 15 м. Опалубка фундамента Ф-1 и плиты П-1 Башни высотой до дна бака 12 и 15 м. Армирование фундамента Ф-1 и плиты П-1 Башни высотой до дна бака 18 м. Опалубка фундамента Ф-2 и плиты П-2 Башни высотой до дна бака 18 м. Армирование фундамента Ф-2 и плиты П-2 Башни высотой до дна бака 21 и 24 м. Опалубка фундамента Ф-3 и плиты П-3 Башни высотой до дна бака 21 и 24 м. Армирование фундамента Ф-3 и плиты П-3 Производство работ. Пояснительная записка План стройплощадки Схемы производства земляных и бетонных работ Схема сварки металлического бака в трубчатых подмостях Схема возведения кладки ствола и бетонирования оголовка. Ведомость объемов работ Схема монтажа бака спаренными кранами Схема монтажа бака на стволе Технологическая часть Пояснительная записка Общий вид технологического оборудования башни высотой 12 и 15 м. Монтажная схема То же, высотой 18, 21, 24 м Детали вывода труб из башни Детали крепления труб в стволе для башен высотой 12 и 15 м То же, для башен высотой 18, 21, 24 м Клапан-захлопка dу - 150 Электротехническая часть и автоматика Пояснительная записка. Кабельный журнал Заказная спецификация электрооборудования (начало) Заказная спецификация электрооборудования (окончание). Заказная спецификация щитов и пультов Заказная спецификация кабелей и проводов. Заказная спецификация основных монтажных материалов и изделий Схема питания электрооборудования. Электрообогрев напорно-возводящего стояка. Схема принципиальная электрическая Измерение уровня в баке водонапорной башни. Схема принципиальная электрическая Схема принципиальная электрическая. Задвижка Схема внешних соединений электрооборудования Электрические проводки. Электрическое освещение. Молниезащита Схема монтажная. Лист 1. Шкаф автоматики. Общий вид Схема монтажная. Лист 2 Электрообогрев напорно-разводящего стояка. Общий вид и детали Датчик уровня с электрообогревом. Элементарная схема датчика уровня с электрообогревом. Общий вид Датчик уровня с электрообогревом. Детали Пример установки датчиков уровней с электрообогревом | Разработан: | ЦНИИЭП иженерного оборудования
| Утверждён: | 24.11.1967 Госстрой СССР (Государственный комитет Совета Министров СССР по делам строительства) (USSR Gosstroy 180)
| Расположен в: |
|
                                                             
|